Morfología comparada del corión del huevo de los taxones del grupoLysandra coridon (Poda, 1761) en la Península Ibérica. Aportaciones a su identidad y distribución geográfica (Lepidoptera: Lycaenidae)
Comparative morphology of the egg chorion of the Lysandra coridon (Poda, 1761) group taxa in the Iberian Peninsula. Contributions to its identity and geographical distribution (Lepidoptera: Lycaenidae)
Morfología comparada del corión del huevo de los taxones del grupoLysandra coridon (Poda, 1761) en la Península Ibérica. Aportaciones a su identidad y distribución geográfica (Lepidoptera: Lycaenidae)
SHILAP Revista de Lepidopterología, vol. 47, núm. 187, pp. 389-407, 2019
Sociedad Hispano-Luso-Americana de Lepidopterología
Recepción: 22 Abril 2018
Aprobación: 10 Septiembre 2018
Resumen: Analizamos la morfología del corión del huevo de diferentes poblaciones de taxones del grupo Lysandra coridon citados en la Península Ibérica. Mediante la fotografía con microscopio electrónico de barrido, hemos encontrado tres morfotipos perfectamente diferenciados. Uno correspondería a L. coridon, L. coridon asturiensis y L. caelestissima, un segundo a L. hispana y el tercero a L. albicans. Las importantes y constantes diferencias entre el huevo de L. albicans y L. hispana, las separa perfectamente como especies cripticas y nos han servido como método eficaz para encuadrar las diferentes poblaciones en una u otra especie. Ampliamos el área de distribución de L. hispana hasta el Sur de la Península Ibérica y confirmamos que existen importantes poblaciones esta especie que presentan una única generación, concretamente en Levante y sierras granadinas.
Palabras clave: Lepidoptera, Lycaenidae, morfología huevo, grupo Lysandra coridon, Península Ibérica.
Abstract: We analyzed the egg chorion morphology of different populations of taxa of the Lysandra coridon group cited in the Iberian Peninsula. Using scanning electron microscopy, we have found three perfectly differentiated morphotypes. One would correspond to L. coridon, L. coridon asturiensis and L. caelestissima, a second to L. hispana and the third to L. albicans. The important and constant differences between the eggs of L. albicans and L. hispana, separates them perfectly as cryptic species and has served as an effective method to frame the different populations in one or the other species. We expanded the range of L. hispana to the South of the Iberian Peninsula and confirmed that there are important populations of this species that present a single generation, specifically in the Levante area and in Granada province mountains.
Keywords: Lepidoptera, Lycaenidae, morphology egg, group Lysandra coridon, Iberian Peninsula.
Introducción
El género Lysandra Hemming, 1933, cuya validez se determina recientemente en TALAVERA et al. (2013) en base a estudios cariológicos y genéticos, está representado en la Península Ibérica por la especie L. bellargus (Rottemburg, 1775) y los taxones del grupo coridon, uno de los complejos de especies o semiespecies más problemáticos de la fauna ibérica de Papilionoidea.
Debido a la enorme dificultad que entraña discernir cuantas especies componen este grupo, si lo son o son subespecies, o se trata de taxones en pleno proceso de especiación, el complejo coridon ha sido estudiado prolíficamente durante el último siglo desde diversos puntos de vista, morfológicos, cariológicos, genéticos, hibridación, etc., sin llegar a conclusiones definitivas en ningún caso, si bien en los últimos trabajos sobre el cariotipo y los marcadores genéticos se comienzan a descifrar las relaciones entre los taxones más próximos (TALAVERA et al., 2013; DINCA et al., 2015).
El primer trabajo que pone cierto orden al grupo, lo encontramos en los estudios cariológicos de DE LESSE (1969), donde estudia el número haploide de un buen número de ejemplares de Europa, concluyendo que las poblaciones de la Península Ibérica están representadas por los siguientes taxones: L. albicans (Gerhard, 1851) n=82, L. hispana (Herrich-Schäffer, 1851) n=84, L. caelestissima (Verity, 1921) n=87, L. coridon asturiensis (Sagarra, 1922) n=87 y L. coridon (Poda, 1761) n=88. Este autor separa a L. caelestissima como especie y agrupa las poblaciones de L. coridon con una clina en la variación del haplotipo que va desde n=87 a n=92 a través de Europa, en sentido oeste a este, correspondiendo los haplotipos menores a la Península Ibérica y los mayores a los Balcanes.
El hecho de que en un trabajo anterior (DE LESSE, 1960), se estableciese por error el número haploide de L. caelestissima en n=84-85, al estudiar ejemplares de la Serranía de Cuenca, donde los híbridos L. albicans x L. caelestissima, descritos como L. caerulescens (Tutt, 1909), son muy comunes, ha ocasionado que se haya arrastrado este error en posteriores publicaciones como en GARCÍA-BARROS et al. (2013), donde se asigna a caelestissima n=84-85. También encontramos errores en el número haploide en otros trabajos, como en MUÑOZ (2011), donde se asigna al grupo coridon en la península ibérica n=84, en DESCIMON et al. (2008), donde se asigna n=88-90 a L. coridon, según DE LESSE (1960, 1969), en vez de 87-92, o en TOLMAN et al. (2002), donde le asigna a L. coridon n=84-92.
El segundo compendio que recoge un estudio del material ibérico, lo encontramos en MANLEY et al. (1970), donde presenta ocho taxones, tres azules, L. coridon, L. asturiensis y L. caelestissima, cuatro blanquecinos, L. albicans, L. hispana, L. bolivari (Romei, 1927) y L. arragonensis (Gherard, 1853) y finalmente un hibrido, L. caerulescens (L. albicans x L. caelestissima) siendo sinonimias de éste, L. hibera (Verity, 1939) y L. cuencana (Verity, 1927).
En el trabajo más actual donde se revisa el grupo a nivel ibérico (GARCÍA BARROS et al., 2013) se aplica una visión conservadora, admitiendo únicamente tres especies, dos blanquecinas, L. albicans y L. hispana y una azul, L. coridon, con tres subespecies, coridon, asturiensis y caelestissima. Si bien pone en duda que L. hispana sea una especie separada de L. albicans, ya que la única manera de separarlas es el bivoltinismo de L. hispana, apoyado en los resultados genéticos de MENSI (1989) y LEILIEVRE (1992), que no encuentra separación alguna entre ambos taxones. Además, tiene en cuenta que se ha demostrado que L. coridon tiene poblaciones bivoltinas (PINO et al., 2013; SCHMITT et al., 2005), por lo que se considera una circunstancia poco relevante. En esta línea, la versión castellana de la guía TOLMAN (2002), en la nota del traductor, se trata a las especies L. albicans y L. hispana como semi-especies.
Con posterioridad a los trabajos de DE LESSE, sobre el cariotipo, los siguientes intentos para poner luz al grupo han sido a través de estudios genéticos, primero mediante el estudio de patrones de aloenzimas (MENSI, 1988, 1989; SCHMITT et al., 2005; LEILIEVRE, 1992) y más recientemente mediante la combinación de marcadores genéticos mitocondriales y nucleares (TALAVERA et al., 2013; DINCA et al., 2015). Es también interesante reseñar los trabajos para comprobar la viabilidad de los híbridos, especialmente los de BEURET (1956, 1957, 1959) y SCHURIAN (1989).
MENSI (1988), comparando patrones de aloenzimas, encuentra diferencias entre L. caelestissima y L. coridon, estudiando 15 poblaciones ibéricas, pero estos resultados se han interpretado erróneamente en posteriores trabajos, ya que este autor agrupa todas las poblaciones ibéricas de L. coridon, L. asturiensis y L. caelestissima, con el nombre de esta última, y la comparación realmente la hace entre los taxones azules del grupo L. coridon ibéricos y los europeos.
LELIEVRE (1992), no encuentra diferencias entre L. caelestissima y L. coridon, estudiando 75 poblaciones. Si encuentra diferencias entre las especies blanquecinas y las azules. Este autor estudia por separado el taxón L. hispana del norte peninsular y europeo, con n=84 y dos generaciones, y L. hispana semperi del litoral mediterráneo, con n=84 y una sola generación. Ambos taxones se aproximan mucho a L. albicans, pero entre los tres aparecen diferencias en algunos locus. En MENSI (1989), no se encuentran diferencias entre L. albicans y L. hispana. Resumiendo, mediante este sistema únicamente se encontraron diferencias significativas entre L. bellargus y el grupo coridon, y diferencias sutiles entre las especies blanquecinas y las azules. En esta línea, SCHMITT et al. (2005), encuentra diferencias entre L. hispana y L. coridon.
Recientemente, se ha abordado el tema mediante el estudio del genotipo, combinado siete marcadores mitocondriales y nucleares (TALAVERA et al., 2013), si bien los resultados siguen sin ser concluyentes para el grupo coridon ibérico, se atisba cuál es su situación, causada por la introgresión genética producida por la hibridación y la inestabilidad cromosómica del género, que ha ocasionado una rápida diversificación.
En DINCA et al. (2015), donde se analiza el marcador COI de toda la fauna ibérica de Rhopalocera, no se obtienen resultados para el grupo coridon, ya que no existen apenas diferencias en este marcador para las especies del grupo.
Es relevante el tratamiento de voltinismo en este grupo, ya que tradicionalmente ha sido la única manera de separar poblaciones de L. hispana de L. albicans, sin recurrir al estudio del cariotipo. Al bivoltinismo de L. hispana se suma el diferente número haploide, n=84, frente a n=82 de L. albicans, pero si tenemos en cuenta que L. coridon presenta una clina en su número haploide de 87 a 92 a través de Europa y que además tiene poblaciones bivoltinas (aunque muy locales), (FERNÁNDEZ-VIDAL, 1991; PINO et al., 2013; SCHMITT et al., 2005), encontramos argumentos de peso para que en trabajos recientes se ponga en duda el status taxonómico de L. hispana. (MONTAGUD et al., 2010; GARCÍA-BARROS et al., 2013; TOLMAN et al., 2002).
Con respecto a L. hispana, para tener una visión concreta de las poblaciones ibéricas, reflejamos en la Tabla 1 las poblaciones del Sudeste ibérico adscritas en su descripción esta especie.

Todas las subespecies nombradas se describen en base a ejemplares estivales exclusivamente, sin que se mencione la existencia de una primera generación. ANDUJAR et al. (1985), refiere ejemplares de la primera generación en la sierra de Alcaraz, concretamente del 8-IV-1982 en Molinicos, cerca de Riopar, por lo que señalamos dos generaciones para esta población. En el texto donde se describe la subespecie L. hispana javieri de Navarra (GÓMEZ DE AIZPURUA et al., 1973), se reseña que betica se describe en base a ejemplares capturados en mayo en la Sierra de Cazorla (Jaén) y por tanto de la primera generación. Esta afirmación se mantiene en GÓMEZBUSTILLO et al. (1974) y en GARCÍA-BARROS et al. (2013), donde se asigna betica a la Sierra de Cazorla, si bien en la descripción original de betica (BETTI, 1970), indica que los ejemplares son de Guadix (Granada) y capturados el 9 de julio, por lo que las anteriores referencias son erróneas. Es interesante referir el origen del error, basado en unos ejemplares primaverales reseñados en MANLEY et al. (1970) recolectados en la Sierra de Cazorla, ya que indican una segunda generación en esta Sierra.
Teniendo en cuenta que las poblaciones alicantinas son univoltinas (ROBER et al., 1983), sumado a los resultados de LELIEVRE (1992), donde se encuentran diferencias genéticas muy pequeñas entre L. albicans, L. hispana y L. semperi, MONTAGUD et al. (2010) agrupa todas las poblaciones de la región Valenciana como L. albicans.
Desde otro enfoque del problema, referimos los estudios sobre la hibridación de estos taxones (muy frecuente en zonas de solapamiento de poblaciones en la naturaleza), realizados por BEURET (1956, 1957, 1959) y SCHURIAN (1989), donde por ejemplo se encuentran híbridos viables hasta la tercera generación en cruces entre L. hispana y L. coridon. A este respecto, DE LESSE, (1969), estudió el cariotipo de numerosos híbridos en las zonas de simpatría de poblaciones de L. coridon y L. hispana, L. caelestissima y L. albicans y L. coridon y L. albicans, encontrando morfotipos y números haploides intermedios. Cabe destacar que en los híbridos L. albicans x L. caelestissima, encuentra anomalías importantes en cromosomas, con forma irregular, que interpreta como el desencadenante probable de un cierto grado de esterilidad.
Las referencias a los híbridos dentro del grupo coridon son numerosas en la bibliografía. Uno de los más citados por su relativa abundancia es L. caerulescens (Tutt, 1909), descrito como especie y posteriormente tratado como híbrido L. albicans x L. caelestissima (SCHURIAN, 1979).
En cuanto al estudio de las etapas preimaginales de los taxones ibéricos del grupo coridon, encontramos ilustraciones en los trabajos de MUÑOZ (2011), SCHURIAN (1973, 1975, 1976, 1977, 1989), MUNGUIRA et al. (2015) y descripciones en GARCÍA-BARROS et al. (2013).
Información detallada sobre la morfología externa de los huevos de Lycaenidae, así como de la nomenclatura para describirla, la encontramos en DOWNEY et al. (1981, 1984). En estos trabajos se ofrecen fotografías con SEM de un buen número de especies y detalles de las diferentes estructuras que se encuentran en el corión.
En MUÑOZ (2011), encontramos fotografías de los huevos de los taxones del grupo coridon. Al tratarse de fotografía óptica, es muy difícil apreciar los detalles morfológicos diferenciales. En SCHURIAN (1989), se presentan fotografías con microscopio electrónico de barrido (SEM) de los huevos de L. hispana y un huevo hibrido de L. coridon x L. hispana, sin el detalle suficiente para poder hacer un diagnóstico diferencial. En este trabajo se indica que las diferencias entre las etapas preimaginales (larvas y huevos) de L. albicans y L. hispana permite separarlas como especies válidas.
En el reciente trabajo de MUNGUIRA et al. (2015) donde se ofrece una descripción de los huevos de los Lycaenidae ibéricos, con fotografías de microscopio electrónico de barrido (SEM), de alta calidad, no aparecen representados los huevos de L. caelestissima ni de L. hispana. Se ofrece una descripción detallada de los huevos de L. bellargus, L. coridon y L. albicans.
En el presente trabajo, ofrecemos un estudio detallado de los huevos de los taxones L. coridon coridon, L. c. asturiensis y L. caelestissima, así como de diferentes poblaciones de L. albicans y L. hispana, incluidas las de algunas localidades tipo separadas en su momento como subespecies, con el fin de aclarar su verdadero status taxonómico. Describimos caracteres diferenciales significativos, que separan claramente los taxones coridon, albicans e hispana, resaltando que la morfología de los huevos puede servir para separar especies muy próximas y ayudar a resolver la situación taxonómica y la distribución geográfica de las diferentes poblaciones de estas especies.
Métodos
Se han realizado muestreos de huevos de los taxones descritos como L. coridon coridon, L. c. asturiensis, L. caelestissima, L. albicans, L. a. camporrealis (Gómez-Bustillo, 1972), L. a. arragonensis, L. hispana, L. h. lucentina y L. h. gonzalezi.
Con el fin de establecer una comparativa morfológica entre el huevo de L. albicans y L. hispana, se muestreó una población primaveral de L. hispana en la localidad de Sopeira (Huesca). El resto de los muestreos se realizaron en agosto, septiembre y octubre en las localidades reflejadas en la Tabla 2. Se visitaron las localidades tipo de L. hispana lucentina, L. h. gonzalezi, L. albicans arragonensis, L. a. camporrealis y L. albicans.

Los muestreos de huevos se realizaron de tres formas diferentes. El primer método consiste en seguir a una hembra hasta que pone el huevo y recogerlo. Esta metodología dificulta recoger una muestra de huevos suficiente. Este método lo usamos en la población primaveral de L. hispana en Huesca, con el fin de asegurarnos la procedencia de los huevos. Junto a las hembras de L. hispana se encontraban en mayor abundancia hembras de L. bellargus poniendo sobre las mismas plantas.
El segundo método consiste en localizar una zona de vuelo de la especie, buscar Hippocrepis sp. (planta nutricia de las larvas de todos los taxones del grupo en la Península Ibérica), y buscar huevos en las plantas. Este método es muy eficaz pasado el verano en zonas con la vegetación agostada, donde es fácil identificar las plantas. La puesta no suele ser abundante, encontrando entre uno y cinco huevos por planta con puesta.
El tercer método consistió en introducir una hembra en un recipiente con un medio para libar y una ramita de la planta nutricia para que realice la puesta, siguiendo el método expuesto en SCHURIAN et al. (2011). Este método se desestimó por su baja efectividad, creemos que debido a las altas temperaturas estivales.
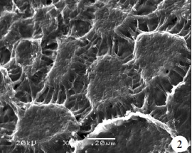
Las fotos con SEM se realizaron con un microscopio electrónico de barrido JEOL 5600V, usando un voltaje de aceleración de 20 Kv y una distancia de trabajo de 20 mm. Las muestras se montaron en stubs con adhesivo de grafito conductor y se metalizaron con oro en un BIO-RAD SC 502.
Resultados
Hemos obtenido tres morfotipos de huevos del grupo coridon ibérico perfectamente diferenciados.
El primero (morfotipo A) correspondería a los taxones L. coridon, L. coridon asturiensis y L. calestissima, el segundo (morfotipo B) a L. hispana y el tercero (morfotipo C) a L. albicans. En la lámina 1 se muestran los tres morfotipos en vista ventral y vista oblicuo-lateral. En la lámina 2 se muestran las diferencias en los tubérculos laterales y en la lámina 3 se muestra el área micropilar de los tres morfotipos.



Describimos a continuación la morfología externa del corión del huevo de los diferentes muestreos realizados. (Tamaño = media aritmética en mm, SD = desviación típica en mm, n= número de huevos medidos).
MORFOTIPO A
Lysandra coridon coridon (Poda, 1761) Muestra de Montgarri (Lérida) a 1.770 m. Anteriormente descrito e ilustrado en MUNGUIRA et al. (2015). Tamaño 0,66 mm, SD=0.020 mm, n=14. Zona anular pequeña y deprimida con dos a tres series de celdas, con paredes lisas y superficiales. Zona de transición aplanada con las paredes de las celdas gruesas, sin tubérculos. Zona de tubérculos-aeropilos con celdas triangulares agrupadas en hexágonos cuyos ángulos dan lugar a los tubérculos con sección final redondeada. En la figura 1, observamos una sección del interior de un tubérculo con el aeropilo en el interior.

Lysandra coridon asturiensis (Sagarra, 1922) Muestra de Quiros (Asturias) a 1.700 m. Tamaño 0.64 mm, SD=0.033 mm, n=10. Similar en tamaño y estructura a L. coridon coridon. Únicamente encontramos una posible diferencia en el número de celdas en la zona de transición, que en algunos huevos es mayor en asturiensis, si bien no es extensible a toda la muestra.
Lysandra caelestissima (Verity, 1921) Muestra de Villacadima (Guadalajara), a 1.330 m, Somolinos (Guadalajara), a 1.300 m y Orea (Guadalajara), a 1.500 m. Tamaño 0.66 mm, SD=0.02 mm, n=12. Muy similar a L. coridon coridon. Indistinguible.
Ilustramos el morfotipo A en la lámina 4.

MORFOTIPO B
L. hispana (Herrich-Schäffer, 1851) Muestra de Sopeira (Huesca), a 910 m. La población corresponde a la tiponominal de la especie, descrita de Cataluña.
Tamaño 0.75 mm, SD=0.027 mm, n=7. La arquitectura es similar a la del huevo de L. coridon, pero notablemente más grande, 0.1 mm más, (un 15% de media). También presenta más densidad de tuberculos-aeropilos y estos son más altos y puntiagudos. Las paredes de las células de la zona de transición son similares a la de L. coridon. Muy diferente del huevo de L. albicans. Muestra de Confrides (Alicante), a 960 m. Localidad tipo de la subespecie descrita como Lysandra hispana lucentina (De Lesse, 1969), sinonimia de Lysandra hispana semperi (Agenjo, 1968).
Tamaño 0.77 mm, SD=0.035 mm, n=10. La arquitectura es parecida a la del huevo de L. hispana hispana, si bien presenta menos densidad tubérculos-aeropilos y son menos redondeados y más puntiagudos.
Muestra de Riopar (Albacete), a 1.200 m. localidad tipo de la subespecie descrita como L. hispana gonzalezi (Agenjo, 1969) Tamaño 0.80 mm, SD=0.04 mm, n=11. En general, parecidos a los de Alicante, si bien, los huevos de Riopar presentan una importante variedad individual, algunos tienen la zona de transición con las paredes de las celdillas sin relieve, con apariencia similar a L. albicans, pero diferenciándose en los tubérculos finos y altos, típicos de L. hispana.
Muestra de Diezma (Granada), a 1.350 m y Los Villares (Granada), a 1.220 m.
Tamaño 0.83 mm, SD=0.042 mm, n=18. Muy parecidos a los de la Sierra de Alcaraz, con una similar variabilidad individual.
Se observa una clina en la media del tamaño del huevo desde los ejemplares del norte de la Península Ibérica a los del sur, 0.75 mm en Huesca, 0.77 en Alicante, 0.80 en Albacete y 0.83 en Granada. Ilustramos la variabilidad del morfotipo B en la lámina 5. Representamos huevos de Alicante, Huesca, Albacete y Granada.

MORFOTIPO C
Lysandra albicans Gerhard, 1851 Muestra de Mellanzos (León), a 890 m., Cogolludo (Guadalajara), a 870 m., Somolinos (Guadalajara), a 1.300 m., Camporreal (Madrid), a 750 m. y Albarracín (Teruel), a 1.180 m. Camporreal es la localidad tipo de la subespecie descrita como L. albicans camporrealis y Albarracín es la localidad tipo de la subespecie descrita como L. albicans arragonensis.
Tamaño 0.80 mm, SD=0.045 mm, n=22. Anteriormente descrito e ilustrado en MUNGUIRA et al., (2015). Se trata de un huevo con una estructura muy diferenciada dentro de la tribu Polyommatini. Tiene forma de disco, recordando al peculiar huevo de Iolana debilitata, sobre todo en vista oblicuo- lateral. Zona anular pequeña con dos o tres series de celdas, con paredes lisas y superficiales. La zona de transición es muy plana, lo que le confiere al huevo la forma de disco, con paredes celulares superficiales. En algunos ejemplares las paredes de esta zona están deprimidas (Figura 2).

Las celdas presentan un reborde interior característico y pueden ser redondeadas o con formas geométricas. El Área de tubérculos-aeropilos es especialmente diferente a L. coridon y L. hispana.
Las celdas triangulares son muy grandes, separadas por paredes casi tan altas como muchos de los tubérculos. En muchos casos, el borde superior de las paredes tiene aspecto de estar deteriorado o deshilachado, esto es debido a unas protuberancias que le dan al borde aspecto fleco dentado (Figura 3)

Este carácter no se presenta en los huevos de los otros taxones del grupo. Cada tubérculo de la primera fila se rodea de dos celdas triangulares alargadas y planas en el final de la zona de transición, y tres o cuatro celdas triangulares grandes en la parte inferior. Las celdas en esta zona son especialmente profundas.
Si bien los huevos de L. albicans presentan una cierta variabilidad, ésta es común a todas las poblaciones estudiadas, por lo que no es posible diferenciar entre ellas.
Ilustramos la variabilidad del morfotipo C en la lámina 6. Representamos huevos de Madrid, Guadalajara, Teruel y León.

Los tres morfotipos encontrados están perfectamente diferenciados del huevo de Lysandra bellargus, éste presenta una retícula de celdas mucho más apretada con una densidad mucho mayor de tubérculos (Figura 4).

Discusión
La morfología de los huevos de las especies de Lycaenidae tiene un indudable valor taxonómico.
En MUNGUIRA et al. (2015), podemos comprobar como las especies próximas y del mismo género presentan una morfología del huevo muy similar, a veces incluso indistinguibles, por lo que es precisamente esta circunstancia la que cabría de esperar en especies tan próximas morfológica y genéticamente como las del grupo Lysandra coridon. Por ello creemos que las importantes diferencias entre el huevo de L. albicans y el de L. hispana, ratifican que se trata de dos especies crípticas perfectamente separadas, confirmando los estudios cariológicos de DE LESSE (1969) que las separaba por su diferente número haploide y en línea con las últimas investigaciones genéticas realizadas en el género Lysandra (TALAVERA et al., 2013).
ASIGNACIÓN DE TAXONES DESCRITOS DE L. HISPANA DEL SUDESTE DE LA PENÍNSULA IBÉRICA
En la Tabla 3, analizamos los diferentes taxones descritos como subespecies de L. hispana en el sudeste ibérico. Utilizamos el tipo de huevo encontrado y el número haploide hallado por DE LESSE (1969). Todos los taxones han resultado pertenecer a la especie a la que se hizo referencia en su descripción, L. hispana.

(2). L. hispana betica, fue descrita de Guadix (Granada), localidad a tan solo 12 km. de Diezma, donde hemos comprobado que vuela hispana analizando su huevo. Debe adscribirse a L. hispana.
(3). L. hispana gudarensis, de Gúdar, localidad muy cercana a las del maestrazgo turolense, en las que DE LESSE (1969) halló para estas poblaciones n=84 (Cantalvieja, Teruel capital -8 km. al estey Villaroya de los Pinares). De hecho, Gúdar se encuentra en el centro entre estas tres localidades, por lo que adscribimos esta subespecie a L. hispana.
Nuestros resultados concuerdan con la separación establecida por DE LESSE (1969), ya que en las poblaciones donde se halló n=84, el huevo encontrado es del tipo L. hispana y donde se halló n=82, el huevo es tipo L. albicans.
En la provincia de Granada, DE LESSE (1969) halló n=82 (L. albicans), sobre diez ejemplares de una población en la Sierra de Lucena, mientras que nosotros hemos encontrado el huevo tipo L. hispana en dos poblaciones de la Sierra Arana. Estos resultados pronostican que en Granada habitan las dos especies, posiblemente L. hispana en zonas más altas y L. albicans en las zonas bajas y más termófilas. Es probable que las poblaciones de Sierra Nevada, que, según OLIVARES et al. (2011), llegan a una gran altitud, pertenezcan a L. hispana. Sería interesante hacer muestreos de huevos y hallar el número haploide en diversas localidades para aclarar la situación de ambas especies en esta provincia, ya que, teniendo en cuenta que es un área muy prospectada y no se han citado ejemplares de primera generación, es muy probable que L. hispana solo tenga una generación en el área y sea imposible separar ambas especies por esta circunstancia.
A tenor de los resultados, el tema del bivoltinismo de L. hispana no queda resuelto, ya que en las sierras alicantinas y granadinas no parece existir una primera generación, mientras que en las Sierras de Alcaraz y Cazorla existen citas primaverales, además de las europeas y del noreste de la Península Ibérica donde la norma son las dos generaciones.
No encontramos razón alguna para mantener la existencia del taxón L. arragonensis, descrito de Albarracín, ya que DE LESSE (1969) encontró el mismo número haploide que L. albicans en una muestra importante de ejemplares, tanto de Albarracín como de las localidades limítrofes. Nosotros no hemos encontrado diferencias entre los huevos de los ejemplares de L. albicans de León, Guadalajara y Madrid y los del Sistema Ibérico en Albarracín (Teruel). La variabilidad morfológica del imago en las poblaciones de L. albicans es enorme, encontrando en una misma población y el mismo día, ejemplares blancos nacarados con el borde marginal característico muy poco marcado y el reverso pálido y con los puntos muy pequeños y ejemplares mucho más oscuros, algo azulados, con el borde muy marcado y un reverso intenso.
De igual manera no hay razón alguna para mantener ninguna subespecie de las descritas tanto para L. hispana como para L. albicans, ya que la variabilidad de los ejemplares, según altitud, clima (humedad) de cada año, etc., es muy relevante. Sobre la distribución de L. albicans y L. hispana en la Península Ibérica, hemos representado una idea aproximada con manchas en la figura 5, en base la distribución conocida de ambas especies sin diferenciar (GARCÍA-BARROS et al., 2004), los mapas de DE LESSE (1969) donde refleja los resultados de sus muestreos con n=82 y n=84, la morfología distintiva de los huevos de las diferentes poblaciones estudiadas y las citas de poblaciones bivoltinas.

Más complicado de interpretar es el resultado de los tres taxones azules, L. coridon, L. c. asturiensis y L. caelestissima, ya que los tres presentan un huevo muy similar, pero número haploide diferente.
En lo referente a L. caelestissima, la mantenemos como especie en base a los últimos trabajos genéticos sobre el género (TALAVERA et al., 2013).
Con respecto a interpretaciones anteriores de la morfología de los huevos de estas especies, cabe reseñar que los huevos representados en fotografías en MUÑOZ (2011), para los taxones blanquecinos que se reconocen en esta publicación (L. hispana, L. albicans y L. arragonensis) corresponden todos a L. hispana. También reseñamos que la propuesta de existencia y distribución de los tres taxones tratados en esta publicación no concuerda con nuestros resultados.
La posibilidad de que los ejemplares granadinos de Sierra Nevada y sierras limítrofes correspondan a L. hispana tiene una connotación taxonómica interesante, ya que la localidad tipo de L. albicans es casi con toda seguridad Granada (SCHURIAN, 1989) y pudiera ser Sierra Nevada. Podría, por tanto, darse la circunstancia de que la descripción original de L. albicans se hiciese con ejemplares de poblaciones de lo que hoy conocemos como L. hispana. Esto provocaría que el nombre apropiado a lo que hoy se conoce como hispana sería albicans e hispana pasase a sinonimia. La siguiente descripción que encontramos para albicans sería arragonensis, por lo que éste sería el nombre apropiado para lo que hoy conocemos como albicans.
Esta teoría es prácticamente indemostrable ya que el material tipo y la colección de Gerard se destruyó en la segunda guerra mundial (SCHURIAN, 1989) y por tanto no se conoce ni el material ni la localidad tipo de L. albicans, siendo en SCHURIAN (1988) donde se apunta que casi con seguridad es Granada, sin detallar localidad, estableciendo un neotipo etiquetado como “Granada m. 80”.
En base a la morfología del huevo, el número haploide y la morfología del imago, nuestra propuesta taxonómica para el grupo coridon ibérico sería la siguiente:
L. coridon (Poda, 1761), n=87-92
L coridon coridon (Poda, 1761), n=88
L. coridon asturiensis (Sagarra, 1922), n=87
L. caelestissima (Verity, 1921), n=87
L. albicans Gerhard, 1851, n=82
L. hispana (Herrich-Schäffer, 1851), n=84
Agradecimientos
A Cecilia Montiel, Isabel Martínez y Miguel J. Sanjurjo por la recolección de huevos en Asturias y León, así como por los valiosos comentarios y correcciones a los manuscritos, a Francisco Javier Olivares por la búsqueda de huevos en Granada, así como por acompañarnos en los muestreos en esa provincia, a Miguel L. Munguira por las correcciones y revisión crítica del trabajo y a los Departamentos de Medio Ambiente de las diferentes regines españolas, por la concesión de autorizaciones necesarias para la recolección de ejemplares con fines científicos, dentro del Proyecto Científico de SHILAP.
BIBLIOGRAFÍA
AGENJO, R., 1956.– Consideraciones sobre el estudio de las formas cromosómicas en los lepidópteros y sobre todo en el complejo de formas del grupo Plebejus (Lysandra) coridon (Pod.), con la descripción de tres nuevas subespecies.– Graellsia, 14: 80-82.
AGENJO, R., 1968.– Tres nuevas razas de la “superspecies” Plebejus (Lysandra) coridon (Poda, 1761) (Lep. Lycaenidae).– Graellsia, 24: 45-48.
AGUADO-MARTÍN, L. O., 2001.– Las mariposas de Valladolid: 227 pp. Diputación Provincial de Valladolid. Valladolid.
AISTLEITNER, V. E., 1989.– Lysandra hispana Herrich-Schäffer, 1852 gudarensis subspec. n. aus dem NE der Provinz Teruel / Hispania centr. (Lep. Lycaenidae).– Atalanta, 19: 75-86.
ANDUJAR-TOMAS, A. & GÓMEZ L. DE GUEVARA, R., 1985.– Ropaloceros de la Sierra de Alcaraz y Calar del Río Mundo. Albacete: 191 pp. Instituto de Estudios Albacetenses, Albacete.
BETTI, 1970.– Lysandra hispana ssp. betica.– Bulletin de la Société Entomologique de Mulhouse, 26(3-4): 31.
BEURET, H., 1956.– Studien über den Formenkreis Lysandra coridon-hispana-albicans. Einzum Problem der Artbildung. 1.– Mitteilungen aus der Entomologische Gesellschaft, Basel, N. F., 6(3): 17-32, 6(6): 49-64, 6(7): 65-71, 6(8): 73-80.
BEURET, H., 1957.– Studien über den Formenkreis Lysandra coridon-hispana-albicans. Ein Beitrag zum Problem der Artbildung. 2. Studie.– Mitteilungen aus der Entomologische Gesellschaft, Basel, N. F., 7(2): 17-36, 7(3): 37-59.
BEURET, H., 1959.– Studien über den Formenkreis Lysandra coridon-hispana-albicans. Ein Beitrag zum Problem der Artbildung. 3. Studie.– Mitteilungen aus der Entomologische Gesellschaft, Basel, N. F., 9(2): 25-40, 9(3): 41-59.
CAMERON-CURRY, V., LEIGHEB G., RIBONI, E. & CAMERON-CURRY, E., 1987.– Possible hybrids between Lysandra bellargus Rott. and L. hispana H.-S. (Lepidoptera, Lycaenidae).– Nota lepidopterologica, 10:61-64.
DE LESSE, H., 1960.– Speciation et variation chromosomique chez les Lépidoptères Rhopaloceres.– Annales des Sciences Naturelles. Zoologie et Biologie Animale (12th series), 2: 1-223.
DE LESSE, H., 1969a.– Les nombres des chromosomes dans le groupe de Lysandra coridon (Lep. Lycaenidae).– Annales de la Société Entomologique de France, 5: 469-532.
DE LESSE, H., 1969b.– Nouvelle sous-espèce espagnole de Lysandra hispana H.-S.– Alexanor, 6: 130-133.
DESCIMON, H. & MALLET, J., 2008.– Bad Species.– In J. STTELE, T. SHREEVE, M. KOVICKA & H. VAN DYCK. Ecology of Butterflies in Europe: 219-249.
DINCA, V., MONTAGUD, S., TALAVERA, G., HERNÁNDEZ-ROLDÁN, J., MUNGUIRA, M. L., GARCÍABARROS, E., HEBERT, P. & VILA, R., 2015.– DNA barcode reference library for Iberian butterflies enables a continental-scale preview of potential cryptic diversity.– Scientific Reports, 5: 12395; doi: 10.1038/srep12395.
DOWNEY, J. C. & ALLYN, A. C., 1981.– Chorionic sculpturing in eggs of Lycaenidae. Part I.– Bulletin of the Allyn Museum, 61: 1-29.
DOWNEY, J. C. & ALLYN, A. C., 1984.– Chorionic sculpturing in eggs of Lycaenidae. Part II.– Bulletin of the Allyn Museum, 84: 1-44.
FERNÁNDEZ VIDAL, E. H., 1991.– Guía de las mariposas diurnas de Galicia: 219 pp. Excma. Diputación Provincial de A Coruña, Imprenta Provincial. A Coruña.
GARCÍA-BARROS, E., MUNGUIRA, M. L., MARTÍN-CANO, J., ROMO-BENITO, H., GARCIA-PEREIRA, P. & MARAVALHAS, E., 2004.– Atlas de las mariposas diurnas de la Península Ibérica e Islas Baleares (Lepidoptera: Papilionoidea & Hesperioidea).– Monografías de la Sociedad Entomológica Aragonesa, 11: 1-228.
GARCÍA-BARROS, E., MUNGUIRA, M. L., STEFANESCU, C. & VIVES MORENO, A., 2013.– Lepidoptera Papilionoidea.– In M. A. RAMOS et al. (Eds.). Fauna Ibérica, 37: 1213 pp. Museo Nacional de Ciencias
GIL, T. F., 2007.– A natural hybrid of Polyommatus bellargus (Rottemburg, 1775) × P. albicans (Herrich-Schäffer, 1852) and notes about a probable hybrid of P. punctifera (Oberthür, 1876) × P. albicans (Lepidoptera: Lycaenidae).– Nachrichten des Entomologischen Vereins Apollo, 28(1-2): 11-13.
GÓMEZ-BUSTILLO, M. R. & FERNÁNDEZ-RUBIO, F., 1974.– Mariposas de la Península Ibérica. Ropalóceros I: 189 pp. Publicaciones Ministerio de Agricultura. Madrid.
GÓMEZ-BUSTILLO, M. R. & FERNÁNDEZ-RUBIO, F., 1974.– Mariposas de la Península Ibérica. Ropalóceros II.: 258 pp. Publicaciones Ministerio de Agricultura. Madrid.
GÓMEZ DE AIZPURUA, C. & FERNÁNDEZ-RUBIO, F., 1973.– Una nueva raza para la Península Ibérica de Plebejus hispana (Lepidoptera).– Munibe, 25(1): 47-51.
LELIEVRE, T., 1992.– Phylogénie des Polyommatinae et structure génétique de six espèces du genre Lysandra (Lycaenidae): 219 pp. Thèse de Doctorat mention Sciences. Université de Provence, Aix-Marseille I.
MANLEY, W. B. L. & ALLCARD, H. G., 1970.– A Field Guide to the Butterflies and Burnet Moths of Spain:192 pp. E.W. Classey. Hampton.
MENSI, P., LATTES, A., SALVIDIO, S. & BALLETO, E., 1988.– Taxonomy, evoluntionary biology and biogeography of South West European Polyommatus coridon (Lepidoptera: Lycaenidae).– Zoological Journal of the Linnean Society, 93: 259-271.
MENSI, P., CASSULO, L. & BALLETTO, E., 1989.– Electrophoretic investigations in the Polyommatus (Lysandra) albicans-P. (L.) hispana complex (Lycaenidae).– Nota lepidopterologica, Supplement, 1: 36-37.
MERIT, X. & MERIT, V., 2010.– Un hybride espagnol entre Polyommatus bellargus (Rottemburg, 1775) × Polyommatus coridon asturiensis (Sagarra, 1922) du nord de l’Aragon (Espagne). Disponible en http://www.lepido-france.fr/2011/07/hybride-espagnol-entre-p-bellargus-p-coridon-asturiensis-del%E2%80%99aragon/ (consultado el 17 de julio de 2015).
MONTAGUD, S. & GARCÍA-ALAMÁ, J. A., 2010.– Mariposas diurnas de la Comunitat Valenciana (Papilionoidea & Hesperioidea): 472 pp. Generalitat Valenciana. Valencia.
MUNGUIRA, M. L., MARTÍN, J., GARCÍA-BARROS, E., SHAHBAZIAN, G. & CANCELA, J. P., 2015.– Morphology and morphometry of Lycaenid eggs (Lepidoptera: Lycaenidae).– Zootaxa, 3937(2): 201-247.
MUÑOZ-SARIOT, M. G., 2011.– Biología y ecología de los Licénidos españoles: 383 pp. M. G. Muñoz Sariot ed. Granada.
OLIVARES, F. J., BAREA-AZCÓN, J. M., PÉREZ-LÓPEZ, F. J., TINAUT, A. & HENARES, I., 2011.– Las mariposas diurnas de Sierra Nevada: 512 pp. Consejería de Medio Ambiente, Junta de Andalucía. Granada.
PINO-PÉREZ, J. J. & PINO-PÉREZ, R., 2013.– Una poblacion de Lysandra coridon (Poda, 1761) en la costa de A Coruña, Galicia (NW de Espana).– Boletín BIGA, 11: 49-52.
SCHURIAN, K. G., 1973.– Zur biologie von Lysandra hispana H.-S. (Lep., Lycaenidae).– Entomologische Zeitschrift, 83(22): 251-256.
SCHURIAN, K. G., 1975.– Zur biologie von Lysandra caelestissima (Lep., Lycaenidae).– Entomologische Zeitschrift, 85(4): 34-38.
SCHURIAN, K. G., 1976.– Zur biologie von Lysandra coridon manleyi (Lep., Lycaenidae).– Entomologische Zeitschrift, 86(6): 49-53.
SCHURIAN, K. G., 1977.– Zur biologie von Lysandra albicans H.-S. (Lep., Lycaenidae).– Entomologische Zeitschrift, 87(7): 69-74.
SCHURIAN, K. G., 1988.– Neueinteilung des Subgenus Lysandra der Gattung Polyommatus Latreille (Lepidoptera: Lycaenidae).– Entomologische Zeitschrift, 98(10): 129-144.
SCHURIAN, K. G., 1989.– Revision der Lysandra -Gruppe des Genus Polyommatus Lat.– Neue Entomologische Nachrichten, 24: 1-181.
SCHURIAN, K. G. & HÄUSER, CH., 1979.– Über die Identität von Lysandra caerulescens Tutt (Lepid., Lycaenidae).– Nachrichtenblatt der Bayerischen Entomologen, 28(2): 28-32.
SCHURIAN, K. G., WESTENBERGER, A., DIRINGER, Y. & WIEMERS, M., 2011.– Contribution to the biology, ecology and taxonomy of Polyommatus (Lysandra) coridon nufrellensis (Schurian, 1977) (Lepidoptera: Lycaenidae), Part II1: An experimental hybridisation of P. (L.) c. gennargenti × P. (L.) c. nufrellensis.– Nachrichten des Entomologischen Vereins Apollo, Frankfurt am Main, N. F., 31(4): 177-186.
SCHMITT, T., VARGA, Z. & SEITZ, A., 2005.– Are Polyommatus hispana and Polyommatus slovacus bivoltine Polyommatus coridon (Lepidoptera: Lycaenidae)?.– The discriminatory value of genetics in taxonomy. Organisms, Diversity & Evolution, 5: 297-307.
ROBERT, J. H., ESCARRÉ, A., GARCÍA, T. & MARTÍNEZ, T., 1983.– Lepidópteros Ropalóceros. Sus plantas nutricias y su distribución geográfica en la provincia de Alicante: 435 pp. Instituto de estudios Alicantinos. Excma. Diputación Provincial de Alicante. Alicante.
TALAVERA, G., LUKHTANOV, V. A., PIERCE, N. E. & VILA, R., 2013.– In the shadow of phylogenetic uncertainty: the recent diversification of the Lysandra butterflies through chromosomal changes.– Molecular Phylogenetics and Evolution, 69(3): 469-478.
TOLMAN, T. & LEWINGTON, R., 2002.– Guía de las Mariposas de España y Europa: 320 pp. Lynx ediciones. Barcelona.
Notas de autor
rafacogolludo@hotmail.com