Ciencias exactas y aplicadas
Control robusto paramétrico QFT del sistema del formador de onda en un molino de laminación en caliente
QFT Parametric Robust Control of the Looper System in a Hot Rolling Mill
Control robusto paramétrico QFT del sistema del formador de onda en un molino de laminación en caliente
Ciencia Ergo Sum, vol. 23, núm. 1, pp. 35-48, 2015
Universidad Autónoma del Estado de México
Recepción: 17 Julio 2014
Aprobación: 11 Mayo 2015
Resumen: Se diseñan dos controladores de lazo individual para mantener estabilidad y desempeño en presencia de incertidumbres paramétricas en un molino de laminación en caliente, mediante la técnica de diseño de control Teoría de Retroalimentación Cuantitativa. Dichos controladores son diseñados para tensión de cinta y posición angular del formador de onda. Su desempeño es evaluado y comparado con controladores Proporcional-Integral como los que actualmente existen en la mayoría de los molinos de laminación. La evaluación es realizada mediante simulaciones en el dominio del tiempo conectando los controladores como un control diagonal en el modelo multivariable de 2 × 2 del sistema del formador de onda, para así valorar también su capacidad para reducir las interacciones entre lazos.
Palabras clave: control robusto paramétrico, teoría de retroalimentación cuantitativa, QFT, laminación en caliente, control robusto del formador de onda.
Abstract: In the present work, two single loop controllers are designed by Quantitative Feedback Theory control technique to keep stability and performance in the presence of parametric uncertainties in a hot rolling mill. The controllers are designed for the strip tension and looper angular position loops. Their performance is evaluated and compared against Proportional-Integral controllers as well as those that currently exist in most of the hot strip mills. Simulations are carried out by connecting the controllers as a diagonal control and tested in the 2 × 2 multivariable model of the lopper system, thus to assess the controllers' capabilities for reducing interactions as well.
Key words: Parametric robust control, quantitative feedback theory, QFT, hot rolling, looper robust control.
Introducción
El acero es uno de los materiales con mayor presencia en la actualidad, ya que tiene múltiples y muy variadas aplicaciones. Su utilización va desde aplicaciones cotidianas como en línea blanca, aparatos eléctricos o mobiliario hasta aplicaciones especializadas como en el núcleo de transformadores eléctricos de potencia, en maquinaria industrial, o en carrocerías y chasises de autotransporte o trenes. Entre sus aplicaciones más usadas están aquéllas que cuentan con un perfil plano, esto coloca al proceso de laminación en caliente entre los procesos industriales más relevantes para el desarrollo de la sociedad en general. Por otro lado, el mercado es cada vez más competitivo y demandante dada la globalización, así que el estudio del molino de laminación y el desarrollo de herramientas ingenieriles para elevar su eficiencia cobra aún mayor importancia.
El producto final de un molino de laminación en caliente (MLC) es un rollo de lámina de acero que debe cumplir con determinados requerimientos de calidad. Dos de los parámetros de calidad más importantes son espesor y temperatura de acabado; el segundo es importante para lograr las propiedades mecánicas deseadas (Guinzburg, 1993; Roberts, 1988).
El proceso, que se describirá más adelante, consta de cuatro etapas principalmente: horno de recalentamiento (o fosas), molinos desbastadores (md), molino continuo (mc) y enrolladores (figura 1).

El proceso más crítico en una línea de laminación en caliente es el mc. Debido, por un lado, a la interacción entre los castillos, las interacciones entre variables e incertidumbres de modelado de los componentes y, por otro, a que las tolerancias de los requerimientos de calidad son cada vez más estrechas, lo cual exige mayor precisión en el control.
El MC está compuesto de un tren de seis o siete molinos llamados castillos; en él también se da el espesor y ancho finales. Asimismo, debe cumplirse con una determinada temperatura de acabado para cumplir con las propiedades mecánicas especificadas.
La figura 2 muestra un esquema de dos castillos contiguos con algunas de las variables involucradas (la nomenclatura utilizada se presenta en la tabla 1 del anexo A). Pueden apreciarse los dispositivos llamados formadores de onda (FO), los cuales contribuyen a tener un proceso de laminación más estable aplicando una determinada tensión a la cinta. Sin embargo, tanto la tensión de la cinta (σ) y la posición angular del FO (θ) deben controlarse, ya que ambas están involucradas con el espesor y la temperatura de acabado como se verá más adelante.

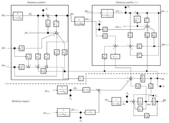
En estudios previos (Obregón et al., 2010; Obregón, 2006) se ha derivado y desarrollado un modelo multivariable linealizado alrededor de un punto de operación en el dominio de Laplace de un mc real para fines de control (figura 3). El modelo representa dos castillos contiguos (i e i + 1) como un sistema multivariable de dimensión 4 × 4. En la figura 3 el modelo por debajo de la línea discontinua corresponde al sistema del fo, mientras que la dinámica de los castillos i e i + 1 se encuentra delimitada por recuadros.2

Generalmente los sistemas de control encontrados en el MLC están basados en las acciones básicas de control: proporcional, proporcional más integral (pi) y proporcional más integral más derivativa (PID), las cuales suponen un proceso lineal sin interacciones ni incertidumbres; por lo tanto, dichas técnicas de control son insuficientes para procesos como el MLC con interacciones entre lazos e incertidumbres de modelado.
Se han propuesto en la literatura técnicas de control que pueden reducir el impacto de las interacciones (control multivariable) o que pueden mantener estabilidad en presencia de incertidumbres o perturbaciones (control robusto). Una de estas técnicas es la H∞ (Skogestad y Postlethwaite, 1997), teoría de retroalimentación cuantitativa (QFT, por sus siglas en inglés, Quantitative Feedback Theory) (Horowitz, 1982; Sidi, 2001) y control predictivo basado en modelo (MPC, por sus siglas en inglés, Model-Based Predictive Control) (Rossiter, 2004). Esta última no es clasificada en la literatura como una técnica de control robusto como tal, sin embargo, ha sido usada con éxito para reducir el impacto de las incertidumbres aplicando conceptos propios del control robusto. Se han estudiado estas técnicas de diseño de control para reducir los efectos de las interacciones entre las variables de proceso y de las incertidumbres en el sistema de formadores de onda.
Hearns y Grimble (1997) proponen esquemas de control basados en la técnica H∞ para los lazos de espesor y flujo de masa; no obstante que se diseñaron para lograr robustez ante fallas en los sensores, no presentan el modelo del proceso ni de las incertidumbres.
Hearns y Grimble (2000) proponen un control inferencial para la tensión de la cinta en el cual el control es diseñado mediante la técnica QFT; sin embargo, la región de incertidumbre de los parámetros inciertos no se proporciona. Estos mismos autores proponen un control basado en la misma técnica para el FO en un MLC (Hearns y Grimble, 2002), el cual no se aplica de la manera estándar como se ha propuesto en la literatura (Horowitz, 1982; Sidi, 2001). Ya que el método presentado maneja una gran cantidad de variables, las cuales afectan los parámetros inciertos, se eligen combinaciones de diez variables de manera aleatoria para modelar los posibles valores de los parámetros.
Zhan et al. (2010) diseñan un control basado en la técnica síntesis-μ (extensión de la técnica H∞) (Skogetstad y Postlethwaite, 1997) y sintonizado mediante QFT para el espesor de salida con incertidumbre aditiva y multiplicativa en el módulo del molino, σ y θ son considerados parte del vector de estados. La sintonización qft mejoró la respuesta respecto a la obtenida solamente mediante síntesis-μ.
Yu et al. (2011) proponen dos controladores H∞ robustos de tensión de la cinta: el método de Lyapunov-Krasovskii y desigualdades matriciales lineales y el método convencional basado en Riccati. Los desempeños de ambos controladores se comparan: el primero presenta una respuesta más rápida y con menor sobrepaso bajo condiciones de incertidumbre paramétrica.
La técnica MPC también ha sido aplicada para el manejo de interacciones e incertidumbres (Rossiter, 2004). Esta técnica permite manejar las interacciones entre variables como perturbaciones e inclusive manejar la incertidumbre de modelo. En la literatura se han propuesto controladores basados en esta técnica para el sistema del fo (Schuurmans y Jones, 2002). Choi et al. (2004) presentan un controlador MPC de lazo sencillo para la tensión de la cinta; en cambio, Choi et al. (2007) proponen un esquema de control basado en MPC multivariable para los lazos del FO (subsistema de 2 × 2). Se considera incertidumbre de modelo, mientras que las interacciones de los lazos de espesor son consideradas como perturbaciones.
Como puede observarse en la revisión bibliográfica anterior, el problema de control robusto del sistema del FO para incertidumbre paramétrica mediante qft como tal no se ha estudiado. Cabe mencionar que también han sido propuestos otros esquemas de control lineal para el MLC tales como óptimo, adaptativo y control de modelo interno, entre otros (Asano et al., 2000; An et al., 2001; Yildiz et al., 2008; Cheol y Hwang, 2009), así como algunos esquemas no lineales (Cannon et al., 2003; Cuzzola, 2006); sin embargo, aquí se ha intentado llevar a cabo una revisión de los antecedentes bibliográficos de las técnicas con principios y objetivos de control similares a los que se aplicarán en este trabajo. El desempeño de estos esquemas tendrá que ser considerado en futuras investigaciones. En el caso que nos ocupa se diseñarán dos controladores robustos para los lazos individuales del sistema del FO basados en la técnica QFT, uno para la tensión de la cinta (σi) y otro para la posición angular del FO (θi). Se ignorarán las interacciones entre los lazos y se considerarán las incertidumbres en el modelo causado por las incertidumbres en los parámetros.
Los controladores diseñados mediante la técnica QFT se evaluarán en el dominio de la frecuencia analizando las funciones de sensibilidad complementaria (T(s)), sensibilidad de entrada (SI(s)) y sensibilidad de salida (S(s)), para el peor caso; es decir, aquella planta dentro de la región de incertidumbre que presenta las mayores limitaciones para cumplir con los requerimientos de estabilidad y desempeño. Posteriormente se evaluarán mediante simulaciones en el dominio del tiempo conectando los controladores como un control diagonal al modelo multivariable del sistema del FO de 2 × 2 con el propósito de valorar la capacidad de los controladores para compensar la interacción entre las variables del sistema de fo. El desempeño se comparará con controladores pi, conectados de igual manera como un control diagonal, ya que estos controladores son los que existen en la gran mayoría de los molinos actuales. En las simulaciones llevadas a cabo aquí se ignorarán los lazos de espesor.
El molino es en general no-lineal; sin embargo, la suposición del comportamiento lineal del proceso es suficientemente realista una vez que la barra está siendo laminada. El trabajo presentado aquí puede producir ventajas y beneficios respecto a lo que se ha propuesto en la literatura de control robusto para el sistema del FO hasta ahora y a los controladores usados en la planta, ya que se diseñan controladores robustos capaces de mantener estabilidad y desempeño en presencia de incertidumbres, y la evaluación se lleva a cabo usando el modelo multivariable del sistema del FO.
En este trabajo el diseño de los controladores se basa en el modelo presentado por Obregón et al. (2010) (figura 3) y se realiza mediante el módulo de software QFT-TOOLBOX de MATLAB(r). Para las simulaciones se utilizó SIMULINK(r). Con la finalidad de ser breves, sólo se presentarán algunos resultados seleccionados por ser los más significativos y representativos.
1. Molino de laminación en caliente
Como ya se mencionó, el producto de un MLC es una lámina de acero en rollo. Dos de los principales requerimientos de calidad con los que debe cumplir son el espesor y la temperatura de acabado, de este último dependen en gran medida las propiedades mecánicas del producto final. En la figura 1 se ilustra el proceso de laminación en caliente.
El proceso puede dividirse en cuatro etapas principales: a) Hornos de recalentamiento: se calienta la materia prima (planchón) hasta alcanzar una temperatura de alrededor de los 1 300 °C y así prepararla para ser deformada. b) md: se inicia la deformación del planchón. La temperatura de salida es de aproximadamente 1 150 °C. El producto de este proceso es la barra de transferencia (BT) cuyo espesor típico es 25.4×10-3m. c) mc: consta de 6 o 7 molinos o castillos. Su objetivo es reducir el espesor de la BT para obtener el espesor final de la cinta. También debe cumplirse con una determinada temperatura de acabado, ya que, en la mayoría de los grados de acero, la reducción de espesor debe realizarse a una temperatura mayor que la del cambio de fase de austenita a ferrita para satisfacer las propiedades mecánicas requeridas. El espesor final puede variar desde 2 × 10-3 m a 15.7 × 10-3 m y el ancho final oscila alrededor de los 0.9 m. La temperatura de acabado fluctúa entre 800 °C y 920 °C dependiendo de las especificaciones del producto final. d) Enrolladores: la cinta de acero se enrolla para almacenarse, la temperatura de enrollado también es un requerimiento para las propiedades mecánicas que fluctúa entre los 550 °C y 650 °C.
Una de las etapas más importantes es el área del mc, ya que es en tal proceso donde el producto toma en gran medida las dimensiones y especificaciones requeridas para el producto final; por lo tanto, el control de las variables de esta etapa es de suma importancia.
Normalmente la fuerza vertical para deformar la barra y lograr el espesor de salida deseado en cada castillo (h) se obtiene mediante un sistema hidráulico equipado con un regulador de posición. Por tradición, θi se controla manipulando la velocidad del motor del castillo anterior y σi mediante el par del motor del FO. La rotación de los rodillos, y con ello la velocidad y par necesarios, se logran mediante motores de corriente directa, los cuales cuentan con reguladores de velocidad. La temperatura de acabado se logra variando la velocidad de la barra a partir de un perfil de velocidad inicial calculado previo a la entrada de la bt al molino continuo.
2. Modelo de los castillos y sistema del FO
La figura 2 muestra un esquema de dos castillo contiguos de un mc, como puede observarse cada uno se compone de un pistón hidráulico, dos rodillos de apoyo, dos rodillos de trabajo y una celda de carga (no mostrada). El modelo multivariable del mc usado en este trabajo fue obtenido a partir de modelos lineales en Laplace de bloques modelados físicamente y linealizando algunas otras relaciones estáticas no lineales alrededor del punto de operación (Obregón et al., 2010; Obregón, 2006). Dicho modelo se validó experimentalmente con datos reales demostrándose que es una buena aproximación del proceso real (Obregón et al., 2010). En la figura 3 se muestra el diagrama de bloques de dicho modelo; representa además dos castillos contiguos denotados por i e i + 1, incluyendo el FO i que se encuentra entre ellos. Las ganancias con la notación representan las ganancias estáticas resultantes de la linealización, es decir, denotaría evaluada en el punto de operación; + denota el castillo i + 1, - denota el castillo i - 1 y Δ denota pequeña desviación. Cabe mencionar que, no obstante que el modelo se derivó para un mc en particular, es posible sintonizar el modelo para cualquier otro molino; por lo tanto, los resultados obtenidos aquí podrían ser útiles en lo general para otros molinos y productos similares. Como puede observarse, el sistema tiene cuatro entradas, Sri, Sri + 1, Vri y τri (tabla 1 del anexo A), y cuatro salidas, hi, σi, θi y hi + 1. Las entradas no manipuladas, Hi, σi - 1, Vi + 1 y σi + 1, son consideradas perturbaciones.
Dado que las condiciones a lo largo de la barra de acero no son uniformes, conforme ésta se lamina se producen desviaciones en los parámetros de calidad a controlar. Un ajuste en el hi requiere ajustes en la posición del FO anterior (θi - 1), no mostrado en la figura 2, y en θi, ya que altera el flujo de masa afectando así σi. Como se mencionó, el control de θi manipula Vri, por lo cual también es afectada la temperatura de acabado. Por otro lado, si es necesario ajustar Vri para ajustar la temperatura de acabado, se podría requerir un ajuste θi - 1, θi y hi. Lo anterior debido a que la fuerza de separación (P) de los rodillos depende de la velocidad de laminación (Guinzburg, 1993; Roberts, 1988). Esta interacción entre variables de proceso ocasiona que los ajustes sean lentos para reducir sus efectos, ya que las acciones básicas de control sólo son capaces de compensar las interacciones de baja frecuencia.
De lo anterior puede concluirse que σ i y θ i tienen impacto en el espesor y temperatura de acabado, por lo cual es importante controlarlas. El control que incluye hi y hi + 1 es más complejo y se deja para un trabajo futuro.
El modelo ha sido derivado para los castillos 3 y 4 del mc, alrededor del punto de operación determinado por el producto definido por el grado de acero AIST1006, espesor final 2 × 10-3 m y ancho 0.9 m. La derivación completa del modelo se presenta en Obregón et al. (2010).3 Debe aclararse también que el sistema de primer orden del bloque entre hi y Hi + 1 es una aproximación del retardo de tiempo entre ambas variables (e-sTDi), el cual depende de la velocidad de la barra.
3. Desarrollo de los controladores QFT para θi y σi del FO
La técnica QFT es una técnica de diseño de control que utiliza la retroalimentación con dos propósitos principales: reducir los efectos de la incertidumbre de la planta y satisfacer las especificaciones de comportamiento deseadas simultáneamente. La técnica se basa en el control clásico en el dominio de la frecuencia usando la carta de Nichols. El método de diseño es gráfico y por lo tanto transparente, lo cual permite al diseñador equilibrar cuantitativamente los compromisos de complejidad y robustez para cumplir las especificaciones deseadas a cada frecuencia (Horowitz, 1982; Sidi, 2001).
La técnica QFT se puede dividir en cinco pasos que se llevan a cabo iterativamente (Sidi, 2001). A continuación se describirá paso por paso la técnica y de manera simultánea se presentará el desarrollo del diseño del control para σi y para θi.
3. 1. Paso 1
En este paso se definen las especificaciones de estabilidad en el dominio de la frecuencia. Se usa una función de ponderación para condicionar la magnitud de T( jω) y así establecer una restricción de estabilidad robusta sobre el lazo abierto nominal (Ljj = PjjGj, donde j = 1, 2; Pjj es el elemento ( j, j) de la planta nominal multivariable de 2 × 2 y Gj es el control del lazo correspondiente). En la práctica no existe una especificación para estabilidad robusta en la planta. Buscando una respuesta aceptable, se usó la siguiente restricción, la cual es común en control regulatorio y demanda una respuesta a un escalón unitario con un sobrepaso máximo de 20 por ciento:

Cabe aclarar que esta restricción es para el diseño de lazos individuales, por lo que las respuestas en las simulaciones del apartado 5 presentan sobrepasos mayores. Rojas Lugo (2012) y Don Juan Ríos (2014) realizaron pruebas para los lazos individuales cumpliendo todas ellas con la restricción dada en la ecuación (1). También debe definirse una función de ponderación para condicionar la magnitud de S( jω) y así establecer una restricción para cumplir con las especificaciones de rechazo de perturbaciones a la salida:

donde Wd se define en función de las frecuencias de las perturbaciones del MLC. Asimismo se requiere establecer condiciones para SI( jω) y cumplir con las especificaciones de rechazo de perturbaciones a la entrada:

En este trabajo solamente se requirió aplicar esta restricción para el diseño del control de θi.
3. 2. Paso 2
A continuación se modelará la incertidumbre en la frecuencia mediante las llamadas plantillas, las cuales representan la respuesta a la frecuencia de un número finito de plantas obtenidas mediante combinaciones de valores de los parámetros inciertos que se seleccionaron dentro de la región de incertidumbre. Se consideraron siete parámetros inciertos con una región de incertidumbre acotada y relativa alrededor de los valores obtenidos por Obregón et al. (2010) mediante la linealización en condiciones de operación y las suposiciones hechas sobre las constantes físicas; la planta determinada por el modelo linealizado fue seleccionada como planta nominal. Los parámetros inciertos y sus respectivas regiones de incertidumbre son como sigue: , ± 5%; , ± 5%; , ± 5%; Ji, ± 10%; Ei, ± 20%; Li, ± 1% y D, ± 20%. Dichas regiones de incertidumbre se dividieron en cinco niveles y se usaron todas las posibles combinaciones, generando 57 (78, 125) posibles plantas para el diseño de cada control. Ya que este método no garantiza el peor caso, se llevó a cabo un número exhaustivo de combinaciones, aunque se analizaron las plantillas con un menor número de plantas (para dos y tres niveles) y el contorno de las plantillas no cambió significativamente. Debe aclararse que sólo se consideran parámetros inciertos e invariantes en el tiempo, a pesar de que algunos de éstos en la práctica puedan ser variantes en el tiempo.
También se definen las frecuencias de trabajo, en las cuales las incertidumbres y perturbaciones afectan a la planta de manera más significativa. Para ambos lazos las frecuencias de trabajo seleccionadas fueron 2, 36, 45, 68, 105 y 250 rad/s; sin embargo, para el diseño del control de θi fue necesario incluir 43 rad/s, la cual se definió al llevar a cabo el procedimiento de QFT de manera iterativa (Horowitz, 1982; Sidi, 2001). Las plantillas graficadas en la carta de Nichols en las frecuencias mencionadas se muestran en las gráficas 1 y 23 para σi y θi respectivamente. Como puede observarse, las regiones más grandes están entre 36 y 45 rad/s. En cada plantilla, la planta nominal se encuentra marcada con un punto blanco. Puede notarse que en todos los casos existen plantas de la región de incertidumbre cuya respuesta a la frecuencia muestra un mayor desfasamiento en atraso y menor ganancia que la planta nominal, lo cual impone limitaciones en el diseño del sistema de control tanto para estabilidad como para desempeño.
3. 3. Paso 3
En la carta de Nichols se generan restricciones que serán impuestas sobre Ljj. Ésta se modificará por conformación de lazo en el siguiente paso, tal que las especificaciones establecidas en las ecuaciones (1), (2) y (3) se cumplan. Dichas especificaciones toman la forma de límites de trabajo para estabilidad y desempeño robustos.
Los límites de estabilidad y desempeño robustos se generan haciendo corrimientos verticales y horizontales en la carta de Nichols de las plantillas para cada frecuencia de trabajo al buscar que todas las plantas cumplan con las especificaciones. Los límites se establecen empleando los llamados círculos-M como se muestra en Sidi (2001). En este trabajo los límites fueron generados mediante QFT-TOOLBOX de MATLAB(r).
Posteriormente se obtienen los límites globales, los cuales son los límites más restrictivos que aseguran estabilidad y desempeño robustos a cada frecuencia de trabajo. Las gráficas 3 y 4 muestran los límites globales y las funciones de lazo abierto finales para los lazos de σi y θi respectivamente.
3. 4. Paso 4
En esta etapa se diseñan los controladores sobre la carta de Nichols mediante conformación de lazo agregando ceros y polos a la planta nominal para que L11 o L22, según el caso, cumpla con cada restricción a cada frecuencia de trabajo. Las funciones de lazo abierto finales se muestran en las gráficas 3 y 4 para σi y θi respectivamente.
3. 5. Paso 5
A continuación se evaluarán los controladores obtenidos en el dominio de la frecuencia y se verifica que los sistemas de lazo cerrado cumplan con las condiciones de estabilidad y desempeño robustos establecidas en las ecuaciones (1), (2) y (3). El procedimiento de diseño es iterativo tal como se ha propuesto en la literatura. En caso de que los sistemas de lazo cerrado no cumplan con alguna especificación de robustez se debe regresar al paso 3 (Horowitz, 1982; Sidi, 2001). También se compara su desempeño con un control pi que, como ya se mencionó, es el controlador usado actualmente en la mayoría de los MLCS. Mediante QFT-TOOLBOX es posible verificar que L11 y L22 cumplan con las condiciones de robustez analizando S(jω), SI(jω) y T(jω) para el peor caso.
Se verificó que los lazos cerrados para los controles QFT cumplen satisfactoriamente con las condiciones de estabilidad robusta y atenuación de perturbaciones (desempeño robusto) para todos los casos. Se encontró que sólo las funciones SI(jω) para θi para ambos controladores, mostradas en las gráficas 5 y 6 presentan un pico alrededor de los 40rad/s, el cual excede ligeramente, en un rango de frecuencia muy corto, la condición impuesta por ecuación (3) (línea discontinua); sin embargo, esto puede ser despreciado para fines prácticos.
Por otro lado,|T(jω)| con los controladores pi para el peor caso se muestran en las gráficas 7 y 8. Como puede observarse, |T(jω)| para σi, en el rango de frecuencias entre 0.6 y 0.9 rad/s se encuentra en el límite establecido, es decir, no cumple con la especificación dada por la ecuación (1); por lo tanto, no es robustamente estable para las combinaciones de parámetros usadas en el diseño. Para θi entre 30 y 40 rad/s |T(jω)| está muy cerca del límite. La resonancia de |T(jω)| está relacionada con el factor de amortiguamiento de manera inversamente proporcional así como el amortiguamiento con el margen de fase; por lo tanto, los controladores pi presentan menores márgenes de estabilidad con respecto a los controladores qft, ya que estos últimos cumplen con la especificación para ambos lazos; de hecho, para σi se tiene que |T(jω)| es menor que la unidad para toda frecuencia. Por razones de brevedad sólo se muestra |T(jω)| para el control pi, ya que es el que presenta las respuestas más críticas.4
El mayor problema se presenta con el rechazo de perturbaciones a la salida de la planta para el lazo de σ i con el control pi, ya que como puede observarse en la gráfica 9, |S(jω)| excede la especificación de desempeño robusto dada por la ecuación (2) en un amplio rango de frecuencias (entre 0.4 y 10 rad/s). En la gráfica 10 puede observarse que para el lazo de θi cumple con la especificación.
En las gráficas 11 y 12 se muestran las funciones |S(jω)| de ambos lazos con los controladores qft para el peor caso. Como se puede apreciar, ambos lazos cumplen con la condición de desempeño robusto dada por la ecuación (2). Dado que las gráficas son para el peor caso, |S(jω)| de la planta nominal, es decir sin incertidumbres, es de menor magnitud que las mostradas en las gráficas, sobretodo en frecuencias bajas y medias; por lo tanto, la incertidumbre causa una reducción en los márgenes de robustez disminuyendo la capacidad de rechazo de perturbaciones del sistema. Como se mencionó en el apartado 4, en la región de incertidumbre existen plantas con mayor desfasamiento en atraso y menor ganancia que la planta nominal (gráficas 1 y 2), lo cual limita el desempeño del sistema de lazo cerrado provocando menor atenuación de perturbaciones y mayor error resultando en mayores oscilaciones y sobretiros. Esto puede observarse también en las gráficas 11 y 12. En estado estacionario el comportamiento es similar dado que en frecuencias bajas existe menor incertidumbre. En estado estacionario ambos lazos muestran una buena atenuación y error igual a 0. En las mismas figuras también se puede observar un pico de resonancia alrededor de los 40 rad/s; en esta frecuencia la región de incertidumbre es más amplia (gráficas 1 y 2). Lo anterior implica que para algunas de las plantas en la región de incertidumbre haya menor atenuación de las perturbaciones y mayor error alrededor de las frecuencias mencionadas. Esto último es más notorio para σi, ya que el efecto de la incertidumbre paramétrica con el control QFT ocasiona que |S(jω)| esté muy cerca del límite de robustez. Como ya se vio, con el control pi no se cumple esta condición.
Después de evaluar los controladores diseñados en el dominio de la frecuencia y buscar un equilibrio entre complejidad del control y desempeño deseado, los controladores obtenidos para σi y θi son los mostrados en las ecuaciones (4) y (5), donde Gcσ(s) y Gcθ(s) denotan los controladores QFT para σi y para θi del FO respectivamente.


Como ya se mencionó, se intentó diseñar controladores simples. Como se puede observar, para σ i se obtuvo un controlador de sexto orden y para θ i el control diseñado es de quinto orden. Aunque su complejidad es mayor que la de un control pi, los controles obtenidos son de orden similar o menor que los que se obtienen mediante otras técnicas de control robusto (Hearns y Grimble, 2000; Zhan et al., 2010). Debe notarse que ambos controladores incluyen acción integradora. En el control de σ i se incluyó un doble integrador, ya que la planta contiene un cero en el origen.
4. Resultados de las simulaciones en el dominio del tiempo
Se presentará un análisis del desempeño de los controladores mediante simulaciones en el dominio del tiempo. Las simulaciones se llevaron a cabo conectando los controladores QFT, diseñados en la sección anterior para los lazos individuales, al modelo multivariable de 2 × 2 del sistema de FO de la figura 3. Los controladores pi diseñados por métodos convencionales como los existentes en planta se conectaron de la misma manera para comparar el desempeño. Las entradas Sri y Sri + 1 se mantuvieron en cero; de esta manera, se ignoran las interacciones de las entradas de los otros dos lazos sobre las salidas del sistema del FO, pero no así los bloques a través de los cuales se retroalimenta σi hacia Vi. Aún ignorando las otras dos entradas del proceso, esta prueba es más cercana a la realidad que las pruebas de lazos individuales, ya que sí se considera la interacción entre los lazos del sistema del FO. En Rojas Lugo (2012) y Don Juan Ríos (2014) se evaluaron los lazos individuales y los resultados, que, como es de esperarse, son más favorables que los mostrados aquí ya que tal prueba es menos exigente. Las simulaciones se llevaron a cabo mediante SIMULINK(r).
Se realizaron seis pruebas: Caso 1. Se analiza la situación ideal cuando la planta nominal no tiene incertidumbre ni perturbaciones. Caso 2. Se pretende evaluar el efecto de la incertidumbre; por ello sólo se supone incertidumbre, más no perturbaciones. Caso 3. En esta prueba se suponen perturbaciones. La incertidumbre es nula para analizar el rechazo de las perturbaciones en la respuesta en el dominio del tiempo. Caso 4. Se suponen incertidumbre y perturbaciones para analizar la situación más demandante. Caso 5. Se evalúa la capacidad de los controladores para atenuar las interacciones, es decir, su capacidad de desacoplamiento de los lazos para la planta nominal, sin incertidumbres ni perturbaciones. Caso 6. Se evalúa el comportamiento del sistema con los controladores considerando el retardo de tiempo entre hi y Hi + 1 (e-sTDi) en el modelo con las condiciones del caso 4.
En todas las simulaciones, excepto en el caso 5, se aplicaron simultáneamente señales escalón en las entradas de referencia (σiref y θiref) iguales al valor nominal de operación de la respectiva salida controlada, σi o θi según el caso. Las salidas se normalizaron al valor nominal de operación de la variable correspondiente, así que para un buen control debe esperarse el valor de la salida cercano a uno. Para el caso 5 se aplica la señal escalón sólo en una entrada de referencia a la vez, manteniendo la otra en 0, ya que se desea evaluar la capacidad de desacoplamiento de los controles. De esta manera, para un buen control debe esperarse un valor cercano a la unidad en la salida correspondiente a la entrada en la cual se aplicó el escalón y cercano a 0 en la de acoplamiento cruzado. Por razones de brevedad, sólo se muestran los resultados más significativos del caso 4 por ser el más demandante, el caso 5 porque se prueba la capacidad de desacoplamiento y en el caso 6 se prueba el sistema con el retardo de tiempo entre hi y Hi + 1.
4. 1. Caso 4
Para este caso se supone la existencia de incertidumbre y perturbaciones de manera simultánea evaluando la estabilidad robusta en presencia de las incertidumbres y el rechazo a las perturbaciones, es decir, desempeño robusto.
El valor de cada uno de los siete parámetros inciertos varía dentro de toda la ventana de incertidumbre aleatoriamente durante el tiempo de la simulación. Los valores varían con frecuencia de 0 a 2 Hz; 0 Hz significa que los valores iniciales (aleatorios) permanecen por todo el tiempo de simulación, mientras que 2 Hz significa que los valores de los parámetros cambiarían aleatoriamente dos veces por segundo; se debe notar que en cada simulación la frecuencia permanece constante. Como ya se mencionó, en el desarrollo de este trabajo se consideran sistemas lineales invariantes en el tiempo, pero con esta prueba se busca evaluar la robustez del control para un mayor número de combinaciones de éstos.
La frecuencia de las perturbaciones se mantuvo fija durante el tiempo de simulación; sin embargo, en dos de las cuatro señales de perturbación, Hi y Vri + 1, se cambió aleatoriamente entre una simulación y otra, mientras que en las otras dos, σi- 1 y σi + 1, se usaron señales reales obtenidas del MLC. La frecuencia máxima de las señales de perturbación aplicadas en Hi y Vri + 1 fue de 8 Hz; este valor se obtuvo mediante mediciones en planta (no reportadas en la literatura), mientras que la amplitud de la señal fue del valor nominal de operación de la variable correspondiente. Se llevaron a cabo más de cien simulaciones y se seleccionó la que arrojó los resultados más significativos. Los datos se muestran en la tabla 2.

En las gráficas 13 y 14 se muestran las respuestas en el dominio del tiempo de θi y σi respectivamente con los controles descentralizados QFT y pi. El análisis y los comentarios presentados a continuación aplican para los resultados de los casos 2 y 3 no mostrados aquí.
Como puede observarse, los controladores QFT logran mejores respuestas más rápidas y con menor sobrepaso. Debe comentarse también que la amplitud de las oscilaciones de alta frecuencia para el lazo σi aumenta ligeramente respecto a las pruebas de los casos 2 y 3; el caso 1 por ser el nominal no presenta oscilaciones. En estado estacionario las respuestas de ambos controladores presentan oscilaciones de manera más notoria en el lazo de θi en el que su amplitud es de alrededor del 5% del valor nominal. Debe notarse que en realidad el sistema no alcanza el estado estacionario, ya que las perturbaciones permanecen; por lo tanto, es de esperarse que la respuesta oscile de manera mantenida.
Los dos tipos de controladores, QFT y pi, mantienen estabilidad en presencia de incertidumbres (para las combinaciones de parámetros probadas aquí) y de perturbaciones; sin embargo, la estabilidad relativa y la atenuación de perturbaciones es mejor para los controladores QFT. El sobrepaso en la respuesta de lazo cerrado está relacionado de manera inversamente proporcional con el factor de amortiguamiento y éste a su vez con el margen de fase también de manera inversa; por lo tanto, los márgenes de estabilidad se mejoran con los controladores QFT siendo esto consistente con los resultados mostrados en el dominio de la frecuencia del apartado 4. Los resultados presentados aquí son en términos de sobrepaso similares a los presentados por Yu et al. (2011), pero aquí se obtienen respuestas más rápidas, que se puede deber a que las condiciones de operación son diferentes. Por otro lado, las simulaciones presentadas son para una planta constante en el límite de la región de incertidumbre. La técnica basada en la minimización de la norma H∞ lo permite, ya que asegura estabilidad para el peor caso. En la prueba de Yu et al. (2011) tampoco se aplicaron perturbaciones; es por ello que las respuestas no presentan oscilaciones. Los resultados presentados por Hearns y Grimble (2000) parecen no tener sobrepaso; sin embargo, las escalas son diferentes, pues no se dan las condiciones de operación ni de simulación. Por otro lado, sólo se diseña para controlar tensión.
4. 2. Caso 5. Análisis de desacoplamiento
Los controladores fueron diseñados para los lazos individuales de θi y σi; sin embargo, ya que en la realidad existe interacción entre los lazos del sistema del FO, es importante evaluar la capacidad de desacoplamiento de los controladores. Las gráficas 15 y 16 muestran las respuestas de las salidas de acoplamiento cruzado de esta prueba; por lo tanto, deben esperarse valores cercanos a 0. Como puede observarse en la gráfica 15, el valor máximo de la respuesta de σi para el control QFT es de alrededor de 0.3 durante el transitorio, es decir, 30% de interacción de alta frecuencia, mientras que la respuesta con el control pi alcanza un valor ligeramente mayor que uno y presenta por lo tanto más de 100% de interacción siendo esto un valor indeseable. En la gráfica 16 se puede observar que para el lazo de θi el desacoplamiento es mejor usando el control pi debido a que presenta una respuesta máxima ligeramente superior a 0.05 (5%); sin embargo, la respuesta máxima con el control QFT es de un poco menos de 0.1 (10%), lo cual es también aceptable. No se encontró en la bibliografía revisada una prueba similar.
4. 3. Caso 6. Prueba con retardo de tiempo
Esta prueba pretende evaluar de manera experimental el comportamiento del sistema con los controladores diseñados considerando un retardo entre hi y Hi + 1. En la práctica los controladores de θi y σi inician operación 0.02 s después de que la cinta ha entrado al castillo i + 1 esperando que los efectos de la dinámica no-lineal de alta frecuencia hayan pasado, mientras tanto el foi permanece en posición horizontal. Para representar la realidad lo más cercanamente posible, las señales de perturbación se aplicaron desde el inicio, mientras que θiref y σiref se aplicaron TDi s después de iniciada la simulación. e-sTDi trae un deterioro en el desempeño del sistema; sin embargo, éste es notorio para las frecuencias más altas usadas aquí, ya que las aproximaciones de primer orden de retardos de tiempo son válidas en frecuencias bajas. Las gráficas 17 y 18 muestran la comparación de las respuestas de θi y σi con la función de primer orden y el retardo de tiempo, respectivamente, para uno de los casos más críticos usando controladores QFT. Las frecuencia de Hi es de 7.9 Hz, mientras que la de Vri+i es 4.1 Hz. Como puede notarse también, los efectos son mayores para σi mostrando oscilaciones de mayor amplitud. Esto demuestra que es importante en el trabajo futuro considerar e-sTDi en el proceso de diseño de los controladores.
Conclusiones
Se diseñaron dos controladores robustos ante incertidumbre paramétrica mediante la técnica QFT para los lazos individuales de θi y σi del sistema del fo. Los controladores se evaluaron en el dominio de la frecuencia y en el dominio del tiempo y se compararon con controladores pi convencionales, como los que actualmente existen en planta. Se corrieron seis tipos de pruebas para evaluar la capacidad de los controladores para mantener estabilidad y desempeño ante incertidumbre paramétrica y perturbaciones y evaluar su capacidad para desacoplar las interacciones entre los lazos. Los controladores QFT presentaron respuestas más rápidas y con menor sobrepaso que los controladores pi. El sobrepaso está relacionado inversamente con el factor de amortiguamiento y por lo tanto se puede concluir que los controladores QFT mejoran los márgenes de estabilidad. Los controladores QFT logran mayor atenuación de perturbaciones y reducen los niveles de interacción en σi durante la respuesta transitoria. El nivel de interacción en σi fue de 30% ante una entrada en θiref, mientras que el controlador pi mostró una interacción superior a 100%, que es inadmisible. Para θi, el control pi logró niveles de interacción más bajos ante una entrada en σiref presentando interacciones de 5%, mientras que con el control QFT se lograron interacciones de 10%; no obstante, ambos son aceptables. Las simulaciones con el retardo de tiempo demuestran que es importante considerarlo para el diseño de los controladores en el futuro. En general, el desempeño de los controladores QFT es superior al de los controladores pi; sin embargo, la complejidad de los primeros, como es de esperarse, es mayor.
Prospectiva
Dada la creciente globalización del mercado, las empresas mexicanas se encuentran inmersas en un ambiente cada vez más competitivo. Por esta razón es imprescindible investigar sobre aquellas herramientas ingenieriles que contribuyan a elevar la calidad del producto así como a la eficiencia del proceso y uso de materiales y energía. Los resultados de la investigación presentados en este artículo contribuyen con ambos objetivos; a pesar de lo anterior, este trabajo es sólo un estudio inicial encaminado a mejorar los sistemas de control de procesos del MLC debido a que existen áreas de oportunidad de mejora de los sistemas de control aquí propuestos, así como una gran cantidad de variables a controlar en el proceso. En el futuro a mediano plazo se requerirán controladores más avanzados como robustos multivariables o sistemas de control no lineal. Sin embargo, un control más avanzado es también más complejo, lo cual implica mayores requerimientos de recursos computacionales, puesto que el avance en el sistema de control debe ir a la par con el avance de las plataformas tecnológica para que su implementación sea rentable.
Referencias
An, B. J., Park, S. H., Kim, B. Y., Yum, T. D., Kang, D. H. & Lee, M. H. (2001, June 12-13). Tension control system for hot strip mills. IEEE international symposium on industrial electronics. Pusan, Korea.
Asano, K., Yamamoto, K., Kawase, T. & Nomura, N. (2000). Hot strip mill tensionlooper control based on decentralization and coordination. Control Engineering Practice, 8, 337-344.
Cannon, M., Kouvaritakis, B., Grimble, M. & Bulut, B. (2003). Nonlinear predictive control of a hot strip mill. International Journal of Robust Nonlinear Control, 13, 365-380.
Cheol, J. P. & Hwang, I. C. (2009). Tension control in hot strip process using adaptive receding horizon control. Journal of Materials Processing Technology, 209, 426-434.
Choi, I. S., Rossiter, J. A. & Fleming, P. (2004, September 8-10). An application of the model based predictive control in a hot strip mill. 11th IFAC Symposium on Automation in Mining, Mineral and Metal Processing. Nancy, France.
Choi, I. S., Rossiter, J. A. & Fleming, P. (2007). Looper and tension control in hot rolling mills: A survey. Journal of Process Control, 17, 509-521.
Cuzzola, F. A. (2006). A multivariable and multiobjective approach for control of hot strip mills. Journal of Dynamic Systems, Measurement and Control, 128, 856-868.
Don Juan Ríos, O. A. (2014). Control robusto de tensión de la cinta de acero en un molino de laminación en caliente mediante QFT (Tesis de mc en progreso). FIME-UANL.
Guinzburg, V. B. (1993). High-Quality steel rolling: Theory and practice (manufacturing engineering and materials processing). New York: Marcel Dekker.
Hearns, G. & Grimble, J. M. (2000). Inferential control for rolling mills. IEE Control Theory and Applications, 147, 673-679.
Hearns, G. & Grimble, J. M. (2002, September 18-20). Quantitative feedback theory for rolling mills. Proceedings of the 2002. IEEE International Conference on Control Applications, Glasgow, uk.
Hearns, G. & Grimble, M. J. (1997, June 4-6). Multivariable control of a hot strip finishing mill, Proceedings of the American Control Conference. Albuquerque, NM.
Horowitz, I. (1982). Quantitative Feedback Theory. Proceedings D of the IEE, 129, 215-226.
Obregón, A. (2006). Modelo dinámico lineal multivariable de un molino de laminación en caliente (Tesis de maestría). Nuevo León: FIME-UANL.
Obregón, A., Mendiola, P., Evers, K., Cavazos, A. & Leduc, L. (2010). Linear multivariable dynamic model of a hot strip finishing mill. Journal of Systems and Control Engineering, 224, 1007-1021.
Roberts, W. L. (1988). Hot Rolling of Steel. New York: Marcel Dekker.
Rojas Lugo, E. A. (2012). Control robusto paramétrico mediante QFT del looper de un molino de laminación en caliente (Tesis de maestría). Nuevo León: FIME-UANL.
Rossiter, J. A. (2004). Model-Based Predictive Control. A Practical Approach. Florida: crc Press.
Schuurmans, J. & Jones, T. (2002, September 18-20). Control of mass flow in a hot strip mill using model based predictive control. IEEE International Conference on Control Applications. Glasgow, UK.
Sidi, M. J. (2001). Design of robust control systems: From classical to modern practical approach. Florida: Krieger Pub. Co.
Skogestad, S. & Postlethwaite, I. (1997). Multivariable feedback control, analysis and design. West Sussex: John Wiley & Sons.
Yildiz, S. K., Huang, B. & Forbes, J. F. (2008). Dynamics and variance control of hot mill loopers., Control Engineering Practice 16, 89-100.
Yu, C., Wang, H. & Jing, Y. (2011, May 23-25). Tension control in hot strip process based on LMI approach. Chinese Control and Decision Conference, 1424-1427.
Zhan, M., Yang, W. & Wang, S. (2010, July 29-31). Dual perturbation agc design based on QFT/μ controller in hot strip rolling process. Procedings of the 29th Chinese Control Conference. Beijing, China.
Anexo A.

Anexo B


















Notas