Artículos
Dietary effects on pH, temperature and ruminal methane emission by Holstein cows
Efectos de la dieta sobre el pH, la temperatura y la emisión de metano ruminales en vacas Holstein
Dietary effects on pH, temperature and ruminal methane emission by Holstein cows
Revista Facultad Nacional de Agronomía, Medellín, vol. 71, no. 1, pp. 8437-8443, 2018
Facultad de Ciencias Agrarias - Universidad Nacional de Colombia
Received: 20 June 2017
Accepted: 16 October 2017
ABSTRACT: The objective of this research was to estimate the production of ruminal methane in different prandial periods in fistulated Holstein adult cows and to evaluate the effect on methane production due to different diets commonly used in dairy cattle in an east region of Antioquia (Colombia). For this porpoise two different diets were evaluated on each cow; one of them was fed with forage Cenchrus clandestinus, the second one was fed with the same diet with an addition of 4 kg of commercial balanced feed/day. During seven days in periods of six hours, pH and temperature were measured in samples of ruminal fluid as well as methane emissions using a MQ4 gas sensor. As results must be said that forage based diet resulted in a major methane production, presenting the maximum concentration two hours after feeding and the minimum at six hours. Ruminal pH was directly affected by the diet; the lower value was found in the mixed based diet. There was no evidence of any effect of the diet on the ruminal mean temperature. Can be concluded that forage based diet resulted on a major production of methane compared to the mixed diet, this was also associated to pH changes but not to ruminal temperature. Although it is not possible to associate the production of methane to specific diet components. The food or supplements associated to changing pH values during the day may play a key role in the reduction of methane emissions and bovine energetic efficiency.
Keywords: MQ4 sensor, Forage, Balanced diet.
RESUMEN: El objetivo de esta investigación fue estimar la producción de metano ruminal en diferentes períodos prandiales con dos dietas características de la lechería del oriente de Antioquia (Colombia) en vacas Holstein adultas fistuladas sobre la producción de dicho gas. Para tal efecto se evaluaron dos dietas diferentes para cada vaca; una fue alimentada con forraje Cenchrus clandestinus, y la otra con forraje más 4 kg de alimento balanceado comercial por día. Durante siete días en períodos de seis horas se midió el pH y la temperatura del líquido ruminal; igualmente sus emisiones de metano usando un sensor MQ4. En cuanto a los resultados principales se puede informar que la dieta basada en forraje generó mayor producción de metano, presentando la máxima concentración dos horas después de la alimentación y la mínima concentración a las seis horas. El pH ruminal fue afectado directamente por la dieta; el menor valor se halló en la dieta mixta. No hubo evidencia de efecto alguno de la dieta sobre la temperatura media ruminal. Se concluye que la dieta basada en forraje produjo más metano comparada con la dieta mixta, lo cual se asoció también con cambios de pH, más no de temperatura. Sin embargo, no es posible asociar la producción de metano con componentes específicos de la dieta. Los alimentos o suplementos nutricionales asociados a valores de pH cambiantes durante el día pueden jugar un rol importante en la emisión de metano y en la eficiencia energética bovina.
Palabras clave: Sensor MQ4, Forraje, Dieta balanceada.
Half of methane comes from the agricultural sector (Solomon et al., 2007); its production is affected by the ruminant feeding, this determines rumen physical-chemistry, where mainly methanogenic microorganisms live (Krause et al., 2013). There are many systems to measure these gas emissions, like the long-term rumen simulation RUSITEC, a simulation chambers that works with tubes with agar or anaerobic globes indicated by Czerkawski and Breckenridge (1979) and by Durand et al. (1988), and also protocolized by INIA (2015). There are also climate-controlled respiration chambers (Macome et al., 2017); and fermentation techniques with gas chromatography (Perna et al., 2017). These are expensive systems with limitations to be used in the field. This leads to the need of developing efficient field techniques, with ease of access and an implementation to determine the concentration of ruminal methane, as well as how to evaluate diets that help to reduce its production.
Measurements of ruminal methane emissions are of great importance since they allow for the quantification of two important aspects: greenhouse gas emissions, like methane, and ingested energy losses by ruminants. (Dos Santos et al., 2013).
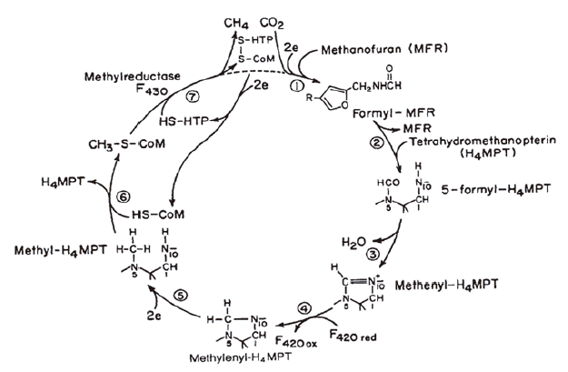
At rumen level methane is generated after the interaction between the microbiota and the food, defining the physical-chemical and ecological environment, the pH and temperature of this pre-stomachal cavity (Engelhardt and Breves, 2005). This is the result of a chain of reactions (Figure 1) that involve the action of volatile fatty acids (VFA), gases, hydrogen ions (H+), enzymes and enzymatic cofactors through anaerobic fermentation (Beauchemin, 2008); and biohydrogenation of unsaturated fatty acids (Van Soest and Peter, 1994). Some of the implied microorganisms are the Methanobrevibacter ruminantium, Methanobacterium formicicum and Methanomicrobium mobile, CO2 Reducers (Fernández, 2012), which are affected by a great number of factors such as chemical and physical quality of the feed, feed intake, end products of fermentation, indigestible residues and ruminal nutrient flow (Dos Santos et al., 2013).

Choi et al. (2004), indicate that the production of methane represents up to 15% of lost energy in cows, reducing the production and the meat and milk quality, favoring ketoacidosis, ruminal tympanism, abomasum displacement, hepatic dysfunctions and animal wellbeing alterations; also inducing environmental contamination and economic loses.
Under this perspective, and considering that feeding affects the ruminal environment, its microbiota ecosystem and its gas emissions, this investigation was made about the dietary effects (Cenchrus clandestinus and Cenchrus clandestinum + balanced feed) on the ruminal pH, temperature and methane production in Holstein cows, and, as a consequenece, to generate an option for an easy, efficient and favorable measurement system of this gas emissions.
MATERIALS AND METHODS
This research was made in the experimental agricultural station Paysandú of the Universidad Nacional de Colombia, located in Santa Elena (bH-PMB), a town at the east of the municipality of Medellín (Antioquia, Colombia), with an altitude of 2600 m and a relative humidity of 80%, an environmental temperature of 19 °C.
Experimental subjects
Two permanent ruminal fistulated, nine-years-old and non-pregnant Holstein cows were selected. As pre-adaptation, each cow had the same type of diet evaluated during 15 days.
Treatments
The experimental diets are described as follows:
Based forage diet. It consisted on the voluntary intake of Cenchrus clandestinum and Lolium perenne forage of 40 days of age.
Mixed diet. It was based on the voluntary intake of the same forage but supplemented, as a rutinary practice in the farm, with 4 kg balanced feed with 13% humidity, 18% protein, 4% fat, 12% crude fibber, 12% ashes and 75% FDN, distributed in two equal rations in the morning and in the afternoon.
Sampling
Daily, during six hours, the production of methane, the temperature and ruminal pH were evaluated in each cow. For methane measurement, a gas measuring chamber was built and it was used a commercial electric thermometer and pH meter.
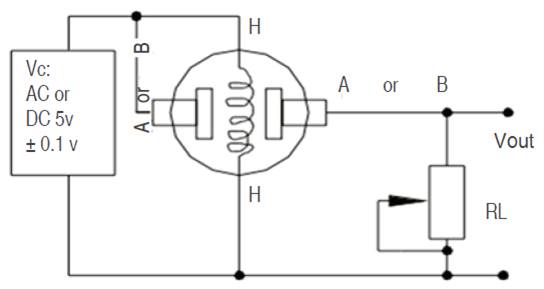
The chamber consisted in a glass container with sealed screw cap, in whose lid a commercial MQ4 methane sensor was placed. The MQ4 is sensitive in a range of 100 to 10,000 ppm. The working principle of this sensor is based on changes of the electrical resistance of a semiconductor material in presence of gas in the environment. The voltage values were taken directly from a DF Robot module whose load resistance was set to 10 kΩ, the module was connected to a 5 V power supply, the general schematic of the sensing circuit is presented in Figure 2.

Samples of ruminal fluid, variables and data presentation. Each day, from 12 am to 6 pm, and each 30 minutes, a sample of 265.5 mL of ruminal fluid was taken from each animal; the temperature and pH were measured, the fluid sample was introduced in the gas measuring chamber and the sensors values were registered every five min. This sampling continued during six hours every day during seven days. To ensure consistency in methane measurements, and due to the restrictions to use a known gas as calibration standard in the place of measurement, the calibration parameter for the sensor was set as R0 = 4622 Ω, so the highest value read by the sensor corresponds to 10000ppm approximately. The conversion to ppm formula was:

Where VS is the voltage measured from the sensor, VC= 5 V is the supply voltage, RL = 10000 Ω is the load resistance for the sensor and b = 11.37 and M = -0.352 are parameters of calibration taken from the sensor’s calibration curve.
Statistical analysis
The results are presented in dispersion diagrams and trend lines. Due to the low number of test subjects (n=2) available for this type of research, it was not considered necessary to perform further statistical analysis. Instead, it was considered more convenient to present the average values of the parameters and their dispersion measures obtained for each animal during the seven days of continuous evaluation and after an adaptation period of two weeks.
RESULTS AND DISCUSSION
The results obtained presented a major methane production in the animals fed with the based forage diet (Figure 3A). The differences were remarked between three and four hours after the beginning of the evaluation. It can be observed that the major production of methane for the mixed diet was between one and two hours post-feeding while the only forage diet was between two and three hours. The lower concentration of methane for each diet occurred at six hours of evaluation. Ruminal temperature (Figure 3B) showed a similar rank for both diets, 37.6 to 38.2 °C.

Ruminal pH was affected directly by the type of diet, as described by Bodas et al. (2014); using concentrate-based rations can reduce the ruminal pH. In this study, pH trended to be superior in the cow fed with only forage at the end of the day compared to the cow fed with the mixed diet (Figure 4). The lower value of pH (6.15) was found in the mixed diet between 120 and 150 min. Medeiros et al. (2015), showed that ruminal pH below 6.2 can reduce the activity of cellulolytic bacteria and the digestion of some nutrients.
The major values of methane concentration were found in the animals fed with only forage, this agrees with the work reported by Johnson and Johnson (1995), who applied the technique of polytunnel to measure the methane production in bovines. These differences in methane production are explained by the change in the flux of carbon to each one of the different metabolic routs, due to dietary modifications. Major proportion of forage in the diet favors the flux to the acids acetic and butyric precursors, generating high production of methane per unit of consumed mass, due to the liberation of precursors of this gas (carbon dioxide- CO2 and hydrogen ions H+). Vargas et al. (2012), also agree with the increases in the production of butyrate with diets based on forage found by Lengowski et al. (2017).
By the other side, on diets composed of easily fermentable carbohydrates, methane production per unit of mass is low, since carbon flows in greater proportion to the routes of formation of propionate, in which CO2 and H+ are not produced. This is consistent with the findings of Engelhardt and Breves (2005), who found a decrease in the relationship acetate: propionate on the intake of balanced feed, which generated a decrease in the concentration of H+ and methane production, since substrate inhibited the activity of methanogenic archea microorganisms.
However, it was observed that in animals fed with a mixed diet, the rate of methane production was important (Figure 3). This is because, all VFA generating metabolic routes are active independently of the diet; the flow of carbon to each one of them is modified according to the amount and type of raw material employed, without canceling totally all the methane generating routes.
The differences in the values of pH found in the diets may be explained by an increase in the production of saliva associated to a slower degradation of a greater volume of grass in the rumen, on the only forage diet. This saliva is naturally alkaline and acts as a buffer in rumen. In balanced diets, the highly fermentable carbohydrates are degraded in few hours in the rumen, generating high concentrations of hydrogen and VFA, reducing ruminal pH in 0.2 units in the first two hours of digestion. In forage only based diets, the degradation takes several days and requires a constant rumination for its degradation, producing the total of hydrogen and VFA in a longer period of time, making it possible for the rumen to regulate its pH. This possibility is supported by the research of Blando and Ávila (2007), who found the reduction of the buffer capacity due to low salivary production by offering diets with high contents of rapidly fermentable carbohydrates.
Those pH results are also consistent with the findings of Fernández (2012), who found that some forage base diets raise ruminal pH. However, he showed that at high pH, methane emissions are lower, which does not coincide with the result of this investigation, where high ruminal pH was associated to a higher methane production (Figure 4). The lowest mixed diet pH values agree with the findings of Zabaleta (1975), who reported the lowest pH values at 120 minutes after offering balanced feed.

Another determining factor in the decrease of ruminal pH is the production of lactic acid as a consequence of intake of easily fermentable carbohydrates. The contents of this molecule acidify the rumen modifying its microbiota, generating a proliferation of Gram (+) bacteria, lactic acid producers, and decreasing the population of Gram (-) bacteria, fibrolytic mostly. When pH values reach five, Gram (-) flora microbiota and protozoans are mostly decreased, increasing even more the production of lactic acid leading to ruminal acidosis (Blando and Ávila, 2007).
Although in this study the animal fed with only forage trended to present a greater production of methane, the use of balanced diets that concentrate the amount of nutrients per ration could result in a major production of gas, since it would raise the quantity of consumed food in dry matter by reducing the non-digestible fiber of grass present on the diet, which would occupy a lot of space in the rumen in prolonged periods of time. This increase in gas production is given by the methane precursors metabolic routes which are not canceled. Hence, it is recommended to make researches with a different proportions of balanced food on the diet and compare them with only forage based diets.
Ruminal temperature presented similar trends in both diets, this suggests a small effect of the type of diet in mean ruminal temperature, keeping stable thanks to homeostatic mechanisms. However, it was observed a greater variability of the temperature over the day with the forage only diet compared to the mixed diet. This could be due to a major production of methane on the cow fed with forage. When ruminal methane concentrations are raising, this would promote a greater waste of energy in ruminal contractions to expel it; using for this the energy coming from the food and its own reserves. Due to a greater amount of carbon lost in the environment in form of methane in the forage only diet, there is less availability of energy since VFG is not forming from these carbons, and the cow has to move a major amount of energetic reserves raising the metabolic expenditure and hence, there is a loss of energy in through the environment. This loss of energy is lower in the mixed diet where the production of VFG is greater allowing the ruminal temperature to be more stable. This raises the possibility that the variations in ruminal temperature during the day is associated to the processes of production and concentrations of methane produced by these bovines. This enables the design of strategies for the monitoring of gas generation and feeding efficiency in ruminants.
CONCLUSIONS
The production of ruminal methane, shows low values with mixed diets, since the forage produces a greater quantity of methane per unit of mass compared to balanced diets and the values of ruminal pH decreased in this diet due to the fast fermentation occurred in a balanced diet. The ruminal temperature presented a similar behavior during the period of study, despite of the difference in diets, keeping a value in a narrow range of 37.4 to 38.2 °C.
This work presents a low cost instrumental strategy with great possibilities for the study in field of the processes of production of methane in relation with bovine diets. Properly adjusted and calibrated, this tool would lead to a better understanding of the ruminal physiology and metabolism, to adapt its feeding and reduce methane emissions and reaching a better environmental balance for cattle. It should be indicated that the measuring system used in this study gave satisfactory results with advantages in costs and its use in the field. Should be compared with other methodologies.
REFERENCES
Beauchemin KA, Kreuzer M, O'mara F And McAllister TA. 2008. Nutritional management for enteric methane abatement: a review. Australian Journal of Experimental Agriculture 48(2): 21-27. doi: 10.1071/EA07199
Blando GE and Ávila GJ. 2007. Acidosis ruminal y sus consecuencias. Sitio Argentino de Producción Animal. http://www.produccion-animal.com.ar/sanidad_intoxicaciones_metabolicos/metabolicas/metabolicas_bovinos/02-acidosis.pdf
Bodas R, Posado R, Bartolomé DJ, Tabernero MJ, Herráiz P, Rebollo E, Gómez LJ, García JJ. 2014. Ruminal pH and temperature, papilla characteristics, and animal performance of fattening calves fed concentrate or maize silage-based diets. Chilean Journal of Agricultural Research 74(3): 280-285. doi: 10.4067/S0718-58392014000300005
Choi NJ, Lee S Y, Sung HG and Ha JK. 2004. Effects of halogenated compounds, organic acids and unsaturated fatty acids on in vitro methane production and fermentation characteristics. Asian-Australasian Journal of Animal Sciences 17(9): 1255-1259. doi: 10.5713/ajas.2004.1255
Czerkawski J and Breckenridge G. 1979. Experiments with the long-term rumen simulation technique (Rusitec); response to supplementation of basal rations. British Journal of Nutrition 42(2): 217-228. doi: 10.1079/BJN19790109
Dos Santos M, de Oliveira SG, Primavesi O, de Lima MA, Toyoko R, Berchiell TT. 2013. Methane emissions and estimates of ruminal fermentation parameters in beef cattle fed different dietary concentrate levels. Revista Brasileira de Zootecnia 42(8): 592-598.
Durand M, Dumay C, Beaumatin P and Morel MT. 1988. Use of the rumen simulation technique (RUSITEC) to compare microbial digestion of various by-products. Animal Feed Science and Technology 21(2-4): 197-204.
Engelhardt W and Breves G. 2005. Fisiología veterinaria. Editorial Acribia, Zaragoza, España.
Fernández S. 2012. Modulación in vitro de la fermentación ruminal con microorganismos nativos y potencial efecto en la emisión de metano. Tesis de grado de Licenciatura de Bioquímica. Facultad de Ciencias. Universidad de la República. Montevideo, Uruguay.
Instituto Nacional de Investigación Agropecuaria - INIA. 2015. Protocolo para determinación de emisión de metano en rumiantes: «Técnica del Trazador SF6 para períodos de medición prolongados». Montevideo, Uruguay.
Johnson DE and Johnson KA. 1995. Methane emissions from cattle. Journal of Animal Science 73(8): 2483-2492. doi: 10.2527/1995.7382483x
Krause DO, Nagaraja TG, Wright AD and Callaway TR. 2013. Board-invited review: Rumen microbiology: Leading the way in microbial ecology. Journal of Animal Science 91(1):331-41. doi: 10.2527/jas.2012-5567.
Macome FM, Pellikaan WF, Schonewille Th, Bannink A, Van Laar H, Hendriks WH, Warner D, Cone JW. 2017. In vitro rumen gas and methane production of grass silages differing in plant maturity and nitrogen fertilisation, compared to in vivo enteric methane production. Animal Feed and Tecnology 230: 96-102.
Medeiros F, Bezerra L, Silva AM, Carneiro H, Morais R, Moreira M, Pereira Filho JM. 2015. Greenhouse gases, short-chain fatty acids and ruminal pH in vitro of biodiesel byproducts to replace corn silage. Revista Brasileira de Saúde e Produção Animal 16(4): 935-947. doi: 10.1590/S1519-99402015000400017
McAllister TA , Cheng KJ, Okine EK, Mathison GW. 1996. Dietary, environmental and microbiological aspects of methane production in ruminants. Canadian Journal of Animal Science 76(2): 231-243. doi: 10.4141/cjas96-035
Perna F, Cassiano ECO, Martins MF, Romero LA, Zapata DCV, Pinedo LA, Mariano CT, Rodriguez PHM. 2017. Effect of tannins-rich extract from Acacia mearnsii or monensin as feed additives on ruminal fermentation efficiency in cattle. Livestock Science 203: 21-29.
Solomon S, Quin D, Manning M, Chen Z, Marquis M, Averyt K, Tignor M, Leroy H and Miller HL. (Eds). 2007. Climatate changue: The physical science basis. En: Contribution of Working Group I to the 4th Assessment Report of the Intergovernmental Panel on Climate Changue. Cambridge University Press, Cambridge, UK.
Uribe GC and Vélez V. 1987. Bases para un proyecto de ecodesarrollo agrícola para Santa Elena. Medellín. Universidad Nacional de Colombia. Facultad de Ciencias Agropecuarias. 494 p.
Van Soest, Peter J. 1994. Nutritional ecology of the ruminant. 2ª edition. Cornell University Press, USA. pp. 253-316.
Vargas J, Cárdenas E, Pabón M, Carulla J. 2012. Emisión de metano entérico en rumiantes en pastoreo. Archivos de Zootecnia 61 ®: 51-66.
Zabaleta E. 1975. Los ácidos grasos volátiles, fuente de energía en los rumiantes. En: Departamento de Nutrición y Bioquímica, Facultad de Medicina Veterinaria y Zootecnia, Universidad Nacional Autónoma de México, http://www.fmvz.unam.mx/fmvz/cienciavet/revistas/CVvol1/CVv1c09.pdf México. 35 p.