Respuesta Torsional de edificaciones bajo cargas de viento.
Torsional Response on buildings under wind loads.
Respuesta Torsional de edificaciones bajo cargas de viento.
Revista de Arquitectura e Ingeniería, vol. Vol12, núm. 1, pp. 1-12, 2018
Empresa de Proyectos de Arquitectura e Ingeniería de Matanzas

Recepción: 26/05/2017
Aprobación: 23 Marzo 2018
Resumen: Las estructuras altas y esbeltas son sensibles a los efectos provocados por la carga de viento y su respuesta se divide en tres componentes: longitudinal, trasversal y torsional. El efecto del viento en edificaciones esbeltas induce efectos torsionales que pueden ser considerables en el diseño por resistencia y confort de las estructuras. La determinación de la componente torsional en edificios altos puede ser obtenido mediante ensayos en túnel de viento o a través de métodos analíticos que se encuentran en códigos y normas. Este artículo tiene como objetivo principal presentar una revisión bibliográfica de los diferentes métodos analíticos y experimentales para el análisis de la respuesta torsional de edificaciones altas y esbeltas ante cargas de viento.
Palabras clave: Respuesta torsional, carga de viento, edificaciones altas.
Abstract: Tall and slender buildings are sensitive to wind loads effects and their responses are divided in three components: longitudinal, transversal and torsional. The wind effects on slender buildings induced torsional effects that might result considerable on the structural and confort designs. On high buildings the torsional component is obtained mainly through wind tunnel test, but also through analytical methods found in standards and codes. The principal objective of these article is to present a bibliographic review of different analytical and experimental methods for the analysis of the torsional response of tall and slender buildings under wind loads.
Keywords: Torsional response, Wind load, tall buildings.
1-Introducción
En el análisis y diseño de estructuras ante cargas de viento son necesarios tener en cuenta varios aspectos que van desde la geometría, material, formas de unión, amortiguamiento, hasta las cargas que actúan sobre las mismas. El viento es la carga fundamental que rige el diseño de las estructuras en Cuba por ser un país azotado por ciclones y tormentas tropicales.
La interacción de la carga de viento sobre la estructura es considerada mediante tres componentes de respuesta longitudinal, transversal y torsional, según muestra la figura No1. La respuesta longitudinal proviene de las fluctuaciones de la presión de viento y se considera directamente relacionada con la turbulencia atmosférica y la energía de las ráfagas del viento. La respuesta transversal es producto del movimiento perpendicular de la estructura, la cual es inducida por las fluctuaciones de presión en una de las caras de la estructura junto al desprendimiento de vórtices. La respuesta torsional es producto del desbalance en la distribución de presiones instantáneas sobre las superficies de la estructura [1].
Figura No.1 Velocidad actuante y efectos resultantes inducidos por el viento sobre la estructura [2].
![Velocidad actuante y efectos resultantes inducidos por el viento sobre la estructura [2].](../193959645001_gf2.png)
En las edificaciones altas y esbeltas el efecto de viento genera vibraciones torsionales. La componente torsional genera un papel fundamental en el diseño de las estructuras por las características aerodinámicas de la misma, los movimientos torsionales tienden a amplificarse y es necesario considerar para el diseño de este tipo de estructuras criterios de resistencia y confort. En este tipo de edificaciones se produce un aumento de los desplazamientos y aceleraciones en la periferia de la sección transversal, especialmente en las caras laterales. La carga de viento genera una amplificación en la respuesta de la estructura cuando las frecuencias torsionales son bajas; esto puede llegar a ser un aspecto fundamental en el cálculo de la estabilidad de la estructura y en su respuesta dinámica. Por tanto, los habitantes de las edificaciones altas son más sensibles al efecto torsional que a los movimientos traslacionales, por lo que la torsión inducida por el viento se debe tener en cuenta en el diseño y análisis de edificios altos, siendo este fenómeno de alta complejidad [3]. La futura tendencia constructiva en Cuba son los edificios altos y el fenómeno torsional ante cargas de viento es un aspecto poco tratado en la bibliografía por lo que el objetivo principal es presentar una revisión bibliográfica de los diferentes métodos analíticos y experimentales para el análisis de la respuesta torsional de edificaciones ante cargas de viento.
2-Antecedentes del análisis torsional ante cargas de viento.
El efecto dinámico ante cargas de viento es amplificado cuando las edificaciones comienzan elevarse en altura. Principalmente cuando la edificación es alta y esbelta el efecto torsional comienza a primar en el diseño de las edificaciones. Como antecedentes del estudio de esta respuesta en edificaciones altas los primeros estudios comienzan a recibir mayor atención a partir de la década del 80.
En 1983 N. Isyumov y M. Poole [4] de la universidad de Western Ontario realizaron un artículo llamado “La torsión inducida por viento en edificaciones de sección cuadrada y rectangular” , en el cual se toman mediciones de respuestas torsionales dinámicas, pudiendo concluir, que los vórtices provocan fluctuaciones en la presión del viento lo que contribuye al incremento de la torsión dinámica en edificaciones altas. Holmes y Stathopoulos [5, 6] realizaron ensayos a varias tipologías de edificios de varias altura en túneles de viento teniendo en cuenta diferentes categorías de terreno. Obtuvieron como resultado una estimación de la respuesta torsional inducida por las cargas de viento y llegaron a la conclusión que cuando el viento actúa en sentido perpendicular a las edificaciones, la torsión es cero en caso de edificaciones simétricas, y en edificaciones asimétricas la torsión pico es significativa.
En la década del ochenta se destacaron varias investigaciones [7-10] encaminadas al estudio analítico de la respuesta torsional en edificaciones. Ahsan Kareem [7,8] estudia los efectos de la velocidad de vientos extremos en la respuesta torsional de edificaciones altas, livianas y con bajo amortiguamiento, principalmente estructuras porticadas de secciones regulares en planta. Estableciendo un procedimiento encaminado a obtener fundamentalmente la respuesta torsional. Mostrando en el resultado que la respuesta lateral y torsional es primordial para la respuesta dinámica de las estructuras, ejemplificando que en las edificaciones con grandes excentricidades entre el centro de masa y el centro de rigidez ocurre una amplificación en la respuesta torsional produciendo inestabilidad aerodinámica.
De igual modo, Andrew Tallin y Bruce Ellinwood [7, 8] mediante metodologías que tiene en cuenta la teoría de vibraciones aleatorias iniciaron el estudio del efecto torsor en edificios altos con dimensiones 30x30x180 metros, cuya investigación contaba con el objetivo de relacionar las componentes: longitudinal, transversal y torsional. Dicha investigación y análisis se desarrolló a través de ensayos en túnel de viento mediante la utilización de un fluido turbulento no uniforme para determinar la componente de fuerzas espectrales, la relación existente entre estas y determinar el momento torsor producido por los efectos dinámicos del viento.
Morteza A. M. Torkamani [9] mediante utilización del método de elementos finitos estudia la respuesta dinámica torsional. La investigación fue desarrollada mediante la utilización de un modelo tridimensional integrado por un sistema porticado mixto, compuesto por columnas, vigas y tímpanos, utilizando el programa ETABS creado en la universidad de California. En este programa las fuerzas aerodinámicas son distribuidas a lo largo de la altura de la edificación, utilizando ecuaciones no lineales para la determinación de la respuesta torsional mediante un modelo determinístico sinusoidal de la turbulencia atmosférica (ráfaga). Dicha investigación se centra en mediciones a escala real de las presiones de viento y la respuesta de la estructura, quedando claramente evidenciado que el efecto torsor es más significativo tomando en cuenta el método de elementos finitos que en un modelo simple en voladizo. Para lo cual utilizaron un modelo de edificación de 43x25 metros en planta con una altura de 73 m, donde se compararon las respuestas alcanzadas por el programa con los resultados de la investigación de Patrickson y Friedmann en 1976 [10].
En la década de los noventa las investigaciones fueron encaminadas a las metodologías normativas para la determinación de la componente torsional de la carga de viento [11-12-13]. Surry y Lythe en 1990 [11] realizan una comparación entre ensayos experimentales partiendo de una base de datos [14] y el método de la NBCC [15] (GLF por sus siglas en inglés Método de Factor de Respuesta de Ráfaga), en este análisis se incluye solamente la componente media de la velocidad de viento sin utilizar los valores picos de las ráfagas, siendo los valores del coeficiente de torsión y cortante muy conservadores con respecto a los ensayos obtenidos de la base de datos [14]. Como resultado se dice que la norma NBCC [15] describe correctamente la estimación de las cargas transversales en las edificaciones producto al efecto del viento pero no las de torsión. En esta investigación se calculan para varias edificaciones con distintas geometrías de base, valores de coeficientes de cortante (Cs) y torsión (Ct) tomados de ensayos en túnel de viento según las siguientes formulaciones.
[Ecuación 1]
[Ecuación 2]Donde Tbase es el valor de torsión en la base de la estructura, Cbase es el valor de solicitación a cortante en la base de la estructura, qg Presión dinámica, w largo en planta de la edificación, d ancho en planta de la edificación y H altura de la edificación.
Solari en 1992 [12] propuso un modelo matemático de cargas dinámicas de viento, donde el viento inducia un par de fuerzas dinámicas en un edificio de planta rectangular. En esta investigación se evidenció la superposición de tres contribuciones estadísticamente independientes: un par debido a la dirección del viento otro debido a la turbulencia y al efecto lateral torsional.
En 1996 un grupo pertenecientes a la AIJ [13] (Loads on Buildings of the Architectural Institute of Japan) realizaron un artículo resumen en donde describieron los procedimientos establecidos en la norma japonesa de cargas en estructuras para la estimación de la respuesta torsional de tres tipologías de estructuras (Ver Figura No.2), i) edificaciones de baja altura y rígidas en donde se debe cumplir el criterio H≤15 y H/2 ≤B≤30m, donde H es la altura de la edificación y B es la mayor dimensión de la base; ii) estructuras de mediana altura; iii) edificios flexibles y esbeltos que respondan dinámicamente a los efectos aleatorios de la velocidad de viento, deben cumplir el criterio H≥45 m y (UH) Velocidad de diseño media debe ser mayor que 40 m/s.
![Clasificación de estructuras para la estimación de las cargas de viento y respuesta de la estructura [13].](../193959645001_gf4.png)
En la década del 2000 se destacan varias investigaciones basadas en estudios en túnel de viento y métodos analíticos planteados en normas [16-25]. Xie e Irwin en el año 2000 [16] realizaron ensayos en túnel de viento utilizando dos métodos HFFB (Modelo de balanza de fuerza de alta frecuencia) y HFPI (Método de presión de integración de alta frecuencia) demuestra que en la mayoría de las edificaciones, la excentricidad equivalente global es mayor de un 20% para edificaciones sensibles a los efectos torsionales, mientras que la norma ASCE 7-95 [17] establece las excentricidades en 10%. Estas pruebas demuestran también que las propiedades estructurales pueden ser ajustadas para minimizar el efecto vibracional producido por la torsión.
Zhou y Kareem [18] en este mismo año introducen las formulaciones del factor de efecto de ráfaga (Gust Loading Factor GLF) para estimar la respuesta torsional en edificios altos ante cargas de viento. En este documento se discute el efecto de los modos no uniformes usando un modelo rígido en túnel de viento utilizando como colector de datos para Balanza de Fuerza de Alta Frecuencia (HFFB) quedando como recomendación la utilización de un modelo Aero-elástico que brindaría soluciones más aproximadas a la respuesta estructural de edificios altos.
Ilaria Venanzi et al [19] es su investigación brinda un procedimiento analítico para el análisis ante cargas de viento de edificios altos calculando las funciones de diseño y chequeando el diseño de los miembros estructurales de la edificación. Este procedimiento tiene en cuenta la relación existente entre el centro de masa y el centro de rigidez de las edificaciones. La metodología empleada es basada en mediciones electrónicas obtenidas de ensayos en túnel de viento para tipología de terrenos abiertos, superando a los métodos empíricos porque estas metodologías son basadas en mediciones reales y no en demostraciones empíricas.
En el 2009, Huang et al [20] estudió la correlación cruzada de la respuesta modal de edificaciones altas ante cargas de viento extremas que producen movimientos transversales y torsionales en las edificaciones. La tipología de edificaciones utilizadas es mixta, compuesta de pórticos metálicos y tímpanos de hormigón. Los resultados se basan principalmente en ensayos en túnel de viento y mediciones a escala real obteniendo el acoplamiento estático medio de la respuesta de la estructura modeladas bajo diversos espacios temporales de excitación ante las fuerzas de viento. Se utilizaron tres tipos de formulaciones para determinar la correlación además de comparar la respuesta de la estructura a través de tres métodos de combinación CQC tradicional (Combinación cuadrática completa) obtenida por Wilson et al en 1981 [21], TCQC aproximado y ECQC exacto, estas formulaciones son una forma de combinación cerrada en términos de frecuencias modales, derivadas del llamado ruido blanco en excitaciones ante cargas sísmicas. Estas formas de combinación se utilizan para determinar la respuesta dinámica torsional de edificaciones altas.
En 2011, M.Elsharawy et al [22] realizan una evaluación de como el viento induce cargas laterales y torsionales en edificaciones según la norma americana ASCE 7-10 [23], la norma canadiense NBCC 2010 [15] y el Euro código 2004 [24] tanto para las metodologías de análisis torsional en edificios de baja altura y en edificios esbeltos. En la comparación entre las normas se obtiene que la ASCE/SEI 7-10 [23] estima en tres veces más las cargas torsionales que la NBCC-2010 [15] y dos veces más que el código europeo. También entre los códigos existen diferencias en el cálculo de las excentricidades y en el valor del coeficiente a cortante que produce mayores valores de momentos torsores.
En el 2012 Keast et al [25] estudia las combinaciones de carga de viento, donde se incluyen las tres componentes de respuesta longitudinal, transversal y torsional. Se analiza tres tipologías de edificaciones y se obtiene como conclusión que los valores pésimos de solicitaciones se obtienen combinando la componente torsional al 30% o 40% de su valor junto con las componentes longitudinales y transversales en su 100%.
En el año 2013 Dae Kun Kwon y Ahsan Kareem [26] realizan un estudio comparativo de normativas internacionales ASCE 7-10 [23] (Americana), AS/NZ 2011 [27] (Australiana), ISO 4354-2009 [28] , IWC 2012 [29] (India), AIJ 2012 (Japonesa), CNS 2012 (China),NBCC 2010 [15] (Canadiense), EUROCODIGO 2004 [24]. En esta investigación se comparan todos los parámetros para estimar las respuestas torsionales de todas las normativas antes mencionadas, sus formulaciones, intervalos de medición, intensidad de turbulencia y las formulaciones del Factor de Efecto de Ráfaga para las distintas componentes de la respuesta. Además de la comparación cualitativa también realizaron una comparación cuantitativa con tres prototipos de edificaciones altas.
Los trabajos anteriores están basados en el estudio de tipologías de estructuras en túnel de viento y su comparación con las metodologías de análisis estático equivalentes más utilizadas a nivel mundial las cuales están establecidas en las normativas de análisis.
3-Métodos para la determinación de la respuesta torsional en edificaciones.
Existen varios métodos para la determinación de la respuesta de la estructura ante cargas de viento, los ensayos a escala real de la estructura, los ensayos a escala reducida y las metodologías analíticas que se encuentran descritas en las normativas de diseño y análisis de estructuras. Estos dos últimos son las metodologías más utilizadas a nivel mundial debido a que los ensayos a escala real son muy costosos debido a los implementos utilizados para la instrumentación de edificaciones.
3.1- Metodologías empleadas en túnel de viento para la determinación de la respuesta torsional.
Los ensayos en túnel de viento son una herramienta para la predicción de las cargas de viento en las estructuras [30] como a su vez, es mucho más efectivo que los ensayos a escala real por su costo. En la determinación de la respuesta torsional hay varios métodos y técnicas utilizados en túnel de viento. Uno de ellos es la balanza base de alta frecuencia HFFB que surgió en los años 1980 [30] es un instrumento relativamente caro pero rápido, el modelo utilizado por este método debe ser rígido y la balanza de alta frecuencia es la encargada de medir las fuerzas estáticas equivalentes correspondientes a las fuerzas cortantes, momentos flectores y momentos torsores, este método principalmente se utiliza para edificaciones con formas modales lineales alrededor de los ejes principales de la estructura. Este método no puede ser generalizado para determinar los momentos aerodinámicos de las estructuras.
El segundo método más utilizado es el método multipresión HFBB (Balanza de fuerza de alta frecuencia) que estima las características dinámicas de la estructura. Este método utiliza un modelo aerodinámico, reproduciendo la distribución de la masa y la rigidez del edificio reproduciendo las características aeroelásticas del modelo. Este modelo es poco usado debido al costo de la fabricación del modelo aeroelástico y el tiempo en que se demora el ensayo. Según las pruebas este modelo no es necesario su uso para determinar la respuesta trasversal de las edificaciones, pero si la respuesta longitudinal y torsional [31].El desarrollo de este modelo HFBB para modelos aeroelásticos y su validación relativa con los modelos bajo el efecto de vórtices fue discutida por Davenport en 1981 [32] y Boggs [33] en 1992.
3.2- Metodologías empleadas en las normativas de análisis y diseño de edificaciones para la determinación de la respuesta torsional.
Los nuevos códigos y normativas introducen nuevos casos analíticos de carga para tener en cuenta el efecto torsor ante cargas de viento como la NC-285:2003 [34] (Norma cubana), ASCE 7-10 (Norma Americana) [23], ISO 4354:2009 [28], NBCC (Norma Canadiense) [15] AIJ (Norma Japonesa) [2], algunos códigos como la normativa australiana [35] no tienen en cuenta este fenómeno en su procedimiento para estimar las cargas de viento sobre estructuras. Generalmente en las normativas que tienen en cuenta este procedimiento, existen dos enfoques fundamentales para la evaluación de los efectos de las cargas de torsión inducida por el viento en edificios altos.
1- El primer enfoque se implementa aplicando la reducción de las cargas de viento simulando cargas de vientos no uniformes sobre las superficies de edificios incluyendo la excentricidad equivalente adicional según las dimensiones del edificio.
2- El segundo enfoque se basa en un método basado en estudios estadísticos, método factor de efecto de ráfaga, en donde se le adiciona a la componente longitudinal y transversal de la edificación un momento torsor que tiene en cuenta las componentes resonantes y no resonantes de la velocidad de viento.
3.2.1- Primer enfoque. NC-285:2003 (Norma Cubana) [34], ASCE 7-10 (Norma Americana) [23], NBCC(Norma Canadiense) [15].
En la norma ASCE 7-10 el enfoque de cálculo es aplicando la reducción de las cargas de viento no uniformes sobre las superficies de edificios incluyendo la excentricidad equivalente adicional según las dimensiones del edificio, en donde plantean 4 casos fundamentales a tener en cuenta en edificios.
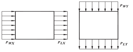
El primer caso establece el diseño completo de presiones actuando en el área proyectada perpendicular a los ejes principales de la estructura, considerando separado el análisis de los dos ejes, este caso corresponde a la componente longitudinal de la carga de viento sin tener en cuenta las cargas torsionales.
![Caso No.1 Componente longitudinal sin tener en cuenta el efecto torsional ASCE [23].](../193959645001_gf8.png)
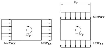
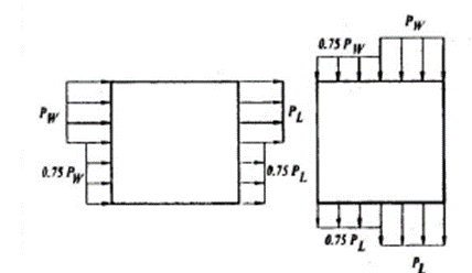
El segundo caso plantea que tres cuartos de la presión total están actuando en el área perpendicular a los ejes principales de la estructura considerando la componente longitudinal y se le agrega un momento torsional para tener en cuenta la componente torsional de la velocidad de viento. Considerando separadas las presiones en los ejes principales. Las siguientes expresiones en dependencia de la carga y la excentricidad determinan el momento torsional que es adicionado a la estructura para determinar la respuesta torsional.
[3]
[4]
[5]
[6]

En el tercer caso coinciden simultáneamente la presión de viento actuante en el Caso 1 pero se considera tres cuartos de la presión actuante en los ejes perpendiculares a la aplicación de la carga sin tener en cuenta las cargas torsionales.

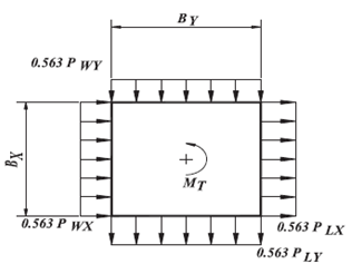
En el cuarto caso es definido como el caso 2 pero actúan simultáneamente las presiones en los dos ejes principales de la estructura, actuando el 75% de los tres cuartos de presión de viento ejercidos en los ejes principales de la estructura. Las siguientes expresiones en dependencia de la carga y la excentricidad determinan el momento torsional que es adicionado a la estructura para determinar la respuesta torsional.
[7]
[8]
[9]

Esta normativa asume un 15% de excentricidad sobre las dimensiones de la estructura para evaluar la máxima torsión en edificaciones.
La norma canadiense NBCC [15, 23] presenta el mismo principio que la norma ASCE 7-10 [23] aplicando la reducción de las cargas de viento simulando cargas de vientos no uniformes sobre las superficies de edificios incluyendo la excentricidad equivalente adicional según las dimensiones del edificio.
Las diferencias de esta normativa con respecto a la norma ASCE 7-10 [23] es el caso No.2 planteado en la normativa el cual elimina el 25% de la longitud de la colocación de las cargas de viento sobre la estructura colocando la presión de viento en el 75% de las dimensiones de la estructura a analizar.

La otra diferencia con respecto a la ASCE 7-10 [23] es en caso No. 4 planteado por la normativa en donde plantea una reducción de presiones para simular el efecto torsor sobre la superficie de la estructura distribuyendo cada carga correspondiente a 75% de la reducción de la carga en el 75% de las dimensiones de la estructura y el 38% de la carga en el 25% de las dimensiones de la estructura [36] como se muestra en la figura siguiente:

En los casos 2 y 4 se agrega una excentricidad máxima con respecto a la dimensión de la estructura de un 15% a un 35% en recomendación de la NBCC 2010 [15].
En la normativa cubana NC-285:2003 [28] el análisis torsional de edificaciones se analiza según los siguientes criterios, altura media de la cubierta se encuentre a una altura igual o mayor que 30 m y un ancho de fachada no menor de 40 m. Las diferencias establecidas con las normativas anteriores es en el caso No.2 y caso No.4.
En el caso No.2 Las presiones de viento totales son reducidas un 25 % actuando sobre el 50 % del área proyectada limitada por el borde proyectado extremo del edificio.

En el caso No.4 Las presiones de viento totales en los dos sentidos de la edificación son afectadas por un 25 % de reducción en la presión que actúa sobre el 50 % del área proyectada limitada por el borde proyectado extremo del edificio.

3.2.2- Segundo Enfoque. Método Factor de efecto de ráfaga. AIJ [2] y ISO 4354:2009 [28].
El análisis dinámico ante este tipo de cargas que producen torsión en las estructuras son analizadas principalmente cuando el momento de torsión en las estructuras tiende a ser significativo por la falta de correlación entre los valores de momentos torsores. Si las cargas excitadoras provocan un aumento del movimiento torsional y causan un incremento del momento torsor en la edificación es necesario considerar los efectos de esta amplificación. Muchos factores evidencian el anterior planteamiento como son la frecuencia torsional, el amortiguamiento estructural y la relación que existe entre el movimiento torsional y traslacional.
Para la mayoría de los edificios altos la frecuencia natural de torsión se encuentra dentro de la zona de bajas frecuencia teniendo un valor considerable de participación de la masa, por consecuencia las cargas de inercia torsional pueden ser reducidas si se aumenta la rigidez torsional de la edificación [16]. En el análisis torsional dinámico un aspecto fundamental es la relación entre la componente dinámica longitudinal y torsional. El porciento de esta relación es normalizado a través del radio de giro, donde a medida que aumente el porcentaje aumenta la componente torsional.
Similar a las cargas estáticas torsionales también existe una magnitud para las cargas dinámicas torsionales con respecto a las correspondientes cargas horizontales. Actualmente el método más utilizado para el análisis de estructuras ante cargas de viento que se encuentra indicado en varias normas internacionales [23, 28] es el método de Factor de Efecto de Ráfaga (GLF por sus siglas en inglés) donde hasta al año 2000 solo existía el método para determinar la componente longitudinal de la velocidad de viento.
El método factor de efecto de ráfaga es un método estático equivalente basado en la teoría de Davenport [37] y modificado por Yin Zhou y Ahsan Kareem [38] en donde la carga de viento es definida por el producto de la fuerza media del viento y un factor de respuesta de ráfaga. El método obtiene la respuesta máxima a partir de la combinación de las componentes media, no resonante y resonante (Ver ecuación No. 10.
[10]Donde es el efecto debido a la carga media de viento, es el efecto de la carga debido a la componente de la carga de viento no resonante y es el efecto de la carga debido a la componente de la carga de viento resonante
La respuesta máxima de la estructura, se obtiene a partir de la combinación de las cargas de viento correspondiente a la componente media (FM), resonante (FR) y no resonante (FB) (Ver ecuación No. 11).
[11]Estas formulaciones que se ejemplifican anteriormente son para la estimación de la componente longitudinal de la velocidad de viento. En el año 2000 Yin Zhou y Ahsan Kareem [18] desarrollaron el método Factor de Efecto de Ráfaga para los efectos producidos por la carga torsional que genera el viento. La base matemática para determinar las cargas torsionales es similar al aplicado para la respuesta longitudinal.
La norma internacional ISO-4354:2009 [28] y la norma japonesa AIJ [2] propone los criterios vistos en el capítulo 1 establecidos por Y. Tamura, H. Kawai, Y. Uematsu,H. Marukawa, K. Fujii, Y. Taniike en el año 1996 para clasificar a la estructura como torsionalmente sensible.
El momento estático equivalente por unidad de altura, z en edificaciones de sección rectangular se estima según la siguiente expresión basada en la velocidad media de sitio:
[12]Donde:
El producto queda definido por la ecuación No.13:
[13]Donde es la desviación estándar para el coeficiente de momento torsional. La norma brinda una fórmula empírica para determinar este valor de desviación del momento torsional [15].
[14]Es el factor pico del momento torsor en la base de la estructura y se determina por la siguiente expresión:
[15]Donde es la frecuencia cíclica de vibración que puede ser aproximada a la frecuencia natural torsional de la estructura .
Tiempo de promediación para la medición de la velocidad media en segundos.
· Es el factor de resonancia para el momento torsor base de la estructura y se calcula como:
[16]Factor de corrección de la forma modal definido anteriormente.
Razón de amortiguamiento en el sentido transversal.
Espectro de energía de momento torsional definido en las ecuaciones No. 17 y 18.
[17]
[18]Donde:
es la velocidad de viento no dimensional para el cálculo de momento torsional, son los valores de Et para respectivamente y mayor longitud entre b y d.
[19]
[20]
[21]
[22]
[23]Las expresiones anteriores son válidas para edificios altos construidos en zonas urbanas con relación entre los valores de 3 y 6, entre 0.2 y 5. Las expresiones anteriores son válidas también para asumiendo que las edificaciones tienen distribución de la masa uniforme en toda su altura.
4-Conclusiones.
1. La respuesta torsional ante cargas de viento se puede considerar en edificaciones de manera estática y dinámica en función de la sensibilidad torsional de las edificaciones.
2. La componente calculada para determinar la respuesta torsional estática se determina mediante un momento torsor producido principalmente por las asimetrías en planta y la excentricidad existente entre el centro de rigidez y centro de masa de las edificaciones, las metodologías estáticas son planteadas por la NC-285:2003, ASCE 7-10, NBCC.
3. La componente calculada para determinar la respuesta dinámica torsional se tiene en cuenta en edificaciones donde su frecuencia torsional es baja, según las consideraciones de las normativas ISO-4354:2009 e AIJ -2004.
4. La metodología planteada por la ISO-4354:2009 e AIJ -2004 está basada en estudios estadísticos a escala real y reducida teniendo en cuenta las características geométricas, dinámicas de las edificaciones y los parámetros climáticos siendo la metodología más completa para el cálculo de la componente torsional en edificios altos.
Ilaria Venanzi et al [19] es su investigación brinda un procedimiento analítico para el análisis ante cargas de viento de edificios altos calculando las funciones de diseño y chequeando el diseño de los miembros estructurales de la edificación. Este procedimiento tiene en cuenta la relación existente entre el centro de masa y el centro de rigidez de las edificaciones. La metodología empleada es basada en mediciones electrónicas obtenidas de ensayos en túnel de viento para tipología de terrenos abiertos, superando a los métodos empíricos porque estas metodologías son basadas en mediciones reales y no en demostraciones empíricas.
Referencias
Kijewski, T., Haan, F. and Kareem, A. , "Wind-Induced Vibrations". Encyclopedia of Vibration, 2004: p. 1578-1587.
AIJ, Recommendations for Loads on Buildings, in Wind Loads. 2004. p. 137.
Shuguo Liang, S.L., Liangliang Zhang, Ming Gu, Torsional dynamic wind loads on rectangular tall buildings. Engineering Structures 2004. 26 p. 129–137.
N. Isyumov, M.P., WIND INDUCED TORQUE OM SQUARE AND RECTANGULAR BUILDING SHAPES Journal of Wind Engineering and Industrial Aerodynamics, 13 (1983) 139--152, 1983.
Holmes, J.D., “Wind Loads on Low Rise Buildings – A Review.”. CSIRO Div. of Building Research Highett. Victoria, Australia, 1983.
Stathopoulos, T., “Wind Loads on Low-rise Buildings - A Review of the State of the Art.”Engineering Structures. Journal of Wind & Engineering, 1984. 6: p. 119-135.
Ellingwood, A.T.a.B., WIND INDUCED LATERAL-TORSIONAL MOTION OF BUILDINGS Journal of Structural Engineering 1985. 2.
TALLIN, A., ANALYSIS OF TORSIONAL MOMENTS ON TALL BUILDINGS Journal of Wind Engineering and Industrial Aerodynamics, 18 (1985) 191--195, 1985.
Pramono, M.A.M.T.a.E., DYNAMIC RESPONSE OF TALL BUILDING TO WIND EXCITATION Journal of Structural Engineering, 1985. 111: p. 805-825.
Patrickson, C.P., and Friedmann, P, Torsional Response of Tall Buildings of Wind Loads. Report UCLA-ENG-76126, University of California., 1976.
Surry2, G.R.L.a.D., Wind-Induced Torsional Loads on Tall Buildings Journal of Wind Engineering and Industrial Aerodynamics 1990. 36: p. 225-234.
G., S., Mathematical model to predict 3-D wind loading on buildings. ASCE Journal of Engineering Mechanics, 1985. 111(2):: p. 254–7.
Y. Tamura, H.K., Y. Uematsu,H. Marukawa, K. Fujii, Y. Taniike, Wind load and wind-induced response estimations in the Recommendations for Loads on Buildings, AIJ 1993 Engineering Structures 1996. 18: p. 399-411.
Surry, D., Cosequences of distortion in the flow including mismatching scales and intensities of turbulence.
NBCC, National Research Council of Canada, National Building Code of Canada,Volume 2. 2010.
Irwin, J.X.a.P.A., Key Factors for Torsional Wind Response of Tall Buildings. Advanced Technology in Structural Engineering 2000.
ASCE7-95, American Society of Civil Engineers, Minimum Design Loads for Buildings and Other Structures. 1995.
By Yin Zhou, A.K., TORSIONAL LOAD EFFECTS ON BUILDINGS UNDER WIND. Advanced Technology in Structural Engineering, 2000.
Ilaria Venanzi, W.P.F., Emil Simiu, National A Database-Assisted Design Approach for the Assessment of Wind Induced Torsional Effects on Tall Buildings. Structures Congress ASCE, 2006.
Hitchcock, H.C.K., Cross Correlations of Modal Responses of Tall Buildings in Wind-Induced Lateral-Torsional Motion. JOURNAL OF ENGINEERING MECHANICS ASCE, 2009.
Wilson, E.L., Der Kiureghian, A, and Bayo, E. P, “A replacement for the SRSS method in seismic analysis.”. Earthquake Eng. Struct. Dyn, 1981. 9: p. 187–192.
M. Elsharawy, T.S., K. Galal, Evaluation of wind-induced torsional loads on buildings by North American and European codes and standards. Journal of wind & Engineering ASCE, 2011: p. 337-348.
ASCE7-10, American Society of Civil Engineers, Minimum Design Loads for Buildings and Other Structures. 2010.
EN1991-1-4, Eurocode 1: Actions on structures — General actions — Part 1-4: Wind actions. 2004
Keast, D.C., Barbagallo, A., and Wood, G.S., Correlation of wind load combinations including torsion on medium-rise buildings. Wind and Structures, An International Journal, 2012. 15(5): p. 423-439.
Dae Kun Kwon, A.K., Comparative study of major international wind codes and standards for wind effects on tall buildings journal homepage: www.elsevier.com/locate/engstruct, 2013. 51: p. 23–35
AS/NZS1170.2-2011, Australian/New Zeland Standart: Structural Design actions, Part 2: Wind Actions. 2011.
ISO4354, Wind action on structures. 2009.
Roorkee, D.o.C.E.I.I.o.T., Wind Loads on Buildings and Structures-Proposed Draft & Commentary. p. 105.
Davenport, A.G. and N. Isymov. The Application of The Boundary Layer Wind Tunnel to the Prediction of Wind Loading. in Proceedings of the International Research Seminar: Wind Effects on Buildings and Structures. 1967. Ottawa, Canada.
Simiu, D.D.a.E., The Use of Wind Tunnel Measurements in Building Design. National Institute of Standards and Technology, Gaithersburg, Maryland,nUnited States of America, 2011.
Davenport, A.G.a.T., “The Response of Tall Buildings to Wind: Effects of Wind Direction and the Direct Measurement of Dynamic Force”. Proceedings of the Fourth U.S. National Conference on Wind Engineering Research, 1981: p. 205–223.
Boggs, D.W., “Validation of the Aerodynamic Model Method”, Journal of Wind Engineering and Industrial Aerodynamics. 1992. Vol 41–42: p. 1011–1022.
NC-285, Carga de viento. Método de cálculo. 2003 Cuba.
ASNZS1170.2, Structural Design Actions. 2011. p. 98.
Elsharawy, M.R., Wind-Induced Torsional Loads on Low- and Medium-Rise Buildings, in Building, Civil and Environmental Engineering. 2014, Concordia University Montréal, Québec, Canada.
Davenport, A.G. The application of statistical concepts to the wind loading. in Proc. Institution of Civil Engineers 1961.
Zhou, Y. and A. Kareem, Gust Loading Factor: New Model. Journal of Structural Engineering, 2001. 127(2): p. 168-175.