Diseño estructural de tímpano de mampostería reforzada.
Structural design of a reinforced masonry shear wall.
Diseño estructural de tímpano de mampostería reforzada.
Revista de Arquitectura e Ingeniería, vol. Vol12, núm. 1, pp. 1-13, 2018
Empresa de Proyectos de Arquitectura e Ingeniería de Matanzas

Recepción: 18 Mayo 2017
Aprobación: 21 Marzo 2018
Resumen: En el análisis y diseño de edificios altos porticados sometidos a carga lateral es imprescindible la incorporación de elementos rigidizadores que garanticen la reducción de los desplazamientos horizontales a límites permisibles y que contribuyan a un mayor desempeño estructural de la edificación. En Cuba, los tímpanos constituyen los elementos rigidizadores más empleados caracterizados por su trabajo a flexocompresión. El empleo de la mampostería reforzada es una propuesta a emplear. En Cuba la resistencia a compresión bruta de los bloques que se emplea es 7 MPa, muy por debajo de las sugerencias internacionales para este material. El presente trabajo destaca el diseño a flexocompresión de un tímpano de mampostería reforzada considerando bloques con resistencia a compresión bruta de 7 MPa y 12 MPa siguiendo los requisitos que establece la NC 774:2012. Para ello se modela un edificio de 13 niveles con el empleo del programa de análisis y diseño Robot Structural Analysis Professional 2014. .
Palabras clave: edificios altos, mampostería, tímpanos, modelación matemática.
Abstract: In the analysis and design of tall buildings which his structural system is based in the employment of the type of frame subjected to lateral load is indispensable the incorporation of elements to increase the stiffness of these constructions that guarantee the reduction from the horizontal displacements to permissible limits. In Cuba, the shearwalls constitute the more employees elements. The use of the reinforced masonry with blocks in which gross strength compression is 12 MPa is proposed. In Cuba the gross strength compression that is used at the moment is 7 MPa, below the international suggestions for this material. The present work highlights the design to flexocompression of a shearwall of reinforced masonry considering blocks with gross strength compression of 7 MPa and of 12 MPa, following the requirements that the NC 774:2012 establishes. With this purpose, a 13 levels building is modeled with the employment of the analysis program and design Robot Structural Analysis Professional 2014.
Keywords: high buildings, masonry, shear wall, mathematic modeling.
Introducción:
La tipología estructural más empleada en Cuba para la construcción de edificios altos ha sido la de pórticos debido a la transparencia visual, funcionalidad y la movilidad arquitectónica que se logra con los mismos. Su mayor desventaja radica en la alta flexibilidad que experimentan frente a las cargas laterales lo que obliga, con el incremento de la altura de la edificación, a incorporar elementos rigidizadores que garanticen que los desplazamientos laterales tanto relativo entre los pisos como el del tope de la edificación se encuentren dentro de los límites permisibles.
Es conocido que una de las formas de rigidizar el sistema de pórticos es mediante la incorporación de tímpanos en algunos de los ejes de la edificación o aprovechar las cajas de ascensores o escaleras para este fin pues poseen una rigidez muy superior a la del conjunto de pórticos que puedan existir en un edificio. Tradicionalmente el material más empleado para la construcción de tímpanos es el hormigón armado, pudiendo emplearse también la mampostería. Los tímpanos al ser incluidos en el sistema de rigidización vertical de un edificio son elementos que trabajan a flexocompresión. Este material, con gran tradición constructiva en nuestro país ofrece ventajas importantes, pues a la vez que se utilizan como elementos resistentes, hacen la función de divisores entre espacios y son buenos aislantes térmicos y acústicos. La baja resistencia a tracción y su forma de rotura frágil son compensadas, al igual que en el hormigón, con la adición de refuerzo y aumentando la resistencia a compresión de los bloques (Ruiz, 2012).
Dentro de las propiedades que caracterizan a las obras de mampostería se encuentra la resistencia a compresión de las piezas. La máxima resistencia a compresión bruta establecida en Cuba es de 7 MPa (NC-774, 2012) mientras que a nivel internacional se alcanzan resistencias a compresión bruta por el orden de los 20 MPa (CIRSOC-501, 2007; NMX-C-404-ONNCCE-2012, 2015; NTG-41054, 2010) lo que hace posible que se puedan construir edificios de más de 10 niveles con el empleo de la mampostería. Es por ello que se pretende el empleo de 12 MPa para la resistencia a compresión bruta de los bloques con el objetivo de lograr un incremento en la altura de los edificios altos con mampostería reforzada.
El empleo de la mampostería para la construcción de tímpanos puede resultar una solución factible para reducir los desplazamientos laterales y crecer en altura. En este aspecto la resistencia a compresión de los bloques resulta una variable de vital importancia debido a la influencia que tiene en la resistencia a compresión de la mampostería como material y por tanto en la capacidad portante de los muros lo que influye en la altura máxima que se vaya a alcanzar en la edificación.
El presente trabajo tiene como objetivo realizar el diseño de un tímpano de mampostería reforzada compuesto por bloques de hormigón de 20 cm de espesor y una resistencia a compresión bruta de 12 MPa como propuesta empleándose como elemento rigidizador frente a la carga de viento en un edificio de 13 niveles. Para ello se realiza la modelación del edificio porticado destinado a viviendas bajo la acción de la carga de viento con el empleo de cajas de ascensores y escaleras de mampostería como elementos rigidizadores o tímpanos. Para la modelación del edificio se utilizará el software Autodesk Robot Structural Analysis Professional 2014.
Materiales y Métodos:
La edificación objeto de estudio está destinada a viviendas y se encuentra ubicada en La Habana. Estructuralmente está conformada por pórticos de hormigón armado y losas hormigonadas “in situ” con una resistencia a compresión de 30 MPa. El puntal de cada piso es de 2.8 m de nivel de piso terminado (NPT) a (NPT).
Las secciones transversales de las vigas del pórtico son de 30 x 45 cm, las columnas son 40 x 40 cm y las losas serán de 15cm de espesor. Las cajas de ascensores y escaleras son de mampostería de bloques de 20cm de espesor encargados de tomar la carga de viento.
La resistencia de la mampostería se calculará para una resistencia a compresión bruta de los bloques de 12 MPa y se emplea un mortero de tipo III según (NC-175, 2002).
La altura de la edificación es de 13 niveles. La figura 1 muestra la planta y elevación de la misma.

Como se aprecia en la figura 1 la ubicación de la caja de ascensores se encuentra en la zona central de la planta con el objetivo de evitar excesivas torsiones debido a la acción de la carga horizontal, dada la asimetría que presenta la planta arquitectónica.
La resistencia a compresión de la mampostería se obtiene mediante la expresión (1) establecida en (NC-774, 2012) que depende de la resistencia a compresión del bloque y del mortero,

Donde
〖f´〗_bl Resistencia característica a compresión del bloque
〖f´〗_mbl Resistencia bruta característica a compresión de la mampostería
〖f´〗_M Resistencia característica a compresión del mortero
Se emplea un mortero de tipo III según (NC-175, 2002) con una resistencia característica a compresión de 5,2 MPa.
La tabla 1 muestra los valores de resistencia a compresión de la mampostería simple y macizada obtenidos, para las resistencias a compresión del mortero y del bloque propuestas

〖(*)f´〗_mnbl Resistencia neta de la mampostería asociada a la mampostería macizada (determinada a partir de la relación Área neta/Área bruta del bloque)
Otras propiedades de interés estructural para la modelación empleadas se muestran en la tabla 2.

Las solicitaciones actuantes obtenidas para el tímpano más esforzado como resultado de la modelación son las siguientes:
(P_μ=1671,74 kN M_μ=670842,78 kNcm)
Estas solicitaciones responden a la combinación de cargas (1,2 D+1,4 W+0,5L+0,5 L_r) en el sentido de mayor efecto del viento de los casos analizados.
Diseño de la mampostería reforzada
Para el diseño de la mampostería reforzada se consideraron las hipótesis que establece la norma NC 774:2012 y el diagrama de tensiones que se muestra en la figura 2.

Resultados y Discusión:
Diseño del tímpano más esforzado de la caja de ascensores y escaleras del edificio.
Estado Límite Último
El muro más esforzado es para la combinación más desfavorable (1,2 D+1,4 W+0,5L+0,5 L_r), para la que se obtuvo una tensión máxima a compresión de σ_yy=7,2 MPa , obtenida en el primer nivel del edificio

Las tensiones permisibles a compresión de un muro de mampostería simple se obtienen según la expresión:

Donde
φ=0,6 Factor reductor de la resistencia
β=0,89 Factor reductor por efecto de la esbeltez y la excentricidad de la carga (responde a
e_min=0,05 t y λ=14.
〖f´〗_m Resistencia característica a compresión de la mampostería
Sustituyendo se obtiene que la capacidad resistente del muro para bloques de 12 MPa es de 2,49 MPa. Atendiendo al valor de tensión obtenido para la combinación desfavorable se confirma la necesidad de incorporar refuerzo en el muro. En la figura 3 se muestra la distribución de tensiones σ_yy en los muros del edificio.

Diseño a flexocompresión
En el diseño a flexocompresión las principales incertidumbres que hacen compleja la determinación de la profundidad de la línea neutra, y con ella las cuantías de armado si se está en un diseño, o las capacidades nominales si se está en una revisión, se deben en lo fundamental a las siguientes observaciones:
El juego de ecuaciones de equilibrio y de compatibilidad no es el mismo en todos los dominios, especialmente por la variación en la forma de trabajo que experimenta la armadura de una de las caras: en tracción para algunos dominios y en compresión para el resto; unido al cambio de las ecuaciones constitutivas del hormigón.
La tensión de trabajo de las armaduras en el agotamiento, es decir, su entrada o no en fluencia, no puede establecerse de inmediato. Para la armadura situada hacia la cara de máxima compresión la incertidumbre aparece fundamentalmente en el dominio 2 y probablemente el 3, pues para los recubrimientos normalmente empleados en el resto de los dominios (3a, 4, 4a, 5 ó 5a) debe fluir. Sin embargo, en el caso de la armadura en tracción o menos comprimida la incertidumbre aparece en los dominios 4a y quizás en el 5.
Por último, la incuestionable dificultad que se presenta durante el análisis de una situación dentro del dominio 4 debido a que la armadura en tracción no fluye y su tensión se hace dependiente de la profundidad de la línea neutra (x).
El procedimiento analítico resulta mucho más engorroso debido fundamentalmente a la imposibilidad de conocer “a priori” cuál ha de ser la posición de la línea neutra (x) que asegure simultáneamente dichas condiciones (el equilibrio y la compatibilidad de las deformaciones) para las solicitaciones actuantes (P_μ;M_μ), ó (P_μ;e_0).
La relación entre la luz libre (2,8 m) y el canto útil (4,33 m) es 0,647 m por lo que cumple la limitación menor que 45 establecido por la norma NC 774:2012. Dicha limitación garantiza que sean aplicables todas las hipótesis del diseño a flexión para el muro diseñado, también garantiza conjuntamente con el diseño realizado que la fisuración en estado límite de utilización sea aceptable y a su vez que la deformación lateral del muro sea aceptable cumpliendo así con el Estado Límite de Deformación.
Para la realización del diseño del tímpano de mampostería es necesario conocer la distribucion de acero con las posibles camadas de refuerzo. Esta distribución se realizó teniendo en cuenta las dimensiones de los bloques y un espesor de mortero de 10 mm

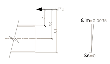
Se muestra la fuerza actuante, el estado deformacional y el esquema de fuerzas resistentes al que puede estar sometido el tímpano de mampostería a diseñar.

Donde
〖ε´〗_m deformación de la mampostería.
ε_s deformación del acero mas traccionado.
〖F´〗_m fuerza concentrada resultante del diagrama rectangular equivalente de las compresiones de la mamposteria.
〖F´〗_m fuerza resulante de la tracción que desarrollan las camadas de acero.
x profundidad de la línea neutra.
e_0 excentricidad de la carga actuante con respecto al centroide de la sección.
e_1 excentricidad de la carga actuante con respecto al centroide de las camadas en compresión.
e_2 excentricidad de la carga actuante con respecto al centroide de las camadas en tracción.
Se supone inicialmente que se colocará el refuerzo en dos camadas tanto en tracción como en compresión.
Primeramente es necesario conocer si predomina la flexión o la compresión a partir de la comparación en el estado deformacional en el que x=〖d 〗_1 dado que, si la profundidad de la línea neutra aumentara ya no existiría un par de fuerzas resistentes al momento flector actuante en la sección.

Los valores de las solicitaciones actuantes son (P_μ=1672 kN M_μ=670843 kNcm). La calidad del acero que se va a utilizar en el diseño será G-40.
Determinación de la excentricidad de la carga respecto del centro de gravedad de la sección.

El análisis de la esbeltez se tiene en cuenta cuando se introduce el coeficiente reductor β en la expresión que da la resistencia a compresión del muro por unidad de longitud.
El resto de las excentricidades involucradas se obtienen a partir de las expresiones (4) y (5) conociendo que el peralto total de la sección es h=450 cm.


Como puede apreciarse, la carga se encuentra totalmente fuera de la sección y la excentricidad e_1 es negativa por lo que hay un predominio evidente de la flexión.
Se pretende realizar un diseño simétrico, lo cual implica que las áreas de acero en tracción y en compresión van a ser iguales así como los recubrimientos mecánicos para cada uno. Para simplificar el sistema de ecuaciones que posteriormente se van a tener en cuenta para el diseño es necesario conocer cuantas camadas se pueden tener en tracción y en compresión de tal forma que ambas fluyan

A partir de la figura anterior se puede conocer que la mínima cantidad de camadas que se pueden aceptar de tal forma que todas las camadas esten fluyendo son 4, determinadas por la zona en compresión. Para la realización del diseño se tomarán dos y en caso que no sea posible distribuir el refuerzo en esas dos camadas se conoce que se puede contar con 4 camadas siempre y cuando se obtenga un valor de profundidad de linea neutra (x) mayor que 178 cm (Estado deformacional 1) y menor que el valor de profundidad de linea neutra (x) para el que la cuarta camada en tracción deja de fluir (256 cm, Estado deformacional 2).
Al realizar sumatoria de momentos y sumatoria de fuerzas resultantes en la sección se obtiene:


Donde
φ=0,8 Factor reductor de la resistencia a flexocompresión
β=0,89 Factor reductor por efecto de la esbeltez y la excentricidad de la carga (responde a
e_min=0,05 t y λ=14.〖Am〗_comp
〖N´〗_s fuerza que aporta el acero en compresión
N_s fuerza que aporta el acero en tracción
x profundidad de la línea neutra
d peralto efectivo
〖d´〗_s recubrimiento mecánico del acero en compresión
Diseño del tímpano de mampostería compuesto por bloques de 12 MPa de resistencia característica a compresión bruta.
Al sustituir los términos correspondientes se obtienen


Donde
f_y tensión de fluencia del acero
〖A´〗_s área del acero en compresión
A_s área del acero en tracción
A partir del sistema de ecuaciones se obtiene como resultado que x=180,37cm y 〖A´〗_s=A_s=10,7 〖cm〗^2. Las comprobaciones correspondientes permitieron corroborar que los aceros fluyen y se mantiene el equilibrio en la sección. Según la NC 774:2012:

Donde
A_mín área de acero mínima
b ancho del alma de la sección en este caso es el espesor del muro t=20 cm
d peralto efectivo de la sección
Se cumple con la cuantía minima. Se reforzará el tímpano colocando 2∅20 en cada uno de los huecos de los bloques extremos y en el resto se colocará, forma alterna, 2∅10 en cada uno de los huecos.
Diseño a cortante
Comprobación de elementos sin armadura transversal a cortante

donde
b Ancho mínimo del elemento sobre el canto útil;
d Canto útil del elemento;
fv Resistencia característica a corte de la mampostería.
Φ Coeficiente reductor de la resistencia a cortante (Φ=0,6)
Comprobación de elementos con armadura transversal a cortante
En los elementos en que se considere la contribución de la armadura transversal, se comprobará que:

Donde:

d Canto útil del elemento;
A_st Área de la armadura transversal;
s Separación entre armaduras transversales;
f_y tensión de fluencia
En los elementos en que se considere la contribución de la armadura transversal, se comprobará que:

El valor de V_μ=73 kN. El valor anterior fue obtenido a partir de conocer las máximas tensiones tangenciales en el tímpano y con el empleo de la ecuación de Zhuraski.
Las tensiones permisibles a cortante de un muro de mampostería simple se obtienen según la expresión:
Donde
φ=0,6 Factor reductor de la resistencia
f_V Resistencia característica a cortante de la mampostería
La resistencia característica (NC-774, 2012) a cortante de la mampostería se obtiene del menor valor de las siguientes expresiones:

La resistencia característica a cortante de la mampostería compuesta por bloques de 12 MPa f_V=0,304 MPa. Como el valor de V_μ=73 kN es inferior al cortante resistente de la mampostería V_d=158 kN no se requiere refuerzo por cortante. El aporte del acero no se tendrá en cuenta y el espaciamiento del mismo será por especificaciones teniendo en la sección transversal 2 ramas de diámetro ∅6 mm.
Se debe comprobar también que:

Tomando como peralto efectivo d el correspondiente a la primera camada d_1=433 cm:

Las cuantías geométricas mínimas vertical y horizontal serán igual a:

Debiendo cumplirse también que:

Por la forma de la distribución del refuerzo vertical la cuantía geométrica vertical es ρ_v=0.003607 y se dispondrá refuerzo transversal (cercos rectangulares) ∅6 mm cada 20 cm lo que hace que la cuantía geométrica horizontal sea ρ_h=0.1413 por lo que queda verificada esta comprobación.
La distribución del refuerzo vertical debe cumplir con la separación de armaduras que será tal que permita el correcto vertido y compactado del hormigón de relleno o del mortero. La separación entre armaduras de tracción principal no deben estar espaciadas a más de 2,40 m o de 12 t y la separación vertical de las armaduras horizontales no será mayor que 600 mm, excepto la de armaduras concentradas en núcleos o la de armaduras en juntas horizontales.
Estribado de la armadura comprimida
El refuerzo o las barras comprimidas se deberán reforzar transversalmente para evitar pandeo local, en este caso como es un diseño simétrico tanto las barras a tracción como a compresión se deberán reforzar transversalmente. Para el caso del refuerzo transversal obtenido por cálculo, su diámetro no será menor que 4 mm ó ¼ del diámetro máximo de las barras longitudinales, y la separación no será mayor que (NC-774, 2012):
- la menor dimensión lateral del muro de mampostería armada; (200 mm)
- 300 mm;
- 12 veces el diámetro de la barra principal. (240 mm)
La distribución realizada del refuerzo transversal cumple con las especificaciones respecto al estribado de la armadura comprimida.
El diseño del tímpano de mampostería reforzada así como la distribución del refuerzo se puede apreciar en la figura

Diseño del tímpano de mampostería compuesto por bloques de 7 MPa de resistencia característica a compresión bruta.
Para realizar el diseño del timpano de mampostería compuesto por bloques de 7 MPa se procedió de manera similar que para el diseño realizado anteriormente para el caso de 12 MPa.
En el diseño del refuerzo longitudinal se obtiene como resultado a partir del sistema de ecuaciones formado por las ecuaciones 6 y 7 que x=251,3 cm y 〖A´〗_s=A_s=16,2 〖cm〗^2. Las comprobaciones correspondientes permitieron corroborar que los aceros fluyen y se mantiene el equilibrio en la sección. Según la NC 774:2012:

Se cumple con la cuantía minima. Se reforzará el tímpano colocando 2∅25 en cada uno de los huecos de los bloques extremos y en el resto se colocará, de forma alterna, 2∅10 en cada uno de los huecos.
Diseño a cortante
En los elementos en que se considere la contribución de la armadura transversal, se comprobará que:

El valor de V_μ=73 kN. La resistencia característica a cortante de la mampostería compuesta por bloques de 7 MPa es:

Como el valor de V_μ=73 kN es inferior al cortante resistente de la mampostería V_d=158 kN no se requiere refuerzo por cortante. El aporte del acero no se tendrá en cuenta y el espaciamiento del mismo será por especificaciones teniendo en la sección transversal 2 ramas de diámetro ∅6 mm.
Se debe comprobar también que

Tomando como peralto efectivo d el correspondiente a la primera camada d_1=433 cm:

Por la forma de la distribución del refuerzo vertical la cuantía geométrica vertical es ρ_v=0.005612 y se dispondrá refuerzo transversal (cercos rectangulares) ∅6 mm cada 20 cm lo que hace que la cuantía geométrica horizontal sea ρ_h=0.1413 por lo que queda verificada las comprobaciones de las cuantías geométricas mínimas vertical y horizontal
Estribado de la armadura comprimida
La distribución realizada del refuerzo transversal cumple con las especificaciones respecto al estribado de la armadura comprimida.
El diseño del tímpano de mampostería reforzada así como la distribución del refuerzo se puede apreciar

Conclusiones:
Se demuestra la posibilidad del empleo de la mampostería reforzada como elemento rigidizador frente a cargas de viento en una edificación de 13 niveles. El método de diseño es similar al empleado para el caso del hormigón armado considerando las propiedades y las hipótesis para el diseño a flexión para la mampostería.
Se añade al procedimiento de diseño una modificación para simplificar el sistema de ecuaciones a resolver la cual consiste en la determinación de la cantidad máxima de camadas que se pueden emplear en el diseño de tal forma que estas lleguen a fluir en el estado deformacional del fallo. Lo anterior es debido a las restricciones que presenta la mampostería para la distribución del refuerzo.
Entre las diferencias en el diseño del tímpano de mampostería compuesto por bloques de 12 MPa y el de 7 MPa se destacan: las cuantías geométricas verticales, en el primer caso ρ_v=0.003707 y en el segundo caso ρ_v=0.005612 lo que equivale a una diferencia de 18,08 cm2 en cuanto al área de refuerzo de la sección transversal.
En el diseño a cortante ninguno de los tímpanos diseñados necesitó refuerzo por cálculo. Con el incremento de la resistencia a compresión bruta de los bloques a 12 MPa se logró un incremento de la resistencia a cortante del tímpano de un 39,45 %, por lo que el tímpano compuesto por bloques de 12 MPa resiste 44,68 kN mas que el tímpano compuesto por bloques de 7 MPa.
Referencias
CIRSOC-501. (2007). INTI Instituto Nacional De Tecnología Industrial, Reglamento Argentino de Estructuras de Mampostería.
NMX-C-404-ONNCCE-2012. (2015). Organismo Nacional de Normalización y Certificación de la Construcción y Edificación A.C. (ONNCCE). México.
Ruiz, L. (2012). Estructuras de Hormigón y Mampostería. La habana, Cuba.