Microestructura de una unión disímil AISI 321 y una aleación A 351 grado HK-40 obtenida mediante soldadura manual por arco eléctrico
Microstructure of a dissimilar AISI 321 joint and an A 351 grade HK-40 alloy resulting from manual electric arc welding
Microestructura de una unión disímil AISI 321 y una aleación A 351 grado HK-40 obtenida mediante soldadura manual por arco eléctrico
Minería y Geología, vol. 32, núm. 2, pp. 112-123, 2016
Instituto Superior Minero Metalúrgico de Moa 'Dr Antonio Nuñez Jiménez'

Resumen: El objetivo fue establecer el comportamiento microestructural de una unión disímil de acero inoxidable austenítico AISI 321 y de la aleación A 351 grado HK 40 obtenida por fundición mediante soldadura manual por arco eléctrico y electrodos revestidos del tipo E 309 L-16. La estructura ferrita–austeníta que se forma en la unión del acero con la aleación es resultado del elevado contenido de carbono de la segunda. La baja velocidad de enfriamiento del cordón de soldadura revela ausencia de discontinuidades en el retículo cristalino de la zona afectada térmicamente y atenúa la formación de carburos de cromo del tipo Cr23C6, que puede formar la aleación A 351 grado HK 40 durante la difusión del volumen de fracción en masa del cromo.
Palabras clave: acero austenítico, aleaciones, soldadura, análisis microestructural, ciclo térmico.
Abstract: The objective of this investigation was to establish the microstructural behavior of a dissimilar AISI 321 austenitic stainless steel alloy and an A 351 grade HK 40 alloy by conducting an electric arc welding manually and lined electrodes E 309 L – 16 type. The ferrite-austenite structure resulting from welding steel with the alloy is attributable to a high content of carbon in the alloy. Low cooling velocities of the welding beam reveals the absence of discontinuities in the crystalline reticule of the thermal affected zone and reduces the formation of chrome carbides of Cr23C6 types that can be formed in the A 351 grade HK 40 alloy during the massive diffusion of the chrome fraction volume.
Keywords: austenitic steel, alloys, welding, thermal cycle, microstructure.
1. INTRODUCCIÓN
Los aceros inoxidables se diferencian de los demás aceros durante el proceso de soldadura por los cambios morfológicos que sufren cuando se le aplica el ciclo térmico de soldadura. Estos cambios son notables por la predicción de la microestructura, por las características de la zona afectada por el calor y por la evolución de la microestructura en la zona de fusión (Alpízar 2003; Ricaurte, Aguirre & Parra 2007).
Generalmente, las bajas temperaturas de transformación promueven una fina precipitación de la fase ferrita, debido a que se incrementa la nucleación de esta y la velocidad de crecimiento de grano disminuye en función del decremento de la temperatura de transformación, por lo tanto, la ferrita de grano fino es producida a bajas temperaturas de transformación.
Cuando la nucleación de la fase ferrita toma lugar en los bordes de grano de la fase austenita, la transformación de austenita a ferrita es facilitada al incrementarse las áreas de los bordes de grano de la fase austenita (Babakr et al. 2008).
Los cambios microestructurales en el metal de soldadura suceden durante el enfriamiento; en condiciones de movimiento restringido, las zonas que se vieron durante la deformación plástica en caliente resultan cortas para ocupar los nuevos espacios alcanzados y aparecen entonces tensiones térmicas de tracción. Al alcanzarse la temperatura ambiente habrán quedado tensiones térmicas permanentes de tracción cuyo valor es del orden del límite de fluencia del material. Sin embargo, las microestructuras resultantes difieren de las transformaciones antes mencionadas debido al comportamiento no isotérmico de los procesos de soldadura (Fernández‐Columbié et al. 2014).
Los aceros inoxidables fundidos suelen ser divididos en dos grupos: los termorresistentes, pertenecientes a la serie H, y los resistentes a la corrosión, pertenecientes a la serie C. El 52 % del total de la producción mundial de aceros inoxidables son aceros austeníticos inoxidables al cromo-níquel (Mendoza-Bravo 2011). La selección de estos materiales para aplicaciones que requieran resistencia a la corrosión a altas temperaturas demanda de un conocimiento profundo sobre los mecanismos y la cinética de la formación de capas superficiales, su composición química, estructura y mecanismos de difusión. Estos factores, y otros que están estrechamente relacionados con las propiedades mecánicas y estructurales a altas temperaturas, permiten la adecuación del acero para usos específicos.
Importantes contribuciones al conocimiento de algunas de las regularidades manifestadas en roturas de componentes fabricados con aceros fundidos de la serie H realizó Ebert (1976). El autor se refiere a problemas de agrietamiento en tubos de hornos de pirólisis fabricados de la aleación A 351 grado HK 40 durante procesos de recuperación por soldadura a la intemperie y los efectos de las fases de carburos en la reducción de la ductilidad de la aleación a temperatura ambiente como consecuencia de la exposición de la aleación a elevadas temperaturas durante tiempos prolongados.
Velázquez y otros investigadores (2001) analizan la microestructura y propiedades de las aleaciones HH y HK-40 ante los procesos de carburación y nitruración en los rangos de temperaturas desde 750 °C hasta 1 000 °C. Sus estudios de la cinética y la termodinámica de las posibles reacciones en estas aleaciones precisan sobre la formación de carburos de cromo después de la carburización, mientras que la nitruración da lugar a la formación de nitruros de cromo. Aunque no se abordan problemas asociados al proceso de soldadura, los autores concluyen que una de las características fundamentales de la aleación AISI HK-40 es su elevada resistencia a las altas temperaturas.
La evolución microestructural de la zona afectada térmicamente (ZAT) en los aceros inoxidables depende de factores como la microestructura del metal base, la temperatura pico que se alcanza y las velocidades de calentamiento y enfriamiento. La Figura 1 esquematiza las diferentes regiones en la ZAT; en la zona supercrítica es donde ocurre el crecimiento de grano, por lo que es considerada como la región más frágil de la ZAT.

Generalmente, la microestructura resultante en la ZAT es diferente a la que presenta el metal base, pero muy parecidas a la del metal de soldadura en los aceros inoxidables. La ZAT se presenta en una región estrecha difícil de distinguir. La formación de la ZAT puede ser explicada en función de los ciclos térmicos y sobre la base de estos y de las temperaturas a las que estén expuestos puede dividirse en tres regiones (Kotecki y Lippold 2013).
Los parámetros estructurales relacionados con la tenacidad son el tamaño de grano de la ZAT y la fracción volumétrica de las islas de martensita-austenita, lo que se conoce como constituyente M–A (Martínez-Conesa et. al. 2010).
El objetivo de este trabajo fue establecer el comportamiento microestructural de una unión disímil de acero inoxidable austenítico AISI 321 y de la aleación A 351 grado HK 40 obtenida por fundición mediante soldadura manual por arco eléctrico y electrodos revestidos del tipo E 309 L-16.
2. MATERIALES Y MÉTODOS
2.1. Preparación de las muestras
Se prepararon dos cupones de AISI 321 y dos de la aleación A351 grado HK- 40 con bordes a 60º y dimensiones de 12 mm de espesor, 150 mm de ancho y 440 mm de longitud; el depósito de los cordones para la junta disímil se realizó en posición plana.
Seguidamente se puntearon las dos parejas de planchas y se le colocaron placas de los mismos materiales en los extremos; finalmente se procedió a la soldadura con electrodo revestido E 309 L-16, mediante soldadura manual por arco eléctrico (SMAW). La máquina de soldar empleada fue un transformador del tipo Miller, con una alimentación primaria (tensión) monofásica de 230 V y un consumo primario de intensidad máxima de 19-29 A. El diámetro del electrodo empleado fue de 3,2 mm.
2.2. Análisis microestructural
Consistió en la observación de una muestra patrón de los materiales empleados en el proceso de unión. El procedimiento para el análisis consistió en un conjunto de operaciones de corte, desbaste, pulido y ataque químico de las muestras. Se empleó un microscopio óptico binocular marca NOVEL, modelo NIM–100, dotado de una cámara fotográfica instalada mediante el hardware IMI.VIDEOCAPTURE.exe que refleja la fotografía en el computador.
Las microestructuras obtenidas se emplearon para establecer el comportamiento del material de las muestras después de efectuado el proceso de soldadura y determinar el comportamiento microestructural, tanto en la zona fundida (ZF) como en la zona de influencia térmica (ZIT), según fue establecido por Correa-Suárez y demás investigadores (2014).
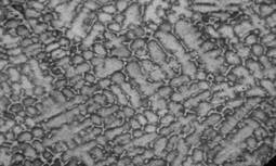
La microestructura de la Figura 2 se corresponde con la estructura del acero AISI 321, la cual está compuesta por una estructura completamente austenítica. La microestructura de la Figura 3 corresponde a la aleación A 351 grado HK 40 luego del proceso de austenizado, a una temperatura de 1 150 °C. Está compuesta por una estructura esquelética de carburos y segregaciones que se forman durante el proceso de solidificación, típico del acero austenítico A 351 grado HK 40.


2.3. Cálculo del ciclo térmico
El conocimiento del ciclo térmico permite determinar, en función de la energía aportada (heat input), los cambios microestructurales así como las tensiones residuales; condiciones necesarias para predecir la variación de la tenacidad.
- Intensidad de corriente
La intensidad de la corriente de soldadura depende del diámetro del electrodo, el espesor del material base, el tipo de revestimiento y la posición del cordón en el espacio. Factores que influyen en la magnitud de la intensidad y, según Alpízar (2003), se determina como (1):
(1)Donde:
- intensidad de corriente de soldadura, A;
- diámetro del electrodo, mm.
- Voltaje del arco eléctrico
La tensión de arco no influye significativamente en el ancho del cordón, pero determina notablemente en el refuerzo (forma cóncava o convexa del mismo), teniéndose soldaduras planas (con tensiones altas) y abultadas (con tensiones bajas), siempre en el rango de tener un arco estable. Este valor se estableció a través del registrado en el voltímetro de la máquina de soldadura Miller 250 durante el proceso.
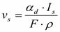
- Velocidad de soldadura
La velocidad de desplazamiento durante el soldeo debe ajustarse de tal forma que el arco adelante ligeramente el baño de fusión. Cuanto mayor es la velocidad de desplazamiento menor es la anchura del cordón, menor es el aporte térmico y más rápidamente se enfriará la soldadura. Si la velocidad es excesiva se producen mordeduras, se dificulta la retirada de la escoria y se favorece el atrapamiento de gases (produciéndose poros)(2).
(2)Donde:
- velocidad de soldadura, cm/min;
- coeficiente de aporte, g/A. h (≈ 10 %
);
- área de la sección del cordón, cm2;
- densidad del material fundido, g/cm3;
- Energía lineal del proceso de soldadura
Haciendo particular referencia a la soldadura por arco, se aprecia que en este proceso se emplea un arco voltaico para aplicar calor en una zona altamente localizada y producir la fusión de una pequeña zona de las piezas coincidentes con el arco y el extremo del electrodo. La energía, aporte térmico o calor aportado por una soldadura de arco eléctrico, queda determinada por la expresión (3):
(3)
- energía lineal, aporte térmico o calor aportado, J/m;
- rendimiento de la transferencia de calor de la fuente de energía, %.
La eficiencia (η) del proceso de soldadura SMAW oscila entre 0,7 a 0,85 (Muñoz 2009). A los efectos de los cálculos realizados se asumió una eficiencia de 0,65.
2.4. Cálculos numéricos para la soldadura por arco eléctrico
El cálculo de la longitud del charco de soldadura mostrará el radio efectivo de la distribución del calor y de su influencia en la zona afectada por el calor (Suárez 2013); se determina como (4):
(4)Donde:
- longitud del charco de soldadura, m;
- energía específica entrante, W;
- conductividad térmica, W/m K;
- temperatura crítica, K;
- temperatura inicial, K.
Para el cálculo de la energía específica entrante se emplea la siguiente ecuación (5):
(5)
Donde:
- energía de calórica en julio por metro lineal de soldadura, J/m;
- longitud a soldar, m.
- Velocidad de enfriamiento del cordón
Yu (2007) propone determinar la velocidad de enfriamiento del cordón a partir del parámetro adimensional espesor relativo de la placa, el cual permite determinar cuándo considerar un flujo en dos o tres dimensiones y del tipo de placa; su expresión matemática es (6):
(6)Donde:
- parámetro adimensional de espesor relativo de la placa;
- espesor de la placa, m;
- calor específico, J/kg K.
La velocidad de enfriamiento para una placa gruesa está dada por (7):
(7)El tiempo de enfriamiento del cordón se determina por la ecuación 8.
(8)3. RESULTADOS
3.1. Regímenes de soldadura
La tensión del arco necesaria para realizar el proceso de soldadura fue de 28 V, siendo esta magnitud permisible dentro de los parámetros SMAW, que es de 25 V a 35 V. La velocidad de soldadura determinada fue de 22,65 mm/s. El valor obtenido para la energía lineal es de 89,28 J/mm.
3.2. Análisis de los cálculos numéricos
Para una temperatura de fusión de 1 450 oC y una temperatura ambiente de 34 oC se tiene que la longitud de unión es de 0,44 m, por lo que el resultado de la energía entrante es de 39 283,2 W y la longitud del charco es de 270 mm.
El parámetro espesor relativo de la placa
es de 2,316. Se considera como espesor de placa gruesa. La velocidad de enfriamiento del cordón, a la cual solidifica la aleación AISI 321 con la aleación A 351 grado HK 40, es de 0,95 k/s, por lo que el tiempo de enfriamiento del cordón será de 39,25 min.
3.3. Análisis de las microestructuras de la soldadura disímil
Las microestructuras de las uniones soldadas disímiles con preparación de bordes 60° en la región de la ZAT, de la aleación del tipo AISI 321 y de la aleación A 351 grado HK-40, son mostradas en la Figura 4.

En las microestructuras analizadas se puede apreciar en la zona de interfase del depósito superior (microestructuras A; B; D y E) la formación de una estructura del tipo de ferrita en el límite de grano.
Esta ferrita, que se ha formado en el límite de grano entre la unión del acero HK 40 (C=0,45) y el acero AISI 321 (C=0,05), es relativamente estable y resiste la transformación de la austenita durante el enfriamiento de la soldadura, puesto que se enriquecen de los elementos formadores de ferrita.
La microestructura en la Figura 4 (A y B) exhibe ferrita a lo largo de los límites de subgranos de solidificación con la formación de una morfología de ferrita lathy y una solidificación austenita–ferrita (AF) se muestra en la Figura 4 (D y E). Se aprecia que debido a esta existe solidificación de austenita primaria, aunque la subestructura de solidificación es realmente aparente.
Las microestructucturas obtenidas en el depósito inferior (C y F) representan la formación de microestructuras de una matriz de ferrita con austenita en los límites de grano y placas de austenita Widmanstátten que nuclean en los límites de grano de la austenita o dentro de los granos de la ferrita.
La formación de las microestructuras obtenidas es debido a las velocidades de enfriamiento que fueron altas, producto del segundo depósito de soldadura en el lado opuesto de la preparación de la junta soldada con preparación de bordes a 60o; además por la relación Creq/Nieq que aumenta dentro del intervalo ferrita–austeníta (FA), provoca la formación de una morfología de ferrita conocida como listón (lathy). La morfología listón se forma en lugar de la morfología esqueleto, debido a la difusión durante la transformación de ferrita a austenita; este fenómeno fue analizado también por García (2012).
Cuando se reducen las distancias la difusión es más eficiente y la transformación resulta en listones firmemente espaciados, con ferrita residual que corta a través de la dendrita original o en dirección del crecimiento celular. En la región de grano grueso la ferrita proeutectoide nuclea en las juntas del grano austenítico y forma también agujas dirigidas hacia el interior de los granos grandes existentes. Por lo tanto, las propiedades mecánicas de la ZAT deben variar con respecto al acero base y se notará un cambio en la dureza y resistencia a la tensión, lo que fue reportado además por autores como Kotecki y Lippold (2013).
4. CONCLUSIONES
La zona afectada térmicamente se caracteriza por una estructura del tipo ferrita en el límite del grano. La estructura ferrita–austeníta, que se forma en la unión de un acero laminado AISI 321 y un acero A 351 grado HK 40, es resultado del elevado contenido de carbono que presenta esta última aleación.
La baja velocidad de enfriamiento del cordón de soldadura revela que no hay discontinuidades en el retículo cristalino de la ZAT, así como que se atenúa la formación de carburos de cromo del tipo Cr23C6 que pueden formar la aleación A 351 grado HK 40 durante la difusión del volumen de fracción en masa del cromo.
5. REFERENCIAS
Alpízar, E. 2003: Determinación de tecnologías de soldadura por arco eléctrico. Ed. Unversitaria. Universidad de Matanzas. Cuba.
Babakr, A. M.; Al-Ahmari, A.; Al-Jumayiah, K. & Habiby, F. 2008: Sigma Phase Formation and Embrittlement of Cast Iron-Chromium-Nickel (Fe-Cr-Ni) Alloys. Journal of Minerals & Materials Characterization & Engineering 7(2): 127-145.
Correa-Suárez, R.; Fernández, T.; Rodríguez, I. & Alcántara, D. 2014: Comportamiento microestructural de una aleación TI-6 AL-4 V empleada en pulpa lixiviada. Ingeniería Mecánica 17(1): 22-31.
Ebert, H. 1976: Fabrication of HK 40 in the Field. Welding Journal 55(11).
García, A. 2012: Crecimiento de grietas en uniones soldadas a tope de aceros disímiles ante cargas cíclicas. Alberto Velázquez del Rosario (Tutor). Tesis doctoral. Caracas, Venezuela.
Kotecki, D. J. & Lippold, J. 2013: Welding metallurgy and weldability of stainless steels. Journal of Materials Processing and Technology. Versión 1: 474-483.
Martínez-Conesa, E. J.; Estrems, M. Miguel, V. 2010: Desarrollo de un modelo matemático de diferencias finitas para el análisis del campo de temperaturas en la soldadura por arco de chapas finas de acero inoxidable. Revista Metalurgia 46(2): 511-519.
Mendoza-Bravo, I. 2011: Estudio de la unión soldada disímil de un acero inoxidable superduplex SAF 2507 con un acero HSLA API X-52. Tesis doctoral. Coauhtemoc Maldonado (Tutor). Morelia, México.
Fernández‐Columbié, T.; Rodríguez‐González, I.; Correa‐Suárez, R. & Alcántara‐Borges, D. 2014: Junta de soldadura disímil de la aleación HK- 40 y del hierro fundido 24. Ingeniería Mecánica 17(2): 98-107.
Ricaurte, O.; Aguirre, H. & Parra, H. 2007: Soldabilidad en aceros inoxidables y aceros disimiles. Scientia et Technica 13(34): 273-278.
Velázquez, A.; Mariño, M.; Alfonso, E. & Feliú, M. 2001: Comportamiento de las aleaciones termorresistentes AISI HH y HK-40 ante los procesos de carburización y nitruración. Minería & Geología 18(1): 83-87.
Yu, C. 2007: Corrosion behaviour of thermo hydrogen processed Ti–6 Al–4 V, Scripta Materialia 56(43).