Artículos
Proceso de unión del injerto de empalme en jitomate (Solanum lycopersicum L.)
Join process of splice graft in tomato(Solanum lycopersicum L.)
Proceso de unión del injerto de empalme en jitomate (Solanum lycopersicum L.)
Revista mexicana de ciencias agrícolas, vol. 8, núm. 5, 2017
Instituto Nacional de Investigaciones Forestales, Agrícolas y Pecuarias
Recepción: 15 Febrero 2017
Aprobación: 15 Mayo 2017
Resumen: La técnica de injerto en jitomate representa una alternativa sustentable para el control de enfermedades, para incrementar el vigor de planta, mejorar la calidad de fruto y rendimiento. Los primeros factores importantes en el proceso de injerto son la compatibilidad anatómica y el tiempo de establecimiento de la continuidad vascular entre los dos tejidos vegetales, este último determina el momento del trasplante. El objetivo del presente estudio fue evaluar el proceso de unión del injerto con el método de empalme en jitomate, mediante cortes anatómicos del punto de unión; así como, determinar el tiempo de desfasamiento en la siembra entre los genotipos ‘Multifort’ y ‘El Cid’ (portainjerto e injerto, respectivamente) para sincronizar el diámetro de tallo. Se sembraron 100 semillas de ambos genotipos, de esas plántulas se midieron los diámetros de tallo diariamente. Se tomaron muestras de tejido del punto de unión del injerto a los 5, 10 y 15 días después de la injertación (DDI), los cortes anatómicos fueron de 10 µm de espesor obtenidos con un microtomo rotatorio. Los resultados indicaron, que se requiere sembrar el injerto o púa, dos días antes que el portainjerto para homogenizar el diámetro de tallo a 2 mm (ideal para injertar). En las imágenes de los cortes anatómicos se encontró que a los 5 DDI la línea de demarcación comenzó a reabsorberse y al mismo tiempo dio inicio la formación de nuevo tejido de conducción (xilema y floema), la completa conexión vascular se llevó a cabo a los 10 DDI.
Palabras clave: Solanum lycopersicum L., continuidad vascular, portainjerto/injerto.
Abstract : The tomato grafting technique represents a sustainable alternative for disease control, increasing plant vigor, improving fruit quality and yield. The first important factors in the grafting process are the anatomical compatibility and the time of establishment of vascular continuity between the two plant tissues, the latter determining the moment of transplantation. The objective of this paper was to evaluate the process of graft joining with the splicing method in tomato, by means of anatomical cuts in the attachment point; as well as to determine the time of planting time between the ‘Multifort’ and ‘El Cid’ genotypes (rootstock and graft, respectively) to synchronize the stem diameter. 100 seeds of both genotypes were sown, from these seedlings the stem diameters were measured daily. Tissue samples were taken from the graft attachment site at 5, 10 and 15 days after grafting (DDI), anatomical sections were 10 μm thick obtained with a rotary microtome. The results indicated that it is necessary to plant the graft or spike two days before the rootstock to in order to homogenize the stem diameter to 2 mm (ideal for grafting). In the images of the anatomical sections it was found that at 5 DDI the demarcation line began to be reabsorbed and at the same time the formation of new conduction tissue (xylem and phloem) began, the complete vascular connection was carried out at the 10 DDI.
Keywords: Solanum lycopersicum L., rootstock/graft, vascular continuity.
Introducción
El uso de plántulas injertadas en la producción de hortalizas es una técnica nueva, comparada con su uso en especies frutales. En los últimos años ha tomado importancia en el control de factores estresante en la producción de jitomate (S. lycopersicum L.), pimiento (Capsicum annuum L.), sandía (Citrullus lanatus Thunb) y melón (Cucumis melo L.) (Fernández et al., 2004; Goto et al., 2013). Para promover el crecimiento, mejorar características agronómicas e incrementar la tolerancia y resistencia a factores bióticos y abióticos (Colla et al., 2006; Colla et al, 2010; Vitale et al., 2014; Edelstein y Ben-Hur, 2015; Velasco et al, 2016). Sin embargo, para obtener al máximo los beneficios del uso de plántulas injertadas es necesario el estudio de la interacción portainjerto/injerto; tales como la compatibilidad anatómica para determinar el tiempo de prendimiento y nivel del establecimiento vascular, además de conocer el efecto sobre el vigor de la planta que es expresado a través de las variaciones en el crecimiento, rendimiento y calidad de fruto (Teruo y Hiromichi, 1994).
La evaluación sobre el prendimiento del injerto en hortalizas permite conocer el tiempo necesario para el restablecimiento vascular y realizar el trasplante, lo ideal es que este evento sea rápido, pues una vez dada la continuidad vascular se inicia la conducción de agua, nutrimentos y sustancias orgánicas entre materiales, así la nueva planta puede reanudar su crecimiento y desarrollo (Turquois y Malone, 1996). Este proceso es complejo y consiste primero en la formación de tejido de callo seguido del restablecimiento de un sistema vascular funcional (Fernández et al., 2004). Se ha mejorado el porcentaje de prendimiento de plántulas injertadas en hortalizas, mediante el conocimiento de las condiciones ambientales ideales en la fase postinjerto como son la temperatura, humedad relativa y luminosidad; factores que favorecen la división celular y la rápida formación de callo. También el uso de clips especiales para la sujeción del punto de unión mejora el éxito del prendimiento y facilita el trabajo (Lee y Oda, 2003).
Los portainjertos comerciales de jitomate, en la mayoría de los casos, tienen un crecimiento de las plántulas más rápido que las del injerto o púa; producto del efecto heterótico de la cruza entre un pariente silvestre del jitomate con una línea del cultivado; por lo que es necesario homogenizar el diámetro de tallo, mediante la siembra anticipada del genotipo que funciona como injerto; ya que al tener tallos con diámetros parecidos es más fácil hacer coincidir las partes cortadas, de tal manera que, una porción considerable de las regiones cambiales queden en contacto y se dé la cohesión entre portainjerto/injerto (Andrews y Márquez, 1993; Hartmann et al., 2002), consecuentemente mayor éxito en el prendimiento. Obtener diámetro de tallo similares al momento de injertar es indispensable cuando el proceso de injerto se realiza de manera mecanizada con el uso de robots (Kubota et al., 2008). Con el propósito de investigar y generar información sobre las nuevas técnicas de producción del jitomate, como lo es el injerto, el presente estudio tuvo como objetivo determinar el tiempo de desfasamiento de la siembra entre el portainjerto e injerto y describir el proceso de unión con el método de empalme en jitomate, mediante cortes anatómicos, para determinar el tiempo del restablecimiento vascular, que indica el momento ideal del trasplante.
Materiales y métodos
La investigación se realizó en un invernadero con cubierta de polietileno (calibre 600; 80% de transmisión de luz), tipo túnel con ventila cenital ubicado en la Universidad Autónoma Chapingo (19° 29’ latitud norte, 98° 53’ longitud oeste a 2 240 msnm), en el ciclo primavera-verano de 2013. Dentro del cual se construyó una cámara de prendimiento con polietileno (calibre 600, 4 m de largo x 3 m de ancho x 2 m de altura), en el interior se colocaron ocho microaspersores (gasto de 0.00833 L s-1). Se tuvieron las siguientes condiciones durante el día: temperatura promedio de 25 °C, HR de 80 a 100% y densidad de flujo fotónico de 111 µmol m-2 s-1. La frecuencia de aspersión se disminuyó gradualmente, los primeros tres días después de la injertación (DDI) los microaspersores se accionaron 1 s/min; los siguientes 3 días, 1 s/3 min y finalmente 1 s/8 min.
El portainjerto fue el híbrido interespecífico ‘Multifort’ (Solanum lycopersicum x S. habrochaites) recomendado para cultivo sin suelo y ciclo corto, el cual tiene alta productividad y equilibrio entre crecimiento vegetativo y reproductivo (De Ruiter SeedTM), además es uno de los portainjertos más utilizados en la actualidad en la producción de tomate injertado. Como injerto se utilizó el híbrido comercial ‘El Cid’, de frutos tipo saladette y hábito de crecimiento indeterminado (Harris MoranTM), un material popular en la producción de tomate bajo invernadero.
Para la sincronización del diámetro de tallo en plántulas del portainjerto e injerto, se sembró el mismo día 100 semillas de cada genotipo, en charolas de poliestireno de 200 cavidades con peat moss (®Kekkila, Finlandia) como sustrato. Una vez emergidas las plántulas se midió diariamente el diámetro de tallo durante 23 días con un vernier digital (Mitutoyo®, In/mm profesional), conjuntamente se registró la temperatura mínima y máxima, dando un total de 427 unidades calor. Para la fertilización se utilizó la solución nutritiva universal de Steiner al 20% (Steiner, 1984), comenzó la aplicación 8 días después de la emergencia. Con los datos se realizó un análisis de regresión lineal simple con el objeto de hacer inferencia acerca del comportamiento de los datos de diámetro de tallo, con este análisis se obtuvieron los modelo matemático para el conjunto de datos de cada genotipo, la variable independiente fue número de días y la dependiente el diámetro de tallo (mm). Los términos de los modelos fueron Yi = β1Xi + ei, donde Yi es el i-ésimo valor de la variable dependiente, Xi el i-ésimo valor de la variable independiente, β1 la pendiente de la recta y ei el i-ésimo valor aleatorio.
Una vez realizada la sincronización del diámetro de tallo, se sembraron 80 semillas de cada genotipo (‘Multifort’/‘El Cid’), el portainjerto fue sembrado dos días después que el injerto para obtener diámetros iguales en los genotipos. Los injertos se realizaron a los 26 días después de la siembra con el método de empalme (Lee, 1994), momento en el que las plántulas alcanzaron 9 cm de altura y 2 mm de diámetro de tallo, para la sujeción del punto de unión del injerto se emplearon pinzas especiales de silicón de 2 mm de ancho.
La fase postinjertación tuvo una duración de 15 días, durante el cual se realizaron muestreos a los 5, 10 y 15 DDI. Cada uno de estos consistió en muestrear el punto de unión de 10 plántulas injertadas, cortando 2 mm por arriba y por abajo del punto de unión. Los cuales se fijaron en FAA (50% de etanol al 96% + 5% de ácido acético glacial + 10% de formaldehído + 35% agua destilada). La deshidratación se realizó con etanol (50, 70, 96 y 100%) y la transparentación con xileno al 100%, utilizando un procesador automático (Histokinette 2000). La inclusión se hizo en parafina y se cortó el tejido en un microtomo rotatorio marca Leica® (Jung Histocut 820), haciendo cortes de 10 µm de espesor. La tinción se hizo con safranina y fast green. Las fotografías se tomaron en un microscopio óptico Carl Zeiss con cámara digital Canon® adaptada al microscopio.
Resultados y discusión
De acuerdo con los modelos de la regresión lineal (Figura 1), el diámetro de tallo del portainjerto ‘Multifort’ creció 0.0655 mm día-1 y el injerto o púa ‘El Cid’ creció 0.0593 mm día-1. El diámetro de tallo ideal para el proceso de injerto en jitomate es de 2 mm, generalmente se obtiene a los 30 días después de la siembra (Lee et al., 2010). Considerando esta recomendación y sustituyendo el valor de 2 mm en los modelos, queda de la siguiente manera:
Portainjerto ‘Multifort’
Injerto ‘El Cid’

Por lo tanto, la diferencia de días en la siembra es de 25.3- 23.5= 1.8 días. Es decir, para obtener 2 mm de diámetro en ambos componentes para el injerto, se requiere sembrar aproximadamente dos días antes el genotipo como injerto ‘El Cid’ del portainjerto ‘Multifort’. Esto permitió mayor superficie de contacto entre portainjerto/injerto, mayor coincidencia de las partes cambiales, rápida cohesión entre ambos tejidos y formación de tejido de callo, estas son las consideración iniciales en el proceso de injerto (Hartmann et al., 2002; Pina y Errea, 2005).
En jitomate la cohesión entre el portainjerto e injerto, como primer evento del prendimiento, está relacionado con la secreción de sustancias pécticas, que proporciona soporte mecánico inicial en el punto de unión (Jeffree y Yoeman, 1983; Parkinson et al., 1987). En la Figura 2a se observa la acumulación de estas sustancias y los restos de las células muertas ocasionadas por el corte, formando una línea de demarcación en la zona de unión, la tinción con fast green muestra una región más intensa.

Conforme se va desarrollando el callo, la capa necrótica se reabsorbe gradualmente. En los cortes obtenidos se observa la reabsorción de la línea de demarcación en la inter fase a los 5 DDI, incluso en el corte longitudinal (Figura 2b) se observa que la línea de demarcación se ha reabsorbido en 50%, se aprecia al mismo tiempo el entrelazamiento de las células del porta injerto/injerto, debido al aumento en tamaño de las nuevas células del callo, esto confiere mayor resistencia mecánica en el punto de unión. En injertos de especies frutícolas la reabsorción de la línea de demarcación comienza entre dos y tres semanas después de la injertación (Parkinson et al., 1987). Oda (2002) reportó en injertos de chícharo (Pisum sativum) la reabsorción de la línea de demarcación a los cuatro DDI.
En el presente trabajo, se observó que a los 5 DDI el punto de unión aún no se encuentra totalmente lleno, iniciando del centro hacia las periferias (Figura 2a y 2b). Sin embargo, se observó el inició de la formación del nuevo tejido vascular. Lo cual coincide con lo reportado por Lee et al., (2016), quienes encontraron una funcionalidad de 50% del tejido vascular a los 5 DDI. Por su parte, Hartmann et al., 2002, indicaron que la formación del tejido de callo se da en ambos materiales (porta injerto/injerto), llenando el espacio de la inter fase y a partir de estas células parenquimáticas comienza la formación del nuevo tejido vascular.
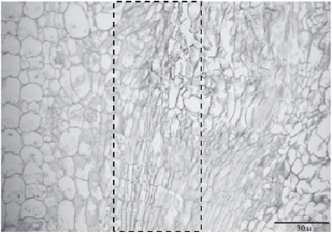
A 10 DDI, aun cuando la línea de unión estaba presente, fue notoria la rediferenciación vascular, estableciéndose la continuidad de los elementos del xilema entre portainjerto/injerto (Figura 3a y 3b). Turquois y Malone (1996) encontraron aumento en la conexión hidráulica a 5 DDI, en otros injertos herbáceos, como el que reportó Oda (2002) en chícharo, la conexión del xilema ocurrió a 7 DDI y del floema 8 DDI.

En la Figura 3a se puede observar la continuidad vascular, haciéndose notar que en la inter fase porta injerto/injerto los elementos del xilema se orientaron de manera oblicua. A partir de este momento el injerto estaba totalmente cicatrizado y por lo tanto, la planta era funcional. Lo cual difiere con lo reportado por Fernández-García et al. (2004), quienes reportaron que una plántula de jitomate injertada es totalmente funcional a los 15 DDI. En injertos de sandía (Citrullus lanatus), Yang et al., (2016) reportaron la completa conexión a los 11 DDI.
A 10 DDI se observó una conexión más avanzada del tejido vascular, con plántulas capaces de sobrevivir sin las condiciones de la cámara de prendimiento; momento en que fue retirada la pinza de sujeción. En la Figura 3b se presenta la continuidad vascular en la región de unión, también se aprecian a los lados, restos de la línea de demarcación. Lindsay et al. (1974) dividió el desarrollo de la continuidad vascular en injertos de jitomate en dos fases: primera (4 DDI), intensa actividad celular y aumento del número de traqueidas en el xilema y segunda (7 DDI), la diferenciación de las traqueidas formadas en la primera fase. En injertos de otras solanácea como el pimiento (Capsicum annuum L.), Chang et al. (2012) reportaron el establecimiento vascular a los 14 DDI, tiempo requerido para realizar el trasplante. En el presente trabajo a 15 DDI la conexión vascular se observó totalmente desarrollada (Figura 4). Esto significa que el trasplante puede realizarse a partir de los 10 ó 15 DDI, sin riesgo de deshidratación o desprendimiento de los tejidos. Este proceso del restablecimiento vascular es influenciado en gran medida por la luminosidad en el periodo postinjerto (Lee et al., 2016) y la temperatura nocturna en esta misma fase (Yang et al., 2016)

Conclusiones
Para la combinación Multifort/El Cid se requiere sembrar dos días antes el injerto, para homogenizar el diámetro de tallo, se requiere realizar la sincronización del grosor del tallo entre portainjertos/injerto para cada combinación asar y mejorar el éxito en el prendimiento.
Después de 5 días de realizado el injerto se observó el entrelazamiento de las nuevas células del callo entre porta injerto/injerto, al mismo tiempo también se vislumbró el inicio de la reabsorción de la línea de demarcación en el punto de unión, junto con ello se identificó el inicio de la continuidad vascular, aún con funcionalidad limitada. La completa conexión del tejido vascular se obtuvo 10 DDI, siendo también éste el momento en el que las plantas fueron capaces de sobrevivir sin las condiciones de la cámara de prendimiento, lo cual indica también, el momento en el que se puede realizar el trasplante. Los resultados de este trabajo proveen información sobre la técnica de injerto en jitomate, así como instrucciones elementales para el éxito en la obtención de plántulas injertadas de jitomate.
Literatura citada
Andrews, K. P. and Marquez, C. S. 1993. Graft incompatibility. Horticultural reviews. John Wiley and Sons Inc. 15:467.
Chang, Y. C.; Chen, S.; Chiu, Y. C.; Lin, L. H. and Chang, Y. S. 2012. Growth and union acclimation process of sweet pepper grafted by a tubing-grafting robotic system. Hort. Environ. Biotechnol. 53(2):93-101.
Colla, G.; Rouphael, Y. and Cardarelli, M. 2006. Effect of salinity on yield, fruit quality, leaf gas exchange, and mineral composition of grafted watermelon plants. Hortsci. 41:622-627.
Colla, G.; Rouphael, Y.; Leonardi, C. and Bie, Z. 2010. Role of grafting in vegetable crops grown under saline conditions. Sci. Hortic. 127:147-155.
Edelstein, M. and Ben, H. M. 2015. Grafting: a useful tool to increase tolerance to toxic elements in vegetables under arid and semiarid conditions. Acta Hortic. 1086:133-140.
Fernández, G. N.; Carvajal, M. and Olmos, E. 2004. Graft union formation in tomato plants: peroxidase and catalse involvement. Ann. Bot. 93:50-60.
Goto, R.; de Miguel, A.; Marsal, J. I.; Gorbe, E. and Calatayud, A. 2013. Effect of different rootstocks on growth, chlorophyll a fluorescence and mineral composition of two grafted scions of tomato. J. Plant Nutr. 36:825-835.
Hartmann, H. T.; Kester, D. E.; Davies, F. T. and Geneve, R. L. 2002. Plant propagation. Principles and practices, seventh ed. Prentice Hall, Upper Saddle River, NJ. 849 p.
Jeffree, C. E. and Yoeman, M. M. 1983. Development of intercellular connections between apposing cells in a graft union. New Phytol. 93:491-509.
Kubota, C. M.; McClure, N.; Kokalis, B. M. G. and Rosskopf, E. N. 2008. Vegetable grafting: history, use, and current technology status in North America. HortScience. 43(6):1664-1669.
Lee, J. 1994. Cultivation of grafted vegetables I. Current status, grafting methods, and benefits. HortScience. 29(4):235-239.
Lee, J. M. and Oda, M. 2003. Grafting of herbaceous vegetable and ornamental crops. In: horticultural reviews. John Wiley & Sons. USA, New York. 28:478 p.
Lee, K. M.; Lim, C. S.; Muneer, S. and Jeong, B. R. 2016. Functional vascular connections and light quality effects on tomato grafted unions. Scientia Hortic. 201:306-317.
Lindsay, D. W.; Yeoman, M. M. and Brown, R. 1974. An analysis of the development of the graft union in Lycopersicon esculentum. Ann. Bot. 38:639-646.
Oda, M. 2002. Grafting of vegetable crops. Sci. Rep. Agr. Biol. Sci. Osaka Pref. Univ. 54:49-72.
Parkinson, M.; Jeffree, C. E. and Yoeman, M. M. 1987. Incompatibility in cultured explant-grafts between members of the solanaceae. New Phytol. 107:489-498.
Pina, A. and Errea, P. 2005. A review of new advances in mechanism of graft compatibility-incompatibility. Scientia Hortic. 106:1-11.
Steiner, A. A. 1984. The universal nutrient solution. In: Proc. Sixth International Congress on Soilles Culture. International Soc. Soilless Culture . The Netherlands. 633-647 pp.
Teruo, M. and Hiromichi, H. 1994. Mineral contents in melon plants (Cucumis melo L. cv. ‘Prince’) and fruit quality influenced by grafting on squash root stocks and calcium applications in soil. Environ. Contr. Biol. 32:119-123.
Turquois, N. and Malone, M. 1996. Non-destructive assessment of developing hydraulic connections in the graft union of tomato. J. Exper. Bot. 47:701-707.
Velasco, A. M. J.; Castro, B. R.; Castillo, G. A. M.; Avitia, G. E.; Sahagún, C. J. y Lobato, O. R. 2016. Composición mineral, biomasa y rendimiento en tomate injertado. Interciencia. 41:703-708.
Yang, X.; Hu, X.; Zhang, M.; Jinhu, X.; Ren, R.; Liu, G.; Yao, X. and Chen, X. 2016. Effect of low night temperature on graft union formation in watermelon grafted onto bottle gourd rootstock. Scientia Hortic. 212:29-34.
Vitale, A.; Rocco, M.; Arena, S.; Giuffrida, F.; Cassaniti, C.; Scaloni A.; Lomaglio, T.; Guarnaccia, V.; Polizzi, G.; Marra M. and Leonardi, C. 2014. Tomato susceptibility to Fusarium crown and root rot: effect of grafting combination and proteomic analysis of tolerance expression in the rootstock. Plant Physiol. Biochem. 83:207-216.
Notas de autor
§Autor para correspondencia: rcbrindis@gmail.com.