Engenharia Civil
Transient dynamic analysis of the high-specific-strength steel jacket with extreme wave and vessel impact load
Análise dinâmica transitória da plataforma de alta resistência com onda marítima e carga de impacto de embarcação
Transient dynamic analysis of the high-specific-strength steel jacket with extreme wave and vessel impact load
Acta Scientiarum. Technology, vol. 40, 2018
Universidade Estadual de Maringá

Received: 09 April 2017
Accepted: 14 September 2017
Abstract: Fixed offshore jackets are principal substructures widely used in offshore industries. An accurate consideration in finding an advantageous alternative to traditional steel material in the construction of this essential structure could be very efficient. The focus of this study is to simplify the construction procedures and to increase the serviceability life of the offshore jacket. To this aim, as a new low-cost material, high-specific-strength steel has been considered. With using ANSYS software, transient dynamic analysis has been implemented on two hypothesized three-legged jackets located in the Persian Gulf region. It is assumed that the modeled jackets are made of traditional steel and high-specific-strength steel material. The effects of an extreme wave load and a supply vessel impact load have been considered for the structural analysis. It has been shown that structural performances of the high-specific-strength steel jacket under the effects of the mentioned loads, are better compared to the traditional steel jacket.
Keywords: offshore, substructure, fatigue, low-cost material, ANSYS.
Resumo: Plataformas fixas são as principais subestruturas usadas em industrias marítimas. Uma procura precisa em encontrar alternativas vantajosas para o aço tradicional nas construções dessas estruturas poderia ser de extrema eficácia. O foco deste estudo é simplificar os procedimentos de construção e aumentar a manutenção das plataformas. Para este objetivo, um novo material de baixo custo e com alta resistência foi considerado. Usando o software ANSYS, a análise dinâmica foi implementada em duas hipotéticas plataformas de três pernas, localizadas no Golfo Pérsico. É suposto que os modelos das plataformas são feitos de aço tradicional e do aço de alta resistência. Os efeitos de impactos de ondas e de embarcações foram considerados para a análise estrutural. Foi demonstrado que os desempenhos da plataforma de alta resistência na questão dos efeitos dos impactos foram melhores em comparação com as plataformas tradicionais.
Palavras-chave: Plataforma, subestrutura, fadiga, material de baixo custo, ANSYS.
Introduction
Fixed offshore jackets are the main substructures of offshore platforms largely used in the oil and gas industries. They are usually installed in 30 to 200 m of water depth (Ghassemizadeh, Baghdar, & Olia, 2015). In addition, jackets in the offshore wind industry are used as a substructure for offshore wind turbines (Kolios, Rodriguez-Tsouroukdissian, & Salonitis, 2016). Economic regards are likely to restrict their deployment to water depth ranging from 30 to 80 m (Shi et al., 2013). Generally, conventional offshore jackets consist of tubular members with four steel legs but also three-legged concept is widely used in the marine industries (Chew, Ng, Tai, Muskulus, & Zwick, 2014). Three-legged and four-legged jackets are shown in Figure 1.
Jackets are usually subjected to intricate environmental loading such as waves, sea currents and wind. According to American Petroleum Institute (API, 2000) standard, Sea waves are the most important environmental forces, which affect offshore structures. Due to the importance of storm loading conditions, the study of extreme wave loads is very important. As a matter of fact, in recent years, various studies have been performed to assess marine structures subjected to extreme waves such as Raija and Gudmestad (2007), Hezarjaribi, Bahaari, Bagheri, and Ebrahimian (2013) and Kim and Lee (2015). The main goal of evaluation of structures under extreme waves, as a part of fluid structure interaction, is to ensure that they can resist storm loading to determine the structural fatigue and eventually the serviceability life of the offshore structures (Dastandiznab, Mohajernassab, Seif, Tabeshpour, & Mehdigholi, 2014). It should be noted that although several studies have been carried out to estimate the wave forces on structures, unfortunately a computational method with a complete consensus is not yet provided. In this research, the fifth order Stokes wave theory is considered. The theory is developed for an extensive practical use for waves in intermediate and deep water depth (Kazemi Daliri & Naimi, 2016). The theory has also demonstrated to succeed in define realistic wave profiles and it is commonly utilized in the design process to determine the wave loads on marine structures (Patel, 1989).

In addition to being subjected to complex environmental forces, jackets are also exposed to collision impact from accidental actions caused by supply vessels operating around them; which is one of the major risks to the jacket’s safety. During the impact, the kinetic energy of the striking vessel is affecting the structure. About the energy amount stated for the collision assessment, this is resulted from impact speed and vessel dimension. Presently, collision cases regarding supply vessels are predicted for vessel sizes up to 5000 ton and also for impact velocities ranging from 0.5 to 2 m s-1 (Travanca & Hao, 2015). This kind of impact is likely to create drastic structural damage, diminishing the load bearing capability of the jacket and affecting the integrity of the entire structure (Li, Hu, & Jiang, 2013). To this aim, in the current investigation, a jacket structure exposed to extreme wave load and vessel impact load is considered.
As it is mentioned before, jackets play an important role in different offshore oil and gas, or offshore wind applications. A careful consideration of steel material properties in terms of strength, weight, and corrosion resistance, could be really efficient in optimization of the structural analysis and design. To this end, over time, different studies have been conducted as alternatives to traditional steel in the offshore structures such as Fryett (2004), Tao, Han, and Zhao (2004) and Zhou, Zhang, Jia, and Liu (2015).
Recently, a team of material scientists from Pohang University of Science and Technology in South Korea, have discovered a method to produce a new type of low-cost steel (1/10th of the cost) with flexibility, high strength, lightweight and good corrosion resistance respect to traditional steel, named as the High-Specific-Strength Steel (HSSS). The researchers create novel structure shapes to be molded over the heating procedure and also with the use of the proper blend of components. They used the conventional mix of carbon, iron, aluminum and manganese and then included a small amount of nickel. The nickel, reacted along with the aluminum, starts to create crystalline structures called B2. As shown in Figure 2, nanometer sized B2 crystals are formed between the steel grains throughout the annealing procedure. To ensure that the crystals were spread equally between the metal, the researchers examined samples under a Scanning Electron Microscope (SEM). B2 crystals are refractory to shearing therefore it is expectable for this kind of steel to be notably strong (Kim, Kim, & Kim, 2015; Herkewitz, 2015).
In this study, ANSYS software (Naimi, Celikag, & Hedayat, 2013) is used to develop two assumed jacket structures made of HSSS, as a new material, and also made of traditional steel. In the new HSSS jacket, the members’ diameters (Ds) of tubular members were reduced with the aim of decreasing the effect of the fluid force fluctuation that may especially result in Vortex-Induced Vibrations (VIVs) on tubular members. VIVs are the main cause of fatigue damages in cylindrical bodies. The VIVs created are affected by the cylindrical member diameter (Wang, Li, & Xu, 2015). Therefore, any decrease in diameter could be effective in the reduction of VIVs.

In addition, with the reduction of Ds, the total structural weight is being reduced. By decreasing the structural weight in marine operations, after fabrication of the jacket, all operational procedures related to completing the offshore jacket construction become simpler. Operational procedures include the loading out stage from a fabrication yard onto a barge, the towing of the jacket to the designated installation site in the sea, then the launching phase and finally the jacket installation stage which is up-ending the jacket into an upright position and fixing it (Patel, 1989). According to the dynamic nature of sea waves and impact loads, transient dynamic analysis has been implemented as a reliable technique for the structural performance comparison of traditional steel jacket and HSSS jacket under the effect of extreme wave and vessel impact load. For this purpose, in this investigation, structural and load details of the assumed mentioned jackets have been explained. Furthermore, transient dynamic analysis of the traditional steel jacket and the HSSS jacket are performed to compare axial stresses, maximum displacements, maximum reaction forces and maximum lateral moments of the structures. Finally, the results have been assessed.
Genereal structural and load specifications
The offshore jacket hypothesized for the analysis is a three-legged tubular steel template structure located in the Persian Gulf region. As shown in Figure 3, the depth of the seawater is assumed to be 78.90 m. The jacket is extending vertically from the seabed to 4.66 m above the Mean Sea Level (MSL). Six Elevations (ELs) for the structure have been considered.
As previously mentioned, offshore jackets are made of tubular members. According to properties of traditional steel and HSSS (Kim et al., 2015) (see Table 1), Ds hypothesized in the software modeling are presented in Table 2 for jacket legs, horizontal and diagonal braces. It should be noted that Ds of HSSS jacket have been reduced approximately up to 17% with respect to members of traditional steel jacket. As a result, the total structural weight has been reduced from 384.79 tons (for traditional steel jacket) to 276.28 tons (for HSSS jacket). It means 28.19% of structural weight was reduced.



Extreme wave load specification
As it is mentioned before, due to the importance of extreme loading conditions for analysis and design of marine structures, for transient dynamic analysis, extreme sea wave specification has been extracted according to the metocean design criteria of the Persian Gulf region (Metocean Design Criteria [MDC], 2008). It is assumed to be an extreme wave that affects the mentioned jackets with return period of 100 years. The wave height (H) is 12.2 m and the wave period (T) is 11 s.
Extreme wave forces on offshore structures have been analyzed very often, especially for tubular elements and also in calculating the wave-induced force as a horizontal force per unit length on a vertical member. There are different methods for calculating the wave forces. The most common methods are the Morison equation and the Diffraction theory. The computation of the force exerted by waves on a tubular object depends on the ratio of the wavelength (L) to the member diameter. When this ratio Exceeds 5 (Moe, 1998), the member does not significantly modify the incident wave and the Morison equation is applicable, therefore the Diffraction theory is not advisable. To define which method to use in the analysis, the wave period (T = 11 s) has been used and the wavelength has been calculated by trial and error with the following Equation 1 (Sorensen, 2006):
(1)In Equation 1, g represents the acceleration of gravity (9.81 m s2-1), d is the water depth (78.90 m) and π = 3.14. According to Equation 1, L is equal to 187.12 m or 7367 inches. As shown in Table 3, for all members of the jackets, the ratio of L to D is very large, therefore the Morison equation is applicable for the analysis.

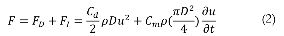
Morison equation (Sorensen, 2006) consists of a drag and an inertia term that can be written as Equation 2:
(2)where:
F is the total wave force, FD and FI are respectively the drag and inertia force (N m-2), ρ is the fluid density that has been considered 1025 kg m-3 for seawater, D is the element diameter (m), u and ∂u/∂t are respectively the horizontal water particle velocity (m) and acceleration (m s-2) at the axis of the element. The drag coefficient (Cd) and inertia coefficients (Cm) are respectively 1.05 and 1.20 that have been selected from API (2000) standard with considering the effects of marine growths on drag and inertia coefficients, because in the sea, structures may quickly get covered with marine growths.
Vessel impact load specification
As aforementioned earlier, jackets are usually under risk because of accidental impact by supply vessels operating around them. For transient dynamic analysis, it has been assumed a side-on impact of a supply vessel (see Figure 4) with Leg A in EL (-) 7 m (see Figure 3) of the mentioned jackets. About the characteristics of the supply vessel, the Deadweight Tonnage (DWT), the length, the beam (the overall width) and the deck area, are respectively 1600 tons, 61 m, 14 m and 390 m2 (Damen Shipyards Group [DSG], 2016).

For transient dynamic analysis, to calculate the vessel impact force exerted on the jacket, the following formula (Gluver & Olsen, 1998) has been utilized Equation 3:
(3)In equation 3, P is the vessel impact load (MN) and v is the vessel impact speed (knots) that is assumed to be 2 knots or 1.02 m s-1. Therefore, according to the mentioned assumptions, P is equal to 4.90 MN.
Modeling and analysis
Modeling and analysis of the two assumed fixed offshore jackets made with traditional steel and HSSS, has been developed with ANSYS software. Element type utilized for modeling in the software is PIPE 59 as the best option to consider in the simulation of sea conditions. PIPE 59 is a uniaxial member with tension-compression, torsion bending and deflection capabilities. Also the element loads include the hydrodynamic and buoyancy effects of water and the element mass includes the added mass of the water and the pipe internals (Kazemi Daliri & Naimi, 2016). As previously mentioned, transient dynamic analysis is a trustworthy method in the study of structure performances under the effect of dynamic loads that in this study these loads are extreme sea wave and vessel impact load. It should be noted that for the analysis, accurate estimating of wave-induced damping plays a critical role in the design of offshore platforms. Hence, the damping coefficient (ξ), including 2% hydrodynamic damping and 3% structural damping, for the total of 5%, has been considered (Asgarian & Ajamy, 2010) Moreover, in this modeling, to get closer to the real conditions, the weight of the topside on the top of the jacket substructure has been considered. Usually the topside could be a deck structure in the case of an offshore platform or could be a turbine structure in the case of an offshore wind turbine. In this investigation, a deck structure with the total weight of 310 tons has been considered as a topside structure.
Results of the analysis with extreme wave load
The extreme wave-loading scenario was defined as a situation in which the loading time of the wave is assumed to be 100 s. After transient dynamic analysis, the axial stress contours for traditional steel jacket and HSSS jacket members are presented in Figure 5.
As shown in Figure 5, the dominant axial stress values for traditional steel material range from the light blue zone (B = -3860 kPa) to the blue phosphor zone (D = 5190 kPa). Also, the dominant axial stress values for HSSS material range from B = -5010 to D = 6810 kPa. In both cases, the dominant axial stress values are far from the maximum stress zone (values ranges from the orange (H) zone to the red (I) zone). It should be noted that stress values are positive in tension and negative in compression. Moreover, According to Figure 5, the elements with Maximum Displacement (MD) for traditional steel jacket and HSSS jacket are respectively the elements with 0.01 m and 0.03 m of displacement.
In this study, the maximum reaction forces created under the effect of the extreme wave on top of the legs A, B and C (see Figure 3) of the traditional steel and HSSS jackets, have been considered as an important issue. It is important because reactions from the jacket substructure to the topside structure could be really crucial in evaluating the structural performances and the fatigue life of the structure. Hence, the time domain charts for the reaction forces for HSSS jacket are presented in Figure 6. All dimensions in the time domain charts for the reaction forces and for the loading time are presented respectively in Newton and Second.
Analysis results for traditional steel jacket and HSSS jacket under the effect of extreme wave load are presented in Table 4.

Results and discussion
The vessel impact loading scenario was determined as a status in which the impact loading time of the supply vessel is calculated based on the conventional formula of P = 2 mV t-1 (Woan, 2000). Where m is the mass of the body that in this case is the DWT (1600 tons) of the vessel and V is the vessel impact speed (1.02 m s-1) and P as mentioned before is the vessel impact load (4.90 MN). So, the impact loading time is calculated to be 0.66 s. After transient dynamic analysis, the axial stress contours for traditional steel jacket and HSSS jacket members are shown in Figure 7.
As shown in Figure 7, the dominant axial stress values for traditional steel jacket range from the green zone (E = 131.98 kPa) to the light green zone (F = 392.23 kPa). Also, the same is for the dominant axial stress values for HSSS jacket that range from E = 144.60 to F = 409.77 kPa. In both cases, the dominant axial stress values are away from the maximum stress zone (values ranges from the orange (H) zone to the red (I) zone). It should be mentioned that in traditional steel jacket, the dominant axial stress values in the connection joints from EL (-) 78.9 to EL (+) 4.66 (see Figure 3) of the jacket leg affected by the vessel impact (Leg A), are in the maximum stress zone (H = 912.74 to I = 1170 kPa). However, the stress values for the same connection joints for HSSS jacket are out of the maximum stress zone and range from F = 409.77 to G = 674.94 kPa (light green to yellow zone).
According to Figure 7, the elements with MD for traditional steel jacket and HSSS jacket are respectively the elements with 0.02 and 0.04 m of displacement. In this investigation, the maximum lateral moments created in the jackets’ legs under the effect of the vessel impact load in the connection points to the seabed, have been considered as a significant case. The reason of this consideration is that since the lateral moments have a tendency to cause a body to rotate, they could be the reason for the structural overturning and damage the whole structure. Thus, the time domain charts for the lateral moments of the jacket structures are presented in Figure 8 for HSSS jacket. All dimensions in the time domain charts for the lateral moments and for the loading time are presented respectively in Newton meter and Second. As shown in Figure 7, the dominant axial stress values for traditional steel jacket range from the green zone (E = 131.98 kPa) to the light green zone (F = 392.23 kPa). Also, the same is for the dominant axial stress values for HSSS jacket that range from E = 144.60 to F = 409.77 kPa. In both cases, the dominant axial stress values are away from the maximum stress zone (values ranges from the orange (H) zone to the red (I) zone). It should be mentioned that in traditional steel jacket, the dominant axial stress values in the connection joints from EL (-) 78.9 to EL (+) 4.66 (see Figure 3) of the jacket leg affected by the vessel impact (Leg A), are in the maximum stress zone (H = 912.74 to I = 1170 kPa). However, the stress values for the same connection joints for HSSS jacket are out of the maximum stress zone and range from F = 409.77 to G = 674.94 kPa (light green to yellow zone). According to Figure 7, the elements with MD for traditional steel jacket and HSSS jacket are respectively the elements with 0.02 and 0.04 m of displacement. In this investigation, the maximum lateral moments created in the jackets’ legs under the effect of the vessel impact load in the connection points to the seabed, have been considered as a significant case. The reason of this consideration is that since the lateral moments have a tendency to cause a body to rotate, they could be the reason for the structural overturning and damage the whole structure. Thus, the time domain charts for the lateral moments of the jacket structures are presented in Figure 8 for HSSS jacket. All dimensions in the time domain charts for the lateral moments and for the loading time are presented respectively in Newton meter and Second.
In Figure 8, the negative and positive values of lateral moments show the direction of the moments. Due to the importance of the amount of the moment, in this study, all maximum moment values are expressed as positive values.
Analysis results for traditional steel jacket and HSSS jacket under the effect of vessel impact load are presented in Table 5.





Conclusion
In this investigation, transient dynamic analysis has been implemented on two hypothesized different types of jackets made with traditional steel material and HSSS as a new low-cost material. ANSYS software has been utilized for structural modeling and analysis. For HSSS jacket, a reduction in the diameter of the tubular elements up to almost 17% has been assumed with respect to traditional steel jacket. Also, the effects of an extreme wave load and a supply vessel impact load have been assumed on the jackets. Considering the extreme wave loading analysis, a comparison between the dominant axial stresses emerged in the elements of the mentioned jackets has been performed. Although the axial stress values for HSSS jacket are higher than traditional steel jacket, they are far from the determined maximum stress zone and are completely acceptable for structural design. About the maximum reaction forces occurred on top of the jackets’ legs that affect the topside structures, reaction forces decreased up to 30.57% for the HSSS jacket. This reduction could be really helpful in increasing the fatigue life of the jacket. Considering the vessel impact loading analysis, in addition to comparing the dominant axial stresses created in the whole structure, the dominant axial stresses occurred in the connection joints of the leg under impact have been confronted. In regards to the axial stress values for the whole structure, although those values in HSSS jacket are higher than traditional steel Jacket, they are away from the maximum stress zone and completely admissible for structural design. Moreover, the axial stress values on the connection joints of the leg affected by the vessel impact, are in the maximum stress zone for traditional steel jacket. However, for HSSS jacket, the axial stress values are out of the maximum stress zone and in the acceptable range for structural design. Regarding the maximum lateral moments occurred in the connection points of jackets’ legs with the seabed, lateral moments decreased up to 39.03% for HSSS jacket, which means a reduced risk of structural overturning. In addition, with reducing the members’ diameters in the HSSS jacket, the total structural weight has been reduced by 28.19%. This factor, helps a lot in simplifying all offshore construction procedures (load out, tow out, launching and installation) after the fabrication of the jacket. Moreover, the reduction of Ds could be effective in the reduction of vortex-induced vibrations, which is another positive point for increasing the fatigue life and consequently the serviceability life of the offshore jacket. Finally, according to the mentioned advantages, the use of high-specific-strength steel material in the fabrication of three-legged offshore jackets could be advisable.
References
American Petroleum Institute. (2000). Recommended practice for planning, designing and constructing fixed offshore platforms, working stress design. Washington, DC: API.
Asgarian, B., & Ajamy, A. (2010). Seismic performance of jacket type offshore platforms through incremental dynamic analysis. Journal of Offshore Mechanics and Arctic Engineering, 132(3). doi: 10.1115/1.4000395
Chew, K. H., Ng, E. Y. K., Tai, K., Muskulus, M., & Zwick., D. (2014). Offshore wind turbine jacket substructure: a comparison study between four-legged and three-legged designs. Journal of Ocean Wind Energy, 1(2), 74-81.
Kazemi Daliri, A., & Naimi, S. (2016). Dynamic analysis of fixed marine risers with 1st and 5th order Rogue Waves. Journal of Engineering Research, 4(3), 43-56. http://www.kuwaitjournals.org/jer/index.php/JER/article/view/863
Damen Shipyards Group. (2016). Platform supply vessel 1600. Retrieved from http://products.damen.com/ en/ranges/platform-supply-vessel/psv-1600
Dastandiznab, M. A., Mohajernassab, S., Seif, M. S., Tabeshpour, M. R., & Mehdigholi, H. (2014). Assessment of offshore structures under extreme wave conditions by Modified Endurance Wave Analysis. Marine Structures, 39, 50-69, doi: 10.1016/j.marstruc.2014.06.003
Fryett, G. N. (2004). Application of advanced composite materials for offshore jacket mudmats. Houston, TX: Offshore Technology Conference.
Ghassemizadeh, S. M., Baghdar, R. S., & Olia, S. M. S. V. K. (2015). Finite element numerical method for nonlinear interaction response analysis of offshore jacket affected by environment marine forces. Open Journal of Marine Science, 5(4), 422-442. doi: 10.4236/ojms.2015.54034
Gluver, H., & Olsen, D. (1998). Ship collision analysis: proceedings of the international symposium on advances in ship collision analysis, Copenhagen, Denmark. Rotterdam, NL: Balkema.
Herkewitz, W. (2015). Scientists invent a new steel as strong as titanium. Popular mechanics. Retrieved from http://www.popularmechanics.com/technology/news/a13919/new-steel-alloy-titanium/.
Hezarjaribi, M., Bahaari, M. R., Bagheri, V., & Ebrahimian, H. (2013). Sensitivity analysis of jacket-type offshore platforms under extreme waves. Journal of Constructional Steel Research, 83, 147-155. doi: 10.1016/j.jcsr.2013.01.013
Kim, D. H., & Lee, S. G. (2015). Reliability analysis of offshore wind turbine support structures under extreme ocean environmental loads. Renewable Energy, 79, 161-166. doi: 10.1016/j.renene.2014.11.052
Kim, S. H., Kim, H., & Kim, N. J. (2015). Brittle intermetallic compound makes ultrastrong low-density Steel with large ductility. Nature, 518, 77-79. doi: 10.1038/nature14144
Kolios, A. J., Rodriguez-Tsouroukdissian, A., & Salonitis, K. (2016). Multi-criteria decision analysis of offshore wind turbines support structures under stochastic inputs. Ships and Offshore Structures, 11(1), 38-49. doi: 10.1080/17445302.2014.961295
Li, L., Hu, Z., & Jiang, Z. (2013). Plastic and elastic responses of a jacket platform subjected to ship impacts. mathematical problems in engineering. Mathematical Problems in Engineering, 2013, 1-15. doi: 10.1155/2013/790586
Metocean Design Criteria. (2008). Report No. OL-400-WHPA-GE-DB-1001-B2. Bandar Abbas, IR: MDC.
Moe, G. (1998). Predictions of morison-type forces in irregular waves at high reynolds number. International Journal of Offshore and Polar Engineering, 8(4), 1-7.
Naimi, S., Celikag, M., & Hedayat, A. A. (2013). Ductility enhancement of post-Northridge connections by multilongitudinal voids in the beam web. The Scientific World Journal, 2013, 1-14. doi: 10.1155/2013/515936
Patel, M. H. (1989). Dynamics of offshore structures. London, UK: Butterworth & Co Ltd.
Raija, K. V., & Gudmestad, O. T. (2007). Wave-in-deck loading on fixed steel jacket decks. Marine Structures, 20(3), 164-184. doi: 10.1016/j.marstruc.2007.03.003
Shi, W., Park, H., Chung, C., Baek, J., Kim, Y., & Kim, C. (2013). Load analysis and comparison of different jacket foundations. Renewable Energy, 54, 201-210. doi: 10.1016/j.renene.2012.08.008
Sorensen, M. R. (2006). Basic coastal engineering (3th ed.). New York, US: Springer.
Tao, Z., Han, L. H., & Zhao, X. L. (2004). Behaviour of concrete-filled double skin (CHS inner and CHS outer) steel tubular stub columns and beam-columns. Journal of Constructional Steel Research, 60(8), 1129-1158. doi: 10.1016/j.jcsr.2003.11.008
Travanca, J., & Hao, H. (2015). Energy dissipation in high-energy ship-offshore jacket platform collisions. Marine Structures, 40, 1-37. doi: 10.1016/j.marstruc.2014.10.008
Wang, Q., Li, M., & Xu, S. (2015). Experimental study on vortex induced vibration (VIV) of a wide-D-section cylinder in a cross flow. Theoretical and Applied Mechanics Letters, 5(1), 39-44. doi: 10.1016/j.taml.2015.01.002
Woan, G. (2000). The Cambridge handbook of physics formulas. Cambridge, UK: Cambridge University Press.
Zhou, Y. L., Zhang, X. J., Jia, T., & Liu, Z. Y. (2015). Corrosion behavior of high performance offshore platform steel with chromium and nickel addition in the environment containing chloride ions. Journal of Iron and Steel Research, International, 22(6), 496-505. doi: 10.1016/S1006-706X(15)30032-7
Notes
Author notes
sepanta.naimi@gmail.com