Articles
Combined Cycle Performance Evaluation and Dynamic Response Simulation
Combined Cycle Performance Evaluation and Dynamic Response Simulation
Journal of Aerospace Technology and Management, vol. 8, no. 4, pp. 491-497, 2016
Departamento de Ciência e Tecnologia Aeroespacial
Received: 19 January 2016
Accepted: 16 June 2016
ABSTRACT: Power plants operating in combined cycle present higher thermal efficiency (over 60%) and increased power generation when compared to traditional simple cycles, such as gas or steam turbines operating alone. Considering that the power plant evaluated in this paper is already operational, a further development concerning to the power plant control system is required in order to evaluate disturbances and frequency variations, generated by the electrical grid during normal operation, as the loads applied to the turbines are intrinsically associated to the grid frequency. A computer program able to simulate the control system was developed to cope with these instabilities and to guarantee the necessary protection to the power plant operation. The develop program was made using MATLAB Simulink®. The main components of the power plant consists of 2 gas turbines of 90 MW each and a steam turbine of 320 MW, totalizing 500 MW. Firstly, the power plant main components were constructed separately. Once obtained stable models, the exhaust from the gas turbine was connected to the water-steam cycle through the heat recovery steam generator. The main parameters necessary to adjust the model such as gains, limits and constants were obtained from the power plant operational data. The simulation results allowed the evaluation of some key parameters; others are possible but not shown, such as power, exhaust gas temperature, fuel flow and variable stator angles during grid instabilities. The studies were conducted by testing the robustness, response time, transient analysis, steady state analysis and reliability of the proposed model.
KEYWORDS: Control system, Combined cycle, Simulation, Performance, Low Btu gas.
INTRODUCTION
Because a power plant operating in combined cycle achieves high values of thermal efficiency — when compared with other available configurations — these power plants are widely employed for electrical generation. The increasing interest in this type of cycle leaded to constant improvement in overall performance and efficiency over the last decades (Soares 2007). However, the cost of the electricity is the main reason that drives the development of the combined cycle, although current environmental legislation is also of great importance. Natural gas is a relatively clean fuel, which helps to comply with environmental legislation, and is used in almost all types of combined cycle applications, when available. Although gases from industrial process are often high pollutant fuels, they can be used in gas turbines (GTs), as well as fuels with lower heating values. This way, most GTs comply with environmental legislation by burning clean fuel or allowing better utilization of industrial by products. Considering the cost of the electrical generation, combined cycle plants demand large initial investment and qualified personal due to its complexity, compared to simple or steam cycles. However, on the long term, the higher thermal efficiency will benefit the overall cost. Therefore, in this context, it is of vital importance to study the control systems to guarantee stable operation and to avoid compromising the integrity of the machine during operation.
Industries such as mining, steel mill, and petrochemical, to name a few, have a high demand of electrical power. Therefore, building power plants in site is beneficial not only for cost reduction but also to safeguard the power supply (Horlock 2007). Despite all benefits, managing a complex power plant is still challenging in many aspects and depending on the country the power grid can be unstable, since the power supply could be affected by extreme climate or internal problems.
The major advantage of the GTs is its inherent fuel flexibility. The entire spectra of liquid and gaseous fuels are options for GTs, including process gas, which refers to gases rejected by an industrial process (Boyce 2012). Blast furnace gas (BFG) is one of these gases generated during the obtainment of pig iron. A GT designed to burning natural gas needs some adaptation to burn BFG, as an example, due to its lower heating value compared with natural gas. Considering the lower value of heating value — approximately 4,000 Btu/lb, while natural gas ranges close to 44,000 Btu/lb — a larger combustion chamber is required to coup with the additional fuel, as well as variable geometry in compressor must be considered to reduce the air flow. This practice helps to reduce the level of pollutants emitted and costs because the fuel is available and, on the other hand, it will be burning in flare.
In order to evaluate the power plant behavior during certain operational conditions it is essential to develop tools to simulate the control systems. These simulations provide valuable information regarding plant operational response. The behavior of the combined cycle plant is evaluated through the application of small perturbations of frequency equivalent to the limit supported by these machines (Åström and Hägglund 2005). As the power plant complexity increases, more accurate simulations are required to represent properly its behavior. Through the adjustment of the model structure and parameters based on real data, the simulation response to disturbances is accurately represented (Hannett and Feltes 2001; Ilić and Zaborszky 2000).
The development of the simulation tools is essential to investigate some events that can occur during real plant operation. This analysis is very helpful because it can avoid operations in critical regions that could compromise the integrity of the machine or even prevent shutdowns which occur when the perturbations are above/below certain limits. During a realistic operational scenario, some external excitation or disruption occurs, and the control system should respond properly in order to ensure the stability of the power generation, respecting the specified operational limits and integrity. The simulation that represents this combined cycle operation allows the prediction of the plant behavior, aiding those responsible for plant operation to make decisions. The software is a powerful tool and helps the operators to plan some events, anticipating some of them. In this paper, the software MATlAB Simulink® was used to construct a simulation tool based on mathematical models of the main components for a combined cycle. The model allows to study the response of the system due to perturbations in the electrical grid for different operational conditions. The simulated power plant is composed by 2 GTs, each one with its respective heat recovery steam generator (HRSG), and 1 steam turbine (ST). The fuel used by the GT is the BFG, and the steam mass flow is produced by both HRSGs and by the steam generated in the coke oven.
CONTROL SYSTEM
The control system theory is defined as a subarea of engineering and mathematics that manages and controls the behavior of one or more variables of a dynamical system. The main goal is to control the dynamic system that is usually fed with inputs and feedbacks. Control systems are based on signal comparisons between the output and the reference signal, where the difference between both defines the action that will be taken, such as increasing or decreasing fuel injection. Shortly, the output signal is set to follow the reference signal, and the difference between both signals (called the error signal) is applied as a feedback to the input of the system, bringing the actual output signal as closer as to the reference. This process is performed until the actual signal converge to the reference value.
Control systems can operate with open or closed loop. In control system with open loop the output signal is generated based on inputs and in closed loops the actual signal is feed again into the system through corrections based on comparison with a reference signal. Usually a control system can be represented by a set of block diagrams and by transfer functions. The transfer function, also called system function, is a mathematical relation between input and output signals based on differential equations that describe the system (Ogata 2010).
In order to investigate the dynamic behavior of a GT, it is necessary the construction of mathematical models that will control these engines’ main inputs. According to the literature, there are 3 known modeling methods to provide means for evaluating a GT performance (MacIsaac and langton 2011). The first one is based on a linear small-perturbation method for a specific operating point. The second is based on a full-range model that uses functions to relate the main parameters. The third and last one is concerned with a component-based approach with models developed from aerodynamic, thermodynamic and mechanical properties. The methodology used in this paper is based on the first method, where electrical grid perturbations are relatively small.
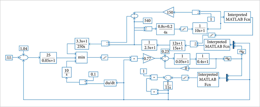
Previous studies about control systems applied in GTs were presented by Rowen (1983), who proposed a simplified model for single-shaft GT used in industrial application. After this paper, the author proposed an upgrade to his model. The new model allowed the simulation of combined-cycle power plant, including variable stator vane (VSV) modeling and an acceleration control loop (Rowen 1992). The Rowen’s model configuration and study are illustrated in Fig. 1. Over the past decades, many models were investigated and updated from Rowen’s model in order to improve the control system of the GT to more advanced cycle configurations. There are other researches in the open literature that follow the same concept (De Mello and Ahner 1994; Kunitomi et al. 2001; Pourbeik 2003; Pereira et al. 2003; Mantzaris and Vournas 2007; Zhang and So 2000; Hannett and Khan 1993).

COMBINED CYCLE MODELING
The modeling of the combined cycle control system in the present paper was based on the simplified GT model developed by Rowen (1983). The Heat Recovery Steam Generator (HRSG) model was based on Bagnasco et al. (1998) and the ST model, on Carneiro (2007). To achieve a representative model, a set of performance parameters was collected from the power plant operational data. Posteriorly this information was used to adjust the model developed to represent accurately the combined cycle control system.
The key parameters chosen in order to evaluate and verify the constructed model were TAT, VSV angle, electrical power, frequency variation, rotational speed (N) and turbine inlet temperature (TIT); the last one is calculated because it is not possible to measure. The VSV angle provides means to control the compressor mass flow rate, which was modeled considering the relation of the power generated by the GT and the actual mass flow. Frequency variations were imposed to the system, which results in a variation of the machines’ rotational speed. The simulation objective was to control and evaluate these parameters keeping the system operating within an acceptable margin of safety. To evaluate the operational conditions for the proposed simulations, a perturbation equivalent to the frequency variation limit of 2.5% was applied, with a pulse width of 1% of the period. The main goal is to investigate the control system transient response due to the perturbation applied until steady state conditions are achieved again. The applied frequency variation, or setpoint variation, is responsible for the disturbance in the rotational speed signal, where the generated instability should be controlled by the control system model.
The values shown in Table 1 represent the power plant operational data with BFG as the GT fuel. The data were used to fit the functions used in the present control system model within the power range from 25 to 88.5 MW. In this range, the GT operates uniquely with the BFG fuel generated from the steel production. During start-up, the GT is fueled with natural gas and this condition is kept until approximately 25 MW; after that, the fuel is changed to BFG. It is important to mention that the start-up operation with natural gas was not considered in the present study, because the actual goal was focused on control system stability studies at full load.
| TAT(°C) | TIT(°C) | Frequency(Hz) | Speed(RPM) | VSV(°) | Power(MW) |
|---|---|---|---|---|---|
| 460 | 888 | 60.0 | 3.600 | -40.75 | 25.4 |
| 468 | 900 | 59.9 | 3.597 | -40.8 | 32.0 |
| 485 | 936 | 59.9 | 3.597 | -40.8 | 39.5 |
| 504 | 972 | 60.0 | 3.601 | -40.8 | 49.4 |
| 520 | 1,005 | 60.0 | 3.602 | -40.6 | 59.4 |
| 518 | 1,017 | 60.0 | 3.598 | -35.6 | 70.6 |
| 521 | 1,039 | 60.0 | 3.600 | -30.0 | 79.8 |
| 540 | 1,079 | 60.0 | 3.599 | -30.4 | 88.5 |
Table 2 shows the main variables used to model the combined cycle as TAT, torque, VSV angle and exhaust mass flow. These functions and other transfer were adjusted based on data from Table 1.
| Exhausttemperature (°c) | F1 = TR - 390 (1 - N) + 306 (1 - Wf) |
| Torque(pu) | F2 = 1.3 (Wf - 0.23) + 0.5 (1 - N) |
| VsV angle(pu) | F3 = 1.185 × VSV0.3412 |
| Exhaust massflow (pu) | Wx - F3 × N |
The ST is represented by the tandem compound model of 2 stages: high and low pressures. This model is composed by the transfer functions shown in Fig. 2a, called speed governor, steam chamber and crossover piping. The high- and lowpressure models are represented by weight factors in the power generation as suggested by Carneiro (2007); these weight factors are defined according to the experimental data, as well as the steam transport delays.

Bagnasco et al. (1998) developed a simplified model for HRSG. The model considers HRSG delays for heat transfer and heat storage and is represented by transfer functions as can be seen in Fig. 2b. The constants for this model (heat transfer and heat storage) were adjusted in order to achieve a dynamic response corresponding to the real operation plant.
The main configuration of the power plant model is composed by 2 GTs, 2 HRSGs and 1 ST. The fuel for the GTs (BFG) is fed from the process of the steel mill plant. Additional steam is generated from the coke process. Twelve HRSGs are responsible for recovering the heat generated due to a total of 432 coke ovens. The overall steam flow supply for the power plant can be seen in Fig. 3.

The actual power plant operation relays on steam extractions and injections throughout different stages of the water-steam cycle. For simplification, extractions were not considered because of its little impact on the final outcome. The plant can operate with partial power generation, for example, when a GT is shut-off or the steam mass flow is reduced due to the low gas supply from steel mill. Such contributions of the generated power from each unit of the combined cycle were obtained through thermal balances, from the power plant operating data, as can be seen in Fig. 4 and Table 3. According to Table 3, the values in per unit (pu) for the power generated for all turbines, gas and steam correspond to 1.0 pu. Due to the presented configuration, shutting-off a GT implies in the losses of the power generated by this machine plus the steam flow from the corresponding HRSG, which will reduce the generated power from the ST.

| Power plantconfiguration | Power(MW) | Power(per unit) |
|---|---|---|
| ST | 320 | 0.64 |
| GT 1 | 90 | 0.18 |
| GT 2 | 90 | 0.18 |
| Total | 500 | 1.00 |
SIMULATION RESULTS
The power plant simulation aimed to evaluate the behavior of some important parameters, which were adjusted with real data obtained by the power plant monitoring system. The simulation lasts 400 s, which is the time necessary to achieve stable values for all parameters.
Table 3 shows the power plant rated capability. The results obtained show the variation of the GT main parameters through Figs. 5. It is possible to see in Fig. 5a the setpoint variation with time and the applied disturbance on the system reference setpoint. The perturbation initiated at 250 s, with a period of 120 s; the control system stabilizes the system after 20 s, approximately.

In Fig. 5b the variation of shaft speed and the disturbance applied on the system, initiated at 250 s, can be seen, which resulted in a speed variation to approximately 0.001 pu.
In Fig. 5c it is shown the variation of TAT. The perturbation resulted in a variation of approximately 3 °C, and as expected by the control system and by the power plant monitoring system the stabilization occurred after 20 s. During start-up the maximum TAT of 560 °C was achieved. The control system actuates to protect the machine that eventually achieves the reference value of 540 °C.
In Fig. 5d it is shown the variation of VSV with time, being practically null, which corresponds to the data in Table 1. The change in the VSV angle in the studied power range is approximately equal to 10°. The variation in the VSV angle for BFG operation was set in pu. In Fig. 5e it is shown the variation of the fuel mass flow in pu due to the applied perturbation.
The fuel mass flow variation was 0.017, approximately. When the limit achieves the peak value of 1.07, the control system stabilizes the fuel mass flow value for the reference value of 1.0 pu in approximately 20 s. In Fig. 5f it is possible to see a small variation of the GT shaft power, in pu. The control system stabilizes after 20 s. The GT shaft power, shown in Fig. 5f, is responsible for 0.18 of the total combined cycle shaft power. The total combined cycle power is composed by the contributions of 2 GTs (0.18 each one) and 1 ST (0.64). Figure 6c shows the shaft power generated by the combined cycle when all turbines are operating at full load (1.0 pu). Figure 6d shows the generated ST shaft power, with a maximum power in steady state of 0.64 pu. It is possible to see in this figure a greater delay to achieve steady state conditions (150 s) when compared with the other components, such as the GT. This occurs because the parameters that represent the ST inertia/delays are higher when compared to the GT and HRSG parameters, which is in agreement with the operational power plant data.
DISCUSSION AND CONCLUSIONS
This paper presents a methodology for simulating the dynamic behavior of a combined cycle power plant. The methodologies used to support the implementations were based on open literature, as quoted and referenced previously. The methodology was implemented on Matlab Simulink®. The program uses diagram blocks, in which each one was tested individually and then linked to represent the power plant configuration. The adjustment of all the necessary constants and factors was performed using real operational data. The simulations results shown in this paper were based on setpoint variation at steady state condition at full load.
The obtained results in the simulations showed that the main parameters are aligned with the field data (Table 1), and therefore the resulting data from the combined cycle model respond satisfactorily when compared to the data obtained by the monitoring system.
This model was developed for a specific combined cycle plant and had much of its success given to the fact that was possible to use real data to calibrate the model. The simulations results were compared again with real operational data. To use this model in a different power plant some operation parameters and curves must be known such as TAT, VSV, and steam mass flows behavior. Based on these parameters and curves the model can be easily adapted to different power plants and conditions.
The GT or combined cycle starting procedure and the acceleration ramp were not considered in this study, since it will be the topic for future investigations. The incorporation of a transient performance analysis considering the electrical grid, which would enable the simulation of all integrated system and not only the thermal power plant, will also be further developed. Another possibility would be to incorporate this control model in a supervisory control system, which allows the inclusion of initial conditions of the simulation. This supervisory control system would also manage the entire model where some particular events could be added, such as load rejection, island operation, new parameters for VSV, temperature, etc.

ACKNOWLEDGEMENTS
Thyssenkrupp Companhia Siderúrgica do Atlântico (TKCSA), Fundação Casimiro Montenegro Filho (FCMF), Jordão Consultoria e Projetos ltda., HPPA Consultoria e Desenvolvimentos em Engenharia ltda., Conselho Nacional de Desenvolvimento Científico e Tecnológico (CNPq), Coordenação de Aperfeiçoamento de Pessoal de Nível Superior (CAPES) and Agência Nacional de Energia Elétrica (ANEEl) are acknowledged for their support to the research carried out at the Center for Reference on Gas Turbines of Instituto Tecnológico de Aeronáutica (ITA).
REFERENCES
Åström KJ, Hägglund T (2005) Advanced PID control. 4th edition. Research Triangle Park: ISA.
Bagnasco A, Delfino B, Denegri GB, Massucco S (1998) Management and dynamic performances of combined cycle power plants during parallel and islanding operation. IEEE Trans Energ Convers 13(2):194-201. doi: 10.1109/60.678985
Boyce MP (2012) Gas turbine engineering handbook. 4th edition. Amsterdam: Elsevier, Butterworth-Heinemann.
Carneiro WA (2007) Avaliação do comportamento dinâmico de turbinas a gás aeroderivativas na operação em ciclo combinado (Master’s thesis). Itajubá: Universidade Federal de Itajubá. In portuguese.
De Mello FP, Ahner DJ (1994) Dynamic models for combined cycle plants in power system studies. IEEE Trans Power Syst 9(3):1698-1708. doi: 10.1109/59.336085
Hannett LN, Feltes JW (2001) Testing and model validation for combined-cycle power plants. Proceedings of the IEEE Power Engineering Society Winter Meeting; Columbus, USA.
Hannett LN, Khan AH (1993) Combustion turbine dynamic model validation from tests. IEEE Trans Power Syst 8(1):152-158. doi: 10.1109/59.221261
Horlock JH (2007) Advanced gas turbine cycles. Malbar: Krieger Publishing Company.
Ilić MD, Zaborszky J (2000) Dynamics and control of large electric power systems. New York: Wiley.
Kunitomi K, Kurita A, Okamoto H, Tada Y, Ihara S, Pourbeik P, Price WW, Leirbukt AB, Sanchez-Gasca JJ (2001) Modeling frequency dependency of gas turbine output. Proceedings of the IEEE Power Engineering Society Winter Meeting; Columbus, USA.
MacIsaac B, Langton R (2011) Gas turbine propulsion systems. Hoboken: Wiley.
Mantzaris J, Vournas C (2007) Modelling and stability of a singleshaft combined cycle power plant. Int J Therm 10(2):71-78. doi: 10.5541/ijot.190
Ogata K (2010) Modern control engineering. 5th edition. Upper Saddle River: Prentice-Hall.
Pereira L, Undrill J, Kosterev D, Davies D, Patterson S (2003) A new thermal governor modeling approach in the WECC. IEEE Trans Power Syst 18(2:819-829. doi: 10.1109/TPWRS.2003.811007
Pourbeik P (2003) Modeling of combined-cycle power plants for power system studies. Proceedings of the IEEE Power Engineering Society General Meeting; Toronto, Canada.
Rowen WI (1983) Simplified mathematical representations of heavy-duty gas turbines. J Eng Power 105(4):865-869. doi: 10.1115/1.3227494
Rowen WI (1992) Simplified mathematical representations of single shaft gas turbines in mechanical drive service. Turbomach Int 33(5):26-32. doi: 10.1115/92-GT-022
Soares C (2007) Gas turbine: a handbook of air, land and sea applications. Amsterdam, Boston: Butterworth-Heinemann.
Zhang Q, So PL (2000) Dynamic modelling of a combined cycle plant for power system stability studies. Proceedings of the IEEE Power Engineering Society Winter Meeting; Singapore.
AUTHOR’S CONTRIBUTION
Author notes
Heitor Augusto da Silva Mattos | Departamento de Ciência e Tecnologia Aeroespacial – Instituto Tecnológico de Aeronáutica – Departamento de Turbomáquinas | Praça Marechal Eduardo Gomes, 50 – Vila das Acácias | CEP: 12.228-900 – São José dos Campos/SP – Brazil | Email: heitormattos@hotmail.com