Aplicaciones industriales
Modificaciones al Relé NSR 376 SA para Grupos Electrógenos de la Tecnología MTU
Modification to the NSR 376 SA Relay for Generator Set of the MTU Technology
Modificaciones al Relé NSR 376 SA para Grupos Electrógenos de la Tecnología MTU
Ingeniería Energética, vol. XLII, núm. 2, pp. 81-89, 2021
Instituto Superior Politécnico José A. Echeverría.Cujae
Recepción: 04 Enero 2021
Aprobación: 01 Abril 2021
RESUMEN: El relé de protecciones NSR 376 SA utilizado en la tecnología de grupos electrógenos MTU no satisfacían las exigencias de la Unión Nacional Eléctrica. Utilizando la modelación matemática, así como el conocimiento de las normas sobre las protecciones eléctricas de generadores y estaciones de generación, se establecieron las funciones de protecciones que se necesitaban en el dispositivo secundario de protección o relé, que se debía utilizar en las instalaciones de grupos electrógenos de nuestro país. La compañía NARI realizó la mayoría de cambios que les fueron exigidos y además se cambiaron los ajustes que dicha compañía proponía. El relé NSR 376 SA en estos momentos es un nuevo relé con un software modificado, un firmware nuevo y mostrando un grado de protección mayor. Los nuevos ajustes ya están mostrando resultados positivos. El nuevo manual de pruebas ha sido probado por el personal técnico profesional de la UNE.
Palabras clave: grupos electrógenos, relé NSR 376 SA, protección de generadores.
ABSTRACT: The electric protection relay NSR 376SA used in the Generator Set of MTU technology do not satisfied the National Electrical Union exigencies. Using a mathematical simulation, and the knowledge of the standard about the generator electrical protection and the generator set protection, it was found the protection function that need the secondary protection devices, and should be installed in the Generator Set of our country. NARI Company accepted and made the mayor of changes that was required and the settings proposed for the Company was change. The NSR 376SA relay in this moment is a new relay, with the modified software, a new firmware and shown a better protection results. The new settings have shown positive results during a real fault occurred. The new test manual have been tested of the professionals of the National Electrical Union.
Keywords: generator sets, relay NSR 376 SA, generator protection.
Introducción
Desde el 2014 se están estudiando las protecciones eléctricas de las diferentes tecnologías de grupos electrógenos existentes en el país. Una de las tecnologías de grupos electrógenos instaladas en nuestro país que operan con combustible Diesel, que es el combustible de mayor costo en el mercado internacional, es la conocida como MTU. En esta tecnología MTU existen dos tipos: los grupos electrógenos del tipo batería y el tipo estación. Estos grupos son mantenidos y administrados por la empresa cubana Geysel que cuenta con más de 1200 MW instalados con centrales a lo largo de todo el país.
Sobre las protecciones eléctricas de generadores [1], en ambos tipos de instalaciones de grupos electrógenos aunque tienen sus diferentes particularidades presentan un problema común y es que sus protecciones no cumplían las exigencias técnicas medias para una instalación con generadores eléctricos sincrónicos [2].
Uno de los problemas fundamentales es que su dispositivo de protección principal no era un relé de protección sino un controlador [3]. Este controlador conocido como AGC (Automatic Generator Controller) realizaba las siguientes acciones para el funcionamiento del grupo electrógeno:
Como se observa además del control del generador, en este dispositivo se encontraban las principales protecciones del grupo moto-generador y de medición, pero se demostró en anteriores trabajos que las protecciones existentes en este dispositivo no satisfacían las exigencias necesarias para los grupos electrógenos. Cuando se dice que no cumplía con las exigencias, se enumerarán los detalles de porqué se menciona esta situación:
Como resultado de la investigación detallada, se le presenta a la Unión Eléctrica a través del departamento de Generación Distribuida un esquema conceptual de cómo se deberían proteger las dos tecnologías MTU de grupos electrógenos.
La UNE y en conjunto con el grupo de investigación del CIPEL se estudiaron varias variantes y se decidió la adquisición de nuevos equipos primarios y secundarios para la activación de nuevo esquema de protecciones eléctricas para los grupos electrógenos. En el departamento de generación distribuida de la UNE se tomaron las decisiones para el cambio del esquema de protecciones de los grupos electrógenos del tipo MTU.
Se tomó la decisión de adquirir un equipo que se dedicara únicamente a la protección del conjunto generador - transformador, este equipo debía contar con las funciones adecuadas y con un sistema de procesamiento apropiado para realizar la función de protección. El equipo escogido fue el relé NSR376SA de la compañía china NARI.
Método
Se han modelado en programas computacionales tanto el antiguo dispositivo de control AGC de la marca DEIF, que además de las acciones de control hacía las acciones de protecciones y mediciones. En la figura 1, se puede observar el diagrama de bloques generales de este dispositivo AGC modelado.

También se modeló el relé NSR 376SA de la compañía china NARI, que es el dispositivo seleccionado por la UNE para la protección de los nuevos grupos y que además está sustituyendo en las instalaciones de tipo subestación que ya estaban operativas. En la figura 2, se puede observar el diagrama de bloques generales de este relé ofertado por la compañía NARI.

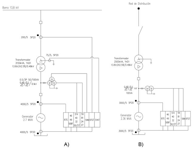
Utilizando estas herramientas se pudo verificar empleando la modelación y simulación matemática las dificultades que presentan el dispositivo anterior AGC y las que presentaba el relé NSR antes de las mejoras. Las funciones de protecciones propuestas dentro del relé NSR 376 SA para las instalaciones de grupos electrógenos de tecnología MTU del tipo batería se puede observar en la figura 3A. De la misma forma este relé se puede utilizar en las instalaciones del tipo subestación (figura 3B), donde por las propias características de este tipo de grupo electrógeno se pierde la protección del transformador del grupo.

En la instalación del relé NARI en la tecnología MTU tipo Estación se pierde la protección diferencial del transformador del grupo, debido a que en el primario no existen transformadores de corrientes para poder completar esta acción de protección. La propuesta siempre ha sido, colocar un fusible en el devanado primario de estos transformadores, de tal forma que se puede separar solo una unidad en caso de una avería en un transformador.
En el relé se activaron las funciones necesarias que se solicitaron inicialmente por la Unión Eléctrica específicamente por la dirección de Generación Distribuida y el Centro de Investigaciones y Pruebas Eléctricas. Aunque luego de varios encuentros internacionales, la compañía añadió el resto de funciones de protecciones que se solicitó por el estudio y perfeccionó otras funciones de protecciones que igualmente no cumplían las exigencias del estudio.
Resultados y discusión
Se realizaron varias reuniones y encuentros con diferentes especialistas chinos, relacionado con lo que se deseaba del relé NSR 376SA. Finalmente se ha logrado un relé con las características que se desea para las instalaciones de grupos electrógenos del tipo MTU. En la actualidad ya se han logrado arreglar y cambiar la mayoría de los problemas iniciales que trajo este relé NSR 376SA y en la actualidad del 2020 se están generalizando todos estos cambios y modificaciones en las instalaciones existentes por todo el país en ambos tipos de instalaciones los de tipo batería y del tipo estación.
En la actualidad con el nuevo relé NSR376SA se ha logrado:
Diferencial del generador (87G).
Sobrecorriente restringida por tensión (51V): Esta función es la encargada de proteger al generador ante la ocurrencia de cortocircuitos externos, evitando daños al estator del generador.
Sobrecarga térmica del generador (49T)
Fallo de interruptor (50BF)
Energización Accidental (50/27)
Las funciones modificadas fueron las siguientes:
La compañía NARI ha modificado tanto el software del relé NSR 376SA como las funciones internas de protecciones activadas en el relé. Se pudiera decir que este, en la actualidad, es un nuevo relé adaptado a las condiciones de los grupos electrógenos de cuba. Esto se logra instalando un nuevo firmware en los relés NSR antiguos y cambiar los ajustes, así como volver a hacer las pruebas secundarias y primarias en las instalaciones.
Teniendo en cuenta la importancia de que todo el sistema de protección funcione correctamente, se realizaron varias pruebas primarias que confirmaran que el esquema estaba listo para proteger eficazmente el conjunto motor - generador ante la ocurrencia de una falla, luego de ser actualizado el relé con el nuevo firmware y ser introducidos los nuevos ajustes.
Para lograr lo planteado se simularon cuatro distintos tipos de averías en un grupo en funcionamiento con el objetivo de verificar que ante la ocurrencia de estos eventos, la actuación fuera la correcta, o sea, que ocurriesen los disparos esperados según el tipo de función que actuara. Las pruebas primarias realizadas fueron las siguientes:
Con la realización de estas pruebas se demostró que el esquema de protecciones implementado funciona correctamente ya que ante la simulación de averías se obtuvieron los resultados esperados. Se analizaron los CONTRADES u oscilografías exportadas por el relé y se demostró que está funcionando adecuadamente.
Otra de las mejoras importantes en todo el proceso de actualización del nuevo relé NSR376SA lo constituye el desarrollo de un nuevo manual de pruebas de cada una de las funciones de protección. El fabricante como parte de los acuerdos realizados entregó un manual de pruebas, pero este tenía como característica que los puntos a probar eran en la mayoría de los casos para situaciones de averías extremas, y en otros casos había zonas que no se probaban. Otra de las deficiencias de este manual es que para aplicarlo solo se puede probar una función a la vez, y en muchas ocasiones dispara una función diferente a la que se está probando, lo cual no es correcto.
A continuación en la figura 4, se muestra el resultado de una sección del manual de pruebas donde se muestra los ajustes de la función de protección las conexiones que se deben hacer en el relé para hacer la prueba con la maleta de inyección y el aporte nuestro que es la tabla con los valores previamente calculados de las corrientes y las tensiones que deben poner los especialistas para realizar una prueba más efectiva.

El nuevo manual de pruebas se diseñó teniendo en cuenta todos los errores que presenta el manual entregado por el fabricante, entre otras cosas las pruebas se pueden realizar teniendo activadas todas las funciones de protección, además se presentan arreglados todos los esquemas de conexión entre la maleta de pruebas y el relé. Uno de los aspectos más importantes de este nuevo relé es que en él se reflejan algunas características que presenta el relé en determinadas condiciones, por ejemplo, en el caso de la función Volt-Hertz, esta no actúa si la frecuencia está por debajo de los 30 Hertz, también cuando los valores de tensión son menores a 4 Volts, la frecuencia no es medida correctamente, las funciones de sobre y baja tensión solo trabajan con los valores de fase a fase. Estos son aspectos que pudiesen parecer absurdos, sobre todo algunas condiciones, pero estimamos que el fabricante lo debió aclarar tanto en el manual del relé como en el manual de pruebas, y en ninguno de los dos casos se cumple.
En la figura 4, se muestra la sección de la prueba de la función de protección Loss of Field o pérdida del campo, donde el operario tiene que poner tanto el tiempo real que le resultó de la prueba y si pasó o no dicha prueba. Con errores superiores al 3% la prueba debe ser considerada no satisfactoria y debe ser objeto de análisis las conexiones y el ajuste real que tiene el relé.
Conclusiones
El relé NSR 376 SA es un nuevo relé con un nuevo firmware a ser instalado que debe ser instalado en los relés de su tipo que existen en el país. En estos grupos electrógenos de tecnología MTU se podrá instalar un nuevo ajuste que ya ha sido probado con resultados positivos. Adicionalmente el Manual de prueba mejorado ya fue probado en cursos de postgrados y en un relé de la central eléctrica Rincón con resultados satisfactorios. Este será el nuevo manual de pruebas para todas las instalaciones de grupos electrógenos. Con este relé, la revisión de las conexiones y estas pruebas, las instalaciones de grupos electrógenos ya están probadas y protegidas, por tanto, en caso de suceder averías, las cuales son inevitables, las consecuencias serán menores si se comparan a lo que sucedía anteriormente que en la mayoría de los casos se destruía la unidad casi por completo.
Referencias
[1] MOTTERSHEAD, Glenn, et al. ``Chapter 6: GENERATOR PROTECTION´´. [online]. Handbook of Large Hydro Generators (Operation and Maintenance). 2020, p. 291-310. ISBN: 978-1-119-52416-8. DOI: 10.1002/9781119524205.ch6. [Consultado el 10 de enero de 2021]. Disponible en: Disponible en: https://www.google.com/url?sa=t&source=web&rct=j&url=https://ur.booksc.org/book/84713885/ca84b2&ved=2ahUKEwjksuCXg8zwAhVnQzABHUZcDZIQFjACegQIBRAC&usg=AOvVaw3Qu5jS5h0jOK3PmZxgWTgM&cshid=1621093720869
[2] IEEE POWER ENGINEERING SOCIETY. ``C37.102-2006 - IEEE Guide for AC Generator Protection´´. 2007. [Consultado el 1 de enero de 2021]. Disponible en: Disponible en: https://ieeexplore.ieee.org/document/8526571
[3] BLÁNQUEZ, Francisco, R. Caballero a E. Rebollo. ``Improvements to generator differential protection based on the criterion of signs of the DC-component´´. [online]. 13th International Conference on Environment and Electrical Engineering (EEEIC). Wroclaw, Poland. 2013. DOI: 10.1109/EEEIC-2.2013.6737917. [Consultado el 23 de diciembre de 2020]. Disponible en: https://www.google.com/url?sa=t&source=web&rct=j&url=https://ieeexplore.ieee.org/iel7/6731714/6737870/06737917.pdf&ved=2ahUKEwj63L- 9iczwAhUmQzABHVdtA5MQFjABegQIAxAC&usg=AOvVaw3zFe6kNnmZVpslmEzjbeAJ&cshid=1621095056960
[4] BURYANINA, N., et al. ``Digital Differential Protection of the «Generator-Transformer» Block ´´. [online]. 2019. International Science and Technology Conference "EastConf". Vladivostok, Russia. DOI: 10.1109/EastConf.2019.8725341. [Consultado el 20 de octubre 2020]. Disponible en: Disponible en: https://www.google.com/url?sa=t&source=web&rct=j&url=https://www.researchgate.net/publication/334850738_Digital_Differential_Protection_of_the_Generator-Transformer_Block&ved=2ahUKEwiRprjliszwAhUiTTABHZ8gAZIQFjAAegQIBhAC&usg=AOvVaw3mkhX9xbXjYsGRh4TjRZj4&cshid=1621095426745
[5] GÓMEZ, Marco. ``Medidas para prevenir energizaciones inadvertidas y protecciones específicas para este evento en generadores síncronos´´. 2021. Cigré. n. 34-01. México. [Consultado el 15 de enero de 2021] Disponible en: Disponible en: https://www.researchgate.net/publication/267705825_MEDIDAS_PARA_PREVENIR_ENERGIZACIONES_INADVERTIDAS_Y_PROTECCIONES_ESPECIFICAS_PARA_ESTE_EVENTO_EN_GENERADORES_SINCRONOS/citation/download
[6] ALLA, Matchyaraju, Sumit Sawai a Normann Fischer. ``Improvements in Generator Breaker Failure Protection During Low-Current Conditions´´. 2020. Schweitzer Engineering Laboratories, Inc. [online]. DOI: 10.13140/RG.2.2.14533.88806. [Consultado el 12 de marzo de 2021]. Disponible en: Disponible en: https://www.researchgate.net/publication/343565485_Improvements_in_Generator_Breaker_Failure_Protection_During _Low-Current_Conditions
[7] KRIŠTOF, Vladimír a Marian MESTER. ``Loss of excitation of synchronous generator´´. Journal of Electrical Engineering. [online]. 2017, v. 68, n. 1, p. 54-60. DOI:10.1515/jee-2017-0007. [Consultado el 1 de enero de 2020]. Disponible en: Disponible en: https://www.google.com/url?sa=t&source=web&rct=j&url=https://www.researchgate.net/publication/315057212_Loss_of_excitation_of_synchronous_generator&ved=2ahUKEwiKhuCEzM_wAhVnU98KHVT7DVgQFjABegQIBBAC&usg=AOvVaw0p2kBe7cdOg3L6lLXyKLUW&cshid=1621215970550
[8] PARIVAR, Hossein. ``DETECTION OF GENERATOR LOSS-OF-EXCITATION (LOE) USING VARIOUS PROTECTION SCHEMES´´. [online]. 2020. National Institute of Technology. DOI: 10.13140/RG.2.2.24552.90883.[Consultado el 3 de abril de 2021].Disponible en: Disponible en: https://www.google.com/url?sa=t&source=web&rct=j&url=https://www.researchgate.net/publication/346574681_DETECTION_OF_GENERATOR_LOSS-OF-EXCITATION_LOE_USING_VARIOUS_PROTECTION_SCHEMES&ved=2ahUKEwjo2ou2zM_wAhWpiOAKHa4ZC9gQFjAAegQIBRAC&usg=AOvVaw0nZUZ3ek6byKMpBm5yiDRy&cshid=1621216067796
[9] QI, Xuanwei, et al. ``Study on the Unusual Misoperation of Differential Protection during Transformer Energization and Its Countermeasure´´. [online]. nedatováno. DOI: 10.1109/TPWRD.2015.2499223, IEEE. [Consultado el 15 de marzo de 2021]. Disponible en: Disponible en: https://www.google.com/url?sa=t&source=web&rct=j&url=http://tarjomehrooz.com/wp-content/uploads/2017/06/tarjomehrooz.com09027952876_site_mobile-7.pdf&ved=2ahUKEwj_-ZbYss_wAhVET98KHYhlD8UQFjABegQIBRAC&usg=AOvVaw3xB4dnxaCRlDBWWCiZYd7r
[10] ESTUCH, Rasiel, et al. ``Mejora a las protecciones de los grupos electrogenos MAN´´. Caso de estudio Central Arigunabo. Enero-abril 2021, vol. 42, n. 1. [Consultado el 12 de mayo de 2021]. Disponible en: Disponible en: https://www.google.com/url?sa=t&rct=j&q=&esrc=s&source=web&cd=&ved=2ahUKEwi43fLXyNjwAhWSsDEKHYMjD04QFjAAegQIAxAD&url=https%3A%2F%2Frie.cujae.edu.cu%2Findex.php%2FRIE%2Farticle%2Fdownload%2F609%2F754&usg=AOvVaw0UiD7oHpfIkbGs0DmNWVNb
[11] DELGADO, Nayiver a Carlos Alegria. ``Ajuste protección de sobreexcitación ANSI 24 de un generador sincrónico para un relé Siemens 7UM62´´. Tecnura [online]. 2019, v. 23, p. 57-68. DOI: 10.14483/22487638.13785.[Consultado el 3 de marzo de 2021]. Disponible en: Disponible en: https://www.researchgate.net/publication/336820616_Ajuste_proteccion_de_sobreexcitacion_ANSI_24_de_un_generador_sincronico_para_un_rele_Siemens_7UM62
Notas de autor
*Autor de correspondencia: antoniodean@oc.une.cu
Declaración de intereses