ARTÍCULOS DE REVISIÓN
Nanotecnología una alternativa para el tratamiento de aguas residuales: Avances, Ventajas y Desventajas
Nanotechnology an alternative for wastewater treatment: Advances, Advantages and Disadvantages
Nanotecnología una alternativa para el tratamiento de aguas residuales: Avances, Ventajas y Desventajas
Journal of the Selva Andina Research Society, vol. 9, núm. 1, pp. 52-61, 2018
Selva Andina Research Society

Recepción: 01 Agosto 2017
Aprobación: 01 Diciembre 2017
Publicación: 01 Febrero 2018
Resumen:
En los últimos años la nanotecnología emerge como una interesante alternativa para el diseño de sistemas para el tratamiento de aguas. El pequeño tamaño de las nanopartículas y las características de los nanomateriales hacen que el potencial de la nanotecnología en este campo sea enorme. No obstante se deben considerar además las limitantes del uso de esta tecnología, ya que si bien existen estudios toxicológicos el verdadero efecto en humanos, fauna y flora aún no ha sido estudiado a profundidad. El presente artículo de revisión introduce al lector a conocer la importancia de la nanotecnología en el cuidado al medio ambiente, brinda los conceptos básicos de nanociencia, nanotecnología, como las nanopartículas pueden ser usadas efectivamente en el tratamiento de aguas residuales, remarcando su utilidad en sistemas de desalinización. Posteriormente se describen propiedades de los nanomateriales utilizados para desinfección de aguas, en el desarrollo de sistemas de filtración por membrana describiendo las características de las mismas, también se describe el uso de nanopartículas en sistemas de catálisis y nanocatálisis y su uso en procesos oxidativos avanzados. Se brinda un panorama del uso de la nanotecnología en tratamiento de aguas residuales a nivel mundial y cual las ventajas y desventajas de los mismos. Finalmente se revisan brevemente los efectos dañinos de las nanopartículas y nanomateriales en ecosistemas acuáticos.
Palabras clave: Nanotecnología, nanopartículas, nanomateriales, tratamiento de aguas residuales, filtración por membrana, catálisis, fotocatálisis.
Abstract:
In the last years nanotechnology emerges as an interesting alternative for the design of water system treatments. The small size of the nanoparticles and the characteristics of the nanomaterials made huge the potential of this technology in this field. However, the limits of this technology should be considered, because even if there are toxicological studies, the true effect in humans, fauna and flora have not been yet studied in depth. The current review article introduces to the lecturer to know the importance of nanotechnology in tech environment care and gives the basic concepts of nanoscience, nanotechnology, how nanoparticles can be effectively used in wastewater treatment, remarking its usefulness in desalination systems. Later, there is a description of the properties of the nanomaterials used for the disinfection of water, in the development of membrane filtration systems describing their characteristics, is also described the use of nanoparticles in catalysis and photo catalysis systems. An overview of nanotechnology in water treatment at world level with advantages and disadvantages is provided. Finally there is brief review of the damaging effects of the nanoparticles and nanomaterials in aquatic ecosystems.
Keywords: Nanotechnology, nanoparticles, nanomaterials, wastewater treatment, membrane filtration, catalysis, photcatalysis.
Introducción
Escasez y tratamiento de aguas. Los problemas de escasez de agua, están incrementando rápidamente debido al crecimiento de la población, contaminación y cambio climático (Franek et al. 2015).
En las siguientes décadas, la escasez de agua será la consigna que conlleve a acciones que irán desde la venta a la población a la guerra, a menos que se encuentren nuevas formas de provisión de agua limpia (Neira-Fernández 2009). Aunque los métodos de desinfección de agua, descontaminación y desalinación puedan mitigar algunos de estos problemas, estos métodos de tratamiento son generalmente químicos y energéticamente intensivos, por lo que se requiere de fuertes inversiones y expertos en ingeniería (Shannon et al. 2008).
Por otro lado, la utilización de fuentes de agua alternativa, como el agua de lluvia y el agua residual tratada es una de las opciones más prometedoras en manejo integrado de aguas (Arnold et al. 2004). Las mayores preocupaciones sobre la seguridad de agua, de esta forma de explotación están conectadas con contaminantes microbiológicos y químicos que se encuentran en las aguas residuales, entre los que los disruptores endocrinos y los fármacos son reconocidos como contaminantes prioritarios, debido a su ubiquidad y capacidad de afectar organismos acuáticos aún en ciertas concentraciones (Gil et al. 2012). En este contexto, el desarrollo de nuevas tecnologías de tratamiento de agua es urgentemente necesario para poder satisfacer los requerimientos de calidad de agua para su re-uso y para asegurar la protección del medio ambiente.
Nanotecnología en procesos de descontaminación de aguas residuales. Los emergentes problemas de contaminación ambiental en el mundo requieren que continuamente se innoven técnicas para la remediación y tratamiento de nuestros recursos naturales. Sin duda alguna, uno de los más frágiles es el agua.
La nanotecnología es la potencial solución para la previsión de agua en el largo término con técnicas como la filtración, el empleo de nanopartículas en catálisis y la desalinación. Más aún, con el desarrollo de la nanotecnología, se pueden potenciar técnicas convencionales usadas en el tratamiento de aguas como la adsorción, floculación y coagulación (Lu & Astruc 2018). La nanotecnología ha sido eficiente usada en el pasado para remediación de aguas subterráneas, en biorremediación, remoción de tintas y en procesos de filtración (Tyagi et al. 2018). Por lo tanto, la nanotecnología es efectiva en tratar problemas relacionados con agua, ya que el uso de nanomateriales favorece al desarrollo de tratamientos más eficientes y avanzados en agua.
De ahí la importancia de conocer los últimos desarrollos en nanotecnología y nanomateriales con foco en los potenciales y limitaciones para su aplicación en el tratamiento de aguas residuales para mejorar la calidad del efluente y para el re-uso de agua (Obare &Meyer 2004).
El objetivo de la presente revisión es ofrecer una mirada a los avances de la nanotecnología en el tratamiento de aguas residuales prestando particular atención al uso de nanomateriales en la fabricación de membranas para filtración y el uso de nanopartículas para catálisis y fotocatálisis.
Conceptos básicos de nanotecnología. La nanotecnología envuelve la manipulación de material en una escala cercana a lo atómico para producir nuevas estructuras, artefactos, y materiales. Las nanopartículas son partículas con una dimensión en el rango de 1-100 nm (Morose 2010). Por lo tanto las nanopartículas pueden ser transportadas efectivamente por el flujo de agua subterránea (Zhang 2003).
Los átomos y los enlaces químicos tienen tamaños en el rango de unas decenas de un nanómetro, las estructuras más pequeñas tienen dimensiones de unos pocos nanómetros (Chaturvedi 2012). Esto es porque tan pronto unos cuantos átomos están cercanos unos a otros, la estructura resultante es de unos pocos nanómetros en tamaño.
Existen dos enfoques que se usan en nanotecnología. La construcción (cuesta arriba o ‘‘bottom-up’’) donde los materiales y artefactos se construyen a partir de componentes moleculares que se ensamblan químicamente por los principios de reconocimiento molecular (germinación, micela reversa, interacción enzima-sustrato y principios biomiméticos). La destrucción (cuesta abajo o ‘‘top-down’’), los nano-objetos son construidos a partir de entidades más grandes sin control del nivel atómico (nano-litografía, grabado químico, etc.). Las nanopartículas se forman como resultado de sobresaturación de fases solubles cuando ocurre un cambio de solubilidad (Simeonidis et al. 2016).
La ciencia de interfases y coloides ha tenido un gran desarrollo, dando lugar al surgimiento de varios materiales los cuales pueden ser usados en nanotecnología, entre los que están nanotubos de carbono y otros fullerenos, varios metales, óxidos metálicos, nanotubos y dendrímeros.
Las propiedades de los nanomateriales pueden ser consistentemente diferentes, comparados a las que exhiben en escala macroscópica, debido a la mayor área de superficie, a la proporción de volumen y a los efectos cuánticos. Estos factores pueden cambiar la reactividad, las propiedades catalíticas, la fuerza mecánica y las características eléctricas (Chaturvedi et al. 2012). Por lo tanto, sustancias opacas se convierten en transparentes (cobre); materiales estables se convierten en combustibles (aluminio), sólidos se convierten en líquido a temperatura ambiente, y aumentan su actividad catalítica (oro) y aislantes se convierten en conductores (silicona).
Las nuevas propiedades de los nanomateriales prometen proveer nueva tecnología y la nanotecnología, ya está siendo usada en cientos de productos en varias industrias, con un crecimiento bastante rápido expandiendo el mercado (Morose 2010).
Materiales para filtración por membrana. La nanotecnología podría tener avances revolucionarios en la industria de la desalinación de agua, aunque el desarrollo de dichas membranas está aún en un proceso inicial y existen varios problemas por resolver (Lee et al. 2011). Los desafíos principales son: el alto costo de los materiales nanoestructurados y la dificultad en escalar los procesos de manufactura de membrana para uso comercial.
De acuerdo a Lange (2010), existen tres tecnologías que prometen reducir los requerimientos para desalinación hasta un 30%: Osmosis (directa y reversa), compositos de membrana hechos con nanotubos de carbono, membranas biomiméticas.
Actualmente existen varias membranas desarrolladas con nanotecnología (Tabla 1) (Zhu et al. 2012). La nanotecnología ofrece un rango de soluciones más amplio para nuevos materiales de membrana (Lee et al. 2011, Ng et al. 2010), que incluyen: membranas de óxido de grafeno (Abraham et al. 2017), membranas de nanofiltración de cerámica, nanopartículas magnéticas (Jung et al. 2004), membranas poliméricas con recubrimiento antiderrame (cubiertas orgánicas tipo cepillo, membranas impregnadas con nanopartículas), compositos de membrana (compositos de membrana de película fina para osmosis, combinaciones: de metal/óxidos metálicos + polímero, nanotubos de carbón + polímero, zeolitas + polímero y aquaporina (AQP)+ polímero).
| No | Organización | País | Tipo de Tecnología |
| 1 | Universidad Banaras Hindu | India | Recipientes con filtros basados en nanotubos de carbono para remover contaminantes |
| 2 | Argonida | Estados Unidos | Filtros de nanofibra de óxido de aluminio desarrollados en sustrato de fibra de vidrio |
| 3 | Instituto Politécnico Rensselaer | Estados Unidos | Equipos con filtro de nanotubos de carbono para remoción de contaminantes. |
| 4 | SolmeteX | Estados Unidos | Resinas que enlazan metales pesados, para remoción de mercurio, arsénico, cianuro y cadmio de agua. |
| 5 | Universidad North West Potchefstroom | Sudáfrica | Tecnología de nanofiltración por nanomembrana. |
| 6 | Filmtec Corporation | Estados Unidos | Tecnología de nanofiltración por nanomembrana. |
| 7 | Instituto de Investigación del Agua Stephen & Nancy Grand | Israel | Osmosis reversa |
| 8 | Departamento de Agua Long Beach | Estados Unidos | Proceso de filtración de dos etapas a una relativa baja presión. |
| 9 | Instituto de Ciencia de Polímeros. Universidad de Stellenbosh | Sudáfrica | Tecnología de nanofiltración por nanomembrana. |
Por otro lado las membranas de grafeno, tienen excelente propiedades de permeabilidad y científicos en Manchester recientemente demostraron que es posible controlar la intercapa para hacerla selectivamente permeable permitiendo así su uso en procesos de desalinación, alcanzando hasta 97% de remoción de NaCl (Abraham et al. 2017). Sin embargo, su costo no es sostenible para tratamientos de aguas residuales a gran escala.
Las membranas de cerámica ofrecen muy alta resistencia a condiciones operativas extremas (pH, temperatura, flujo, intensidad de lavado) y a la presencia de agentes oxidantes y luz ultravioleta. Su superficie puede ser modificada con óxidos fotocatalíticos y con agentes orgánicos de recubrimiento (para desinfección y reducción del rebalse).
Las nanopartículas de plata y titanio, son ideales para la incorporación en membrana y así reducir el derrame en membranas poliméricas (Ng et al. 2010). Mientras zeolita, nanotubos de carbono y AQP proveen alta permeabilidad.
Aunque la incrementada permeabilidad de los nanocompositos de membrana de película delgada de zeolita, es más baja comparada con los nanotubos de carbono y AQP, su adaptabilidad al uso comercial es más fácil y rápida debido a sus similitudes a las actualmente comerciales membranas de osmosis reversa (Lee et al. 2011). Por otro lado, aún hay varios desafíos en la producción de compositos de membrana basados en nanotubos de carbón y AQP. En compositos de membrana de nanotubos de carbón, se requieren mejoras en funcionalización para un rechazo de sal y preparación de arreglos alineados de nanotubos. En los compositos de membrana basados en AQP, la capa de rechazo es formada por proteínas aquaporinas incorporadas e inmovilizadas en una capa polimérica anfifílica ultradelgada para imitar la membrana celular natural. Una capa de soporte poroso es añadida en uno o ambos lados para soporte mecánico. Varios problemas prácticos necesitan ser dirigidos para desarrollar compositos-AQP, como la identificación de materiales de soporte adecuados y la optimización de la producción e incorporación de AQPs. Más aún, para este tipo de membrana aún son desconocidos costos, rechazo específico y estabilidad operacional a largo término (Lee et al. 2011, Subramani et al. 2011).
La introducción de estos nuevos materiales está empezando a despertar un interés renovado en la osmosis. En este proceso de desalinización, una solución de enjuague permite extraer agua fresca a partir de agua salada o aguas residuales tratadas, (basado en la diferencia de presión osmótica y no en la presión hidráulica impuesta), entonces la energía termal de grado bajo se usa para reconcentrar la solución de enjuague diluida y recuperar el agua fresca (Cath et al. 2006). Se necesitan diseñar membranas específicas para la aplicación de la osmosis directa, y ya existen algunos productos disponibles comercialmente (Hydration Technology Innovation, Albany, USA).
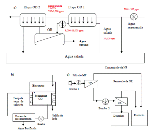
Otros procesos innovadores para el tratamiento de aguas residuales se esquematizan en la Figura 1 e incluyen: i) El uso de osmosis directa para la desalinización de efluentes tratados (Cath et al. 2010), ii) Osmosis directa en biorreactor de membrana (Achilli et al. 2009), iii) Recuperación de nutrientes de efluentes tratados con un sistema integrado de microfiltración, nanofiltración y osmosis reversa (Mrayed et al. 2011).

Nanomateriales para catálisis y fotocatálisis. Los nanomateriales son más efectivos que catalizadores convencionales por dos razones: su tamaño extremadamente pequeño (entre 80-100 nm, con la consecuente mayor superficie de proporción área-volumen) y por la mayor reactividad relacionada a la nano escala en sí (Chaturvedy et al. 2012). El último aspecto (p.ej.: entender como la disminución del tamaño de las partículas catalíticas altera el rendimiento catalítico intrínseco más allá de simplemente tratarse de una expansión del área de superficie), y el diseño/preparación de los catalizadores con un tamaño y estructura más efectivos son objetivos de la investigación en catálisis.
La catálisis heterogénea en particular tienen el potencial de ser uno de los más importantes y áreas productivas de las nanociencias y tecnología en las siguientes décadas (Shannon et al. 2008).
En el tratamiento de aguas residuales, el uso de los procesos oxidativos avanzados para la remoción de microcontaminantes orgánicos resistentes ha sido extensamente estudiado, pero la adopción de lámparas UV y ozono hacen que el gasto de energía sea prohibitivo. La aplicación de procesos solares foto-catalíticos basados en nanomateriales desarrollados recientemente puede abrir oportunidades para el desarrollo de procesos integrados de bajo-costo logre alcanzar la alta calidad requerida para re-uso de agua de lluvia y agua de desecho.
Un alto número de nanomateriales ha sido propuesto para aplicaciones fotocatalíticas, sin embargo limitaciones comunes han sido encontradas para los materiales o el proceso: i) Recombinación de cargas (con reducción consecuente de eficiencia de luz), ii) Transparencia de luz visible (aunque un fuerte esfuerzo se ha concentrado en doping de catalizadores), iii) Inestabilidad coloidal y derrame (ocurrencia potencial y extensión en matriz real es mayormente desconocida), iv) Recuperación de catalizador (en caso de reactores de lecho), v) Baja actividad, distribución de luz (en caso de catalizadores en soporte).
Entre los catalizadores semiconductores, el dióxido de titanio (TiO2) ha recibido el mayor interés en R&D de tecnología de fotocatálisis (Chong et al. 2010). Aunque la fotocatálisis basada en TiO2 es ampliamente estudiada y la remoción exitosa de un amplio rango de moléculas orgánicas ha sido demostrada, su aplicación aún no ha alcanzado la comercialización mayormente debido a las dificultades en la separación y recuperación de los catalizadores y su transparencia a la luz visible.
Los enfoques propuestos para superar los problemas post-separación son: i) Uso de membrana de filtración (Doll & Frimmel 2005). ii) Preparación del catalizador en fibrillas de nanoescala. (p. ej.: nanotubos, nanobarras, nanofibras y nanoalambres), en los cuales la dimensión está en el rango de los mm, permitiendo una fácil post-separación para el establecimiento de la filtración convencional (Chong et al. 2010, Huang et al. 2011). iii) Preparación de catalizadores en soporte y materiales nanocompositos, p. ej.: fotocatalizador en soporte de vidrio, zeolitas, cerámicas, carbón activado (Chong et al. 2010, Zhang et al. 2009). En la mayoría de los casos ambos actúan como adsorbente y fotocatalizador.
Para mejorar la adsorción de luz visible y desarrollar los procesos fotocatalíticos solares, el doping con metales pesados y no metales ha sido ampliamente investigado durante la última década (Han et al. 2009), entre los cuales el doping de nitrógeno parece ser más prometedor.
En general, existen pocos estudios disponibles que traten el problema de inestabilidad coloidal, debido a la salinidad y a la presencia de sustancias húmicas u otros compuestos orgánicos e inorgánicos disueltos que pueden encontrarse en cuerpos de agua y en efluentes (Laera et al. 2011).
Más aún, en aplicaciones para agua natural y efluentes tratados la turbidez influente es un factor limitante para cualquier proceso fotocatalítico. Se sugiere que el agua con menos de 5 NTU es adecuada para la degradación fotocatalítica, mientras que 30 NTU es el límite para desinfección de agua (Chong et al. 2010). El uso de sonicación en lugar de luz UV ha sido recientemente propuesto para superar el problema de la turbidez en aplicaciones de agua y agua de desecho (Pang et al. 2011).
Una preparación interesante de nanotubos de TiO2 (Okour et al. 2010, Shon et al. 2009), que parte de lodo obtenido durante la floculación del efluente de tratamiento biológico de agua residual municipal con sales de titanio, después del secado e incineración, donde se observó que los nanotubos con doping de tío-urea mostraron una alta actividad fotocatalítica.
Otros fotocatalizadores en nanoescala son los basados en óxido de zinc (Chiu et al. 2010), ya que este material es barato y el catalizador activo puede ser fácilmente preparado en condiciones moderadas formando nanofibras y nanobarras.
Nanomateriales para desinfección de agua. De acuerdo a Li et al. (2008), varios nanomateriales (naturales y fabricados) han mostrado tener fuertes propiedades antimicrobianas incluyendo: quitosano, nanopartículas de plata (nAg), TiO. fotocatalítico, fulerol, nanopartículas de fullerenos acuosos (nC60), nanotubos de carbono (CNT). Ya que, estos nanomateriales antimicrobianos no son fuertes oxidantes y son relativamente inertes en agua, no se espera que produzcan una desinfección dañina por sus co-productos. Por lo tanto, tienen el potencial de reemplazar o potenciar los métodos de desinfección convencionales, si son incorporados apropiadamente en los procesos de tratamiento convencional, y en tratamientos descentralizados de puntos de uso y reusó de sistemas.
Hay varios mecanismos propuestos, aunque en la mayoría de los casos su acción efectiva está aún investigándose. La acción de las nanopartículas fotocatalíticas usualmente incluye la producción de radicales oxidrilo, mientras que otros materiales parecen provocar daños directos a la membrana celular y/o interferencia con los procesos metabólicos.
Las principales limitaciones identificadas para la aplicación de estos nanomateriales en agua y desinfección de aguas residuales son:
- Los procesos de desinfección que requieren que el catalizador este en contacto con la superficie de la membrana celular para la inactivación microbiana deben ser exitosos. i) La recuperación del catalizador es difícil. ii) No existe remanentes de acción antimicrobiana en el agua.
Aplicaciones prometedoras de nanomateriales para la desinfección de agua son desarrolladas para soporte del catalizador en filtros, proveyendo de una filtración que se autolimpia que puede ser usada en aplicaciones de punto de uso.
Ecotoxicidad potencial de nanomateriales y procesos relacionados a aplicaciones de agua. Los nanomateriales en el agua no afectan directamente a los humanos, pero existe la posibilidad de que se puedan ingerir nanomateriales al consumir pescados. Por lo tanto, el impacto de los nanomateriales en organismos acuáticos debe ser tomado en cuenta. Los efectos dañinos de los nanomateriales en organismos acuáticos están relacionados principalmente a nanopartículas.
La emisión de nanopartículas al medio ambiente puede venir de fuentes puntuales, p.ej.: vertederos o plantas de tratamiento, o de fuentes no puntuales, como máquinas de lavado, ropa o cualquier otro material conteniendo nanopartículas (Gehrke et al. 2015).
Una mirada extensiva de los diversos efectos de las nanopartículas de TiO2 se dio a conocer el 2010 en un estudio de casos publicado por la Agencia de Protección al Medio Ambiente de los Estados Unidos (EPA) (Pederson et al. 2011) En ese estudio, diferentes tipos de nano- TiO2, diferentes vías de entrada y diferentes efectos en el medio ambiente y en organismos, incluyendo bacterias, algas, invertebrados, peces y plantas. Los efectos reportados en organismos acuáticos incluyen una disminución en la reproducción de daphnia así como distrés respiratorio, cambios patológicos en las branquias y el intestino, y cambios en el comportamiento de peces. Varios efectos agudos en algas podría ser demostrados dependiendo de la concentración media efectiva, dependiendo principalmente del tamaño de las partículas.
Conclusiones
La nanotecnología es un campo con mucho potencial. Continuamente se realizan mejoras en los sistemas de filtración utilizando membranas que no solo disminuyen en tamaño, sino en selectividad y duración, y aunque el costo aún sigue siendo elevado para un tratamiento de aguas a gran escala es importante mantenerse al corriente de los avances y tratar de replicar experiencias exitosas en otros países en nuestra propia comunidad. El estar pendiente a mejoras en procesos de desalinización podría ser utilizado en un futuro por ejemplo en desalinización del Lago Titicaca obteniendo de esta manera una fuente de agua para pobladores de esa región. Por otro lado en poblaciones donde el acceso al agua es limitado no solo basta con implementar dispositivos para la cosecha de agua, sino el asegurar que esta agua sea de buena calidad y apta para el consumo para lo cual los procesos de catálisis y fotocatálisis usando nanopartículas.
El campo de la nanotecnología aún no ha sido explorado del todo en nuestro país pero es pertinente conocer que muchas técnicas pueden adaptarse a nuestras necesidades siempre y cuando se consigan los socios estratégicos.
Literatura citada
Abraham J, Vasu KS, Williams CD, Gopinadhan K, Su Y, Cherian C, et al. Tuneable Sieving of Ions Using Graphene Oxide Membranes. Nat Nanotechnol 2017;12:546-50.
Achilli A, Cath TY, Marchand EA, Childress AE. The forward osmosis membrane bioreactor: a low fouling alternative to MBR processes. Desalination 2009;239(1-3):10-21.
Arnold R, Burnett DB, Elphick J, Feeley III TJ, Galbrum M, Hightower M, et al. Manejo de la producción de agua: De residuo a recurso. Oilfield Rev 2004:30-45.
Cath TY, Childress AE, Elimelech M. Forward osmosis: principles, applications, and recent developments, J Membr Sci 2006;281(1-2): 70-87.
Cath TY, Hancock NT, Lundin CD, Hoppe-Jones C, Drewes JE. A multi-barrier osmotic dilution process for simultaneous desalination and purification of impaired water. J Memb Sci 2010; 362(1-2):417-26.
Chaturvedi S, Dave PN, Shah NK. Applications of nano-catalyst in new era. J Saudi Chem Soc 2012;16(3):307-25.
Chiu WS, Khiew PS, Cloke M, Isa D, Tan TK, Radiman S, et al. Photocatalytic study of two-dimensional ZnO nanopellets in the decomposition of methylene blue. Chem Eng J 2010; 158(2):345-52.
Chong MN, Jin B, Chow CWK, Saint C. Recent developments in photocatalytic water treatment technology: a review. Water Res 2010; 44(10): 2997-3027.
Doll ET, Frimmel FH. Cross-flow microfiltration with periodical back-washing for photocatalytic degradation of pharmaceutical and diagnostic residues-evaluation of the long-term stability of the photocatalytic activity of TiO.. Water Res 2005;39(5):847-54.
Franek A, Koncagul E, Connor R, Diwata Hunziker D. Informe de las Naciones Unidas sobre los recursos hídricos en el mundo; 2015.
Gehrke I, Geiser A, Somborn-Schulz A. Innovations in nanotechnology for water treatment. Nanotechnology Sci Appl 2015;8:1-17.
Gil MJ, Soto AM, Usma JI, Guitiérrez OD. Contaminantes emergentes en aguas, efectos y posibles tratamientos Rev P+L 201;7(2):52-73.
Han F, Kambala VSR, Srinivasan M, Rajarathnam D, Naidu R. Tailored titanium dioxide photocatalysts for the degradation of organic dyes in wastewater treatment: A review. Appl Catal A Gen 2009;359(1-2):25-40.
Huang J, Cao Y, Deng Z, Tong H. Formation of titanate nanostructures under different NaOH concentration and their application in wastewater treatment. J Solid State Chem 2011;184(3):712-9.
Jung JY, Chung YC, Shin HS, Son DH. Enhanced ammonia nitrogen removal using consistent biological regeneration and ammoniumexchange of zeolite in modified SBR process. Water Res 2004;38:347-54.
Laera G, Jin B, Zhu H, Lopez A. Photocatalytic activity of TiO. nanofibers in simulated and real municipal effluents. Catal Today 2011; 161(1):147-52.
Laera G, Lens PNL. Nanotechnology for water and wastewater treatment: potentials and limitations En: Lens PNL, Virkutyte J, Jegatheesan V, Kim SH, Al-Abed S, editors. Nanotechnology for Water and Wastewater Treatment. IWA: 2013 p. 1-22.
Lange KE. The big idea. National Geographic Magazine. [Acceso sep 2017] Disponible en http://ngm.nationalgeographic.com/big-idea/09/desalination (on-line on 07.04.2011).
Lee KP, Arnot TC, Mattia D. A review of reverse osmosis membrane materials for desalination-development to date and future potential. J Memb Sci 2011;370(1-2):1-22.
Li Q, Mahendra S, Lyon D, Brunet L, Liga MV, Li D, et al. Antimicrobial nanomaterials for water disinfection and microbial control: potential applications and implications. Water Res 2008; 42:4591-602.
Lu F, Astruc D. Nanomaterials for removal of toxic elements from water. Coord Chem Rev 2018 356:147-64.
Morose G. The 5 principles of ‘‘Design for Safer Nanotechnology’’. J Clean Prod 2010:18(3): 285-9.
Mrayed SM, Sanciolo P, Zou L, Leslie G. An alternative membrane treatment process to produce low-salt and high-nutrient recycled water suitable for irrigation purposes. Desalination 2011; 274(1-3):144-9.
Neira-Fernández E. ¿Guerra por el agua? Observatorio de Política Internacional IV. Mundo Global, Marzo; 2009.
Ng LY, Mohammad AW, Leo CP, Hilal N. Polymeric membranes incorporated with metal/metal oxide nanoparticles: A comprehensive review. Desalination 2010;308(2):15-33.
Obare SO, Meyer JG Nanostructured materials for environmental remediation of organic contaminants in water. J Environ Sci Health A Tox Hazard Subst Environ Eng 2004;39(10):. 2549-82.
Okour Y, Shon HK, Saliby IJE, Naidu R, Kim JB, Kim JH. Preparation and characterisation of titanium dioxide (TiO.) and thiourea-doped titanate nanotubes prepared from wastewater flocculated sludge. Bioresour Technol 2010; 101(5):1453-8.
Pang YL, Bhatia S, Abdullah AZ. Process behaviour of TiO2 nanotube-enhanced sonocatalytic degradation of Rhodamine B in aqueous solution. Sep Purif Technol 2011;77(3):331-8.
Pedersen JA, Hamers RJ, Heideman W, Peterson RE. Final Report: Functionalized Metal Oxide Nanoparticles: Environmental Transformations and Ecotoxicity, Environmental Protection Agency (EPA); 2011.
Shannon MA, Bohn PW, Elimelech M, Georgiadis JG, Mariñas BJ, Mayes AM. Science and technology for water purification in the coming decades. Nature 2008;452(20):301-10.
Shon HK, Vigneswaran S, Kandasamy J, Kim JB, Park HJ, Choi SW, et al. Preparation of titanium oxide, iron oxide, and aluminium oxide from sludge generated from Ti-salt, Fe-salt and Al-salt flocculation of wastewater. J Ind Eng Chem 2009;15(5):719-23.
Simeonidis K, Mourdikoudis S, Kaprara E, Mitrakas M, Polavarapu L, Inorganic engineered nanoparticles in drinking water treatment: A critical review. Environ Sci Water Res Technol 2016;2:43-70.
Subramani A, Badruzzaman M, Oppenheimer J, Jacangelo JG. Energy minimization strategies and renewable energy utilization for desalination: A review. Water Res 2011;45(5):1907-20.
Tyagi S, Rawatani D, Kathri N, Tharmavaram M. Strategies for Nitrate removal from aqueous environment using Nanotechnology: A review J Wat Proc Eng 2018;21:84-95.
Zhang W, Zou LD, Wang LZ. Photocatalytic TiO./adsorbent nanocomposites prepared via wet chemical impregnation for wastewater treatment: A review. Appl Catal A Gen 2009; 371(1-2):1-9.
Zhang WX. Nanoscale iron particles for environmental remediation: an overview. J Nanopart Res 2003;5:323-32.
Zhu Y, Quan X, Chen F, Fan X, Feng Y. CeO2-TiO. coated ceramic membrane with catalytic ozonation capability for treatment of Tetracycline in drinking water. Sci Adv Mater 2012;4(20): 1191-99.
Notas
Notas de autor
Enlace alternativo
http://www.scielo.org.bo/scielo.php?script=sci_arttext&pid=S2072-92942018000100005&lng=es&nrm=iso (html)