Artículos
Método eficiente para integrar los costos de la generación eólica en el modelado de la expansión de la capacidad de generación
Efficient method to integrate operational costs of wind generation into problem of the generation capacity expansion modelling
Método eficiente para integrar los costos de la generación eólica en el modelado de la expansión de la capacidad de generación
Ingeniería, investigación y tecnología, vol. XXIIl, núm. 4, e1927, 2022
Universidad Nacional Autónoma de México, Facultad de Ingeniería
Recepción: 10 Septiembre 2021
Recibido del documento revisado: 05 Mayo 2022
Aprobación: 06 Agosto 2022
Financiamiento
Fuente: DGAPA
Nº de contrato: IA105021
Resumen: En este trabajo se presenta un método eficiente para integrar los costos operativos de la capacidad de la generación eólica, que incluya la red eléctrica linealizada, obteniendo una curva hipotética horaria capaz de representar el comportamiento de los generadores eólicos para su integración al modelo de planificación de expansión de la capacidad de generación. Finalmente, se integrará el modelo de la red eléctrica y la curva hipotética horaria al modelo de planificación de la expansión de la capacidad de generación y se estudiará su impacto técnico económico de considerar diversos agrupamientos para el modelado del aerogenerador. La metodología implementada mostró resultados eficientes al incorporar curvas hipotéticas horarias de la velocidad del viento al modelo de expansión de la capacidad de la generación, sin la necesidad de considerar la distribución de probabilidad de la velocidad del viento, logrando reducir los tiempos de simulación en un 99 % respecto a considerar todo el periodo de operación anual, esto permite ahorrar recursos computacionales y analizar el comportamiento de la generación eólica y su implicación económica en un sistema eléctrico.
Descriptores: Generación eólica, expansión de la generación, planeación, sistemas eléctricos de potencia.
Abstract: In this work, an efficient method to integrate the operating costs of the wind generation capacity, which includes the linearized electrical network is presented, the methodology consist in obtain a hypothetical hourly curve capable of representing the behavior of wind generators for their integration into the planning model of expansion of generation capacity. The implemented methodology showed efficient results by incorporating hypothetical hourly wind speed curves to the generation capacity expansion model, without the need to consider the probability distribution of wind speed, obtaining reduction in simulation times around 99 % with respect all overall expected year time, saving computational resources, and analyzing the behavior of wind generation and its economic implication in an electrical system. Finally, the model of the electrical network and the hypothetical hourly curve will be integrated into the planning model for the expansion of generation capacity and its technical-economic impact of considering various groupings for the modeling of the wind turbine is presented.
Keywords: Wind generation, generation expansion, power system planing, wind velocity.
Introducción
Con el aumento continuo de la demanda eléctrica, se requiere la evaluación y planificación de nueva infraestructura en el sector eléctrico de cada país (León de los Santos, 2003). Por lo cual, es necesario identificar una evaluación económica y financiera de los posibles proyectos a invertir e incluirlos en los sistemas eléctricos. Una solución a esto es la Planificación de la Expansión de la Generación (PEG), la cual consiste en determinar:
Por lo tanto, el problema debe encontrar un plan de inversión económico para los nuevos proyectos de generación (Hinojosa, 2006).
Por otra parte, en los modelos de operación económica y planificación, se consideran en forma simplificada las leyes físicas de los Sistemas Eléctricos de Potencia (SEP) para poder acoplarlas al problema económico, siendo este en su conjunto la minimización de los costos de inversión y operación sujeto a restricciones de operación del sistema (Ballireddy & Modi, 2019). En este sentido el PEG se puede plantear como un modelo de optimización para encontrar la mejor solución de las nuevas inversiones de generación. Los autores Kagiannas et al. (2004) presentan diversos modelos para resolver el problema del PEG. Dentro de las principales técnicas de optimización para resolver el PEG se encuentran: Programación lineal o programación lineal entera-mixta, algoritmos heurísticos o metaheurísticos (Park et al., 2000; 1999; Meza et al., 2009) por mencionar algunos. Además del modelo del PEG algunos autores se han enfocado en introducir diversas restricciones operativas, por ejemplo, considerando restricciones de confiabilidad (Levitin, 2000).o control de emisiones (Sirikum et al., 2007). Dentro de las principales aportaciones del modelado del PEG se han realizado trabajos alternativos que consideran modelos de programación no lineal entero mixto (MINLP), dada la complejidad de la formulación (No lineal), se busca resolver dichas formulaciones a través de técnicas metaheurísticas que surgen de la inteligencia artificial, tales como Búsqueda Tabú (BT) (Hincapié et al., 2017). Adicionalmente, una forma alternativa de resolver el PEG es a través de la discretización de la demanda para obtener los costos de operación de las nuevas inversiones. Por ejemplo, al considerar las horas operativas de los nuevos generadores se requieren formular 8760 horas/año dentro de la función objetivo (Gutiérrez et al., 2020). El PEG incorporaría demasiadas variables de decisión en el problema general, además de las variables de inversión (nuevas tecnologías de generación) en el problema de planificación. Incluso en el caso de sistemas relativamente pequeños, el mayor esfuerzo de cálculo y el tiempo de solución harían que la resolución fuera poco práctica. En este contexto, los planificadores de los sistemas eléctricos agrupan la curva de duración de carga (CDC) en bloques, seleccionando un número limitado de porcentajes de la demanda en lugar de utilizar curvas de carga cronológicas para estimar los costos operativos de la producción energética (Boitiux 1960) tanto de plantas existentes como de las nuevas inversiones. La principal ventaja de considerar bloques de demanda es el ahorro de tiempo computacional y la reducción de las variables en el modelo, aunque caso contrario es la perdida de la temporalidad de la demanda, lo cual traería soluciones sub optimas (Milligan, 1996). Tal es el caso de González et al. (2018) donde consideran una curva representativa diaria para evaluar la variabilidad y temporalidad de la planificación de los sistemas eléctricos. Alternativamente en Pineda & Morales (2018), se utilizan técnicas de agrupamiento (cluster) para conservar la cronología de los parámetros de operación dependientes del tiempo en el horizonte de planificación de los sistemas eléctricos de potencia. Dentro de los modelos de agrupamiento el más conocido de los métodos de clustering es k-means (k-medias) y es el utilizado en el método propuesto del presente trabajo para reducir los escenarios de generación eólica manteniendo el problema de optimización asociado más pequeño. Este enfoque ha sido utilizado por diversos investigadores (Aravena et al., 2015a; 2015b). Existen algunas aplicaciones en la generación eólica, tanto en su análisis (Siface, 2012) como en su predicción (Lorenzo et al., 2011) y en su modelado (Giraldo et al., 2014).
En este artículo se propone un método eficiente para integrar los costos operativos de la capacidad de las nuevas inversiones en generación eólica, obteniendo una curva hipotética horaria (CHH) capaz de representar el comportamiento de los generadores eólicos para su integración al modelo de planificación de expansión de la capacidad de generación, además de la integración de un modelo de red eléctrica linealizado. El articulo está organizado de la siguiente manera: Sección 1 introducción, sección 2 obtención de la curva hipotética horaria, en la sección 3 se presenta el modelo de la planeación de la capacidad de la generación, en la sección 4 se describe el método propuesto, la sección 5 se presentan las pruebas y resultados del método propuesto en un sistema de 6 nodos, la sección 6 prueba el método propuesto en una red eléctrica de mayor tamaño como lo es el sistema del IEEE RTS de 24 nodos para consolidar la propuesta. Finalmente la sección 7 presenta las conclusiones.
Curva hipotética horaria
Las técnicas de agrupamiento o clustering son ampliamente ocupadas para el análisis de datos y reconocimiento de patrones, partiendo de tendencias que presentan subconjuntos dentro de una población de objetos a analizar. Su propósito es el de construir una subclase o agrupamiento para hacer que estos elementos del grupo tengan similitudes, también el identificar datos atípicos que puedan tener tendencias que expertos del área consideren atípicos o ruido.
En este trabajo el método de K-means se utiliza para la obtención de la CHH para representar la capacidad eólica en una región, derivado de datos de medición del viento y adaptados a la potencia de generación de turbinas eólicas. Para el método de K-means el centroide representa la media de cada grupo y en el presente método el centroide está representado por un elemento del grupo al que representará. A continuación, se describe el algoritmo general de k-means:
Se seleccionan k elementos del total de datos de la muestra inicial, cada uno de estos elementos consideran los centroides del mismos número k grupos que van a analizar. Se calculan todas las distancias de todos los objetos restantes a los centroides, y se asigna la pertenencia de cada objeto al clúster que tenga más cercano. Posteriormente, se calcula el error absoluto por medio de (1).
Donde:
dist =distanciap =puntoc =número de agrupamientosPosteriormente se reemplaza uno de los elementos representativos por cualquier otro elemento de forma aleatoria, se hace una nueva iteración de las agrupaciones y se calcula el error absoluto. Partiendo de los nuevos centroides se realizan nuevamente los dos pasos anteriores, tantas veces como iteraciones se tengan consideradas, logrando tener las agrupaciones finales donde se produce el menor valor de la sumatoria de errores absolutos (Likas et al., 2003).
Modelo linealizado de la red eléctrica
Debido a que la potencia activa y reactiva son funciones no lineales del módulo y ángulo de voltaje por el desacoplamiento existente entre el ángulo de voltaje y la potencia reactiva, puede formularse una relación lineal para la potencia activa muy aproximada, si se consideran las siguientes suposiciones en el sistema (Sun & Tesfatsion, 2007):
El flujo de potencia en la rama que conecta los nodos k y m es solo una componente del vector Fp y está dado por:
El vector de potencias Fp puede escribirse en función de los ángulos de voltaje mediante la expresión:
Modelado de la planeación de la capacidad de expansión de la generación
La formulación matemática del PEG tiene por objetivo minimizar los costos de operación e inversión dentro de un periodo de planificación. Se formula a partir de un modelo matemático de programación lineal entero mixto. La función objetivo que describe este modelo se presenta a continuación:
Sujeto a:
Donde:
Ivg =costos de inversión del generador gNug =número de unidades de potencia con decisión de construcciónOMg =costos de operación y mantenimiento de las nuevas plantas de generaciónPmg =potencia activa máxima del generador gCOeg =costos de operación de las unidades existentesCOig =costos de operación de las unidades candidatasCOvg =costos de operación de las unidades virtuales para asegurar la convergencia del modelo matemático ante situaciones operativas restrictivashy =horas del periodo de operación a considerar en el análisisMR =margen de Reserva a considerar en el periodo de planeaciónD =demanda del sistema eléctricoGeivg =potencia generada por las unidades existentes, candidatas y virtualesFpkn =flujos de potencia de la red eléctrica del sistemabkn =susceptancia del elemento de transmisión k conectado al nodo nθ =ángulo nodalL =todas las líneas pertenecientes a la red de transmisión del sistemaPg =potencia del generador gB =conjunto de generadores del sistema eléctrico de potencia a analizarNmg =número máximo de plantas de generación a invertirLa función objetivo resuelve los costos de inversión y operación en la integración de nuevas plantas de generación en el sistema eléctrico. La restricción (5) es el Margen de capacidad de reserva. La restricción (6) es la ecuación de balance nodal, esta ecuación nos indica que la sumatoria de las potencias despachadas de cada generador ya sea existente, candidata, más el flujo de energía en las líneas de transmisión debe ser igual a la carga. La restricción (7) se refiere a los límites de transmisión. La restricción (8) es la ecuación de Transformación no lineal, esta se refiere a la necesidad de limitar la potencia activa suministrada por todas las unidades candidatas del generador g. Estas variables de decisión representan la producción total de la planta de energía. La ecuación (9) es la restricción de las unidades de potencia máxima a ser instalada. La ecuación (10) es la del bus slack=0 y el resto de los ángulos de fase de voltaje máximo es
Método propuesto
La metodología propuesta para la evaluación de los costos operativos que aportan los generadores eólicos en el PEG, a través de la obtención de la CHH, es capaz de representar el comportamiento del viento en cierta región, con lo que se puede modelar el comportamiento de la salida de potencia de los generadores eólicos, los pasos a seguir se muestran a continuación:
1. Obtención de datos y tecnologías para los nuevos proyectos de generación eólica, los cuales deben incluir al menos, ubicación, capacidad, costos de operación, inversión y mantenimiento.
2. Evaluación de los proyectos. Es posible evaluar el modelo de PEG considerando solamente las variables de inversión. Como se aprecia en:
De este paso se obtienen las nuevas unidades a instalarse, donde se minimiza el costo de inversión al obtener las unidades necesarias para satisfacer la demanda del sistema eléctrico. Las restricciones (6) a (9) son consideradas para este paso.
3. Obtención de la CHH. Se toman los datos históricos para la medición del viento, en el nodo donde nuevas plantas de generación eólica sean identificadas del paso 2.
4. Aplicar algoritmo de partición. Para obtener una curva que represente el comportamiento de los datos eólicos de todo el año recurrimos a la técnica K-means para el agrupamiento de los datos con mayor similitud en k cantidades de grupos. La Figura 1 muestra tres curvas hipotéticas de la velocidad del viento de un año.
5. Una vez obtenidas las curvas del viento hipotéticas y conociendo las unidades nuevas a instalar, se obtiene la potencia de los generadores eólicos a través de la velocidad del viento para determinar exactamente la capacidad de energía eléctrica que disponemos con las curvas obtenidas para el periodo correspondiente de demanda. Para lograr lo antes mencionado recurrimos a la ecuación (12), la cual hace referencia a la potencia de salida de un generador eólico
Donde Cp es el coeficiente de Betz, ρ se refiere a la densidad del aire, A es el área del Aero generador y V es la velocidad del viento obtenida de las CHH.
6. Costos de operación. Con los datos de nuevas inversiones de generación eólica y las potencias de salida obtenidas a través de la CHH. Podemos obtener los costos operativos considerando la ecuación (13):
Sujetos a las restricciones operativas del sistema restricciones (6) y (10) del modelo presentado.

La metodología propuesta, asegura la evaluación de la generación eólica dentro del problema de expansión de la generación, con la finalidad de reducir la incertidumbre que el modelado del viento presenta en los costos operativos para la evaluación de la planificación considerando generadores eólicos. La Figura 2 resume el desarrollo de la secuencia de pasos.

Pruebas y resultados
En esta sección se estudian dos sistemas de prueba. Sin perder la generalidad para una fácil reproducción, se comienza con la evaluación del método propuesto con el sistema de 6 nodos, mostrado en la Figura 3 (Wood & Wollenberg, 1996), este cuenta con tres plantas de generación térmicas existentes y 10 líneas de transmisión con una capacidad máxima de 500 MW las principales características de las líneas son tomadas de Hinojosa (2016), la carga del sistema es de 1000 MW dividida en partes iguales en los nodos de carga del sistema. El modelo fue implementado en CPLEX® bajo código en Matlab®, utilizando una PC Intel core i5 2-GHz, 8 GB RAM, y Windows 10 64-bit OS.

Para validar la implementación del modelo se compara con Hinojosa (2016), la Tabla 1 muestra los resultados obtenidos.

Como se aprecia en la Tabla 1 se realizó la validación del modelo. En ambas simulaciones los resultados fueron idénticos al documento de referencia, se puede afirmar que la formulación aplicada en el entorno Matlab fue exitosa y a partir del propio modelo ahora se podrán incorporar aportaciones del método y analizar diversos sistemas eléctricos aplicados a la expansión de la capacidad de la generación como se presenta a continuación.
Para integrar el paso 1 de la metodología propuesta, la Tabla 2 (Aravena, 2015b) presenta los datos utilizados en este análisis.

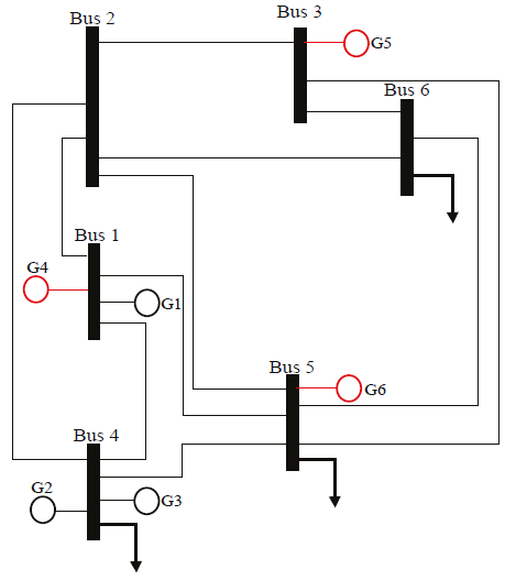
Para el paso 2, al realizar la simulación con los datos de la Tabla 2, la configuración final de la red se aprecia en la Figura 4.

En total, para mantener la demanda eléctrica y las reservas de generación del sistema se requieren de la inversión de 6 nuevas plantas de generación, donde se tienen dos nuevas unidades de generación en el nodo 1 (tecnología de ciclo combinado) y 300 MW de nueva generación, 1 unidad carboeléctrica en el nodo 5 y 250 MW de capacidad instalada, mientras que en el nodo 3 en el cual considera generación eólica, se requirieron tres nuevas plantas de generación con una capacidad instalada de 300 MW, en total para el sistema eléctrico de potencia completo se requieren 850 MW de nueva capacidad de generación instalada.
Posteriormente se deben calcular las CHH (paso 3). En este trabajo se tomaron de la base de datos del Atlas Eólico Mexicano del Instituto Nacional de Electricidad y Energías Limpias (INEEL, 2018) para un año, los cuales se muestran en la Figura 5.

Aplicando la técnica de agrupamiento descrita en la sección 3, obtenemos la siguiente CHH para un día representativo del año (24 hrs) (paso 5). Una vez que se calculó la CHH se toman las características del viento y se calcula la potencia de salida de las plantas eólicas instaladas para tener una estimación de la potencia eólica generada. En la Figura 6 se pueden observar las características obtenidas del paso 5 con la CHH para los datos representativos. En ese sentido, la solución obtenida por el modelo de expansión de la generación da como resultado la solución para el bus 3, proponiendo 3 nuevos generadores eólicos de 100 MW de capacidad.

De la Figura 6, podemos observar la potencia de salida de uno de los generadores de 100 MW de capacidad. Se aprecia el comportamiento similar a la CHH, adicionalmente se tiene que la hora de mayor aprovechamiento eólico (hora 10-12) es en donde mayor producción de generación eólica se tiene por parte de los aerogeneradores, en este caso, para la hora 3 se tiene que la potencia del aerogenerador es apenas 22 MW.
Finalmente, la Figura 7 presenta el despacho de los generadores tanto existentes como los nuevos. Como se puede apreciar en cada uno de los periodos se tiene participación de energía eólica (G5), la cual se ve directamente influenciada por la velocidad del viento en cada uno de los periodos. La base del despacho se da con las unidades existentes y conforme aumenta la demanda se despachan las nuevas unidades.

Adicionalmente podemos apreciar en la Figura 8 la aportación de energía anualizada de las nuevas inversiones. Se observa que la generación eólica (G5) es la que mayor aportación de energía presenta en una representación horaria. Esto se debe a que la aportación operativa se toma con un costo bajo. Mientras que G4 (ciclo combinado) debido a que los costos operativos de generación son mayores en comparación con los otros dos generadores, es el que muestra una aportación de menor energía al sistema.

La Tabla 3 muestra los costos operativos considerando 8760 horas de datos de medición horaria del viento (Figura 1), donde se obtuvieron los costos operativos. En ese sentido, se puede concluir que la CHH se aproxima en 57 % a los costos operativos considerando plantas eólicas de generación. Asimismo, es importante señalar la reducción del tiempo computacional para la obtención de los costos operativos, los cuales son reducidos en un 99 %.

Adicionalmente se consideran dos escenarios ampliando el número de periodos de tiempo a considerar en la obtención de la CHH:
Escenario 1.- CHH para 48 datos
Escenario 2.- CHH para 96 datos
Escenario 1
En la Figura 9 se presenta el despacho de potencia de todos los generadores del sistema para satisfacer la demanda en cada periodo, en la figura podemos apreciar que en el periodo 10 se tiene la mayor aportación de potencia de la planta eólica, disminuyendo así la generación térmica de las unidades nuevas.

En la Figura 10 se presenta la energía de salida para las nuevas inversiones, en la cual se observa que la planta carboeléctrica (G6) alcanza picos de generación de 11 GWh principalmente en los periodos de demanda máxima (24 hrs).

Podemos observar además cómo las unidades térmicas (G4 y G6) son utilizadas para satisfacer la energía del sistema debido a que el periodo 24 y 48 es donde se alcanza mayor consumo de energía. Mientras que la planta eólica disminuye su aportación a la red.
Escenario 2
En este escenario podemos observar en la Figura 11, el impacto en la generación eólica, es decir, mientras mayor es la generación eólica menor es la generación con unidades térmicas, minimizando los costos operativos de la red. Este impacto se puede observar claramente en los periodos 36, 37 y 84. Adicionalmente se observa que los generadores existentes (G1, G2 y G3) mantienen sus potencias generadas al máximo de su capacidad, debido a la intermitencia de G5.

Finalmente, la Figura 12 presenta la energía de las nuevas inversiones, donde se observa el efecto de la G5 y la aportación de energía, donde los periodos en los que mayor disposición de viento existe, menor es la aportación energética de las plantas térmicas.

En este contexto, se puede resumir que a mayor generación con energía eólica, menor será el despacho de las unidades térmicas existentes, beneficiando en la reducción de combustibles fósiles y disminuyendo los costos de operación del sistema.
Por otra parte, los costos de operación del sistema se encuentran determinados en función de las inversiones realizadas. En este sentido, se determinó que a mayor inversión, menor es el costo de operación del sistema y viceversa, a menor costo de inversión mayor será el costo de operación del sistema.
La Tabla 4 presenta un resumen de los resultados obtenidos en la metodología. Para el caso de los costos de generación en cada uno de los escenarios, se identificó que entre mayor sea el número de horas consideradas para la generación eólica tendremos mayor precisión en los costos de generación de un sistema eléctrico considerando 8760 horas.

La metodología implementada mostró resultados eficientes al incorporar una curva hipotética de generación eólica en el modelo de expansión de generación sin la necesidad de contar con un modelo 2 y 3 en 34 % y 54 %, respectivamente, mientras que al comparar el escenario 1 con las 8760 horas estocástico, logrando reducir los tiempos de simulación de manera logica comparando el escenario 1 respecto al escenario, la diferencia de tiempo es de 99 %, ahorrando recursos computacionales y facilitando la implementación al no considerar a detalle la parte estocástica de la generación eólica.
Sistema de 24 nodos del IEEE
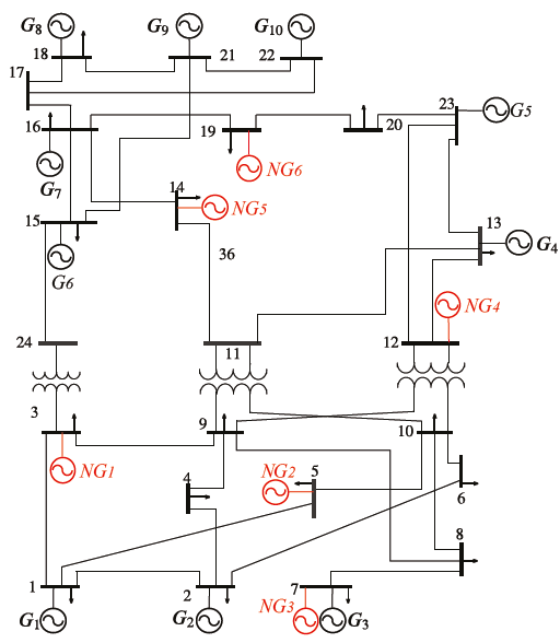
El caso de estudio utilizado para implementar el modelo PEG es el sistema de prueba IEEE RTS de 24 buses, los datos de los generadores y la red se tomaron de Grigg et al. (1999), el diagrama unifilar de la red es presentado en la Figura 13 y el número máximo de unidades de potencia a construir es 3. Los principales datos de las plantas candidatas de generación se presentan en la Tabla 5. Se consideran 96 periodos para la construcción de la curva eólica.


Una vez implementado el modelo PEG propuesto en este trabajo, en la Tabla 6 se resumen los resultados obtenidos para este sistema. Se observa la cantidad de unidades nuevas a invertir por cada generador propuesto, los costos de inversión, operación y mantenimiento y el costo total que representaría el sistema de generación en dicho escenario.

Conclusiones
Dado un conjunto de inversiones, los costos de la operación se encontrarán determinados en función de las inversiones hechas. Así para cada conjunto de decisiones de inversión habrá un costo de operación, el cual casi siempre a mayor inversión, menor será el costo de operación, y viceversa, a menor inversión los costos de operación serán mayores.
Analizando los costos de generación en cada uno de los escenarios del sistema se identificó que el costo total de generación del sistema se aproxima a medida que consideramos curvas hipotéticas de generación eólicas con mayor cantidad de horas, es decir, mientras mayor sea el número de horas consideradas para la curva de generación eólica tendremos mayor precisión en los costos de generación. Sin embargo, entre mayores sean las horas consideradas, los costos computacionales cada vez serán mayores, por lo que la reducción de escenarios o clusters en la generación eólica nos permitirá tener costos más exactos sin la necesidad de considerar la totalidad de datos. El costo total de generación más bajo se obtiene al tener una diversificación en la generación eléctrica, esto se observó en el caso donde se combinó generación térmica y eólica, resultando más bajo el costo total que cuando se tiene generación únicamente térmica o eólica, lo cual nos permite no depender de un solo energético, reducir las emisiones de contaminación por generación, minimizar los costos y cumplir con los compromisos ambientales adquiridos en materia energética. Finalmente, la metodología permite reducir los tiempos de simulación, ahorrar recursos computacionales y obtener un método eficiente para determinar los costos operativos en un sistema eléctrico.
Agradecimientos
Los autores quieren agradecer el apoyo financiero recibido por el programa DGAPA-PAPIIT-Proyecto IA105021 bajo el cual se permitió desarrollar este trabajo. Asimismo, Luis Osvaldo Martínez-Lara agradece al CONACYT/México por la beca otorgada para cursar sus estudios de maestría.
Referencias
Ballireddy, T. R. R., & Modi, P. K. (2019). Reliability evaluation of power system incorporating wind farm for generation expansion planning based on ANLSA approach. Wind Energy, (we.2335). http://doi:10.1002/we.2335
Boitiux, M. (1960). Peak-Load pricing. The Journal of Business, 33 (2), 157-179.
Gil, E., Aravena, I., & Cardenas, R. (2015a). Generation capacity expansion planning under hydro uncertainty using stochastic mixed integer programming and scenario reduction. IEEE transactions on power systems: a publication of the Power Engineering Society, 30(4), 1838-1847.
Gil, E., Aravena, I., & Cardenas, R. (2015b). Generation capacity expansion planning under hydro uncertainty using stochastic mixed integer programming and scenario reduction. 2015 IEEE Power & Energy Society General Meeting. IEEE. Recuperado de https://doi.org/10.1109/TPWRS.2014.2351374
Giraldo, J. S., Castrillón, J. A., & Granada, M. (2014). Stochastic AC optimal power flow considering the probabilistic behavior of the wind, loads and line parameters. Ingeniería Investigación y Tecnología, XV (4), 529-538. https://doi.org/10.1016/S1405-7743(14)70651-1
González, N., Gutiérrez, G., & Gil, E. (2018). Transmission expansion planning considering an hourly demand curve. IEEE Latin America Transactions, 16(3), 869-875. http://dx.doi.org/10.1109/TLA.2018.8358667
Grigg, C., Wong, P., Albrecht, P., Allan, R., Bhavaraju, M., Billinton, R., & Singh, C. (1999). The IEEE reliability test system-1996. A report prepared by the reliability test system task force of the application of probability methods subcommittee. IEEE transactions on power systems : a publication of the Power Engineering Society, 14(3), 1010-1020. https://doi.org/10.1109/59.780914
Gutiérrez, G., González, N., & Gil, E. (2020). An efficient method for Contingency-Constrained transmission expansion planning. Electric Power Systems Research, 182(106208), 106208. http://dx.doi.org/10.1016/j.epsr.2020.106208
Hincapié, R. A., Home, J. M., & Gallego, R. A., (2017). Nuevo modelo para la expansión de sistemas eléctricos de distribución con generación distribuida considerando un planeamiento multi-etapa coordinado. Ingeniería Investigación y Tecnología , 18(1), 43-53. http://dx.doi.org/10.22201/fi.25940732e.2017.18n1.004
Hinojosa, V. (2016). Static generation capacity expansion planning using linear transmission distribution factors. IEEE PES Transmission & Distribution Conference and Exposition-Latin America (PES T&D-LA). IEEE.
INEEL, (2018). Lista de proyectos equipo universitario. Web: Atlas eólico México. Recuperado de http://aems.ineel.mx/ProjectListMap.aspx?&Rnd=277892
Kagiannas, A. G., Askounis, D. T., & Psarras, J. (2004). Power generation planning: a survey from monopoly to competition. International Journal of Electrical Power & Energy Systems, 26(6), 413-421.
León de los Santos, G. (2003). Ventajas económicas y ambientales para el aprovechamiento del potencial industrial de cogeneración en México. Ingeniería Investigación y Tecnología , 4(1), 59-70. http://dx.doi.org/10.22201/fi.25940732e.2003.04n1.004
Levitin, G. (2000). Multistate series-parallel system expansion-scheduling subject to availability constraints. IEEE transactions on reliability, 49(1), 71-79. https://doi.org/10.1109/24.855538
Likas, A., Vlassis, N., & Verbeek-J., J. (2003). The global k-means clustering algorithm. Pattern Recognition, 36(2), 451-461.
Lorenzo, J., Méndez, J., Castrillón, M., & Hernández, D. (2011). Short-term wind power forecast based on cluster analysis and artificial neural networks. En Advances in Computational Intelligence, 191-198. Berlin, Heidelberg: Springer Berlin Heidelberg.
Meza, J. L. C., Yildirim, M. B., & Masud, A. S. M. (2009). A multiobjective evolutionary programming algorithm and its applications to power generation expansion planning. IEEE transactions on systems, man, and cybernetics. Part A, Systems and humans. IEEE Systems, Man, and Cybernetics Society, 39(5), 1086-1096. https://doi.org/10.1109/TSMCA.2009.2025868
Milligan, M. R. (1996). Alternative wind power modeling methods using chronological and load duration curve production cost models. Recuperado el 21 de agosto de 2021, de Recuperado el 21 de agosto de 2021, de https://www.nrel.gov/docs/legosti/old/8171.pdf
Jong-Bae, P., Young-Moon, P., Jong-Ryul, W., & Kwang, Y. L. (2000). An improved genetic algorithm for generation expansion planning. IEEE transactions on power systems, 15(3), 916-922.
Park-M., Y., Won-R., J., Park-B., J., & Kim-G., D. (1999). Generation expansion planning based on an advanced evolutionary programming. IEEE transactions on power systems : a publication of the Power Engineering Society , 14(1), 299-305.
Pineda, S., & Morales, J. M. (2018). Chronological time-period clustering for optimal capacity expansion planning with storage. IEEE transactions on power systems: a publication of the Power Engineering Society, 33(6), 7162-7170. https://doi.org/10.1109/TPWRS.2018.2842093
Siface, D. (2012). A statistical characterization of wind generation and development of a stochastic LP model for the solution of the unit commitment problem in power systems with high RES penetration. Italy.
Sirikum, J., Techanitisawad, A., & Kachitvichyanukul, V. (2007). A new efficient GA-benders’ decomposition method: For power generation expansion planning with emission controls. IEEE transactions on power systems: a publication of the Power Engineering Society , 22(3), 1092-1100.
Sun, J., & Tesfatsion, L. (2007). DC optimal power flow formulation and solution using quadprogj. economic working. Paper No. 06014, Iowa State University, 62. Recuperado de https://dr.lib.iastate.edu/handle/20.500.12876/22480
Wood, A. J., & Wollenberg, B. F. (1996). Power generation, operation and control. John Wiley & Sons. https://doi.org/10.4236/epe.2013.54B143
Notas
González-Cabrera, N., Martínez-Lara, L. O., Torres-García, V., Salgado-Herrera, N., & Rodríguez-Rodríguez, J. R. (2022). Método eficiente para integrar los costos de la generación eólica en el modelado de la expansión de la capacidad de generación. Ingeniería Investigación y Tecnología, 23 (04), 1-11. https://doi.org/10.22201/fi.25940732e.2022.23.4.029