Articles
Study and analysis on some design aspects in single and multi-axis active magnetic bearings (AMB)
Study and analysis on some design aspects in single and multi-axis active magnetic bearings (AMB)
Journal of applied research and technology, vol. 19, no. 5, pp. 448-471, 2021
Universidad Nacional Autónoma de México, Instituto de Ciencias Aplicadas y Tecnología
Received: 09 July 2020
Accepted: 28 April 2021
Published: 31 October 2021
Abstract: Active magnetic bearing (AMB) is a substitute for conventional bearing, which provides electromagnetic force to support the rotating part respecting the stator. The utilization of electromagnetic force makes this bearing “active”. The attraction force of an AMB system can be controlled by manipulating the input so that the rotor can levitate at the required position. As there is lot of limitation in passive magnetic bearings, the AMB is very useful for modern applications. Because of the frictionless nature of the magnetic bearing and the lack of necessity of lubricants, currently, AMB is taking place as the alternative for any other bearing in multiple applications of the growing industry. Adequate knowledge of essential components is necessary for the successful implementation of any active magnetic bearing design. Therefore, in this paper, a magnetic analysis has been done for the different types of single and multi-axis AMBs using ANSYS Maxwell with extensively reviewed components.
Keywords: Actuator, AMB, current controller, power amplifier, position sensor, ANSYS Maxwell.
1. Introduction
Magnetic bearings maintain the maximum speed among all other conventional bearings. There are many disadvantages of the magnetic bearing constructed using permanent magnet since the force obtained by the permanent magnet is fixed (Liu et al., 2004). Active magnetic bearing (AMB) proves to be most advantageous among all the bearings. Active magnetic bearings work on the basis of the attractive force generated by the stator field acting on a ferromagnetic rotor. The unstable magnetic force produced between the rotor and stator implied uncertainty to the position of the rotor; therefore, an analog or digital controller is used for stabilizing the rotor position. The position and displacement of a rotor are measured using the position sensor, and the signal is transferred to the controller, and the control signals is fed to power amplifier to change the current flowing to the stator of AMB in its desired value, in this way the position of the rotor is stabilized.
The active magnetic bearing can support a rotor shaft which has no contact with the stator, it is done by magnetic forces produced by a control electromagnet, and it is called active magnetic bearing. The permanent magnet could not allow stable position, because it produces uncontrolled magnetic forces. Block diagram of AMB system is shown in Figure 1. In case of AMB, for measuring the air gap, displacement of a rotor with the stator is needed to be measured. The control signals are processed in a controller and fed to the power amplifier, and further, the control current is fed to the electromagnet in such a way that the rotor is kept in hovering position.

The system setup being described is for controlling in one direction only and for practical applications we need multiple inputs and multiple output control. It could measure the displacement in the vertical direction,and the inclination measures the displacement in the horizontal direction.
2. Different equipment used in AMB
2.1. Actuator
The stator part of an AMB is an electromagnet which acts as an actuator, and this actuator produced a suspension force. Magnetic flux is produced when a current is passing through the coil mounting around a ferromagnetic material which attracts nearby another ferromagnetic material. The instantaneous voltage equation across the magnetic coil is given in equation 1 and the magnetic force produced is shown in Figure 2. The AMB system is a strongly non-linear system. So, the linearization of a system is necessary.

Here, ‘R’ is the resistance of the coil, ‘i(t)’ is the current flowing through the winding and ‘V(t)’ is the voltage appliedto the AMB system. The force of attraction between the actuator and rotor is non-linear. The force expression is given by
Where, ’N’ is the number of coil turns, ’A’ is the magnetic pole face area, ’i(t)’ is the instantaneous current and x(t) is the distance between pole face of the electromagnet and the rotor. When the force produced by the electromagnetic equal with the gravitational force, then the rotor is levitated in the air without any physical support. In this way, the rotor will levitate and can be rotated in the air freely without any physical contact with the actuator as a result of less noise, finite speed, long life and heatless of a system.
Using Newton 2nd law of motion, the mechanical equation of AMB system can be written as
Where m is the mass of the rotor, ‘g’ is the gravitational constant, ‘i’ is the current through the coil and ‘x’ is the ball position.
The critical part of the AMB system is its actuator. Amplifier and actuator together convert the electrical signal receives from the controller into a force applied to rotor shown in Figure 3. In general, the combination of a random array of amplifiers and electromagnets construct the actuator for an AMB system. Different types of structures can be used for the AMB system shown Figure 4. Similar types of elements are required for these actuators: a stator, rotor, power amplifier etc (Banerjee et al., 2011).


Electromagnetic analysis has been carried out for checking the performance of different structures (as shown in Figure 4) using ANSYS Maxwell and the result is presented. From the result, a single axis I-type actuator exhibited enhanced force, while for double, triple and quadruple axis forces decreasing comparatively. For a U-type single coil, the single axis force is higher; and for a double axis, the force is lower. Similarly, for the U-type double coil, the single axis, the force produced is higher than the double axis. From this result, we get a good idea about the force for different structures.
Ansys Maxwell simulation result of force for the I-type single axis and the multi axis is shown in Figures 5-8, the U-type single axis and the multi axis for the single coilare shown in Figure 9. Figure 10 and the U-type single axis and multi axis for the double coilare shownn Figures 11 and 12. All these analyses are done for 10mm air gap between the actuator and the rotor.








Table 1 shows the electromagnetic force for different types of actuators. To see the performance these data are plotted n the graph. Figure 13 shows the force graph; here, the single-axis force is higher than that of the double and quadruple axis actuator because there is no cancellation of force. In the double-axis AMB, the force produced by both the coil canceled each other which results in less force. The triple axis experiences higher force than the double and quadruple axis since all the coils are placed 120 degrees apart which no cancellation of force and results in the most attractive force. The quadruple axis actuator also experiences lower force because of the cancellation of force.


Figures 14 and 15 show the graph for a U-type actuator for the single axis and the double axis with the single coil and the double coil. The single axis single coil U- type actuator force is higher than that of the double axis single coil U-type actuator shown in Figure 14; andthe single-axis double coil U-type actuator force is higher than that of the double axis double coil U-type actuator shownin Figure 15. From this analysis, we can get the idea of forces for the different types of actuators. This idea will be helpful for future research work.


2.2. Sensor
A sensor is a device which senses a physical signal and converts to its equivalent electrical signal. It detects the physical changes in its measurable range and then gives an equivalent output. In Active Magnetic Bearing an application of position sensor is to sense the displacement of rotor position. Since AMB's are progressively controlled in accordance with the sensor signal, the displacement control execution firmly relied upon the position sensor execution. A few sensors are composed to utilized as a part of AMBs: inductive, Hall-Effect, eddy current, ultrasonic displacement sensors, capacitive, optical. Details of position sensors have been discussed. The efficiency of the AMB depends on the good behavior of the position sensors used. A contactless sensor must be used to measure the displacement of the floating rotor, which will give a better output. The performance of the AMB mainly depends on the following features of the sensors (Banerjee et al., 2011; Jiang & Kshirsagar, 2016).
Measuring range: Sensor output change according to the function of measuring quantity. For a better measuring range there should be a linear relationship between the output and the measuring quantity.
Sensitivity: The sensitivity indicates the ratio of the output signal over the measured quantity. By electronic strengthening of the output signal, the sensitivity can be improved.
2.2.1. Eddy current sensor
Eddy current sensor is a contactless sensor which measures both the position and the variation of the position over a target and has high resolution shown in Figure 16. When supply is given to the coil, it creates an alternating magnetic field. It generates the eddy current in the rotating piece and generates the opposite magnetic field which resists the magnetic field generated by the coil. With the help of this coil, a sensor detects the distance of an object depending on the magnetic field produced by the sensor. The outcome of the sensor is connected to the signal amplifier through a series control circuit, and the amplified signal is then fed to an AMB system. The advantage of this sensor is it's operated at any temperature, any industries, automotive etc. For increasing the stability of bearing, eddy current sensors are generally used to provide position feedback to the magnet controller. Practically measuring ranges of eddy current sensor varied in diameter from a few millimeters to a meter and depending on the radius of the coil maximum sensing ranges are defined (Jiang & Kshirsagar, 2016).

2.2.2. Capacitive displacement sensor
Capacitive sensors work by estimating changes in an electrical property called capacitance. The equation of capacitance in a capacitor is composed as Where, A= area of the parallel plate, is the permittivity and d is the permittivity and ‘d’ being the distance between the plate shown in Figure 17. Change in capacitance of a sensor is a consequence of an adjustment in the distance between the sensor and the object. An electronic circuit is joined with a sensor to create particular voltage changes for corresponding changes in capacitance. These voltages are scaled to illustrate a specific difference in the distance between the sensor and the object.

2.2.3. Hall effect magnetic sensor
A Hall Effect sensor is a device that alters its output voltage in response to a magnetic field. It has many applications such as- wheel speed sensor or crankshaft/camshaft position sensor, switches, proximity sensors, MEMS compasses, and so on. If a p-type semiconductor plate is connected with a battery, a current will flow through the plate, and if a magnet is additionally put in parallel with the semiconductor, due to the magnetic field produced by the magnet, charge flow is deflected, and this force is called Lorenz force. This force results in a small deflection in the voltage known as Hall voltage. Hall voltage is very small due to which low voltage- high gain amplifier is added to this device (Jiang & Kshirsagar, 2016).
2.2.4. Optical displacement sensor
The displacement sensor is an extrinsic sensor. It consists of a bundle of optical transmitting fiber and bundle of receiving optical fiber shown in Figure 18, and it used a leaser as a source. Laser light is transmitting through the transmitting optical fiber and strikes the moving target, after striking the moving target, light is reflected, and it is received by the receiving optical fiber which is further fed to a detector for detection. With the help of the change in intensity, the displacement of the moving target is observed. when the intensity of the receiving light is lower, then the object is moving away from the optical fiber. If the object is moving towards the optical fiber, the intensity increased. Hence, depending upon the intensity, the displacement is measured.

2.2.5. Inductive sensor
The inductive sensor is a contactless sensor work on the electromagnetic induction principle which is used for sensing the position of an object. Its name is an inductive sensor because the coil is required for its construction. It follows two principles; first, the magnetic field (H) is generating by flowing of fluctuating current through the wire. Second, the oscillation of the magnetic field in the region of any conductive object causes current to flow in the body shown in Figure 19. An example of an inductive sensor is a Proximity sensor. This sensor needs ac supply which will flow through the coil. By observing the changed in impedance of the coil, the position of an object is measured.

Features of these sensors vary, based on their sensing technique, material and depend on the environmental condition. These features are explained below in Table 2.

2.6. Controller
Inactive magnetic bearing position sensor sensing the position of the rotor as shown in Figure 1, the position sensor gives the signal to the controller; the controller controls the control signal and the position of the rotor depending on the strength of the electromagnet. Depending on the strength of the electromagnet rotor position will change. The magnetic property of the electromagnet depends on the supply. The primary purpose of the controller is to control the position of the rotor by controlling the supply to the electromagnet. Broadly we can say a controller is used to stabilize a process or system output within a set value or required value. Different types of controllers may be used for this purpose, like PI, PID, LEAD, and LAG (Du et al., 2010; Majhi et al., 2014; Weiwei, 2010).
AMB is a strongly non-linear and unstable system and also depends on feedback control that is closed-loop control is necessary. In closed-loop control, there are two types of controllers
i. Current controller ii. Position controller
Due to the unstable plant with changing parameters, the controllers maybe change and the selection of a proper controller is very important for stabilizing the system. The primary task is to maintain the stability of the system by designing an accurate controller. Recently, some intelligent controller has been designed to maintain the stability of the AMB system. The different types of intelligent controllers are a Fuzzy Logic controller, Artificial Neural Network, Genetic Algorithm, Particle Swarm Optimization, Hα, Feed Back, PIDD, and LFT (Gouws & Van Schoor, 2007; Rezeka et al., 2004; Yasser et al., 2010).
Comparisons of different controllers are shown in Tables 3 and 4. This is helpful for choosing a better controller for a single and multi-axis AMB system.


2.7. Power amplifier
An amplifier is an electronic device which is used for enlarging the magnitude of power/ current or voltage of an input signal. It took in a weak electrical signal and reproduced a stronger signal at the output utilizing an external source. In this paper, various power amplifiers are proposed for the Active Magnetic Bearing System, which incorporates solid state and linear type solid-state power amplifiers and in addition magnetic amplifiers.
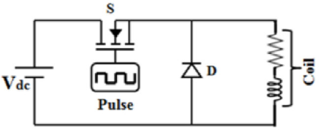
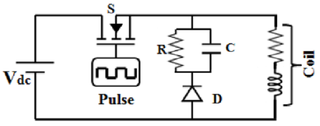
Buck converter comes under dc to dc amplifier, which output voltage is lower than the input voltage. A basic Buck amplifier circuit has appeared in Figure 20. After turning on the switch, the supply voltage appears across the load, and in the off condition, the voltage over the load is zero. Hence average output current and voltage positive and first quadrant operation is achieved (Liu et al., 2004; Schulz et al., 2005). So, simple buck converter (using control switch and freewheeling diode) will not be suitable for an AMB system. By adding a suitable parallel R-C circuit in series with a freewheeling diode, negative and positive voltage appears across the load. Therefore, in a multi-axis AMB system, a single switch amplifier may be used.

A single switch amplifier circuit consists of a single MOSFET, a fast recovery power diode, a DC capacitor and a resistor shown in Figure 21. The source pin of a MOSFET is connected to control ground; therefore, negative drive isolation is required. When the switch is ON, full supply voltage appears across the coil and the current in the coil increases. During the OFF period of the switch, the diode gets forward biased. The capacitor voltage now comes across the coil, and the coil polarity reverses, in this period the current in the coil decays. So, a positive and negative voltage is achieved by using this type of converter.

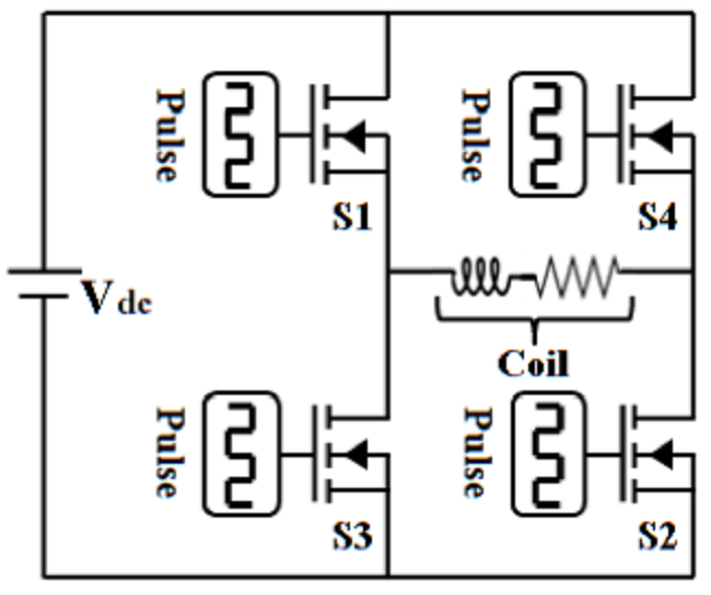
In case of full bridge amplifier, as illustrated in Figure 22 when the pulse signal is given to S1 and S2, the output current moves through the load and at ON condition of switch S3 and S4 the load current continues to flow. Both positive and negative voltages are acquired utilizing full bridge amplifier. However, the electromagnetic attraction force is free of the coil-current direction.

The output equation of the single switch amplifier and full bridge amplifier has appeared in Equation3 (Debnath et al., 2017).
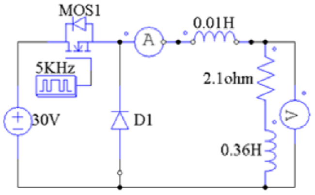
Negative and positive voltage is switching alternatively with the help of switching amplifiers at a given frequency (for example 50kHz). The current produced will be decreased orincrease alternatively with a pulse width modulation. The positive voltage is switching to 20μs which should be longer than the negative voltage says 10μs and a positive mean voltage of um will result, the current will rise over several switching periods. For reducing this current the negative voltage should be switch longer. The simulation circuit diagram and the results of buck amplifier are appeared in Figures 23 and 24. Thus, this sort of amplifier isn't reasonable to nourish the AMB framework as this circuit can only apply a unipolar voltage to the magnet coil. A negative voltage cannot be accomplished by this amplifier.


The simulation layout of the full-bridge amplifier is shown in Figure 25. Simulation results are given in Figure 26. From the yield voltage waveform, It has been observed that both the negative and positive voltages were acquired, which is reasonable for the AMB framework.In Figure 27, the circuit of the single switch amplifier has appeared. The relating output exhibited both the negative and positive voltages as illustrated by Figure 28.




Comparison of the different amplifier is presented in Table 5. From this table, we can understand the performance of different amplifiers which can be used for the AMB system.

3. Literature survey
Nowadays AMB is a rising research topic for the researchers and scientists working in the field of magnet-based transportation like Maglev train and so on. Therefore, it is important to gather knowledge related to the past and present status of research outcome of this topic for further improvement of this system. Michael P. Goldowsky first highlighted the magnetic bearing basic structure in the year 1983 (Goldowsky, 1983). Wherein permanent magnets are utilized to limit the loss of the bearing. The utilization of permanent magnets additionally encourages the arrangement of an orientation reasonable for cryogenic purposes, consequently, diminishing the cost of direction for this reason.
R. D. Williams at all in 1990 presented digital control of AMB. They implemented some algorithms which include second-derivative and necessary feedback to increase the flexibility of the system (Williams et al., 1990). On 1993 P. Mouille at all presents the unbalancing estimation in the system (Mouille & Lottin, 1993). W. Xipingat all on 1998 selected proper parameters of a transfer function to find out the stiffness and damping performance of AMB (Wang et al.,1998). F Hui-yan at all on 2001 proposed analysis on dynamic performance for the AMB system solve the system stability and safety in the meaning of rotor dynamics (Yan et al., 2001).
Three pole AMB is designed by the S-L Chen at all on 2002, which has advantages of the low power amplifier, less iron loss, more space of heat dissipation then eight poles (Chen & Hsu, 2002). Performances of three types of fuzzy logic controllers are compared by S. F. Rezeka at all on 2004 and the results are acceptable with respect to damping the deflection of the shaft, overshoots, settling time and the output current (Rezeka et al., 2004). A. Schulz at all developed a concept for AMB system with high reliability that is called "Hot-Swap Modules" (HSMs). It is used for error detection and protection of circuitry (Schulz et al., 2005). K. C. Lee at all proposed a high-speed turbo-machinery induction motor. Exact investigation of a radial AMB is displayed and they executed corresponding proportional derivative- 2nd derivative-integral (PIDD) control algorithms with real-time simulator (Lee et al., 2006). R. Gouws at all on 2007 distinguish between Fuzzy logic; pattern recognition technique and statistical diagnosis are used for fault detection (Gouws & Van Schoor, 2007). Hung-Cheng Chen on Sep. 2008 proposed an improved adaptive genetic algorithm for the multi-objective optimisation design of a PID controller. The proposed algorithm has better performance of convergence speed and better stability in the global optimum result (Cheng, 2008).
D. Wajnert and J. Zimonon July 2009 analyzed 12 poles AMB and measured the transient state (Wajnert, & Zimon, 2009). H. Du at all on 2010 work on control-voltage saturation. A fuzzy state-feedback controller is designed to stabilise the obtained T-S fuzzy model (Du et al., 2010). W. Zhang on Nov. 2010 proposed a flywheel energy storage system with fuzzy PID, which result is good dynamic and static properties and performance is better than the common PID controller (Weiwei, 2010). C.Junfeng at all in June 2011 proposed a low power control of AMB. Experimental results show that good system performance and the control power is prominently reduced (Junfeng et al., 2011). A. Sherine Jesna and S. Ushakumari on March 2012 explained stabilization of three poles AMB by sliding mode control techniques. Results are better than conventional control (Jesna & Ushakumari, 2012).
W. Gruber at all on Dec. 2013 presented a self-sensing AMB using 2-level PWM current ripple demodulation and Stable levitation of the rotor is achieved (Gruber et al., 2013). J. De Miras at all on Dec. 2013 proposed a new step for model-free control for better performance (De Miras, 2013). S. Xu and J. Fang on May 2014 proposed a Novel Conical AMB with Claw Structure. The magnetic field distribution is analyzed by 3-D finite element method (Xu & Fang, 2014). Y. Park on Jan. 2014 design and implementation of an electromagnetic levitation system for AMB is proposed. A control system using the PID controller is developed to levitate the rotor at a target position (Park, 2014).
N. Mo at all on May 2015 influence of bias current of AMB on robustness and dynamic performance of the system is proposed, and better dynamic performance is achieved (Mo et al., 2015). Sukanta D. and Pabitra K. on 2020 discussed on A DC and AC test is performed to measure resistance and inductance. Simulation and experimental results are analyzed and compared with the proposed system and presented in this manuscript (Debnath, & Biswas, 2021). Sukanta D. and Pabitra K. on 2021 describes a novel, simplified, and economical design, analysis, and hardware implementation of single-coil I-type active magnetic bearing for high-speed application (Debnath, & Biswas, 2021). D. Jiang and P. Kshirsagar on May 2016 analysis and control of a reduced switch converter for active magnetic bearings are analyzed (Jiang & Kshirsagar, 2016).
4. SWOC Analysis of Active Magnetic Bearing (AMB):
A strength weakness opportunities Challenges (SWOC) analysis of Active Magnetic Bearing is carried out based on the review of research work being done both in India and across the world.
Strength of AMB:
Magnetic bearings are contact free.
Highest speeds are possible.
Larger and stiffer rotor shafts allowed because of absence of lubrication seals.
Low maintenance and longer life due to absence of mechanical wears.
The AMB system is robust to external disturbances.
The AMB system can be used in any environmental conditions like low temperature, corrosive, low-gravity, among others.
Efficiency of the AMB system is very high because of the low power loss compared to conventional bearing.
The AMB system’s dynamic properties can be easily changed by controlling the firmware of the controller.
In the AMB system health-monitoring, testing of the dynamic behavior, data-logging features can be implemented into the control electronics internally.
Weaknesses of AMB:
Excessive heat: Because of the eddy current loss in the rotor laminations and stator core, caused by heat, many problems will occur.
Coil insulation will break down and a short circuit will happen, which will damage the AMB systems.
The copper wire is unable to carry the load.
Limited fault protection:
Placement of the backup bearings can change the machine’s rotor dynamics.
Very limited life of the backup bearing system.
Inadequate direct stiffness: A weakness of the AMB system is low direct stiffness, compared to a conventional bearing, results in some problems.
To support the load AMB surface area must be large.
Energy consumption: The AMB system consumes less power which causes some weakness.
Less power consumption affects the performance of the AMB system. Reliability also low.
Opportunities of AMB:
The specific load of the systems depends on the available ferromagnetic material and its saturation properties.
The unbalance forces which are acting on the rotor can be easily controlled, by designing the power amplifier.
Better precision of the rotor position can be achieved by using high resolution sensors and adequate signal processing.
To make the smart rotating machinery information processing within the AMB system can be used.
Challenges of AMB:
How to reduce the complexity and cost of AMB for small scale industries to adopt the use of AMB to increase performance of machineries.
AMB can use as equivalent to conventional mechanical bearing if work on AMB components and conventional bearing components is optimized.
5. Conclusion
Through this review paper, it is intended to give a significant research scope in the field of Active magnetic bearing system with various applications. This assessment will assist to get an overview for future research with single axis and multi-axis I-type or U-type active magnetic bearings to suitably extend the system model. The magnetic analysis has been carried out here for the different types of actuators with suitable core in the said AMB system. The time response analysis of the buck amplifier, the single switched amplifier and the full bridge amplifier has been performed to achieve the attraction force for the system. Also, a literature review has been carried out analytically for different types of controllers of the model for various sorts of the proposed work. The component assortment has been reviewed extensively to prepare the hardware setup of the proposed work. Thus, all different research work reviewed here will be a support, in the future, to pursue the desired research goal.
References
Banerjee, S., Sarkar, M. K., Biswas, P. K., Bhaduri, R., & Sarkar, P. (2011). A review note on different components of simple electromagnetic levitation systems. IETE Technical review, 28(3), 256-264.
Chen, S. L., & Hsu, C. T. (2002). Optimal design of a three-pole active magnetic bearing. IEEE Transactions on Magnetics, 38(5), 3458-3466. https://doi.org/10.1109/TMAG.2002.802709.
Chen, H. C. (2008). Optimal fuzzy pid controller design of an active magnetic bearing system based on adaptive genetic algorithms. In 2008 International Conference on Machine Learning and Cybernetics, 4, 2054-2060. https://doi.org/10.1109/ICMLC.2008.4620744.
Du, H., Zhang, N., Ji, J. C., & Gao, W. (2010). Robust fuzzy control of an active magnetic bearing subject to voltage saturation. IEEE transactions on control systems technology, 18(1), 164-169. https://doi.org/10.1109/TCST.2008.2009644.
De Miras, J., Join, C., Fliess, M., Riachy, S., & Bonnet, S. (2013). Active magnetic bearing: A new step for model-free control. In 52nd IEEE Conference on Decision and Control (pp. 7449-7454). IEEE. https://doi.org/10.1109/CDC.2013.6761072.
Debnath, S., Biswas, P. K., & Laldingliana, J. (2017). Analysis and simulation of PWM based power amplifier for single axis Active Magnetic Bearing (AMB). In 2017 IEEE Transportation Electrification Conference (ITEC-India) 1-5. https://doi.org/10.1109/ITEC-India.2017.8333845.
Debnath, S., & Biswas, P. K. (2021). Design, analysis, and testing of I-type electromagnetic actuator used in single-coil active magnetic bearing. Electrical Engineering, 103(1), 183-194. https://doi.org/10.1007/s00202-020-01071-x.
Goldowsky, M.P. (1983). Magnetic bearing. (U.S. Patent 4379598) North American Philips. Corporation.
Gouws, R., & Van Schoor, G. (2007). A comparative study on fault detection and correction techniques on active magnetic bearing systems. In AFRICON 2007, 1-10. https://doi.org/10.1109/AFRCON.2007.4401494.
Gruber, W., Pichler, M., Rothböck, M., & Amrhein, W. (2013). Self-sensing active magnetic bearing using 2-level PWM current ripple demodulation. In 2013 Seventh International Conference on Sensing Technology (ICST) (pp. 587-591). IEEE. https://doi.org/10.1109/ICSensT.2013.6727721.
Junfeng, C., Kun, L., & Xiaofei, C. (2011). Modeling and low power control of active magnetic bearings system. In Proceedings of 2011 International Conference on Modelling, Identification and Control (pp. 319-324). IEEE. https://doi.org/10.1109/ICMIC.2011.5973724.
Jesna, V. S., & Ushakumari, S. (2012). Stabilization of three pole active magnetic bearing by sliding mode control techniques. In 2012 International Conference on Green Technologies (ICGT) (pp. 147-154). IEEE. https://doi.org/10.1109/ICGT.2012.6477963.
Jiang, D., & Kshirsagar, P. (2016). Analysis and control of a reduced switch converter for active magnetic bearings. In 2016 IEEE Applied Power Electronics Conference and Exposition (APEC) (pp. 3616-3622). IEEE. https://doi.org/10.1109/APEC.2016.7468389.
Liu, S., Chen, D., & Xu, F. (2004). Study of switching power amplifier for active magnetic bearing. In The 4th International Power Electronics and Motion Control Conference, 2004. IPEMC 3, 1539-1543.
Lee, K. C., Jeong, Y. H., Koo, D. H., & Ahn, H. J. (2006). Development of a radial active magnetic bearing for high speed turbo-machinery motors. In 2006 SICE-ICASE International Joint Conference (pp. 1543-1548). IEEE. https://doi.org/10.1109/SICE.2006.315244.
Mouille, P., & Lottin, J. (1993). Unbalancing estimation in active magnetic bearings. In Proceedings of IEEE Systems Man and Cybernetics Conference-SMC, 4, 210-215. https://doi.org/10.1109/ICSMC.1993.390710.
Majhi, L., Borah, M., & Roy, P. (2014). Fractional order system identification of Maglev model from real-time data. In2014 IEEE International Conference on Advanced Communications, Control and Computing Technologies, 210-213. https://doi.org/10.1109/ICACCCT.2014.7019431.
Mo, N., Shi, Z., Zhou, Y., & Yang, G. (2015). Influence of bias current of active magnetic bearing on robustness and dynamic performance of the system. In The 27th Chinese Control and Decision Conference (2015 CCDC) (pp. 502-507). IEEE. https://doi.org/10.1109/CCDC.2015.7161744.
Park, Y. (2014). Design and implementation of an electromagnetic levitation system for active magnetic bearing wheels. IET Control Theory & Applications, 8(2), 139-148. https://doi.org/10.1049/iet-cta.2013.0450.
Rezeka, S. F., Awad, T., Saafan, A., & Elmahdy, A. Y. (2004). Fuzzy logic control of active magnetic bearing. In Proceedings of the 2004 IEEE International Conference on Control Applications, 2004. 1, 183-188. https://doi.org/10.1109/CCA.2004.1387208.
Schulz, A., Schneeberger, M., & Wassermann, J. (2005). A reliable switching amplifier driving an active magnetic bearing-experimental results. In 2005 IEEE International Conference on Industrial Technology, 389-394. IEEE. https://doi.org/10.1109/ICIT.2005.1600669.
Williams, R. D., Keith, F. J., & Allaire, P. E. (1990). Digital control of active magnetic bearings. IEEE Transactions on Industrial Electronics, 37(1), 19-27. https://doi.org/10.1109/41.45839.
Wang, X., Yu, L., Wan, J., & Cui, W. (1998). Analysis on stiffness and damping performance of active magnetic bearing system. Journal of Shanghai University (English Edition), 2(3), 221. https://doi.org/10.1007/s11741-998-0011-2.
Wajnert, D., & Zimon, J. (2009). Control system design for active magnetic bearing. In 2009 2nd International Students Conference on Electrodynamic and Mechatronics (pp. 35-36). IEEE. https://doi.org/10.1109/ISCON.2009.5156103.
Weiwei, Z. (2010). A flywheel energy storage system suspended by active magnetic bearings with fuzzy PID controller. In2010 International Conference on Computer Application and System Modeling (ICCASM 2010). https://doi.org/10.1109/ICCASM.2010.5619052.
Xu, S., & Fang, J. (2014). A novel conical active magnetic bearing with claw structure. IEEE Transactions on Magnetics , 50(5), 1-8. https://doi.org/10.1109/TMAG.2013.2295060.
Yan, H. Y., Wang, X. P., Zhu, L. J., Zhang, Z. M., & Wan, J. G. (2001). Analysis on dynamic performance for active magnetic bearing-rotor system. Journal of Shanghai University, 5(3), 234-237. https://doi.org/10.1007/s11741-996-0031-8.
Yasser, M., Tanaka, H., & Mizumoto, I. (2010). A method of simple adaptive control using neural networks with offset error reduction for an SISO magnetic levitation system. In Proceedings of the 2010 International Conference on Modelling, Identification and Control, 191-196.
Notes
Author notes
∗ Corresponding author. E-mail address: sukanta.eee@nitmz.ac.in (S. Debnath)