ARTÍCULO
Received: 20 February 2021
Accepted: 22 March 2022
DOI: https://doi.org/10.4067/s0718-221x2022000100431
Abstract: Weight-strength optimization of wooden household chairs was performed based on the member section size in this study. Member section sizes of the Scotch pine (Pinus sylvestris) and Oriental beech (Fagus orientalis) chairs were optimized and resulting re-manufactured optimized chairs were tested under the cyclic “front to back”, “back to front” and “backrest” loads according to American Library Association (ALA) specification. Finite element method (FEM) and MATLAB nonlinear programming were utilized for the optimization. Firstly, the internal forces and moments acting on each member were analyzed by FEM in order to obtain the maximum critical stresses in each type of member; then, optimized cross-sectional sizes of the members were determined by Gradient Descent method, and all constraints were treated with Logarithmic Barrier Functioning. As a result, the minimum section sizes of members were determined, and cyclic performance tests were performed to determine whether the optimized chairs were strong enough to carry the acceptable loads. According to the results, member section size of both beech and pine chairs could be significantly reduced. The reduction was 32 % in the total weight and volume for beech chairs while 16 % for pine chairs without sacrificing the performance required for domestic usage by ALA. In conclusion, the method used is suitable for the optimization of furniture frames, making it lighter and reducing the material costs.
Keywords: Chair performance tests, cyclic strength, engineering design, Fagus orientalis, optimization, Pinus sylvestris.
Introduction
Consumers and producers have different expectations from the furniture as an industrial product in terms of economic benefits. Consumers expect to buy the best quality products at the cheapest price, while the producers aim to produce the product at the lowest cost and provide maximum profit. Accordingly, it is important for producers not only to meet the customers' expectations, but also to minimize the production costs. Therefore, it is necessary to produce light but durable furniture for the producers.
In frame construction furniture such as chair, table, etc., the material type and connection points represent the strength of the whole system. However, the strength of an individual member depends on the dimensions and geometries of the cross-sections beside material type used in the construction. The determination of cross-sectional dimensions and geometries of chair members has rarely been the subject of mathematical theories, and the previous experience and common assumptions have been taken into account in the design of the dimensions and geometries of these members. This results in the design and production of heavy, non-aesthetic products with unnecessary excessive strength or of weak and light products that do not have sufficient strength. In order to design optimized, aesthetic products, it is necessary to apply scientific and systematic approaches and product engineering methodology. While applying product engineering methodology, factors such as aesthetics and ergonomics, which are the indicators of quality in furniture as well as robustness, should be taken into consideration, thus designs would cover art and science together. Because factors such as robustness and functioning are in conflict with factors such as aesthetics and ergonomics, and caring one side unnecessarily causes loss on other, and this affects the systematic integrity of the design in a negative way.
Recent studies show that the use of computer software, especially finite element method, in the structural analysis of furniture systems has become widespread. There are many studies on the analysis of furniture or furniture joints by FEM. A bibliographical review of the FEM applied in the analysis of furniture products constructed with wood materials was given in the study (Tankut et al. 2014). It was stated that analyzing furniture is a difficult and time-consuming work such that this problem can be solved with FEM software. In the study, it was also showed how to analyze and design a chair with FEM, and gave the experimental results with stress-strain diagrams of the real chair constructed of Swedish ash (Gustafsson 1997). Analytical models were created for structural analyses of furniture frames by FEM. It was concluded that analytical models created by FEM give the information concerning the deformations and internal forces on furniture members and joints (Kasal and Pullela 1995). In another study; the principles of furniture design and to maximize the strength of members and joints while minimizing material use was aimed to determine. For this purpose, a chair side frame was analyzed with FEM software and proved that this developed program can analyze the rigidity and strength of wooden furniture accurately and quickly (Smardzewski 1998). In recent years, many studies were carried out on the experimental and numerical (FEM) analysis of mortise and tenon joints. In the study that was conducted by Kasal et al. (2016); the moment capacity, stiffness, and numerical analyses of the various sizes of mortise and tenon joints were investigated. Analytical calculations and numerical analyses confirmed that the maximum stress at the glue line was concentrated at the edge and corners, and the modelled joints had a shape-adhesive nature (Kasal et al. 2016). The research regarding the numerical and analytical analyses of the withdrawal strength of the T-type mortise and tenon joints was carried out by Hu and Guan (2017). In conclusion, it was demonstrated that the consistency level between the withdrawal test results and numerical method was 83 %, while it was 80 % between the test results and analytical method (Hu and Guan 2017). In a similar study, effects of the tenon fit on tension load-deflection behavior of T-type round-end mortise and tenon joints were numerically and experimentally investigated. Results indicated that strength and stiffness of the joints increased as the tenon fit increased, and the glue line thickness between mortise and tenon contact surface was a good indicator of tension strength (Hu et al. 2018). The other research was carried out to develop a new numerical (FEM) model of mortise and tenon joint considering the glue line and friction coefficient to analyze the semi-rigid wood joint. The results of the study showed that the developed finite element model of the joint could be applied to analyze the semi-rigid mortise and tenon joint by 85% consistency level (Hu and Guan 2019). In the other study, three different FEM models used to predict the bending strength of mortise and tenon joints were compared. The results indicated that the semi-rigid model performed much better than the tie rigid model, followed by the whole rigid model (Hu and Liu 2020). Zhang and Hu (2021) searched the effect of tenon length and width on withdrawal strength of T-type mortise and tenon joints based on the FEM. According to the results, tenon length and width had significant effect the withdrawal strength, respectively (Zhang and Hu 2021). In another study, an optimal methodology of combining the FEM with response surface method was proposed to investigate the effect of tenon dimensions (length, width, thickness) on withdrawal and bending strength of mortise and tenon joints. At the end of the study, it was reported that the developed methodology could be utilized to optimize the tenon dimensions for furniture joints (Hu and Chen 2021).
All of the optimization problems can be analysed with the gradient-based methods as far as the initial point of iterations are selected reasonably. There are many structural design studies that solved with gradient-based algorithms in the literature at which the objective function is minimized iteratively by means of the gradient of it. Initially, the gradient of the objective function is calculated. The complex derivative calculations are held by using the finite difference approximations (Dababneh et al. 2018). There is a bunch of approach to treat the constraints for an optimization problem. Either multi-objective or single objective constraints can be handled easily by means of penalty functioning techniques (Kramer 2010). Barrier functioning is used in this study, to treat inequality constraints. Especially, using logarithmic barrier functioning converges accurate results (Frisch 1955).
Unlike FEM and optimization studies, the number of studies on the application of optimization techniques in furniture engineering design is very limited. The optimum weight-strength relationship by determination of the minimum material volume was studied. The experiments revealed that the material consumption can be reduced by 53 % of the initial volume in the optimized chair construction using the Monte Carlo method, which is integrated into a FEM software (Smardzewski and Gawroński 2001). It was described that the virtual prototype of upholstered furniture in integrated computer-aided design and computer-aided engineering environments, providing a method for optimizing the reduction of cross-sectional dimensions of the seat frame structure. As a result of the study, beech and particleboard consumption decreased by 36 % and 25 %, respectively (Smardzewski and Prekrat 2009). It was reported that reducing size of the cross-sections of members does not result in a significant reduction in the strength and stiffness of the sofa frame (Hu et al. 2019). The strength of L-shaped pine wood corner dowel joints was optimized by using FEM with Taguchi method under compression loading. In the study, four experiment factors (i.e., structure style, tenon length, tenon diameter, and tenon gap), each at three levels, were carried out to determine the optimal combination of factors and levels for the von mises stress using FEM. The results of Signal-to-Noise ratio (S/N) analysis and the analysis of variance (ANOVA) shown that the optimal L-shaped corner dowel joint in pine is 45° Bevel Butt in structure style, 24 in tenon length, 6 in tenon diameter and 20 mm in tenon gap (Ke et al. 2016). The aim of the other study was to optimize the volume of a beech stool frame to make it lighter, while still meeting the same load requirements. The FEM and MATLAB were utilized for the optimization. The results demonstrated that the optimized stool to be 58 % lighter than the non-optimized version, while also satisfying the strength requirements (Hu et al. 2019). Effects of the stretcher position on the mechanical properties (load capacity, stiffness, strain distributions) of chairs were experimentally and numerically investigated. The results of the study showed that the loading capacity of chairs decreased firstly and then increased with the growth of the height of stretchers positions. Furthermore, the results of FEM agree with the results of experiments by 10%. Finally, the relationship between loading capacity and stretcher positions was generated by using the response surface method, and the correlation coefficient was 88 % (Hu et al. 2018).
In the study of Ceylan et al. (2021); cyclic performance tests were performed on wooden chairs, with average cross-sectional dimensions and are generally preferred in the industry, by acceptable loadings specified in the American Library Association (ALA) specification (Eckelman 1995, Eckelman 1999) and results are given in Table 1.

In Table 1, it was seen that the chairs constructed of pine and beech meet the required strength in all tests. However; pine chairs were able to meet domestic use conditions for backrest loading. Accordingly; the current study was carried out as the second part of the study of Ceylan et al. (2021) and in this study, member section sizes of the chairs were optimized by using FEM and optimization techniques. Resulting re-manufactured optimized chairs were tested under the same loading conditions to determine whether the optimized chairs were strong enough to carry the acceptable domestic usage conditions.
Materials and methods
Configurations of household chairs
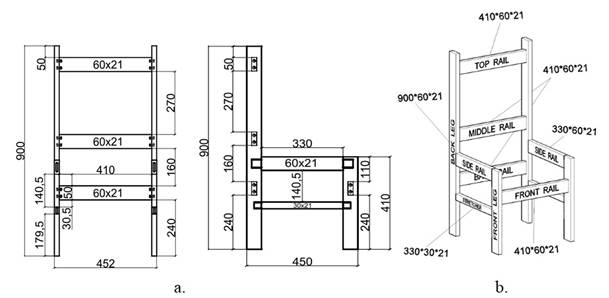
Non optimized chairs were constructed of Scotch pine (Pinus sylvestris L.) and Oriental beech (Fagus orientalis L.). All members and dimensions of the non-optimized chairs are given in Figure 1.

Round-end mortise and tenon joint techniques were utilized for constructing the side frames. The length and the width of round-end tenons were set to 40 mm at back/front leg to side rail joints; however, they were 30 mm for the back/front leg to stretcher joints since stretchers were only 30 mm in width. Tenon thicknesses were 7 mm (1/3 of the member thickness). A snug fit (average mortise-tenon clearance of 0,076 mm ± 0,025 mm) was obtained between tenons and mortises. Whole chair frames were constructed by assembling the two side frames to each other with top, middle, and back rail by utilizing dowel joints. Used grooved beech dowels were 10 mm in diameter and 35 mm in length. The depth of the embedment of dowels in the edge and the face were 20 mm, 15 mm, respectively. The distance between the two dowels was 30 mm. 65 % solid contained PVAc (polyvinyl acetate) glue was utilized for assembling the chairs (Ceylan et al. 2021).
Structural analyses of chairs
It is understood from the study carried by Ceylan et al. (2021) that the test chairs produced from Scotch pine and Oriental beech provided the necessary strength values for domestic use, subjected to cyclic “front to back”, “back to front” and “backrest” loadings. These loading directions represent the most common loads in practical applications. Accordingly, in this study; since weight-strength optimization studies will be carried out according to the member cross section sizes of the chairs, cross sectional optimization was performed for the members under the three loading directions mentioned above.
Weight strength optimization studies were carried out with computer aided structural analysis. Computer-aided 3D structural analyzes of both non-optimized and optimized chairs were held by using FEM using the same test conditions, acceptable strength values (Table 1) and equivalent static loading. The solution of the frame systems was made by using “RISA 3D” structural analysis program (Risa 2000).
In the analyses, chairs were a frame structure where the members were assumed to be linear elastic beams. Each member was a prismatic member having a width, length and depth. The FEM model was created with joints and the interconnected beam members between them. Some necessary physical and mechanical properties (Table 2) of the wood species of members were then entered into the software. Even though wood is an orthotropic material, it was treated as isotropic because the software used for structural analyses in this study allows the users just enter the modulus of elasticity, modulus of rigidity, Poisson’s ratio (0,3), modulus of rupture, and density of the wood material. Although the software accepted the material only as isotropic, here, not the stress values but the out coming member forces in the structural members were recorded. The maximum axial, bending and shear stresses were derived by hand calculations where the elastic modulus, bending, shear, tension or compression strengths were considered as given in Table 2 in relevant directions.
In order to provide semi-rigid connections in the T-type and L-type side frame joints, the moment-rotation relations (stiffness coefficients) in the study of Ceylan et al. (2021) were taken into account for each joint. The stiffness coefficients were determined based on the bending tests of representative T-type and L-type joints (Ceylan et al. 2021). In the structural analyses, rotational linear springs were modelled at the T-type and L-type side frame connections to treat them as semi-rigid connections. Since the software was able to assigning semi-rigid connections by simply assuming springs at these joints, predefined k (rad/mm), stiffness coefficients were entered into the interface of the program. Thus, the joints were defined as semi-rigid in the structural analyzes. The stiffness coefficient values used for each joint forming the chair side frame are given in Table 3.
The boundary conditions were defined to the model for each loading direction. For the front to back loading (Figure 2a); front legs were treated with roller support, whereas the back legs were supposed to have pin connection with the floor. For the back to front loading (Figure 2b); unlike the front to back loading, back legs were supported as roller, whereas the front legs were supported as pinned. In case of the backrest loading (Figure 2c); back legs were supported as roller, whereas the front legs were supported as pinned, in addition the back leg to side rail joints were supported as roller. Other than the supported joints, all internal joints (nodes) were defined with six degrees of freedom, in other words, all internal joints can carry the axial forces, shear forces, and the bending moments.

The structural analysis of the modeled chair was carried out taking into account the load values under the domestic conditions specified in ALA (Eckelman 1995, Eckelman 1999). In addition, the relationship between static and cyclic loads was considered and in the static analyses, the FEM model chair was exposed to twice as much as the loads used in the tests.
Optimization methods
In this study, it was aimed to design the chair that can be used to carry the required domestic usage loads safely while at the lowest weight to achieve this, cross-sectional area could be minimized without changing material and geometry by Gradient Descent method and Logarithmic Barrier Functioning together.
A typical optimization problem is defined with objective function/functions. The objective function and constraints are all nonlinear, giving rise to a typical nonlinear programming problem. In the study, MATLAB was utilized to solve this problem.
For the solution; firstly, the objective function and constraints were defined, and then a master routine was written to call the objective function and constraints. After the calculations were performed, a solution was obtained. Steps to solve the optimization problem:
Definition of design variables,
Establishment of the objective function,
Definition of constraint functions.
In this study, the method of minimizing the cross-sectional area of the chair members was preferred to lighten the chair. Accordingly, the volume of the members constituting the chair was calculated, multiplied by the density of the material, and the following weight function was obtained based on the cross section sizes (Equation 1):
(1)Where,
, (in meters) is the vector designating the design variables. Constraining functions are all inequality conditions, constructed by the ultimate bending, tension, compression and shear strength for each wood species (Equation 2).
(2)Where, n represents the number of constraints. All constraints were positive valued such that their multiplication was always positive, then logarithm function was kept in real space. A new function, F, which was the actual objective function was defined as (Equation 3 , Equation 4, Equation 5).
(3)or
(4)here,
(5)F is extended by the logarithmic barrier function which is defined with the value (ε) as shown above. The appropriate value was determined by trial and error method by selecting ε<1. In this study, (ε) value was selected as 2-m, where m represents the positive integer and it was selected an appropriately. In the principle of the Gradient descent method, the new value for which the function is calculated is determined by the gradient of the function. If the gradient is positive at the current location of any variable, then the value of that variable should be decreased, if negative, it should be increased Equation 6.
(6)Where
is the step-size in gradient process and k is the number of iterations.
was chosen sufficiently small. Since the gradient operator was too complicated analytically, an approximate method was applied e.g. Forward Euler approximation to take derivatives. Initially, a set of variables were selected carefully such that all inequality conditions were well satisfied and the iterations were performed until to a specified accuracy.
Production and performance testing of optimized chairs
In this study, a total of 30 (2 wood species, 3 loading direction, 5 replication) optimized chairs were prepared in real size to determine whether the optimized chairs were strong enough to carry the acceptable domestic loads. As in the production of non-optimized chairs in Ceylan et al. (2021); beech (Fagus orientalis L.) and Scots pine (Pinus sylvestris L.) woods which are widely common in Turkish Furniture Industry were utilized in the preparation of the optimized chairs. All parameters in the joints, gluing and assembly of the optimized chairs were carried out exactly the same as in the non-optimized chairs, except for the cross sectional size of the members that were determined according to the results of optimization. While determining the cross-sectional sizes of members of the optimized chairs, the thickness size obtained as a result of the theoretical optimization (b = 11,20 mm and 15,13 mm for beech and pine, respectively) could not be used exactly due to some requirements related to strength and construction. Thickness of the members obtained from the theoretical study could be applied with some changes due to performance, practicality and manufacturability constraints. Particularly in the mortise and tenon and dowel joints, the thickness sizes are considered to be somewhat larger than the sizes obtained from the theoretical calculations in order for the joints to fulfill their functions as desired. The thickness sizes of the members used in manufacturing of optimized chairs were not the minimal sizes obtained as a result of theoretical optimization. In other words, the width (d) values were the size obtained from the theoretical analysis, while the thickness (b) size values were slightly increased for the cross-sections of the members.
Before the tests, in order to eliminate moisture content (MC) variations, the optimized chairs and were kept at least one month after assembly in an environmentally controlled conditioning room that was set to produce an average equilibrium moisture content of 12 %.
Optimized chairs were tested according to the American Library Association (ALA) specification by applying the cyclic front to back, back to front, and backrest loads (Eckelman 1995, Eckelman 1999). Tests were carried out on the furniture performance testing equipment (Mates) at the mechanical testing laboratory in the Wood Science and Industrial Engineering Department of Mugla Sitki Kocman University. The loading form of each performance tests are shown in Figure 3a, Figure 3b, and Figure 3c.

In the tests, the ultimate failure loads (Newton) and successfully completed total cycles were recorded. The cyclic loading performances of the optimized chairs for each loading direction were compared to the acceptable domestic design loads that were given in the ALA specifications. The acceptable domestic design loads are 1334 N, 1001 N, and 1334 N for front to back, back to front, and backrest loadings, respectively (Eckelman 1995, Eckelman 1999).
Results and discussion
Weight-Strength optimization results
As a result of the structural analyses, the members were found to be in the most critical condition under the front to back and backrest loadings. The obtained most critical forces at the members under front to back and backrest loadings are listed in Table 4.
All members of the chair system had the same cross-sectional size, except for stretchers (E2, E6). All members have dimension b (21 mm) and 2d (60 mm) in width and depth, respectively, while stretchers (E2 and E6) are b (21 mm), d (30 mm) in width and depth, respectively. Therefore, they were considered specifically in structural analysis and optimization studies. When comparing the values, it was considered that the maximum axial force in the E2 or E6 elements should be at least 2 times that of all other elements, the torque should be at least 4 times greater, and the maximum shear force should be at least 2 times that of any other member.

Members subjected to maximum axial force and shear force were selected and these were taken into consideration for constraints (Table 5).

In Table 5, axial
bending moment
and shear
forces calculated by Equation 7:
(7)Here; (N) is the axial force, (A) is the member cross-sectional area, (M) is the moment, (c) is the perpendicular distance from the edge of the member to neutral axis, (I) is the second moment of inertia of the cross-section with respect to the neutral axis, (V) is the shear force, (Q) indicates the first moment of inertia of the upper or lower half of cross-sections and (t) is the width. In order to obtain the design values, the safety factors that were given in the study (Eckelman 2003) were used. Accordingly, the FSt, FSc, FSb and FSs specified in Table 5 are the safety coefficients given in Eckelman (2003), taken as 3,0, 1,5, 3,0 and 3,0 for tension, compression, bending and shear, respectively.
In the optimization problem, the weight of the chair was the objective function that was subjected to the restrictions given in Table 5. The total weight of the chair can be calculated according to the volume of members (Table 6).
Accordingly, objective function, which was the total weight of the chair, can be determined by density of the material and the total volume, they were established for both Scotch pine and Oriental beech as Equation 8 and Equation 9:
(8)
(9)

Initial values, 21 mm and 30 mm, for b and d, results in weights of 3,175 kg and 4,167 kg, for chairs constructed of Scotch pine and Oriental beech, respectively. Calculations were performed and smaller cross-sectional sizes were obtained (Table 7).

As a result of weight strength optimization, it was shown theoretically that the weight and hence volume of the chair produced from Scotch pine can be reduced at least 37 %, Oriental beech can be reduced at least 57 % without compromising the strength values for domestic use. The loss increases by ε and get a constant value at some point.
In the preparation of optimized chairs, all production conditions applied in non-optimized chairs were applied exactly. Member thickness size values obtained from the theoretical study could be applied with some changes due to performance, practicality and manufacturability constraints. Especially, no reduction was made in the thickness sizes of the side frame members of the Scotch pine optimized chairs due to the failures in the side frame mortise and tenon joints obtained from the previous performance tests of Ceylan (2018). The final member sizes of the prepared optimized Scotch pine and Oriental beech chairs are given in Figure 4a and Figure 4b, respectively.

Optimized chairs are compared with the non-optimized one in Table 8 and Table 9 for Scotch pine and Oriental beech, respectively.


As a result of optimization; the chairs produced from Scotch Pine and Oriental beech have the necessary strength for domestic use although the cross-section dimensions of the members and thus their weight have been reduced. Accordingly, while the total material volume used in the non-optimized Scotch pine and Oriental beech chairs was 6615000 mm3, these amount was reduced to 5542316 mm3 and 4454870 mm3, respectively. As a result, 16 % and 32 % savings in terms of volume and weight were achieved in the production of a chair constructed of Scotch pine and Oriental beech. The actual weights of the non-optimized and optimized chairs were also measured and compared in Table 10.

Performance of optimized chairs
A comparison study on cyclic loading performances of the optimized chairs with acceptable domestic design loads in ALA for front to back, back to front, and backrest loads was performed and results are concluded at Table 11.

The Scotch pine chairs had mean performance of 1334 N, 1090 N, and 1423 N; and 200204, 161391, and 57002 total cycles, whereas the Oriental beech chairs had mean performance of 1334 N, 1140 N, 1690 N; and 207859, 169999, 73198 total cycles for front to back, back to front, and backrest loadings, respectively. According to this, the chairs constructed of Oriental beech were 4 %, and 16 % stronger than the chairs constructed of Scotch pine for back to front and backrest loading, respectively. The front to back loading performance of the chairs constructed of both species was at the same level.
Although the thickness sizes of the members used in manufacturing of optimized chairs may seem like overdesign compared to the sizes obtained as a result of optimization (Table 7), they were the minimum thickness sizes of the members that can be used to create a joint. Moreover, the chairs manufactured based on the members with these thickness sizes were exceeded the minimum performance requirements for the domestic usage with very low differences (Table 11). For this reason, it did not seem possible to make further reductions for the thickness sizes of the members. As a results of performance tests, both Scotch pine and Oriental beech optimized chairs are convenient for domestic usage conditions.
Conclusions
At the end of the structural analyses and performance test results, the most critical loading was backrest loading. In this loading, members and especially back leg to side rail and back leg to stretcher joints of the chair were subjected to considerable amounts of shear force and bending moments, and generally failures occurred at these joints. Therefore, it can be said that the bending strength and sectional properties of the materials used in the members of chair and strength of the side frame joints used in the construction are considerably effective on the performance of chair. As expected, chairs constructed of Oriental beech gave higher cyclic performance than those of Scotch pine. Although Oriental beech showed higher strength, Scotch pine could also be utilized in constructing the household chairs in engineering design approach because of its economic advantages.
As a result of the engineering design methodology carried out within the scope of the study, an average of 16 % reduction was achieved in the chairs constructed of Scotch pine and 32 % in Oriental beech chairs without sacrificing the performance required for domestic usage by ALA.
In conclusion, this weight-strength optimization method used in this study is suitable for the optimization of furniture frames, making it lighter and reducing the material costs. However, this method should be investigated in depth to improve its practicality and accuracy in order to apply it for other kinds of furniture, especially upholstered sofa frames.
Acknowledgments
This paper is a part of MSc. thesis of the second author. The study was supported by Scientific and Technological Research Council of Turkey (TUBITAK) with the project number 216O013, and Mugla Sıtkı Koçman University Scientific Research Project Office with the project number 17/112. The name of the project was “Weight Strength Optimization of Wood Chairs Based on Member Section Dimensions” conducted by authors of this article. Preliminary data of this paper were verbally presented at the XXIXth International Conference Research for Furniture Industry which was held in Ankara, Turkey. Then, data sets were expanded before converting into a scientific manuscript.
References:
Ceylan, E. 2018. Weight Strength Optimization of Wood Chairs Based on Member Section Dimensions. Master of Science Thesis, Mugla Sitki Kocman University. Institution of Science. Department of Woodworking Industrial Engineering, Muğla.
Ceylan, E.; Güray, E.; Kasal, A. 2021. Structural Analyses of Wooden Chairs by Finite Element Method (FEM) And Assessment of the Cyclic Loading Performance in Comparison with Allowable Design Loads. Maderas-Cienc Tecnol 23:1-28.https://doi.org/10.4067/s0718-221x2021000100419
Dababneh, O.; Kipouros, T.; Whidborne, J.F. 2018. Application of an Efficient Gradient-Based Optimization Strategy for Aircraft Wing Structures. Aerospace5(1). https://doi.org/10.3390/aerospace5010003
Eckelman, C.A. 1995. Library Chairs: An Overview of the ALA Test Method with Test Reports on Side Chairs. American Library Reports 31(2): 115-214.
Eckelman, C.A. 1999. Performance testing of side chairs. European Journal of Wood and Wood Products 57: 227-234. https://doi.org/10.1007/s001070050047.
Eckelman, C.A. 2003. Textbook of Product Engineering and Strength Design of Furniture. Purdue University: West Lafayette, Indiana, USA, 65-67.
Frisch, K.R. 1955. Memorandum from Institute of Economics5(6). University Institute of Economics: Oslo, Norway, p.35.
Gustafsson, S.I. 1997. Optimizing ash wood chairs. Wood Sci Technol 31:291-301. https://doi.org/10.1007/BF00702616
Hu, W.; Chen, B. 2021. A Methodology for Optimizing Tenon Geometry Dimensions of Mortise-and-Tenon Joint Wood Products. Forests 12(4): 478. https://doi.org/10.3390/f12040478
Hu, W.G.; Guan, H.Y. 2017. Research on withdrawal strength of mortise and tenon joint by numerical and analytic methods. Wood Res 62: 575-586. http://www.woodresearch.sk/wr/201704/07.pdf
Hu, W.; Guan, H. 2019. A finite element model of semi-rigid mortise-and-tenon joint considering glue line and friction coefficient. J Wood Sci 65(1): 1-9. https://doi.org/10.1186/s10086-019-1794-4
Hu, W.; Guan, H.; Zhang, J. 2018. Finite element analysis of tensile load resistance of mortise-and-tenon joints considering tenon fit effects. Wood Fiber Sci 50(2): 121-131. https://doi.org/10.22382/wfs-2018-014
Hu, W.; Fu, W.L.; Guan, H.Y. 2018. Optimal design of stretchers positions of mortise and tenon joint chair. Wood Research 63:505-516. http://www.woodresearch.sk/wr/201803/14.pdf
Hu, W.; Liu, N. 2020. Comparisons of finite element models used to predict bending strength of mortise-and-tenon joints. BioResources 15(3): 5801-5811. https://doi.org/10.15376/biores.15.3.5801-5811
Hu, W.; Liu, N.; Guan, H. 2019. Optimal design of a furniture frame by reducing the volume of wood. Drewno 62. https://doi.org/10.12841/wood.1644-3985.275.12.
Kasal, A.; Smardzewski, J.; Kuşkun, T.; Erdil, Y.Z. 2016. Numerical analyses of various sizes of mortise and tenon furniture joints. BioResources 11(3): 6836-6853. https://doi.org/10.15376/biores.11.3.6836-6853
Kasal, B.; Pullela, S.V. 1995. Development of analytical models for furniture. Technical Report 95-01. Furniture manufacturing and Management Center, North Carolina State University. https://doi.org/10.12841/wood.1644-3985.275.12
Ke, Q.; Lin, L.; Chen, S.; Zhang, F.; Zhang, Y. 2016. Optimization of L-Shaped Corner Dowel Joint in Pine Using Finite Element Analysis with Taguchi Method. Wood Research 61:243-254. http://www.woodresearch.sk/wr/201602/08.pdf
Kramer, O. 2010. A Review of Constraint-Handling Techniques for Evolution Strategies. Appl Comp Intell Soft e185063 https://doi.org/10.1155/2010/185063
Rapid Interactive Structural Analysis. RISA. 2000. RISA Technologies Software. RISA Tech, Inc: Lake Forest, California. United States. https://risa.com/products/risa-3d
Smardzewski, J. 1998. Numerical analysis of furniture constructions. Wood Sci Technol 32(4): 273-286. https://doi.org/10.1007/BF00702895.
Smardzewski, J.; Gawroński, T. 2001. Fem Algorithm for Chair Optimisation. Electronic Journal of Polish Agricultural Universities 4(2). http://www.ejpau.media.pl/volume4/issue2/wood/art-01.html
Smardzewski, J.; Prekrat, S. 2009. Optimisation of a Sofa Frame in the Integrated Cad-Cae Environment. Electronic Journal of Polish Agricultural Universities 12(4). http://www.ejpau.media.pl/volume12/issue4/index_sabs.html
Tankut, N.; Tankut, A.N.; Zor, M. 2014. Finite Element Analysis of Wood Materials. Drv Ind 65(2): 159-171. https://doi.org/10.5552/drind.2014.1254
Zhang, T.; Hu, W. 2021. Numerical Study on Effects of Tenon Sizes on Withdrawal Load Capacity of Mortise and Tenon Joint. Wood Research 66(2): 321-330. https://doi.org/10.3390/f11030280
Author notes
♠Corresponding author: alikasal@mu.edu.tr