Artículos científicos
Aprendizaje basado en problemas para la enseñanza de los PLC en la Universidad Tecnológica de Altamira
Learning based on the problems for the teaching of the PLC at the Technological University of Altamira
Aprendizado baseado em problemas para ensino de PLCs na Universidade Tecnológica de Altamira
Aprendizaje basado en problemas para la enseñanza de los PLC en la Universidad Tecnológica de Altamira
RIDE. Revista Iberoamericana para la Investigación y el Desarrollo Educativo, vol. 8, núm. 15, 2017
Centro de Estudios e Investigaciones para el Desarrollo Docente A.C.
Recepción: 01 Enero 2017
Aprobación: 01 Junio 2017
Resumen: El Aprendizaje Basado en Problemas (ABP) es un método de enseñanza-aprendizaje centrado en el estudiante en el que éste adquiere conocimientos, habilidades y actitudes a través de situaciones de la vida real. En la Universidad Tecnológica de Altamira al ser parte de instituciones de educación superior tecnológica en México, incluye en sus programas de estudio el manejo de los controladores lógicos programables (PLC), lo cual constituye parte de su formación como mecatrónicos en la implementación de sistemas automatizados con aplicación industrial. La presente investigaciones propone el uso del método ABP para el aprendizaje de los PLC´s, mostrando los resultados que relacionan el desempeño académico de los alumnos de los grupos de experimentación.
Palabras clave: ABP, controladores lógicos programables, sistemas automatizados.
Abstract: Problem Based Learning (PBL) is a student-centered teaching-learning method in which students acquire knowledge, skills and attitudes through real-life situations. At the Technological University of Altamira, which is part of the higher technological education in Mexico, includes in its programs the management of programmable logic controllers (PLC), which is part of his training as mechatronics in the implementation of automated systems with industrial application. The present research proposes the use of the ABP method for the learning of the PLCs, showing the results that relate the academic performance of the students of the experimental groups.
Keywords: PBL, programmable logic controllers, automated systems.
Resumo: Aprendizado com base em problemas (PBL) é um método de ensino-aprendizagem centrado no aluno no qual o aluno adquire conhecimentos, habilidades e atitudes através de situações da vida real. Na Universidade Tecnológica de Altamira para fazer parte de instituições de ensino superior tecnológico no México, inclui em seus programas de estudo o gerenciamento de controladores lógicos programáveis (PLC), que faz parte de sua formação como mecatrônica na implementação de sistemas automatizados com aplicação industrial. A presente pesquisa propõe o uso do método ABP para a aprendizagem do PLC, mostrando os resultados que relacionam o desempenho acadêmico dos alunos dos grupos experimentais.
Palavras-chave: ABP, controladores lógicos programáveis, sistemas automatizados.
Introducción
Los controladores lógicos programables son miembros de estado sólido de la familia de las computadoras, que utilizan circuitos integrados en lugar de dispositivos electromecánicos para implementar funciones de control, son capaces de almacenar instrucciones, como secuencias, tiempos, conteos, manipulación de datos y comunicación para controlar máquinas y procesos industriales (Bryan, 1997).
En un aprendizaje basado en problemas se pretende que el estudiante construya su conocimiento sobre la base de problemas y situaciones de la vida real, presentando el problema y luego identificando las necesidades de aprendizaje, buscando información necesaria y finalmente volviendo al problema. La Universidad Tecnológica de Altamira (UTA), al formar parte de las instituciones de educación superior tecnológica en México, ofrece carreras cuyos programas de estudio incluyen el manejo de PLC.
Las clases expositivas de PLC hoy en día se vuelven monótonas para un sistema como el de universidades tecnológicas, es evidente la necesidad de cambio en la concepción del proceso de enseñanza aprendizaje sin que esto signifique que las clases expositivas sean deficientes. Los profesores de esta institución se dan cuenta de la necesidad de replantear la forma de enseñanza para que los alumnos satisfagan las demandas de la práctica profesional, partiendo desde un punto de vista pedagógico, la pregunta que guía esta investigación es:
¿Cómo interviene el ABP en el aprovechamiento académico de los estudiantes de Mecatronica en la UTA?
En esta investigación se plantea una dificultada a los estudiantes con PLC, donde puedan comprender y construir su propio conocimiento sobre un inconveniente de la vida real, presentado el problema e identificando la necesidad que los lleve a soluciones de aprendizaje en una automatización práctica industrial, con el propósito de realizar una comparación entre dos grupos: uno de ellos utilizando el método ABP y otro trabajando de la forma tradicional. Finalmente se evalúan los resultados obtenidos en dichas relaciones en el desempeño académico de los educandos.
Fundamentos teóricos
Los orignes del aprendizaje basado en problemas se remontan a los 60’s y 70’s donde un grupo de educadores médicos de la Universidad de McMaster reconoció la necesidad de replantear sus contenidos como una forma de enseñanza de la medicina, siendo evidente que el perfil de sus egresados requería habilidades en la solución de problemas, incluyendo la de adquirir información, sintetizándola en posibles hipótesis y probándolas a través de adquisición de información adicional, a esto le denominaron razonamiento hipotético deductivo(Morales y Landa, 2004).
Sobre el razonamiento hipotético deductivo, la Facultad de Ciencias de la Salud de la Universidad de McMaster en Canadá estableció una nueva escuela de medicina, con una propuesta educacional innovadora que fue implementada a lo largo de los tres años de su plan curricular y que es conocida actualmente en todo el mundo como Aprendizaje Basado en Problemas (Barrows, 1996).
Se han producido cambios en varios aspectos de nuestra vida: la comunicación a través de medios electrónicos, el acceso a la información y tecnología, son ejemplos claros. Nuestros alumnos deben prepararse para incorporarse al sector productivo, los tiempos son muy diferentes a los que existían hace veinte años. Los problemas que estos futuros profesionales enfrentan demandan enfoques innovadores y habilidades en la solución de problemas.
El ABP sustenta una relación entre el aprendizaje significativo y experiencia que se traduce en cómo los estudiantes aprenden, utilizando la resolución de problemas y la reflexión sobre sus experiencias. En este sentido, el ABP tiene un doble énfasis; por un lado, ayudar a los alumnos a desarrollar estrategias y construir conocimiento (Hmelo; Ferrari, 1997; Kolodner et al., 1996), y por el otro, apoyarlos en su capacidad para ser aprendices activos y estudiantes responsables de su aprendizaje (Duch et al., 2001).en su capacidad para ser aprendices activos y estudiantes responsables de su aprendizaje (Duch et al., 2001).
El ABP es una metodología que permite el desarrollo de ciertas competencias vinculadas fundamentalmente a la resolución de problemas complejos, dado que proporciona a los estudiantes oportunidades de reflexionar frente a los hechos que causan un problema, obligándolos a investigar para comprenderlo y tratar de resolverlo, logrando así potenciar su capacidad de razonamiento y flexibilidad cognitiva (Hmelo; Guzdial, 1996).
Los niveles cognitivos de compresión identifican características en alumnos graduados universitarios como son: capacidad para trabajo en equipo, alto nivel de comunicación, manejo de tecnologías y software de simulación, mejor compresión en el idioma inglés, búsqueda de información que permite al estudiante aplicar los conocimientos cuando se requiera, capacidad para llegar a decisiones y conclusiones sustentadas lo que se traduce en solucionar problemas.
De acuerdo a (Glaser, 1991) se pueden establecer claramente tres principios relacionados con el aprendizaje y los procesos cognitivos: el aprendizaje es un proceso constructivo y no receptivo, el proceso cognitivo llamado metacognición afecta el uso del conocimiento, y los factores sociales y contextuales tienen influencia en el aprendizaje.
El aprendizaje es un proceso constructivo y no receptivo
El conocimiento está estructurado en redes de conceptos relacionados, llamadas redes semánticas. Cuando se produce el aprendizaje la nueva información se acopla a las redes existentes. Dependiendo de la manera cómo se realice este proceso, la nueva información puede ser recuperada con menor esfuerzo y utilizada para resolver problemas, reconocer situaciones o guardar efectivamente el conocimiento.
Las redes semánticas no son solamente una manera de almacenar información, ellas también tienen influencia sobre la forma cómo se le interpreta y memoriza. Por ejemplo, cuando se lee un texto nuevo, ciertos pasajes activarán las redes que contienen el conocimiento existente necesario para construir y retener el significado del nuevo texto. Si esto no ocurre, se inhibe la comprensión de la lectura (Gijselaers, 1996).
La metacognición afecta el aprendizaje
Este segundo principio señala que el aprendizaje es más rápido cuando los estudiantes poseen habilidades para el auto-monitoreo, es decir para la metacognición. La metacognición es vista como un elemento esencial del aprendizaje experto: establecimiento de metas (¿Qué voy a hacer?), selección de estrategias (¿Cómo lo estoy haciendo?) y la evaluación de los logros (¿Funcionó?). La resolución exitosa de problemas no sólo depende de la posesión de conocimiento, sino también del uso de métodos de resolución para alcanzar metas. Los buenos estudiantes detectan cuándo entendieron o no un texto y saben cuándo utilizar estrategias alternativas para comprender los materiales de aprendizaje.
Brunnig y colaboradores (1995) proponen varias estrategias de enseñanza que son útiles para desarrollar la metacognición: motivar a los estudiantes a involucrarse profundamente en el proceso; enfocarse en la comprensión en vez de la memorización superficial; promover la elaboración de nuevas ideas; ayudar a los estudiantes a plantearse preguntas que puedan ellos mismos responderse durante la resolución del problema.
Los factores sociales y contextuales tienen influencia sobre el aprendizaje
Los factores sociales también tienen influencia sobre el aprendizaje del individuo. (Glaser 1991) señala que en el trabajo en pequeños grupos, la exposición del aprendiz a puntos de vista alternativos al suyo es un gran desafío para iniciar la comprensión. Al trabajar en grupo los estudiantes exponen sus métodos de resolución de problemas y su conocimiento de los conceptos, expresan sus ideas y comparten responsabilidades en el manejo de las situaciones problemáticas. Al estar en contacto con diferentes puntos de vista sobre un problema, los estudiantes se sienten estimulados para plantearse nuevas interrogantes.
Para Vigotsky (Álvarez y Del Río, 2000), el aprendizaje es una actividad social, que resulta de la confluencia de factores sociales, como la interacción comunicativa con pares y mayores (en edad y experiencia), compartida en un momento histórico y con determinantes culturales particulares. Para él, el aprendizaje es más eficaz cuando el aprendiz intercambia ideas con sus compañeros y cuando todos colaboran o aportan algo para llegar a la solución de un problema. En esta perspectiva, uno de los roles fundamentales del profesor es el fomentar el diálogo entre sus estudiantes y actuar como mediador y como potenciador del aprendizaje.
El esfuerzo por generar ambientes de aprendizaje donde los estudiantes sean los ejes articuladores del ritmo y la calidad, se presenta como un desafío para la actual docencia universitaria, que conjugada con la necesidad de articular los itinerarios formativos en competencias, implican repensar las estrategias metodológicas y recursos utilizados para lograr desplegar métodos de enseñanza proactivos (Mora, 2004).
Barrel (1999) señala algunas razones, basadas en investigaciones, que fundamentan la importancia del ABP:
El procesamiento de la información en los niveles superiores, tal como se da en la resolución de situaciones problemáticas, el pensamiento crítico, las estrategias de indagación y la reflexión sobre la práctica conducen a una compresión más profunda (Perkins et al., 1990); la autodirección (McCombs, 1991), y una retención y transferencia superiores de la información y los conceptos (Bransford et al., 1986; Mayer, 1983).
El aprendizaje es mayor cuando las personas usan la información de manera significativa (Marzano, 1997).
Tres metas centrales de la educación son la retención; la compresión y el uso o la aplicación de la información, los conceptos, las ideas, los principios y las habilidades (Perkins et al., 1990).
En experimentos controlados, los estudiantes que utilizan el ABP en clase mostraron un incremento significativo en el uso de estrategias para la resolución de problemas y obteniendo tanta información, y muchas veces más, que los estudiantes en clases tradicionales (Stepien, 1993).
Metodología
Se propuso usar un problema utilizando PLC para la comprensión del concepto de automatización, DiFrank (2007) “define el término de automatización como operaciones automáticas realizadas por un aparato, proceso o sistema que están controladas por elementos mecánicos o electrónicos que actúan como los órganos del ser humano”. La automatización constituye la base de disciplinas en materias como: neumática, hidráulica, instrumentación, automatización y control de procesos cuyas aplicaciones industriales son de importancia para la vida cotidiana de los estudiantes y de la sociedad en general.
La ruta que sigue el estudiante durante el desarrollo del proceso ABP se puede sintetizar según Morales y Landa et al., (2004) en lo siguiente: Leer y analizar el escenario del problema, realizar una lluvia de ideas, hacer una lista de aquello que se conoce, crear una inventario de aquello que se desconoce, organizar una memoria de aquello que necesita hacerse para resolver el problema, planear las estrategias de investigación, definir el problema, obtener información y presentar resultados.
El primer paso fue examinar qué características debería tener el método de aprendizaje basado en problemas aplicado en una dificultad para provocar específicamente la comprensión de conceptos en el desempeño académico de los estudiantes; se propone el problema con el fin de analizarlo, comprenderlo y situarse en el escenario de la discusión dentro de un equipo de trabajo.
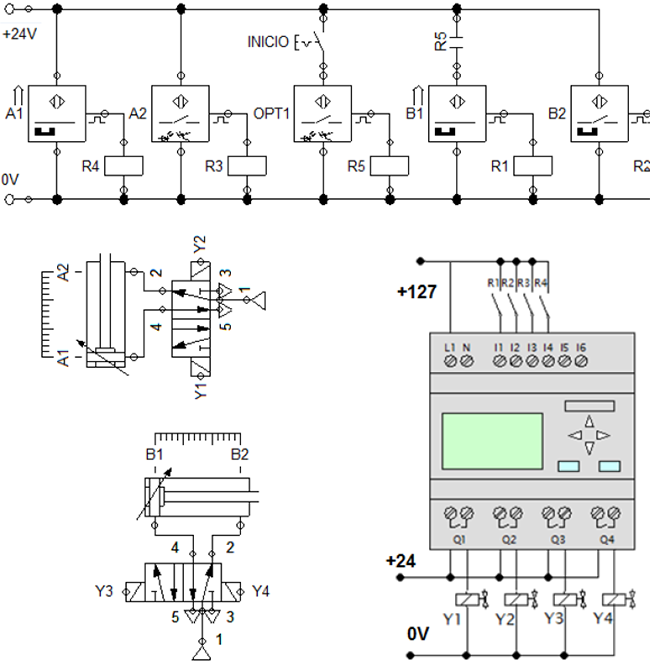
Realizar la automatización de una celda de usos múltiples, tomando en cuenta que al detectar la presencia de algún material comenzará el proceso a trabajar de la siguiente forma: dirigir el objeto de incio a la parte final del pistón vertical, activar la salida del cilindro horizontal expulsando la pieza, el pistón vertical regresa a su estado de vástago retraído y al caer el objeto el sensor contenido en la mesa de indexación hará que se realice un giro. En ese punto termina el proceso y volverá a iniciar cuando se coloque nuevamente pieza. En la figura 1 se ejemplifica el paso completo de la celda de uso múltiples.

Se trabajó con las opiniones de los alumnos mediante una lluvia de ideas exponiendo las teorías o hipótesis sobre las causas del problema, la forma en como resolverlo. Estas se escribieron en su libreta para ser aceptadas o rechazadas, algunas de ellas fueron en forma de preguntas: ¿Cómo se realiza la automatización del proceso? ¿Cuántos sensores intervienen? ¿cuáles son los elementos que se usan como entrada o salida en el proceso? ¿por qué realizar la secuencia que se solicita y no buscar otra alternativa?
A partir de la generación de preguntas se trabajó con una lista de aquello que se conocía y desconocía del proceso, lo que el equipo creía que se debe saber para resolver el problema. Existiendo diversos tipos de preguntas que podían ser adecuadas; algunas relacionadas con conceptos o principios que debían estudiarse para resolver la situación.
Se propuso realizar un escrito con aquello que se necesitaba hacer para la solución eficaz del problema mediante estrategias de investigación, de esta forma definían claramente el problema exponiendo de forma detallada lo que se desea resolver, produciendo, respondiendo y probando la solución con el fin de presentar resultados para la elaboración de un reporte donde se indiquen recomendaciones de las experiencias obtenidas.
Durante la impartición de la materia de PLC, se seleccionaron dos grupos de alumnos, uno que recibió las clases de forma tradicional y otro fue tratado mediante el método de enseñanza ABP. Un grupo se compone de 23 estudiantes y el segundo grupo esta formando de 27 estudiantes, quienes fueron examinados para medir su grado de asimilación en el ABP
El tiempo que se proporcionó para resolver el problema fue una clase de dos horas, partiendo de conocimientos previos en clase, también se requirió una demostración práctica del tema en el laboratorio con alumnos del tercer cuatrimestre de la carrera de Mecatrónica, de esta manera el conocimiento se amalgama pues los alumnos traen las ideas del aula y las comprueban de forma kinestésica con los equipos de prueba.
Las indicaciones para esta prueba son las siguientes: los estudiantes deben hacer uso de sus conocimientos de controladores lógicos programables para realizar la conexión que se pide, alcanzando a comprender los conceptos del problema, automatización, conexión de sensores magnéticos, conexión de sensores ópticos, identificación de elementos de entrada, elementos de salida, pistón vertical de doble efecto, meza de indexación, módulos de relevadores, fuente de alimentación de 24 volts y uso del relevador Zelio. En la figura 2 se muestra el diagrama propuesto para la búsqueda de solución del problema.

Los instrumentos de evaluación se aplicaron a los dos grupos justo después de ver los contenidos de clase y se midieron los resultados; encontrando efectos favorecedores de aprendizaje, lo que sirvió para medir el progreso de aprovechamiento de los estudiantes de tercer cuatrimestre de la carrera de Mecatrónica.
Discusión
Una de las fortalezas del método aprendizaje basado en problemas es que permitió a los alumnos cuestionarse muchas cosas referentes al problema propuesto, comprendiendo mejor la situación a resolver, aprendiendo a trabajar en equipo, propiciando el hábito de pensar discerniendo entre lo que es útil o no con el fin de mejorar el proceso y generar menos gastos en la puesta en marcha, motivándolos en sus capacidades de inventar y aplicar su experiencia en situaciones futuras.
Se observó en la investigación la integración de alumnos que generalmente mostraban apatía, se manifestaron muy motivados y participadores, incluso propusieron posibles soluciones del problema, sus compañeros de equipo que anteriormente los ignoraban expresaron cooperación con ellos tomando en cuenta sus opiniones, reafirmando así con la lluvia de ideas el conocimiento y aprendizaje adquirido en el aula.
Las restricciones que se presentaron fue la negativa con algunos profesores en el apoyo de la investigación, debido a ello se trabajó con dos grupos establecidos, esta situación se generó por que los maestros no trabajan con la materia de controladores lógicos programables; otro limitante fue en cuanto al tiempo de aplicación de la investigación que se evaluó sólo a alumnos de una generación durante un periodo escolar.
Conclusiones
El uso del ABP en la Universidad Tecnológica de Altamira reveló una adelanto en el aprovechamiento académico de los estudiantes, como se puede observar en los datos expresados en la tabla 1 su aprendizaje arrojó un progreso en cada uno los indicadores publicados de los grupos: tradicional y aplicación del ABP. Se concluye que en el primer exámen aplicado con el método tradicional no hay motivación, los alumnos trabajan de forma individual sin compartir sus experiencias con el resto del equipo, esa es una situación que se busca corregir con la aplicación de ABP, los resultados obtenidos en el método A fueron en comprensión de conceptos teóricos 50 y comprensión de conceptos prácticos 59.
Los datos vistos en la Tabla 1 método B aplicando el aprendizaje basado en problemas propició en los alumnos la utilización de habilidades en la solución de dificultades, interesando a los estudiantes en la búsqueda de información que sustentara la solución práctica de donde querían llegar, adecuando sus necesidades a la comprensión de ideas; los resultados obtenidos fueron en comprensión de conceptos teóricos 85 y comprensión de conceptos prácticos 87.

En la Tabla 2 columna 1 en relación a conceptos teóricos con prácticos, el rendimiento de ambos grupos se mantuvo bueno pero se optimizo aún el resultado en el método B; en la columna 2 método A no aplica y en el B fue bastante favorable ya que los estudiante se acostumbraron de una forma eficaz a trabajar con ABP, los resultados obtenidos fueron en columna 1; relación de conceptos teóricos con prácticos método A su evaluación arrojo 80, en el método B columna 1 mejoró la calificación y en la comprensión de método ABP el resultado arrojado fue de 92.

Los resultados de la investigación arrojaron una mejora en cada uno de los indicadores por lo tanto se concluye un éxito la utilización del método ABP.
Bibliografía
Álvarez A., Del Río P. (2000) Educación y desarrollo: la teoría de Vigotsky y la zona de desarrollo próximo. En Coll C, Palacios J, Marchesi A (eds.) Desarrollo Psicológico y Educación II, Madrid: Alianza Editorial.
Barrows H. (1996) Problem-Based learning in medicine and beyond: A brief overview. In Wilkerson L., Gijselaers W.H. (Eds) Bringing Problem-Based Learning to Higher 157 Educations: Theory and Practice, San Fco: Jossey-Bass Publishers, pp. 3-12.
Bransford J.D., Stein B.S. (1986) Solución Ideal de Problemas. Guía para mejor pensar, aprender y crear. Barcelona, España: Labor.
Bryan, L, A. (1997). Programmable Controllers Theory and Implementation. Second edition. Editorial Stephanie Philippo.
Duch, B.J., Groh S.E., Allen D.E. (2001) Why Problem-Based Learning? A Case Study of Institutional Change in Undergraduate Education. In DUCH BJ, GROH SE, ALLEN DE (eds.) The Power of Problem-Based Learning, Virginia: Stylus Publishing, pp. 3-11.
DiFrank, P.E.G (2007), "Discussion of the various levels of automation”.Cement Industry Technical Conference Record, IEEE, pp. 45 - 62.
Franckowiak, R.S.J. (2005). Human brain function. San Diego: Elsevier Science.
Gamon, D. y Bragdon, A. (2008). Ejercicios inteligentes. Ejercicios de acondicionamiento para los seis tipos de inteligencia. México: Grupo Editorial Tomo S.A. de C.V.
Gijselaers W.H. (1996) Connecting problem based practices with educational theory. In Wilkerson L, Gijselaers W.H. (eds) Bringing Problem-Based Learning to Higher Education: Theory and Practice, San Francisco: Jossey-Bass Publishers, pp. 13-21.
Glaser R. (1991) The Maturing of the relationship between the science of learning and cognition and educational practice, Learning and Instruction, 1, Issue 2, 129-144.
Hmelo-Silver, C., Ferrari, M. (1996). The problem-based learning tutorial: cultivating higher order thinking skills. Journal for the Education of the Gifted, 20, pp. 401-422.
Hmelo-Silver, C., Guzdial, M. (1996). Of black and glass boxes: scaffolding for learning and doing. In: International Conference on Learning Sciences. Evanston, IL Illinois, Proceedings Illinois: ISLS, 1996. pp. 128-134.
Marzano R. (1997) Dimensiones del aprendizaje. Guadalajara: Iteso.
McCombs B.L. (1991) Overview: Where have been and where are we going in understanding human motivation? Journal of Experimental Education, 60 (1), 5-14. Special Issue on Unraveling motivation: New perspectives from research and practice.
Mora, J. G. (2004) La necesidad del cambio educativo para la sociedad del conocimiento. Revista Iberoamericana de Educación, 35, pp. 13-37, 2004.
Morales y Landa (2004). Problem Based Learning. Theoria, 13,145-147.
Perkins D.N., Simmons R., Tishman S.(1990) Teaching cognitive and metacognitive strategies, Journal of Structural Learning, 10 (4), 285-292.
Stepien W.J. (1993) Problem-based Learning: As Authentic as It Gets. Educational Leadership 50, no. 7:25-28.
Anexo
