Artículo Científico
Determinación de la presión máxima de compresión de un motor de encendido provocado basado en una red neuronal artificial recurrente
Determination of the maximum compression pressure of an engine provoked ignition based on a recurrent artificial neural network
Determinación de la presión máxima de compresión de un motor de encendido provocado basado en una red neuronal artificial recurrente
Ingenius. Revista de Ciencia y Tecnología, núm. 19, pp. 9-18, 2018
Universidad Politécnica Salesiana

Recepción: 17 Febrero 2017
Aprobación: 10 Octubre 2017
Resumen: En la presente investigación se realiza la explicación de la metodología aplicada a la determinación de la presión máxima de compresión de un motor de combustión interna alternativo de encendido provocado (MEP), el cual se basa en un estudio que parte de la caracterización de las curvas del consumo de amperaje del motor de arranque. Se aplica un protocolo de adquisición de datos y su posterior análisis estadístico. Los valores estadísticos de la señal como energía, promedio, desviación estándar, varianza, kurtosis, asimetría, máximo, mínimo y factor de cresta son seleccionados en función al mayor aporte de información para la caracterización del experimento; estos valores generan bases de datos las cuales son aplicadas para la creación y entrenamiento de una red neuronal artificial recurrente (RNAR) en la cual se obtiene un error absoluto menor al 2 %. En una primera instancia se aplica la metodología de pruebas en un motor ensamblado en un banco didáctico y luego se procede a la aplicación del método en motores aplicados en vehículos.
Palabras clave: diagnóstico, presión de compresión, RNAR, MEP, red Elman, capa recurrente.
Abstract: In the present research the explanation of the applied methodology for the determination of the maximum pressure of compression of an engine of internal combustion alternative of ignited provoked (MEP), that is based on a study that starts from the characterization of the curves of the amperage rating of the starter motor. A protocol for data acquisition and subsequent statistical analysis is applied. The statistical values of the signal as energy, average, standard deviation, variance, kurtosis, asymmetry, maximum, minimum and crest factor are selected in function of the greater contribution of information for the characterization of the experiment; these values generate databases that are applied for the creation and training of a recurrent artificial neural network (RNAR) in which an absolute error of less than 2% is obtained. In the first instance, the test methodology is applied in an engine assembled in a didactic bank and then the application of the method is applied in vehicles.
Keywords: diagnosis, compression pressure, RNAR, MEP, Elman Network, Layer Appellant.
Forma sugerida de citación:
Contreras, W.; Arichávala, M.; Jérez, C. (2018). «Determinación de la presión máxima de compresión de un MEP basado en una RNAR». Ingenius. N°. 19, (enero-junio). pp. 7-13. doi: https://doi.org/10.17163/ings.n19.2018.01.
1. Introducción
En la actualidad, la reparación y diagnóstico aplicados en el área del transporte automotriz se basan desde esquemas artesanales hasta llegar a un alto nivel de tecnificación [1]. El incremento diario en el parque automotor demanda servicios especializados con la consiguiente reducción en los tiempos de detección y reparación de fallos. Esto ha traído el desarrollo de investigaciones mediante el análisis de vibraciones [2], para poder identificar los parámetros de operación crítica, análisis experimentales de la emisión acústica del motor alternativo [3], determinación de cilindrada del motor de manera no intrusiva [4].
Debido a la complejidad de variables que intervienen en el diagnóstico de los motores de combustión interna se hace necesaria la aplicación de matemática computacional.
La utilización de la técnica de redes neuronales es considerada de gran contribución en el análisis de los parámetros del motor de combustión interna, según expresa Saraswati y Chand; se puede reconstruir la presión del cilindro con el uso de una red neuronal recurrente (RNN) [5], en igual forma, Cay y Cicek en el 2012, indican que se puede predecir el consumo específico de combustible basado en parámetros como: el freno-motor, la potencia efectiva, la presión media efectiva y la temperatura del gas de escape del motor. Para esto se utilizó un modelo de ANN basado en el algoritmo estándar de retropropagación, con errores medios menores que 3,8 % [6].
De acuerdo con Czarnigowski, es posible determinar el valor del avance de chispa, mediante un modelo de red neuronal inverso al del par efectivo, consiguiendo así la estabilización de velocidad en ralentí [7].
La investigación de Wu, Huang y Chang propone un sistema de diagnóstico de fallas del MCI, basado en la presión del colector de admisión, utilizando la transformada discreta de Wavelet (DWT) y la aplicación de RNA. Este tipo de diagnóstico reduce el defecto convencional de depender demasiado de la experiencia de los técnicos [8]. Un estudio muy similar propuesto por Shatnawi y Al-khassaweneh, en donde, la señal de sonido emitida por el MCI es la fuente de información para establecer fallas, mediante la red neuronal de extensión (ENN), la cual mejora el rendimiento en comparación con las RNA [9].
Los esfuerzos para predecir estados futuros del motor también son de gran interés en el desarrollo tecnológico de los motores, así lo demuestra un estudio desarrollado por la Universidad de Michigan, en donde las RNA son usadas para predecir el comportamiento de la combustión de un motor de ignición por compresión de carga homogénea (HCCI), durante su funcionamiento transitorio [10]. Con la misma finalidad de predecir el rendimiento y las emisiones de escape bajo diferentes estrategias de la EGR.
los investigadores Roy, Banerjee y Bose presentan un estudio que utiliza RNA, obteniendo como resultados coeficientes de correlación dentro del rango de 0,987-0,999 y un error absoluto en el rango de 1,1–4,57 % [11]. Con el propósito de optimizar a las RNA, se puede utilizar estrategias paralelas como el filtro de estructura variable lisa (SVSF) usado para entrenar eficientemente las RNA, y en consecuencia se conoce como RNA basada en SVSF, que se utiliza nuevamente para la detección y clasificación de fallas del motor utilizando datos de vibración en el dominio del ángulo del cigüeñal [12].
También, se ha desarrollado mediante las RNA, un sistema de diagnóstico automatizado de los fallos de encendido en los MCI que consta de tres etapas: detección, localización e identificación de gravedad de fallos [13]. Los investigadores Chen y Randall entrenaron una RNA para el análisis del dominio del tiempo que utiliza las características paramétricas de las emisiones acústicas (AE), para detectar daños en las válvulas de los MCI [14].
Es de hacer notar que existen a nivel general muy pocos sistemas inteligentes enfocados al diagnóstico de fallas mecánicas en las que intervenga la presión de compresión del MEP, siendo así los sistemas expertos como DELTA, de General Electric Company [15], utilizado para la reparación de locomotoras diésel y eléctricas, otro ejemplo es el STEAMER [15], desarrollado por Navy Research Perssoner Development Center, diseñado para enseñar el funcionamiento de una planta de propulsión de vapor como las utilizadas en los buques impulsados por vapor y por último se puede mencionar el Proyecto Eolo CN-235, desarrollado por la empresa española Construcciones Aeronáuticas S. A., el cual es un sistema de enseñanza interactivo para pilotos y técnicos de mantenimiento de aviones, modelo CN-235.
A nivel comercial y académico existen diferentes software como Autodata el cual cuenta con fichas técnicas y tiempos de reparación estimados, códigos de averías, rutinas de reparación de diferentes marcas y modelos de automóviles, permitiendo al personal técnico realizar cualquier tipo de reparación con la desventaja de la subjetividad de los operarios en las tomas de decisiones basadas en la experiencia profesional de prueba y error manteniendo un sistema de diagnóstico incipiente que en muchos de los casos podría ocasionar reparaciones erróneas y deficientes para el automóvil [1].
Esta revisión bibliográfica es la que conlleva a la investigación de la generación de metodologías en las cuales se proyecta determinar la presión máxima de compresión en la cámara de combustión en motores de encendido provocado de una manera mínimamente intrusiva y de rápida realización.
2. Materiales y métodos
En la presente sección se desarrollan las temáticas principales que tienen que ver con la selección de parámetros menos invasivos, la instrumentación del motor, el diseño del software, la toma de datos, la validación de las muestras, la creación y entrenamiento de un RNAR.
2.1. Selección de parámetros menos invasivos
Se toma en consideración como objetivo principal evitar la manipulación y desarmado de elementos que serían necesarios para acceder a las bujías de encendido e instalar un probador de fugas o un compresómetro, por lo que se plantean como opciones: la medición del parámetro de flujo másico de aire del motor, la instalación de un medidor de presión en el múltiple de admisión [16], la medición de la corriente de consumo del motor de arranque, la medición de la caída de voltaje de la batería; todas estas opciones están con la condición de arranque del motor durante un tiempo determinado.
2.2. Instrumentación del motor
En el apartado anterior se mencionan los parámetros de medición para el desarrollo del experimento, de los cuales se explica que para realizar la medición del flujo másico de entrada de aire se puede aplicar un sensor de hilo caliente tipo MAF, para la medición de la presión en el múltiple de admisión se puede usar un sensor tipo MAP, para la medición de la corriente de consumo del motor de arranque se puede emplear una pinza amperimétrica, para la determinación de la caída de voltaje se puede utilizar un partidor de tensión conectado directamente a los bornes de la batería, lo cual se observa en la Tabla 1 y Figura 1.

Para identificar el cilindro que está con una diferencia significativa en su valor de compresión, se aplica una pinza inductiva para registrar la chispa que corresponde al cilindro 1 y que según el orden de encendido se localiza el cilindro con mayor variación. Se indica que en el motor del banco de pruebas se registra la señal del sensor CMP para identificar cada uno de los cilindros.

Para la aplicación del sensor MAF se necesitan varios acoples que dependen del diámetro del colector de admisión por lo que esta opción se descarta siendo necesario, además, desmontar varios conductos del múltiple de admisión. Para la aplicación del MAP se debe identificar una toma en el múltiple de admisión la cual permita la conexión del sensor que, en algunos vehículos es inexistente, por lo tanto, se deben desconectar conductos pudiendo generar fallos mecánicos si estos no se reinstalan correctamente resultando en el descarte de esta opción.
La corriente de consumo del motor de arranque se puede medir con la instalación de una pinza amperimétrica, para lo cual no se requieren mayores exigencias, solo la identificación del cable y su instalación sobre este; la medición del voltaje se lo realiza directamente por la aplicación de pinzas en los bornes de la batería, indicado en la Figura 2, sin tener mayores complicaciones adoptando también esta opción.

En la Tabla 2 se resumen las características del motor a prueba y las de la pinza amperimétrica aplicada.

2.3. Diseño del software
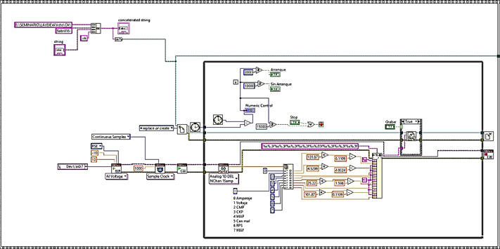
Al determinar que el consumo de amperaje es el parámetro menos invasivo junto con la medición de la caída de voltaje, se utiliza el software LabView, que es compatible con una tarjeta Ni 6009, para la adquisición de datos a una tasa de 1 kHz, lo cual cumple con el criterio de Nyquist para el análisis de la señal.
También se indica que el software realiza la extracción de parámetros característicos y de estadística descriptiva de cada prueba realizada y que, además, genera una base de datos la cual posteriormente se aplicará en la creación y entrenamiento de una red neuronal artificial recurrente.
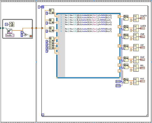
En las Figuras: 3a, 3b y 3c se presenta una secuencia y parte de la programación aplicada para la adquisición, desarrollo del software y su entorno gráfico.



2.4. Toma de datos
Se muestran a continuación las gráficas del resultado de la toma de muestras del motor en estudio con diferencias en su presión de compresión (el motor se encuentra en condición de arranque).
En la Figura 4 se grafica la curva de presión de compresión en función al oscilograma de la curva de consumo de amperaje del motor de arranque, en la cual el motor se encuentra en condiciones estándares, es decir, todos sus cilindros con una presión de compresión estándar que es alrededor de 125 PSI.

En las Figuras 5, 6, 7 y 8 se grafica la curva de presión de compresión en función al oscilograma de la curva de consumo de amperaje del motor de arranque, en las cuales el motor se encuentra con variaciones de compresión en cada cilindro, es decir, el cilindro correspondiente al orden de encendido tiene una presión de compresión de 90 PSI, mientras que los otros 3 cilindros restantes mantienen su presión estándar; además, se puede identificar la curva de la señal del sensor CMP.




A continuación, en las Figuras 9, 10, 11 y 12 se aplica un diagrama de barras, en el cual cada barra representa el valor de la presión de compresión en función al consumo de amperaje del motor de arranque cuando el motor se encuentra con variaciones de la presión de compresión en cada cilindro, es decir, el cilindro correspondiente al orden 1-2-3-4, tienen una presión de compresión de 90 PSI, mientras que los otros 3 cilindros restantes mantienen su presión estándar.




2.5. Validación de toma de muestras
Las muestras tomadas por el software diseñado en la plataforma virtual de LabView son analizadas estadísticamente mediante un ANOVA en el cual tenemos los siguientes resultados.

La dispersión de puntos en el gráfico de residuos vs porcentaje mostrado en la Figura 13, tiende a ser una línea recta lo que afirma la normalidad de los datos y que, además, está confirmada por la distribución de valores en forma de la campana de Gauss en el histograma. Se valida el supuesto de varianza constante debido a que en la gráfica del valor ajustado vs residuo no se observa ningún patrón de acumulación de puntos; además, se corrobora que las tomas fueron de manera aleatoria ya que se observa que los valores en la gráfica de orden de observación vs residuo los puntos no muestran regiones de acumulación en la parte superior o inferior del cero, sino más bien estos fluctúan en un patrón aleatorio alrededor de la línea del cero.
En síntesis, la toma de datos es correcta y lo demuestra el resultado del ANOVA. Para determinar los valores estadísticos característicos más significativos, se aplica un ANOVA unidireccional a las variables en estudio, con el cual se analizan los resultados del p-valúe, siendo el de menor valor el que revela la mayor significancia de las variables. A continuación, en la Tabla 3 se listan los valores estadísticos en orden de significancia basándose en el menor valor de ρ.

2.6. Red neuronal tipo Elman
Se aplica una red neuronal tipo Elman, esto basado en una corrida pre experimental en la cual se realizaron entrenamientos con diferentes tipos de redes como «feed-forward», «cascade-forward», «elman-forward», de las cuales se escoge la que menor error obtiene. Hecha la observación anterior, se indica que los parámetros de entrada son los valores característicos que resultan del análisis de la curva de consumo de amperaje del motor de arranque; estos se presentan en la Figura 14.

Se aplican 3 capas ocultas cada una con 15, 10 y 5 neuronas por cada capa, debido al menor gasto computacional, ya que al aumentar capas y neuronas no disminuye el error y el tiempo de ejecución aumenta; para continuar se indica que las funciones de activación entre la neurona de entrada y la primera es de tipo Logsig, seguida en las dos capas de una función Elliotsig y por último entre la capa y la neurona de salida una función de tipo Purelin.
La neurona de salida indica el valor del resultado de la compresión, esto en función al análisis computacional que genera la RNAR tipo Elman. El entrenamiento de la red se realiza con la función Levenberg-Marquardt (trainlm), la que se muestra en la Figura 15. La Figura 16 indica el gradiente en la reducción del error cuadrático o MSE y el número de épocas o Epochs, que se realizan para el entrenamiento de la RNAR.


3. Resultados y discusión
A fin de comparar el correcto funcionamiento de la RNAR creada y entrenada del proceso propuesto, se realizan varias pruebas de diversos valores de compresión. En este apartado se presentan dos compresiones en concreto, que son valores que están alrededor de 120 PSI, en caso de motores con un funcionamiento correcto; otro caso es en el que los valores se encuentran alrededor de 90 PSI lo que indica un fallo de desbalanceo en la combustión generalizada del motor.
En la Figura 17 se observa el resultado de los valores obtenidos por la RNAR para tomas de compresión de 120 PSI, donde el valor del promedio del error del resultado y el valor real es de 0.0895 % del valor absoluto.

En la Figura 18, se evidencia el resultado de los valores obtenidos por la RNAR para tomas de compresión de 90 PSI, donde el valor del promedio del error del resultado y el valor real es de 0.2591 % del valor absoluto.

4. Conclusiones
En este trabajo se muestra que la aplicación de redes neuronales artificiales recurrentes (RNAR) en la determinación de la compresión de un MEP constituye una alternativa claramente viable; además, presenta la ventaja de ser mínimamente invasiva con rangos de error menores al 1 %, pudiendo determinarse con un alto grado de probabilidad el valor de la compresión.
Otro aspecto fundamental a tener en cuenta es que el proceso de medición de compresión se aplica con mucha frecuencia en la evaluación de compraventa de vehículos, por lo tanto, esta metodología se presenta como una técnica altamente apropiada para ser integrada en un sistema de diagnóstico con la rapidez computacional que ofrecen las redes neuronales.
Tras la elaboración de este estudio en el cual se aplica una estructura de red neuronal tipo Elman, se ha observado que esta es la más apropiada dada la naturaleza dinámica de los patrones obtenidos por el análisis del consumo de corriente del motor de arranque.
Referencias
[1] R. F. Covarrubias and A. G. F. Covarrubias, “Desarrollo de un sistema experto para el diagnóstico de fallas automotrices.” Revista Iberoamericana de Tecnología en Educación y Educación en Tecnología (TE&ET), no. 11, pp. 83–91, 2013. [Online]. Available: https://goo.gl/Uz5g5y
[2] O. Criollo and H. Matute, “Diagnóstico de fallos en la combustión para motores de combustión interna alternativos diésel por análisis de vibraciones.” Tesis de Grado, Universidad Politécnica Salesiana, 2014. [Online]. Available: https://goo.gl/24c27G
[3] J. García, “Diseño de una sala de pruebas para motores alternativos de combustión interna.” In Trabajo final de carrera, Universidad Politécnica de Cataluña, 03 2007. [Online]. Available: https://goo.gl/xJv1ym
[4] W. Contreras and J. Fajardo, “Diseño y construcción de un sistema prototipo para determinar la cilindrada total de un motor ciclo otto por un método no invasivo mediante labview,” Master’s thesis, Escuela Politécnica Nacional, 2012. [Online]. Available: https://goo.gl/SdZ6ec
[5] S. Saraswati and S. Chand, “Reconstruction of cylinder pressure for si engine using recurrent neural network.” Neural Computing & Applications, vol. 19, no. 6, pp. 935–944, 2010. [Online]. Available: https://doi.org/10.1007/s00521-010-0420-6
[6] Y. Çay, A. Çiçek, F. Kara, and S. Sağiroğlua, “Prediction of engine performance for an alternative fuel using artificial neural network,” Applied Thermal Engineering, vol. 37, no. Supplement C, pp. 217–225, 2012. [Online]. Available: https: //doi.org/10.1016/j.applthermaleng.2011.11.019
[7] J. Czarnigowski, “A neural network modelbased observer for idle speed control of ignition in si engine,” Engineering Applications of Artificial Intelligence, vol. 23, no. 1, pp. 1–7, 2010. [Online]. Available: https://doi.org/10.1016/j.engappai.2009.09.008
[8] J.-D. Wu, C.-K. Huang, Y.-W. Chang, and Y.-J. Shiao, “Fault diagnosis for internal combustion engines using intake manifold pressure and artificial neural network,” Expert Systems with Applications, vol. 37, no. 2, pp. 949–958, 2010. [Online]. Available: https://doi.org/10.1016/j.eswa.2009.05.082
[9] Y. Shatnawi and M. Al-khassaweneh, “Fault diagnosis in internal combustion engines using extension neural network,” IEEE Transactions on Industrial Electronics, vol. 61, no. 3, pp. 1434–1443, March 2014. [Online]. Available: https://doi.org/10.1109/TIE.2013.2261033
[10] V. M. Janakiraman, X. Nguyen, and D. Assanis, “Nonlinear identification of a gasoline hcci engine using neural networks coupled with principal component analysis,” Applied Soft Computing, vol. 13, no. 5, pp. 2375–2389, 2013. [Online]. Available: https://doi.org/10.1016/j.asoc.2013.01.006
[11] S. Roy, R. Banerjee, and P. K. Bose, “Performance and exhaust emissions prediction of a crdi assisted single cylinder diesel engine coupled with egr using artificial neural network,” Applied Energy, vol. 119, Supplement C, pp. 330–340, 2014. [Online]. Available: https://doi.org/10.1016/j.apenergy.2014.01.044
[12] R. Ahmed, M. E. Sayed, S. A. Gadsden, J. Tjong, and S. Habibi, “Automotive internal-combustionengine fault detection and classification using artificial neural network techniques,” IEEE Transactions on Vehicular Technology, vol. 64, no. 1, pp. 21–33, Jan 2015. [Online]. Available: https://doi.org/10.1109/TVT.2014.2317736
[13] J. Chen and R. B. Randall, “Improved automated diagnosis of misfire in internal combustion engines based on simulation models,” Mechanical Systems and Signal Processing, vol. 64-65, Supplement C, pp. 58–83, 2015. [Online]. Available: https://doi.org/10.1016/j.ymssp.2015.02.027
[14] S. M. Jafari, H. Mehdigholi, and M. Behzad, “Valve fault diagnosis in internal combustion engines using acoustic emission and artificial neural network,” Shock and Vibration, vol. 2014, pp. 1–9, 2014. [Online]. Available: http://dx.doi.org/10.1155/2014/823514
[15] J. Giarratano and G. Riley, Sistemas expertos, principios y programación., T. Ed, Ed., 2004.
[16] M. Khajavi, S. Nasiri, and A. Eslami, “Combined fault detection and classification of internal combustion engine using neural network,” Journal of Vibroengineering, vol. 16, no. 8, pp. 3912–3921, 2014. [Online]. Available: https://goo.gl/aWc9oW