Artículos
Estudio de Factibilidad para Implementar Compensación de Potencia Reactiva en Parte del Sistema de Potencia Occidental Venezolano
Feasibility Study of implementation of Reactive Power Compensation in Part of the Western Power System of Venezuela
Estudio de Factibilidad para Implementar Compensación de Potencia Reactiva en Parte del Sistema de Potencia Occidental Venezolano
Ciencia e Ingeniería, vol. 39, núm. 2, pp. 169-176, 2018
Universidad de los Andes

Recepción: 10 Noviembre 2017
Aprobación: 05 Marzo 2018
Resumen: La demanda de energía eléctrica en los sistemas de potencia tiende a crecer con el tiempo, además de las dificultades que puedan existir en cuanto a la generación existente para cubrir la nueva demanda, esto conlleva a un aumento de las pérdidas en en el sistema de potencia y a una caída en los niveles de tensión que no permiten garantizar una operación adecuada. El objetivo principal de este trabajo es proponer la ubicación y el dimensionamiento óptimo de unidades de compensación de potencia reactiva, de manera que se obtengan voltajes adecuados en las barras de una parte del sistema de potencia Occidental de Venezuela a nivel de 115kV, mientras se minimizan las pérdidas totales. La metodología implementada consiste en el desarrollo de un algoritmo que utiliza simulaciones de flujos de potencia óptimos (OPF) para un total de 744 variaciones de carga. Para cada escenario de variación de carga se evalúan la ubicación y dimensionamiento posible de las unidades de compensación. La solución obtenida indica la cantidad mínima de equipos de compensación y su localización, así como la inyección de potencia reactiva necesaria para asegurar un perfil de tensiones adecuado para todas las variaciones de carga. Adicionalmente, mediante análisis probabilísticos, y tomando en cuenta las unidades compensa- doras como bancadas de capacitores conmutables, se determinan los rangos de inyección de reactivos de cada una de ellas, considerando contingencias para asegurar una adecuada operación del sistema bajo diferentes condiciones de operación. El presente trabajo ha sido desarrollado con la colaboración de la empresa CORPOELEC.
Palabras clave: Compensación, Flujo Óptimo de Potencia.
Abstract: Electric energy demand in power systems tends to grow up over time, in addition to the difficulties to cover the new power demand by the existing generating units, these lead to a rise in power system losses and a drop in voltage levels that do not guarantee a correct system operation. The main objective of this work is to propose an optimal location and size of reactive power compensation units to get adequate voltages of a part of the West Electric power System of Venezuela at a 115kV voltage level, while minimizing the total system active powerlosses.The implemented methodology consists in developing an algorithm based on optimal power flow (OPF) simulations for a total of 744 load variation scenarios. For each load sce- nario, all possible combinations in location and size of the compensator units are evaluated. The obtained solution yields the minimum amount of compensation units and their location, as well as the necessary reactive power injections to ensure adequate voltage profiles for all the load variation scenarios. Also, using probabilistic analyzes, and considering the com- pensation units as switchable capacitor banks, the range of reactive power injections of each unit is determined, taking into account contingencies to assure the proper operation of the system under different operating conditions. The present work has been developed with de collaboration of CORPOELEC.
Keywords: Compensation, Optimal Power Flow.
1 Introducción
Uno de los métodos más utilizados para mejorar los perfiles de voltaje y la estabilidad en los sistemas de potencia es la compensación de potencia reactiva, representando una solución práctica y económica en comparación a la instalación de nuevas centrales, al compensar se pueden suplir los incrementos en la demanda de reactivos, liberando a la generación instalada de una porción de la carga y disminuyendo las pérdidas en las líneas de transmisión, ofreciendo una mayor confiabilidad al sistema y previniendo fallas o interrupciones del servicio eléctrico (Méndez, 2007). Varios trabajos se han llevado a cabo con la finalidad de obtener la ubicación de capacitores en sistemas de potencia, entre ellos destacan el trabajo llevado a cabo por (Zerpa, 2016), enfocado en el sistema de potencia occidental venezolano, el de (García, 2012) orientado a la ubicación de compensadores en el estado Mérida a nivel de 115 kV, y el de (Castillo, 2017), en donde se usa optimización de enjambre de partículas para la ubicación óptima de capacitores considerando incertidumbres.
En el presente estudio se sintoniza y simula un modelo del sistema de transmisión presente en el estado Mérida, incluyendo algunas barras pertenecientes a otros estados, utilizando la herramienta computacional MATPOWER® (Zimmerman y col., 2011), para ello se tomaron como referencia valores aproximados de las mediciones registradas por COPROELEC hora por hora en cada subestación en cuanto a los perfiles de carga y voltaje, debido a la ausencia de parte de la data, esta fue asumida considerando los casos más desfavorables para el sistema a fin de proponer una solución que garantice una operación satisfactoria ante las diferentes variaciones del mismo, incluyendo contingencias. La metodología empleada para determinar la compensación y obtener niveles de tensión dentro del rango deseado en todas las barras consiste en el empleo de simulaciones de flujos óptimos de potencia (OPF), optimizando el proceso en términos de la minimización de las pérdidas activas totales en las líneas. Las posibles unidades de compensación son modeladas como inyecciones netamente reactivas (potencia activa igual a cero) conectados en paralelo a las barras de 115kV de las subestaciones ubicadas dentro del territorio merideño, y se desarrolla un programa que permite determinar la mejor ubicación y capacidad de los compensadores cumpliendo con las restricciones requeridas para todas las variaciones en la condición de carga.
La estructura del artículo es la siguiente: En la sección 2, se describe el sistema modelado y sus características, cambiando los nombres reales de las subestaciones por números para fines didácticos. En la sección 3, se presentan y analizan los resultados obtenidos en cuanto a la ubicación, dimensionamiento, y características de la compensación propuesta. Finalmente en la Sección 4 se establecen las respectivas conclusiones y recomendaciones.
2 Descripción del Sistema a Simular y Metodología
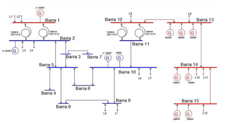
El Sistema de Transmisión Sur-Occidente es uno de los subsistemas regionales que forman el SEN (Sistema Eléctrico Nacional), es administrado por el “Despacho de Carga Valera”, ubicado en el estado Trujillo y presta servicio a los estados Mérida, Táchira, Trujillo, y Barinas, así como algunas partes de los estados Zulia, Portuguesa y Apure. Está conformado por una serie de subestaciones eléctricas y líneas de transmisión que operan en dos niveles de voltaje: 230kV y 115kV, además de varias fuentes de generación hidroeléctrica y termoeléctrica. Dentro del estado Mérida se encuentra una parte significativa del Sistema Sur Occidente, conformado por nueve subestaciones de transmisión así como las líneas que las interconectan, tres de estas subestaciones tienen plantas de generación; una hidroeléctrica y dos termoeléctricas de acuerdo al diagrama unifilar de la figura 1.

En la tabla I se muestran los principales datos de las subestaciones a simular. Cabe hacer algunas acotaciones en cuanto al modelado del sistema: La barra 3 (T-OFF) es la conexión de la barra 4 a la línea que va desde la barra 2 la barra 5, modelada como barra solo para fines prácticos de simulación. Aunque la barra 10posee generación, se considerará como una barra PQ para observar de mejor manera el efecto de la compensación sobre los perfiles de voltaje. Se selecciona la barra 1 como barra “slack” o de referencia ya que en las condiciones actuales, generalmente a esta llegan flujos de potencia desde el resto del Sistema sur occidente, y al no tener suficiente data de estos flujos, se permite su variación dentro de un rango establecido para suplir la demanda del sistema modelado.

2.1 Modelado de la interconexión al sistema Sur-Occidente.
El estado Mérida está conectado al Sistema Sur Occidente a través de una serie de líneas de transmisión tanto en 230kV como en 115kV, mediante las cuales se realiza el intercambio de energía con los estados Barinas, Táchira, Trujillo y Zulia. Para efectos prácticos de simulación, los flujos de potencia registrados en estas líneas se consideran como cargas variables asociadas a las barras presentes en el modelo a simular. Debido al comportamiento bidireccional de los flujos de potencia, estas cargas pueden ser positivas o negativas, aumentando o disminuyendo, respectivamente, la demanda en la barra. La tabla 2 muestra las líneas que conectan el sistema a simular con el resto del sistema Sur Occidente, y la forma en la cual son modeladas para la simulación.
2.2 Modelado de los generadores del sistema.
Para ingresar la data al software de simulación, se toma la suma de la potencia entregada por cada uno de los generadores de las diferentes plantas como el valor de generación equivalente en las barras a las que las centrales están conectadas, estos se sintonizaron para que la potencia generada oscile en un rango de valores cercanos a los registrados, esto se establece como una restricción de seguridad.
En el generador que modela la línea L2, se toma el límite de generación como un porcentaje de la capacidad de esta línea (asumida en aproximadamente 300MVA de acuerdo a los valores presentes en líneas similares), de forma que se tenga una importación de energía factible para satisfacer la demanda del modelo, y que los flujos de potencia converjan. En la tabla 3 se ilustran las restricciones de potencia activa y reactiva usadas en el modelo.

2.3 Líneas del sistema.
Las principales características técnicas de las líneas de transmisión presentes en el sistema real, se muestran en la tabla 4, para ser ingresados en el software de simulación, estos datos deben ser expresados en por unidad. Los transformadores son considerados como líneas con resistencia y susceptancia cero, por lo cual el programa requiere que se ingrese su impedancia de corto circuito como parámetro inductivo. El programa también permite especificar la capacidad de potencia de la línea, en MW, MVAR o MVA, con el objetivo de establecer el límite en los flujos de carga que los conductores pueden soportar y evitar sobrecargas, en este caso el sistema sintonizado toma como restricción los MVA máximos por línea.
2.4 Cargas del sistema.
Para cada una de las cargas asociadas a las barras del sistema se tiene un total de 744 variaciones, cuyos valores toman como referencia los registros medidos en las diferentes subestaciones por CORPOELEC, ante la ausencia de algunos datos se asumen las condiciones más desfavorables para el sistema, los puntos máximos, mínimos y medios valores de la demanda se resumen en la tabla 5.


2.5 Criterios de restricción de voltaje del sistema.
El objetivo principal del presente estudio es determinar la compensación de reactivos necesaria para llevar los perfiles de tensión en las subestaciones de transmisión del estado Mérida a niveles adecuados según los criterios de CORPO- ELEC, ya que a nivel de transmisión, los voltajes presentes se encuentran por debajo de los valores deseados. Para este fin, se restringieron los niveles de tensión para todas las barras entre 0.95 y 1.05 p.u., exceptuandolas barras que están fuera del estado Mérida, en donde se consideró una mayor flexibilidad en la restricción del voltaje mínimo, el cual se fijo en 0.9 p.u., debido a la insuficiente cantidad de data disponible, y para obtener una respuesta del sistema lo más próxima a la aportada porlas mediciones en el mismo.
2.6 Modelado de los compensadores en MATPOWER®.
La forma más común para representar compensación reactiva en MATPOWER® es con el parámetro “B” como dato de entrada al sintonizar el sistema, sin embargo, esto permite compensar con un valor fijo, el cual no será óptimo para los diferentes valores de carga, por ende, se modelaron los compensadores como generadores en paralelo a las barras candidatas restringiendo su capacidad de potencia activa a cero, de esta forma al correr las simulaciones de flujos óptimos, la generación de reactivos que es una variable de optimización, será optimizada en cada condición de carga para que la simulación converja.
2.7 Algoritmo diseñado para determinar la compensación óptima del sistema.
Para cumplir con los objetivos del estudio, se desarrolló un algoritmo, el cual permite ubicar y dimensionar de forma óptima la compensación reactiva en un sistema con cargas variables utilizando las rutinas de simulación de MATPOWER®.Este calcula los flujos de potencia óptimos conectando y/o desconectando los compensadores del sistema, y para cada posible combinación de los mismos se simulan todas las condiciones de carga, de forma que se satisfagan cada una de ellas con un determinado arreglo de compensación.
Previamente, se cargan:
La estructura del sistema a simular: definiendo las variables y parámetros de la misma para ser manipuladas mediante la escritura del código:
mpc = loadcase(‘Compensacion_Optima_Merida’)
La base de datos: conteniendo las variaciones de carga en cada barra.
La matriz de iteración IC: esta contiene una matriz de ceros y unos con n columnas por 2n-1filas representando cada posible combinación de compensadores encendidos “1” o apagados “0”.Tal y como se muestra en la figura 2

Esta matriz es recorrida por el programa controlando el estado de cada compensador. En la figura 3 se muestra el diagrama de flujo del algoritmo propuesto.

3 Resultados y Discusión.
3.1 Ubicación y Dimensionamiento óptimo de la compensación.
El algoritmo muestra que compensando en las barras 5, 9 y 11, se puede satisfacer la demanda de reactivos y llevar las tensiones a los niveles deseados para todas las condiciones de carga. La magnitud de la potencia reactiva de estos compensadores para cada variación de carga se obtiene también mediante el algoritmo, tal como se muestra en la figura 4.En ésta figura se observan los reactivos aportados por cada compensador de forma óptima al variar la carga hora por hora de manera que se cumpla con todas las restricciones del OPF, debido a la gran cantidad de data estos valores se encuentran dentro de un rango considerable en cada caso, para lograr esto los SVC representan una solución ideal para obtener la variación y el rango en la inyección de potencia reactiva necesaria. En la tabla 6 se muestra los rangos de potencia óptima obtenidos.


3.2 Efecto de la compensación en las tensiones del sistema.
Al compensar de forma óptima, los voltajes aumentan de forma considerable y adicionalmente, se mejora la estabilidad de los mismos en cuanto a la variación de su magnitud con el cambio en los valores de carga. En las figuras 5,6,7,8 se muestran los voltajes registrados (verde) y simulados antes de aplicar la compensación (azul) y después de aplicar la compensación propuesta (rojo) para algunas de las barras consideradas en el estudio. Seaprecia la mejora en las tensiones, que se encuentran dentro de los criterios establecidos por CORPOELEC (95% a 105% del voltaje nominal) una vez se compensa. Cabe destacar que se consideraron como barras de interés aquellas de 115kV, como se expresó anteriormente para tomar en cuenta los casos más desfavorables para el sistema y acercarse a las condiciones reales del sistema.




3.3 Optimización de las pérdidas activas del sistema.
En la figura 9 se aprecia la minimización de las pérdidas totales tras el efecto de la compensación óptima. Para cada condición de carga las pérdidas llegan a disminuir en promedio más de 50% una vez se compensa óptimamente.

3.4 Selección de equipos conmutables MSC.
Si bien la solución ideal para obtener la compensación óptima es la implementación de SVC, una alternativa más económica es el uso de bancadas de capacitores conmutables mecánicamente (MSC), para seleccionar los valores adecuados de esta bancadas se realiza un análisis probabilístico mediante los histogramas de frecuencia, que permiten determinar los valores más representativos de la compensación óptima y establecer en base a ellos los escalones de compensación que más se repiten, tal y como se muestra en las figuras 10, 11, y 12.
Al obtener los rangos de reactivos en los que se concentran las soluciones para la mayoría de las condiciones de carga, se definen dos niveles de compensación con MSC, para lograr estos escalones se pueden realizar diversas combinaciones de bancadas capacitivas dependiendo de las características que proveen los fabricantes. En base a los histogramas de la figuras 10,11, y 12, se establecen los niveles de compensación de la siguiente manera:
Barra 5:
- Compensación máxima: 75 MVAR.
- Compensación media: 45 MVAR.
Barra 9:
- Compensación máxima: 50 MVAR.
- Compensación media: 25 MVAR
Barra 11:
- Compensación máxima: 185MVAR.
- Compensación media: 20MVAR.
Al compensar de esta manera y con las mismas condiciones de carga se obtienen los resultados mostrados en las figuras 13 y 14 en cuanto a los perfiles de tensión. Se observa que con un nivel medio de compensación, en la mayoría de las condiciones de carga se tienen todos los perfiles de voltaje dentro del rango establecido, mientras que con un nivel máximo se presentan gran cantidad sobretensiones aunque se asegura que el menor voltaje esté siempre por encima del mínimo requerido, estas bancadas serían conectadas para casos desfavorables como contingencias o aumentos considerables de carga.


3.6 Consideración de contingencias.
Para determinar el efecto de los niveles de compensación fijados durante contingencias, se realizan las respectivas corridas de flujos de potencia sacando de servicio las líneas con mayor incidencia de fallos, para todas las condiciones de carga los resultados se resumen en las tablas 7 y 8.





Como se puede observar en estas tablas, la compensación propuesta permite mantener niveles adecuados de tensiones en las barras cuando se presentan las contingencias mas comunes en el sistema.
4 Conclusiones
Mediante el algoritmo desarrollado se logró determinar exitosamente la ubicación y el dimensionamiento de la compensación de potencia reactiva óptima para llevar las tensiones a niveles deseados en un sistema de potencia con carga variable, así como mejorar su estabilidad y disminuir las pérdidas instalando la menor cantidad de equipos. De acuerdo a los resultados obtenidos, al aplicar dicha metodología en un modelo del sistema de transmisión Mérida, se obtuvo que la solución ideal en este caso para elevar las tensiones en todas las barras de 115kV a un rango entre el 95% y el 105% de su voltaje nominal es implementar compensadores SVC en las barras 5, 9 y 11, cuyas capacidades de inyección de reactivos han sido calculadas. Con base en análisis probabilísticos en cuanto a la frecuencia de los va- lores de compensación obtenidos, se pueden definir varios niveles de compensación conmutables mediante bancadas de capacitores, los cuales representan una alternativa más económica que los SVC y permiten obtener resultados satisfactorios desde el punto de vista técnico para la mayoría de los casos, incluyendo contingencias.
Las potencialidades de la herramienta computacional MATPOWER para el modelado y simulación de sistemas de potencia, así como la sencillez de sus estructuras y su uso, permiten que el estudio y la metodología propuestos sirvan como base para el desarrollo de futuros trabajos que amplíen el alcance del mismo y puedan ser aplicados a sistemas de mayor tamaño, con una mayor complejidad y menores tiempos de simulación para determinar la compensación óptima en función de un objetivo determinado, e incluso para otras tareas en cuanto a la planificación y operación de sistemas de potencia.
Referencias
Zimmerman R, Murillo S, Carlos E, 2015,Matpower 5.1 User’s Manual.
Muñoz J, 2010, Security Constrained Optimal Power Flow (SCOPF), pp. 3-50.
Méndez R, 2007, Compensación de Potencia Reactiva en Sistemas de Distribución e Instalaciones Industriales, Curso de Actualización para los Ingenieros de Venezuela, pp.5- 200.
Información obtenida en CORPOELEC, División de Transmisión Mérida y Despacho de Carga Valera. (2016).
Becerra D, 2016. Flujo de Carga Óptimo con Restricciones de Seguridad y Fuentes Intermitentes de Energía, Trabajo para optar al título de Ingeniero Electricista, Universidad de Los Andes, Mérida, Venezuela, pp. 10-60.
Zerpa I, 2016, Estudio de Compensación Reactiva para el- Sistema de Potencia Occidental, Trabajo para optar al título de Ingeniero Electricista, Universidad de Los Andes, Mérida, Venezuela, pp.15-58.
MathWorks, 2016, Matlab Help.
Zimmerman R, Murillo-Sánchez, C, Thomas R, 2011, MATPOWER: Steady-State Operations, Planning and Analysis Tools for Power Systems Research and Education, IEEE Transactions on Power Systems, vol. 26, no. 1, pp. 12-19.
García M, 2012, Estudio de Reactivos en el Sistema de Potencia de 115kV en el Estado Mérida, Trabajo para optar al título de Ingeniero Electricista. Universidad de Los Andes. Mérida, Venezuela, pp. 20-50.
Castillo W, 2017, Ubicación y Dimensionamiento Óptimo de Capacitores en Sistemas de Potencia considerando Fuentes Intermitentes de Energía y usando Optimización por Enjambre de Partículas, Trabajo para optar al título de Ingeniero Electricista, Universidad de Los Andes, Mérida, Venezuela, pp. 12-60
Notas de autor