Artículos
Comparación de esquemas de control para reactores químicostipo CSTR
Control Schemes comparison for CSTR chemical reactors
Comparación de esquemas de control para reactores químicostipo CSTR
Ciencia e Ingeniería, vol. 39, núm. 2, pp. 177-189, 2018
Universidad de los Andes

Recepción: 12 Noviembre 2017
Aprobación: 25 Marzo 2018
Financiamiento
Fuente: Escuela Politécnica Nacional
Nº de contrato: PIJ-15-17
Nº de contrato: PIMI 15-10
Resumen: El presente artículo expone el diseño y análisis de tres tipos de controladores (PID, SMC y LQR), aplicados a tres diferentes reactores químicos tipo CSTR, los cuales poseen características distintas de funcionamiento y respuesta. Para compro- bar el funcionamiento de los controladores diseñados se somete a las plantas a distintas pruebas, tomando en consideración que para este tipo de procesos la principaltarea es regulación.
Palabras clave: Reactor, CSTR, SMC, LQR, PID.
Abstract: The present paper exposes the design and analysis of three types of controllers (PID, SMC and LQR), applied to three different CSTR chemical reactors, which have different operation characteristics and response. To prove the operation of the designed controllers, the plants are subjected to different tests, considering that regulation is the main task in this type of processes.
Keywords: Reactor, CSTR, SMC, LQR, PID.
1 Introducción
Un complejo industrial de procesos continuos, como se encuentra en las plantas químicas o procesos petroquímicos, está compuesto por varias unidades de procesos semiautónomos(PUs) que producen ciertosbienes que pueden ser entradas para otras PUs, o también como productos finalesdel complejo industrial, (Chacón y col., 1996). Las plantas químicas estructuralmente están compuestas por múltiples equipos de operaciones unitarias, integrados de manera sistemática y racional. Estas plantas tienen como objetivo principal la transformación de ciertas materias primas en uno o varios productos deseados, sin embargo, también deben satisfacer múltiples requerimientos tanto de seguridad, especificaciones de productos, regulaciones ambientales, restricciones operacionales, de mercadeo y demanda final. Todos estos requerimientos deben ser monitoreados y controlados con el fin de garantizar los objetivos operacionales (Azuaje y col., 2018).
Una de las operaciones unitarias más importantes está asociada a cambios químicos, y en estos el reactor químico es el corazón de este. Las reacciones químicas a nivel industrialson las operaciones que tienen por objeto redistribuir los átomos de las especies reactivas para formar los productos de la reacción. Estas unidades de proceso son importantes en plantas industriales, como por ejemplo en procesos de polimerización, producción de plásticos, explosivos, hule sintético…, etc. (Fogler 2001)
Dependiendo del modo de operación, los reactores se clasifican comopor lotes o continuo. En el modo por lotes, los reactivos soncargados al comienzo de la reacción y los productos soneliminados al final de la misma. En el caso continuo, como es el caso del TanqueReactor Agitado Continuo (por sus siglas en ingles CSTR), los reactivos se cargan continuamente ylos productos son eliminados continuamente.(Fogler 2001)
Los reactores tipo CSTR son altamentenolinealesy comunes en plantas de productos químicos y petroquímicos. Un controlador automático debe ser capaz de facilitar la operación de la plantaen una amplia gama de condiciones de operación, por lo cual un esquema de control eficiente se ha convertido en una parte integral de las plantas de procesos (Darius y col., 2016).
Normalmente, los reactores presentan una agitación eficiente y el fluido en el recipiente puede considerarse mezclado de manera uniforme, se tiene así, una homogeneidad de presión, composición y temperatura. La temperatura suele resultar la variable más importante, ya que de ella de- pende el posible disparo, grado de conversión, la aparición de reacciones secundarias, la distribución de subproductos, grado de polimerización, etc. Por esta razón la transferencia de calor es importante, y se requiere de técnicas de control que nos ayuden a mantener la temperatura en su referencia deseada, así como también rechazar perturbaciones que pudiese sufrir el sistema (Velasco y col., 2011).
La elaboración de esquemas de control para reactores tipo CSTR es un tema bastante estudiado en la literatura. Existen diferentes técnicas de control convencionales para el control de ciertas variables de estos sistemas, pero el interés en la aplicación de algoritmos de control moderno como el Control en espacio de estados (SSC) o técnicas de control robusto como el Control por Modo Deslizante(SMC) analizado por Garcés y col.,(2018), han sido de interés en los últimos años. Por otro lado, existen técnicas de control para la optimización de la energía empleada en este tipo de procesos como el LQR estudiada por Deepycol.,(2013);Velasco y col., (2011) abordan el control múltiple entrada-simple salida (MISO) de un modelo genérico simple de un CSTR, para ello usan un procedimiento de síntesis de controladores basados en una factorización de plantas de múltiple entrada- una salida lo cual conduce a una estructura de control para- lela. Se realizan simulaciones numéricas donde se muestra el desempeño y se hace la comparación del esquema de control contra su contraparte SISO.Singh y Kumar (2012) presentan un análisis comparativo entre PID, control cascada y difuso para controlar la temperatura enun CSTR.
Ahora bien a diferencia de los trabajos presentados anteriormente, en este artículose hace la comparación de tres esquemas de control. Se busca, por lo tanto, mediante esta comparación que quienes hacen control de reactores conozcan las ventajas y desventajas de las estrategias propuesta de acuerdo con el desempeño, medición de variables y tiempo de ejecución de los algoritmos de control. Se usarán un esquema clásico como es el PID, un controlador robusto comolo es elControl por Modo Deslizante (SMC) y como tercera opción una propuesta óptima, el Regulador Lineal Cuadrático (LQR). Los controladores considerados son utilizados en modelos matemáticos de tres diferentes reactores químicos, con respuestas dinámicas diferentes. Finalmente se hace unaevaluaciónde desempeño por medio del índice IAE (Integral del Error Absoluto.
Este trabajo está organizado como sigue: En la Sección 2 se presenta conceptos básicos asociados al CSTR ya las tres propuestas de control utilizadas. En la Sección 3 se presenta la implementación mediante simulación de los esquemas de control propuestos y los tres diferentes reactores, en esta sección se muestran los resultados mediante simulaciones, finalmenteson discutidas las conclusiones.
2 Conceptos básicos
Dado que las reacciones químicas son por lo general las etapas más significativas de los procesos, y las que deciden su viabilidad económica, en primer lugar, en esta sección se hace una breve revisión sobre los reactores químicos tipo CSTR objeto de estudio de este trabajo, y posteriormente se presentan de una manera sucinta los esquemas de control a utilizar que luego permitan analizar y evaluar el desempeño deseado para la planta.
2.1 Reactores tipo tanque agitado
Los reactores más utilizados dentro de la industria química y alimenticia, son aquellos que poseen un tanque con agitación que opera de manera continua llamados CSTR, (Bakošováy col., 2012).
En el CSTR los reactivos se introducen y los productos se retiran de manera simultánea y en forma continua, poseen una unidad procesadora diseñada para que dentro de este se produzca una o diversas reacciones químicas.
Existen complejas interacciones entre los fenómenos de transporte y las cinéticas de reacción que caracterizan los CSTR y determinan su desempeño. El modelado matemático de los mecanismos cinéticos y los fenómenos de transferencia de calor han sido un área de investigación en la ingeniería química en años recientes.
Se tiene que la dependencia exponencial de la velocidad de reacción respecto a la temperatura del reactor es una de las principales no linealidades del CSTR, como se muestra en la ecuación (1), llamada ecuación de Arrhenius.
(1)Donde:

Dado que los procesos que estaremos trabajando estarán alrededor de su punto de operación, para fines de diseño de los controladores consideraremossu modelo matemático, sea a través de un método empírico u obteniendo este en variables de estado.
2.2 Esquemas de control
Para este trabajo se estudiarán 3 tipos de controladores, estos controladores son el PID (clásico), SMC (robusto), y el LQR (optimo).
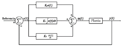
2.2.1 Controlador proporcional integral derivativo PID
Este tipo de controlador está conformado por tres términos o componentes: uno proporcional, uno integral y uno derivativo (Smith y col., 2005). La ley de control tiene la siguiente forma:
(2)La acción proporcional toma el valor de error, e (𝒕), y lo multiplica por una constante, lo que provoca la| disminución del error en estado estable del sistema.
La acción integral se aplica cuando el sistema tiene error en estado estable y lo elimina, integrando el error en el tiempo hasta alcanzar la referencia.
La acción diferencial deriva la variación del error, esta acción es válida cuando el sistema a controlar es lento frente a los cambios de referencia, no es conveniente para sistemas con presencia de ruido.
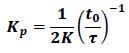
Los parámetros característicos K, 𝝉𝒅 y𝝉𝒊pueden ser obtenidos usando el procedimiento de curva de reacción (Smith y col., 2005), y usados posteriormente en la ecuación (2), como se muestra a continuación:
(3)
(4)
(5)Teniendo de esta manera todos los términos necesarios para la sintonización del controlador PID.

Teniendo de esta manera todos los términos necesarios para la sintonización del controlador PID.
2.2.2 Control por modo deslizante SMC
El Control por Modo Deslizante (SMC) es una técnica-derivada del control de estructura variable (VariableStructureControl, VSC), el cual fue estudiado originalmenteporUtkin. Un controlador diseñado usando el método deSMC es robusto y sencillo particularmente atractivo debido asu capacidad de controlar sistemas no lineales y sistemas variantes en el tiempo (Camacho y col., 2000).

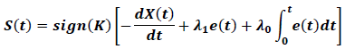
El diseño basado en SMC consiste en definir una superficie a lo largo de la cual el proceso pueda deslizarse hacia su valor final deseado; La Fig. 2 representa el objetivo de SMC. La estructura del lazo de control permanece fija hasta que el estado cruza S (t)= 0 y entonces ajustada para que el estado se deslice a lo largo de esta superficie. Por tanto, es necesario definir la superficie deslizante S(t), la cual representa un comportamiento global deseado, por ejemplo, estabilidad y desempeño en el seguimiento y que usualmente se formula como una función lineal del estado del sistema. teniendo en cuenta que la parte continua del controlador es diseñada en base a la superficie de deslizamiento, la cual contiene la dinámica deseada. La parte discontinua es la que lleva al estado hacia la superficie de deslizamiento, presentando rápidas conmutaciones de alta frecuencia denominadas “chattering” (Camacho y col., 2000).
La acción de control de la técnica SMC está dada por la siguiente ecuación.
(6)Donde:

La parte continua está dada por:
(7)Donde ƒ(𝑿(𝒕), 𝑹(𝒕)) se encuentra en función de la variable controlada 𝐗(𝐭), y el valor de referencia𝑹(𝒕).
La parte discontinua 𝒎D(𝒕) incorpora un elemento no lineal que incluye el elemento de variación de la ley de control. Esta parte del controlador es discontinua a través de la superficie deslizante.
(8)Donde:

Camacho y Smith (2000),se presenta el desarrollo de las ecuaciones de la ley de control completa de un SMC, cuando el proceso puede ser representado por un modelo de orden reducido de primer orden más retardo (por sus siglas en ingles FOPDT). Las ecuaciones resultantes son:
(9)Teniendo que:
(10)Ecuación 10 incluye el término 𝒔𝒊𝒈(𝑲) indica la acción del controlador, ya sea directa o reversa.
La figura 3 muestra un esquema del controlador por modos deslizantes.
Donde, para el ajuste de los parámetros de la parte continua, discontinua y deslizante del controlador, se tienen las siguientes equivalencias de la Tabla 1 dependiendo del tipo de sistema (Camacho y col., 2000).
Los parámetros 𝑲𝑫 y 𝜹, son usados cuando las salidas del transmisor y controlador están en fracción de (0-1). En el caso de que el sistema de control trabaje con porcentajes, tal que, las señales están en % (0-100) de rango, se debe multiplicar los valores de 𝑲𝑫 y 𝜹 por cien


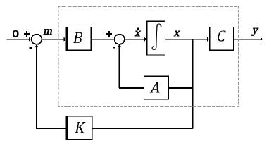
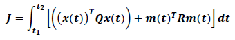
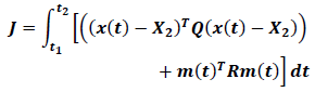
2.2.3 Regulador lineal cuadrático más parte integral LQI
El LQR, es un controlador que se basa en la realimentación de estados, el cual por medio de criterios de optimización puede obtener una entrada para que el parámetro J sea mínimo, y así obtener el mejor comportamiento del sistema.
(11)Donde:

Si se considera un estado final nulo, el índice de coste se reduce a:
(12)

Para encontrar un control m(𝒕) que minimice este parámetro, se utiliza el Principio de Optimalidad de Bellman que plantea una solución iterativa en orden inverso.
El controlador LQR por sí solo no puede llevar al sistema con offset cero, por esto se le suele añadir una realimentación integral, creando un estado dentro del controlador que calcula la integral de la señal de error (��(𝒕)=∫𝒆(𝒕)), donde𝒆(𝒕)=𝑹𝒆𝒇𝒆𝒓𝒆𝒏𝒄𝒊𝒂−𝒚(𝒕), esto se logra aumentando la descripción del sistema con un nuevo estado (Feng y col., 2016).
(13)Donde 𝒙̃(𝒕), 𝜺̃(𝒕) y 𝒎̃(𝒕) son las variables que se obtienen restando sus valores de estado estacionario 𝑿𝒔, de sus valores temporales, pero que en el caso de 𝜺̃(𝒕) se los considera igual que 𝜺(𝒕) dado que el valor en estado estacionario del error debe ser igual a cero, y el valor de 𝑪 es la matriz de salida del respectivo sistema, que en el caso de los reactores, es la fila correspondiente al transmisor de temperatura o de concentración.
Con estas nuevas consideraciones se logra el cálculo de los nuevos elementos de la matriz de ganancia 𝐾 para cada uno de los sistemas.

3 Implementación y resultados
En esta sección se implementarán los controladores, descritos en la sección anterior, a tres reactores con dinámicas diferentes. Mediante simulaciones se mostrarán y compararánlas respuestas obtenidas y su desempeño.
3.1 Reactor con dinámica lenta
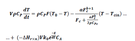
El primer reactor que se aborda en este trabajo, es un CSTR en el cual tiene lugar una reacción exotérmica de A→B. Para eliminar el calor provocado por la reacción, el reactor está rodeado por una camisa a través de la cual fluye un líquido refrigerante como se muestra en la Fig.6.

Las siguientes ecuaciones constituyen el modelo matemático del proceso:
(14)
(15)
(16)
(17)El sistema posee un transmisor representado por la ecuación (18) y una válvula cuyo comportamiento está descrito por la ecuación (19).
(18)
(19)

Donde:


Las variables que tienen un marca encima se refieren a los valores de dichas variables en su punto de operación, como por ejemplo𝒎̅ , la cual representa que en el punto de operación del sistema, la posición de la válvula debe tener un valor de 0.254 en por unidad.
Los controladores PID y SMC se diseñarán a partir del modelo FOPDT del sistema. Teniendo así los siguientes valores, tomando el promedio entre un cambio positivo en la válvula y un cambio negativo en la misma 𝝉 =𝟏𝟐, 𝟒𝟏𝟗 (𝐦𝐢𝐧), 𝒕𝟎 = 𝟐, 𝟖𝟒𝟓 (𝐦𝐢𝐧), 𝑲 = 𝟏, 𝟔𝟐𝟑. Usando los valores obtenidos, se tiene los siguientes valores a partir de la sintonización por Dahlin para el controlador PID:
(23)De igual manera se obtienen los valores de sintonización del controlador SMC, a partir de la Tabla I.
(24)Para el diseño del controlador LQI se tomó en cuenta la representación del sistema en variables de estado:
(25)También se estableció las matrices Q y R para la obtención de la matriz de realimentación K.
(26)
(27)Por medio de todas estas expresiones y haciendo uso de la metodología sobre LQR, se obtiene la matriz de ganancias 𝑲.
(28)
Cambio de referencia a 85°C.
En este caso se observa que el controlador PID tiene una respuesta con un sobre-pico que supera los límites del transmisor, lo que se refleja en la acción de control, la cual presenta un esfuerzo de.


Como se ve en la Tabla 3, en el caso del controlador PID el índice IAE es elevado como se esperaba al observar su respuesta, en el caso del SMC tiene el mejor índice, esto es debido a que en esta prueba posee una respuesta más rápida que el LQI lo que permite que el sistema llegue antes al nuevo valor de referencia.

Perturbación del 10% de la concentración de A en la entrada
En el caso de manejar perturbaciones en la concentración, se puede observar en la Fig. 9 que los tres controladores logran mantener al sistema en su referencia, la mayor diferencia se encuentra en su tiempo de establecimiento.


En la Tabla 4, se observa que el índice IAE del controlador LQI es el más bajo, seguido del PID tal como se esperaba, el SMC presenta un índice de desempeño elevado a comparación de los otros dos controladores, esto debido a su respuesta lenta.

3.2 Reactor con respuesta inversa.
En este caso se analiza un reactor isotérmico tipo Van de Vusse, Fig. 11, el cual presenta una respuesta inversa, la reacción que se da se la puede describir con el siguiente es- quema:

(29)
(30)Dónde:

En este caso la variable de interés será la concentración del componente B en el reactor, la cual se busca controlar a través del flujo 𝑭𝒓(𝒕), las tasas de reacción se encuentran representadas por 𝒌𝟏, 𝒌𝟐 y 𝒌𝟑 respectivamente las cuales fueron tomadas de (Alfaro y col., 2017). Para la medición de parámetros el reactor modelado cuenta con un transmisor de concentración el cual se lo puede representar por medio de la ecuación 31, este transmisor tiene la particularidad de ser lineal y dar una medida representada en porcentaje. Para el control se cuenta con una válvula representada por la ecuación 32 que regula la salida del flujo 𝑭𝒓(𝒕), cabe indicar que para esta planta los cambios máximos de alimentación del reactante A deben ser de ±10%, y las perturbaciones en 𝑪𝑨𝒊 deberán estar entre ±10%, las ecuaciones de estos dispositivos son tomados de (Alfaro y col., 2017).
(31)
(32)Donde m (𝒕)% representa el porcentaje de apertura de la válvula de control.
En la Tabla 5, se presentan los valores característicos del sistema en estado estable, como particularidad se tiene que el flujo tendrá una variación entre 𝟎 y 634,17191. mol-1.

Donde:

En este reactor, igual que en el reactor anterior, se realiza el proceso para obtener el modelo FOPDT, el cual presenta los siguientes valores de 𝝉=𝟎,7𝟑𝟔 (𝒎𝒊𝒏), 𝒕𝟎 =𝟎,𝟓𝟏𝟐 (𝒎𝒊𝒏) y 𝑲=𝟎,𝟑𝟕.
Usando los valores obtenidos, se tiene los siguientes valores a partir de la sintonización por Dahlin(Smith y Corripio, 2005) para el controlador PID:
(33)De igual manera se obtienen los valores de sintonización del controlador SMC, a partir de la Tabla I.
(34)Para el diseño del controlador LQI se tomó en cuenta la representación del sistema en variables de estado:
(35)En este caso la variable de importancia es la relacionada con el porcentaje de concentración del componente B, motivo por el cual el elemento de la matriz Q relacionado con dicha concentración tiene mayor valor.
(36)
(37)
(38)
Cambio de referencia al 67% de la concentración de B.


Como se observa en la Fig. 12, los tres controladores diseñados llevan al sistema a la nueva referencia, la diferencia se encuentra en la rapidez en la que lo hacen, además se ve que el SMC presenta un sobre-pico mayor entre los tres. En la Fig. 13 se encuentran representadas las acciones de control, entre las cuales destaca la del PID ya que presenta un esfuerzo de control al momento de realizar el cambio de referencia, este comportamiento no lo presenta el SMC a pesar de usar el PID como superficie.

En la Tabla 6 se observan los índices IAE correspondientes al cambio de referencia a 67% de 𝑪B (𝒕), se puede ver que las diferencias no son muy grandes entre los tres controladores, en especial entre el SMC y el LQI, es importante notar que el PID es el con un mejor índice a pesar de presentar un esfuerzo de control al momento del cambio de referencia, sin embargo, esto no garantiza que sea el mejor de los tres.
Perturbación 10% de la concentración de A en la entrada.
Como se observa en la Fig. 14, los tres controladores llevan al sistema a su referencia, después de haber sufrido una perturbación en la concentración, en este caso es notable que el SMC tiende a ser lento por lo cual su tiempo de establecimiento luego de la perturbación es elevado, esto también se ve reflejado en su acción de control la cual se puede observar en la Fig. 15.



Como se espera el índice IAE del controlador SMC para esta prueba es muy elevado con respecto a los otros dos controladores, lo que nos indica que la respuesta ante perturbaciones en este caso es demasiado lenta, cabe indicar que esto se puede mejorar si se sintonizan los controladores diseñados.
3.3 Reactor con varios puntos de operación.
Un estado estacionario se define como una condición en la que todos los balances se satisfacen cuando los términos de acumulación son cero. Para las ecuaciones lineales, esta situación ocurriría en sólo un (si existe) conjunto de condiciones operativas. Sin embargo, las ecuaciones que describen la mayoría de los procesos químicos son no lineales, y son posibles soluciones múltiples (Marlin 2000)
(39)
(40)
(41)
(42)

Se tiene un modelo del sistema de la Fig. 16, dado por las siguientes ecuaciones:
Donde:



(43)Los controladores PID y SMC se diseñarán a partir del modelo FOPDT del sistema. Teniendo así los siguientes valores, tomando el promedio entre un cambio positivo en la válvula y un cambio negativo en la misma 𝛕 =𝟎, 𝟐𝟗𝟖 (𝐦𝐢𝐧), 𝐭𝟎 = 𝟎, 𝟏𝟕𝟓 (𝐦𝐢𝐧), 𝐊 = 𝟎, 𝟗𝟒𝟓.
Usando los valores obtenidos, se tiene los siguientes valores a partir de la sintonización por Dahlin para el controlador PID:
De igual manera se obtienen los valores de sintonización del controlador SMC, a partir de la Tabla 1.
(44)
![Datos específicos para los tres casos del reactor con varios puntos de operación [16].](../507557606009_gt11.png)
Para el diseño del controlador LQI se tomó en cuenta la representación del sistema en variables de estado:
(45)Como se puede observar se añadió un nuevo estado, el cual es el valor negativo de la salida del transmisor de temperatura, con el cual se comparará la referencia del sistema para obtener el error; esto provoca que la matriz 𝐐 tenga un nuevo elemento que tiene un valor mayor que las demás variables relacionadas.
(46)
(47)Finalmente con estos nuevos elementos se realiza el cálculo de la matriz de ganancias 𝐊 de forma similar que en el LQR, teniendo de esta manera un nuevo elemento relacionado al error en la señal del transmisor de temperatura.
(48)
Cambio de referencia a 425°K.
Para el caso de un cambio de referencia mayor a los 404,7°K las respuestas del sistema son menos bruscas y no oscilatorias, esto se da debido a que en estos puntos el sistema se encuentra en una zona lejana a la de inestabilidad.


La Tabla 10 nos indica que el controlador que tiene mayor valor de IAE es el LQI debido a que su respuesta es más lenta que los otros dos y su error con respecto a la nueva referencia se mantiene mayor por mucho más tiempo. En el caso del SMC y el PID se obtienen valores pequeños y similares.

Perturbación del menos 10% en la concentración de A en la entrada.
Como se observa en la Fig. 19 las respuestas debido a los controladores PID y el SMC tienen un comportamiento inicial oscilatorio ante este tipo de perturbación en los cinco primeros minutos, y que en el caso del PID estas oscilaciones alcanzan amplitudes más altas que en el SMC. Por otro lado, el regulador LQI da una respuesta más suave, pero que actúa de manera más lenta que los dos controladores mencionados anteriormente.


Como se observa en la Tabla 11, el controlador SMC es el que posee el menor valor, seguido del controlador PID y el controlador LQI posee el mayor índice IAE, esto debido a que el SMC y el PID logran estabilizar al sistema en menor tiempo que el LQI.

4 Conclusiones
El controlador PID es una buena opción cuando se desea mantener los reactores trabajando alrededor de un solo punto de operación, cuando se tienen cambios de referencia este controlador tiende a generar grandes esfuerzos de control.
El controlador SMC, usa como superficie deslizante la salida del controlador PID, a pesar de esto no seobservan los cambios bruscos mencionados anteriormente, dando así una respuesta más suave que compensa el comportamiento no deseado mencionado en el párrafo anterior.
SMC es una opción favorable en plantas en las que se tenga incertidumbres en sus parámetros, que sean altamente no lineales o que sean sub-amortiguadas ya que proporciona un control más robusto al sistema como se comprobó en el reactor con varios puntos de operación.
El controlador LQI requiere más información de la planta por lo cual se necesita de la instalación de varios sensores, transmisores u observadores. Esto lo hace una técnica de control más costosa para su implementación. Sin embargo, el controlador LQI proporciona al sistema una acción de control suave, sin picos u oscilaciones.
Agradecimientos
Los autores agradecen alos Proyectos PIJ-15-17 y PIMI 15-10de la Escuela Politécnica Nacional, por su apoyodurante la realización de este trabajo.
Referencias
Alfaro V, BalaguerP, Arrieta O, 2012, Robustness Considerations on PID Tuning for Regulatory Control of Inverse Response Processes, IFAC Proceedings Volumes, Vol. 45, Issue 3, pp. 193-198.
Azuaje I, Miranda M, Iglesias E, Camacho O, García Y, 2018, Controlador difuso mejorado para estrategias de control en cascada y por acción anticipada, Ciencia e Ingeniería. Vol. 39-1,pp. 37-46.
Bakošová M, Oravec J, 2012, MPC based robust stabilization of a chemical reactor, Proceedings of 39th International Conference of Slovak Society of Chemical Engineering, Bratislava, Slovakia, pp. 5-16.
Camacho O, Smith C, 2000, Sliding mode control: an ap- proach to regulate nonlinear chemical processes, ISA Transactions, Vol. 39, pp. 205-218.
Chacón E, Szigueti, F, Camacho O, 1996, Integral automation of industrial complexes based on hybridsystems, ISA Transactions, Vol. 35, pp. 305-319.
Darius M, Sivagamasundari S, 2016, Design and Implemen- tation of Controllers for a CSTR Process, International Journal of Emerging Technology in Computer Science & Electronics, Vol. 23, Issue 1, pp. 175-183.
Deep M, Dibyendu B, Faruk B, 2013, Implementation of Linear Quadratic Regulator for CSTR Tank,UACEE International Journal of Advancements in Electronics and Electrical Engineering,Vol. 2,Issue 2, pp. 174- 178.
Feng Z, Jimao Z, Robert A, 2007, Design of LQI Control Systems with Stable Inner Loops,Journal of Shanghai Jiao- tong University (Science), Vol. E 2-12, No. 6, pp. 787-792.
Fogler HS,2001, Elementos de Ingeniería de las Reacciones Químicas, 3ra Edición Pearson. México.
Garcés L, Sarzosa M, Yandún A, 2018, Análisis del Rendimiento de un Reactor Químico Isotérmico Mediante Con- troladores PID, SSC y SMC, Revista Politécnica. Vol. 40, No. 2. pp. 19-24.
Marlin T, 2000, Process Control, 2da, Edición, McGraw- Hill, Boston. EE.UU.
Singh N, Kumar S, 2012, Comparative Analysis Of PID, Cascade and Fuzzy Logic Control for the Efficient Temperature control in CSTR. IJAREEIE. Vol. 1, Issue 1, pp. 11- 16.
Smith C, CorripioA, 2005, Principles and Practices of Automatic Process Control, 3raEdición, Wiley and Sons. EE. UU.
Velasco A, Álvarez R, Solar R, 2011, Control Múltiple Entrada Una Salida (MISO) de un CSTR, RMIQ, Vol. 10, No. 2, pp. 321-331.
Notas de autor