Artículos
Uso de la biomasa de residuos orgánicos para el diseño de una estación eléctrica
Use of organic waste biomass for the design of an electric station
Uso de la biomasa de residuos orgánicos para el diseño de una estación eléctrica
Revista UIS Ingenierías, vol. 18, núm. 1, pp. 167-176, 2019
Universidad Industrial de Santander
Recepción: 03 Marzo 2018
Aprobación: 05 Julio 2018
Publicación: 27 Agosto 2018
Resumen: Colombia cuenta con un alto potencial de biomasa, en zonas rurales su uso se centra en el empleo de leña para el calentamiento de agua y la cocción de alimentos, por tanto, es indispensable apropiar soluciones mediante los nuevos avances y estudios tecnológicos en la generación de energía a partir de este recurso que contribuya a generar cambios sociales, culturales y económicos para la mejora de la calidad de vida en estas zonas aisladas. En los procesos de tecnificación agrícola el sector transporte juega un papel importante, ya que en la siembra y la cosecha el uso de medios de transporte optimiza tiempos en el momento de llevar los frutos recolectados a sus respectivos centros de acopio, así como permite minimizar tiempos en labores de poda, riego y preparación del suelo; además, genera buenas prácticas agrícolas y aporta a consolidar un campo más productivo y sustentable. Sin embargo, los vehículos empleados son accionados por motores de combustión interna, y, además, debido a sus características técnicas de fábrica, no se adecuan a las exigencias de la geografía colombiana, por ello es importante desarrollar tecnologías que permitan hacer un uso racional de la energía aprovechando el gran potencial de biomasa con el que cuentan muchas regiones del país. En este sentido, se propone desarrollar una estación de carga eléctrica, que constituye la parte inicial de un macroproyecto que se está desarrollando en el Sena, cuyo objetivo es incorporar vehículos eléctricos utilitarios para su uso en la siembra y la recolección de cacao. En el presente trabajo se realiza una caracterización fisicoquímica de dos tipos de sustratos orgánicos (estiércol de cerdos y gallinas), a fin de conocer el potencial energético de metano para el diseño de una estación eléctrica que sirva como alimentador de baterías recargables. Como resultado relevante se destaca la muestra obtenida de la relación 1:3 de estiércol de cerdo, ya que se alcanza una mejor producción de metano en un tiempo de retención de 30 días aproximadamente, con lo cual se logra realizar una carga diaria de las baterías en un tiempo estimado de 6 horas. Esto contribuye a una gestión de ciclos de carga lenta de acuerdo con su algoritmo de control y a una ecualización completa de las 1.980 celdas que conforman los 6 módulos de las baterías.
Palabras clave: biodigestor, biogás, estación de carga rápida.
Abstract:
Colombia has a high potential for biomass. In rural areas its use is focused on firewood for water heating and food cooking; therefore, it is essential to adopt solutions derived from new technological advances and studies in the generation of energy from this resource so that it contributes to social, cultural and economic changes leading to quality of life improvement in these isolated areas. In the processes of agricultural modernization, the transport sector plays an important role, as in planting and harvesting its use optimizes times in the harvesting of fruits by means of their transport to collection centers, as well as it allows to minimize times in pruning work, irrigation and soil preparation. Besides, it generates good agricultural practices and contributes to consolidate a more productive and sustainable field. Nevertheless, the vehicles used are powered by internal combustion engines and, due to their technical characteristics, they do not adapt to the requirements of Colombian geography; thus, it is important to develop technologies that lead to a rational use of energy, taking advantage of the great biomass potential that many regions of the country have. Accordingly, this is proposed to develop an electric charging station; an initial part of a macro project that is being developed in SENA which looks for the incorporation of electric utility vehicles to be used in the planting and harvesting of cocoa. In this paper, a physical-chemical characterization of two types of organic substrates (manure of pigs and chickens) is carried out in order to acknowledge the methane energy potential for the design of an electric station that serves as a feeder for rechargeable batteries. As a relevant result, the sample obtained from the 1: 3 ratio of pig manure is highlighted since a better methane production is achieved in a retention time of approximately 30 days, achieving a daily charge of the batteries in an estimated time of 6 hours which contributes to a management of slow charge cycles according to its control algorithm and to a complete equalization of the 1.980 cells that make up the 6 modules of the batteries.
Keywords: fast loading station, biogas, biodigestor.
1. Introducción
El interés por el medioambiente, la escasez de recursos, el ahorro de energía y la protección del medioambiente es cada vez más una preocupación en el ámbito mundial. Se considera que el transporte automotriz es responsable del 40 % de las emisiones de dióxido de carbono y 70 % de otros gases de efecto invernadero [1]. Los vehículos eléctricos hacen parte del desarrollo sustentable, ya que su uso beneficia la economía, el ambiente y la sociedad. Estos constituyen nuevo tipo de vehículos de combustible alternativo, que aporta ventajas como la eficiencia en el consumo de energía y su bajo impacto sobre el medioambiente. Así, su uso contribuye significativamente a la reducción de la contaminación por las emisiones de gases de efecto invernadero [2]. El 66 % del territorio colombiano cuenta con un sistema interconectado, el 34 % restante es considerado como zona no interconectada. La principal dificultad que enfrentan las zonas no interconectadas es que el servicio de energía eléctrica no es permanente o incluso es nulo. En las zonas en que se presta el servicio de energía solo se ofrece por unas horas al día.
En este sentido, la preocupación del Gobierno ha sido generar soluciones energéticas para estas zonas, que permitan la mejor provisión posible del servicio en términos de insumos, duración y tarifas, pero que además sean viables financieramente y sostenibles a largo plazo [3].
La realización de la estación de carga es una idea que surge en el año 2014, a partir de la vigilancia tecnológica, realizada en la estrategia Tecnoparque, nodo Bucaramanga, del Sena Regional Santander, en la cual se estudian los sectores económicos del departamento y se hace énfasis en el sector agrícola, ya que, según el Plan de Desarrollo Santander en Serio, la tecnificación del campo es de vital importancia porque logra pasar de una agricultura artesanal a una agricultura de precisión, y esto permite ahorrar costos en insumos e incrementar la producción en el campo. De acuerdo con lo anterior, y debido a que en el departamento de Santander se producen 18.000 toneladas de la fruta de cacao al año (lo cual genera 25.000 empleos a familias de bajos recursos en zonas rurales) [4], desde el Sena se propone realizar el diseño y la implementación de un vehículo eléctrico utilitario como solución a las labores de recolección y siembra de las plantaciones de la semilla de cacao en cultivos de laderas del terreno Aguas Calientes, del municipio El Playón, en el departamento de Santander. En este sentido, y a causa de la falta de redes eléctricas, por tratarse de una zona rural con terrenos de plantación de difícil acceso, se prevé como posible solución el diseño de una estación de carga eléctrica a partir de biomasa, producto de residuos orgánicos.
Para solucionar la carga de vehículos eléctricos, es necesario buscar alternativas energéticas en estas zonas. Para ello, en la primera sesión se plantea la metodología de trabajo, en la que se destacan los principales parámetros que se deben tener en cuenta a la hora de realizar una caracterización fisicoquímica de los sustratos a estudiar, además de aquellos necesarios para realizar los respectivos cálculos de la estación de carga.
En la segunda sección, se plantean los resultados obtenidos y se diseña la estación de acuerdo con las necesidades de carga de las baterías del vehículo eléctrico y con el generador de biogás seleccionado. Finalmente, se diseña la estación de carga con su respectiva instrumentación e interfaz gráfica.
2. Metodología
El diseño metodológico se divide en tres fases (véase figura 1), que incluyen la caracterización fisicoquímica de los sustratos a estudiar, la definición de los parámetros para el diseño del biodigestor y la estación de carga.

2.1. Caracterización fisicoquímica de la materia
Para el aprovechamiento de la materia prima, producto de las excretas de cerdos y gallinas, es necesario realizar la caracterización fisicoquímica de ambos sustratos, a fin de determinar la estabilidad del proceso a través del pH y alcalinidad total (AT), la conversión de materia orgánica en términos de demanda química de oxígeno (DQO) y sólidos volátiles (SV), la concentración de ácidos grasos volátiles (AGV) y la producción de biogás mediante el potencial de bioquímico de metano (PBM).
La caracterización físico química es realizada en el Centro Integrado de Laboratorios de la Facultad Físico Química de la Universidad Industrial de Santander, siguiendo las metodologías propuestas por [5-7].
2.2. Parametrización del biodigestor
Para la caracterización del biodigestor que se debe emplear como agente productor de biogás es necesario determinar los parámetros que definen su forma y producción. En la figura 2 se puede observar el esquema de la metodología de diseño.

2.3. Volumen del biodigestor
El volumen del biodigestor corresponde a la suma del volumen gaseoso y el volumen líquido; por su parte, el volumen líquido equivale a multiplcar la carga diaria Q en unidades de m3 por el TRH, ecuacion (1)

donde TRH es el tiempo de retención hidráulico. De acuerdo con la literatura, el volumen gaseoso representa el 25 % del volumen total o un tercio del volumen líquido.
Una vez se obtiene el volumen total, se encuentran las dimensiones del biodigestor, que se calculan con la ecuación (2)

donde r es el radio del tubo dado en m y L es la longitud del biodigestor en m. Según la literatura, se pueden obtener diferentes posibilidades de longitud y ancho del rollo, para alcanzar el volumen total deseado. De acuerdo con lo anterior, se estima una relación optima de 7, que es flexible en un rango de 5 a 10 [8]. La zanja es de forma trapezoidal, como se muestra en la figura 3.

Y sus dimensiones están dadas de acuerdo con el ancho del rollo, como se muestran en la tabla 1.

Para realizar la estimación de cada cálculo, se desarrolla en Excel la automatización del diseño de biodigestores tubulares de bajo costo, ingresando parámetros como la cantidad de cerdos o gallinas; el peso, según su estado de gestación o uso final; la temperatura promedio del lugar donde se requiera implementar el sistema y los sólidos totales y volátiles, como resultado de la caracterización fisicoquímica correspondiente al sustrato.
2.4 Generación eléctrica y carga
De acuerdo con las baterías seleccionadas, se identifica la capacidad energética del arreglo (seis baterías en total en serie-paralelo) y se realiza una prueba en banco, que inicia con cargas lentas conectadas a la red eléctrica. Este proceso se realiza para balancear las celdas y garantizar un mejor desempeño del arreglo y optimizar su vida útil. En este sentido, se determina que el arreglo en 8[h] completa la carga eléctrica del sistema. Una vez se estima este valor, se determina la potencia requerida por el generador de biogás, que se necesita para el diseño de la estación de carga.
3. Resultados y discusión
3.1. Caracterización fisicoquímica de la materia prima
La disponibilidad de animales, como cerdos y gallinas, sirve como modelo de aprendizaje y como unidad productiva para los aprendices de la sede Aguas Calientes del Sena. Además, permite el aprovechamiento de sus excretas como materia prima o sustrato para el biodigestor. Gracias a lo anterior, se realiza el análisis fisicoquímico de cada uno, para determinar su comportamiento y el posible potencial bioquímico de metano (pbm).
Con los resultados obtenidos en laboratorio, se puede determinar que la regulación del proceso se debe a factores como el pH y la alcalinidad. El pH es el encargado de determinar la producción de biogás en la digestión anaerobia y su rango óptimo es de 6,5 a 8 [9]. El valor obtenido para el caso del sustrato de cerdo es de 8,18 y para el caso del sustrato de gallinas el valor es de 7,79. Además, es importante evaluar la relación AGV/AT la cual debe estar en un rango de entre 0, 2 y 0,6 [10], a fin de evitar la acidificación del biodigestor. El sustrato de cerdos se encuentra en el rango establecido con un valor de 0,45, lo cual mantiene el ph, mientras que el sustrato de gallinas presenta una relación mayor con un valor de 0, 87, resultado que puede producir un descenso en el ph, disminuir la producción de ácido y, así mismo, detener la actividad metanogénica.
Se realiza el análisis de producción de metano para relaciones 1:3 y 1:5 en sustrato de gallinas y 1:3 en sustrato de cerdos. La figura 4 muestra el comportamiento diario del proceso y se puede establecer que la mejor relación para el caso de gallinas en un tiempo no mayor a 30 días es 1:5. Luego de tener una caída a los 20 días se puede lograr una estabilidad. Para el caso de cerdos se logra una máxima producción a los 15 días y el proceso sigue manteniéndose.

Es importante conocer también el acumulado de acuerdo con el tiempo de ensayo por mezcla que se muestra en la tabla 2, ya que se puede determinar la máxima pendiente de producción y así escoger el mejor comportamiento de cada sustrato analizado. En la figura 5 se puede observar que la mejor pendiente de producción de metano la presenta el sustrato de cerdo (EP2), y, además, se puede confirmar que con la mezcla 1:5 del sustrato de gallinas se obtiene un mejor comportamiento.


3.2. Determinación de los parámetros de diseño de la estación de carga
Los parámetros de diseño del biodigestor se definen a partir de la selección del arreglo de baterías, para tal fin se escogen baterías Tesla Smart Litio-ion 18.650 EV Module, que se usarán en el vehículo eléctrico y cuyas características se observan en la tabla 3.

Según las características de carga de las baterías, se requiere emplear un generador a biogás de 2,25 kW. Con base en las características del mercado de generadores que funcionen con biogás en Colombia, se encuentra la referencia CC1500-MG, que entrega una potencia de 1,3 kW y consume como mínimo 1,46 m3 biogás/h. Esto implica que se necesitan dos generadores de biogás CC1500-MG. En la tabla 4 se pueden identificar las características de los generadores de biogás escogidos.

Con los anteriores valores, se puede estimar el diseño de los biodigestores. A partir del pbm del análisis de los dos tipos de excretas, es posible determinar el valor de producción de estiércol diario para cada biodigestor. El análisis de pbm se hace mediante el método de biodegradabilidad anaerobia, para una mezcla 1:3 de estiércol de cerdo y una mezcla 1:5 de estiércol de gallina, además se deben tener en cuenta los sólidos volátiles de cada muestra. En nuestro experimento los valores se observaron después de un mes y se estimaron sus valores mínimos así: 0,101 m3/kgsv estiércol de cerdos y 0,057 m3/kgsv estiércol de gallinas.
El análisis realizado para la obtención de sólidos volátiles se realiza mediante el método de estándar, con las mezclas ya establecidas anteriormente para cada tipo de sustrato. En las tablas 5 y 6 se pueden observar los valores para cada tipo de sustrato, cuyos resultados son 250,24 gsv/kgmuestra, estiércol de cerdo y 461,3 gsv/kgmuestra.


Con los anteriores valores se determina una producción de estiércol diario, según la metodología planteada. Así, para el caso de cerdos el valor es de 346,59 kgestiércol/día, y para las gallinas, de 333,15 kgestiércol/día. Es importante tener en cuenta que el consumo mínimo del generador es de 1,46 m3biogas purificado/h, y que, según el fabricante, su trabajo diario debe ser de 6 horas aproximadamente. Para determinar el tiempo de retención hidráulico (TRH), se estima la temperatura promedio del playón, la cual es de 25 °C, y para cada región característica, debido a su temperatura, se contempla un valor de TRH de 25 días.
La mezcla de agua y estiércol correspondiente a cada sustrato es de 1:3 para estiércol porcino y de 1:5 para estiércol de gallinas. Con esta proporción, para cada sustrato se realizan los cálculos de carga diaria, volumen líquido del digestor, volumen de biogás y volumen total, como se muestra en la tabla 7.

De acuerdo con los valores establecidos, y a partir de los valores comerciales del ancho del rollo del material poliuretano, se determina la longitud del biodigestor y las dimensiones de la zanja, que se muestran en la tabla 8.

3.3. Diseño de la estación de carga
El diseño de la estación de carga se realiza con base en los valores relacionados anteriormente para los tanques de mezcla, biodigestores y reservorios por sustrato.
Además, se incorpora un filtro de retención de ácido sulfhídrico y una bomba de aire.
Se debe instalar un filtro para la retención de ácido sulfhídrico, ya que el aprovechamiento del biogás es para energía eléctrica mediante el uso de un generador de biogás. Este ácido es precursor del ácido sulfúrico, el mismo que corroe las partes metálicas y acorta el tiempo de vida útil de los equipos. Por esta razón, se hace necesario disminuir el contenido de este compuesto, mediante tratamientos fisicoquímicos de acondicionamiento o de un sistema consistente en la adición de sales de hierro. Dentro de los tratamientos fisicoquímicos se emplean los procesos redox, que son útiles en la eliminación del ácido sulfhídrico.
Dado que el generador de biogás necesita en su entrada una presión de biogás purificado de 6 kPa, se hace necesario incorporar un soplador. Para grandes cantidades de biogás es necesario un soplador de canal lateral, que tiene como función aumentar la presión del biogás purificado y aspirado, cuando en el canal toroidal periférico se generan remolinos, debido al empuje centrífugo del rotor. Cuando gira el rotor, los álabes realizan un empuje del biogás purificado hacia adelante y también hacia el exterior, debido a la fuerza centrífuga, lo que produce un movimiento helicoidal. En este movimiento, se comprime el gas una y otra vez, a fin de incrementar la presión lineal a lo largo del canal.
Para el caso de estudio se puede incorporar un soplador de 24 V, potencia de 120 W, presión máxima de 8 kPa, flujo de aire de 38 m3/h y su respectivo controlador, porque funciona con un motor sin escobillas. Para proveer su alimentación se deben incorporar dos paneles solares fotovoltaicos.
Se selecciona una tarjeta que emplea un sensor de gas infrarrojo, diseñada para facilitar la integración de sistemas de detección de gas que requieren alta calidad, medición precisa y confiable de las concentraciones de CO, CO2 y CH4. Además, incluye medición de temperatura y corrección de presión atmosférica. Emplea una comunicación RS232 con la opción del protocolo de comunicaciones TCP/IP.
Se hace la selección de una válvula solenoide de material fluoroelastómetro (FKM), que es aceptable para el H2S. se requieren manómetros de baja presión para identificar los puntos críticos de presión en el sistema.
La selección del PLC se realiza de acuerdo con las entradas y salidas analógicas y digitales que requiera el sistema. Para este caso de estudio, se necesitan dos entradas analógicas y cuatro salidas digitales. El PLC seleccionado es un LOGO12/24RC.
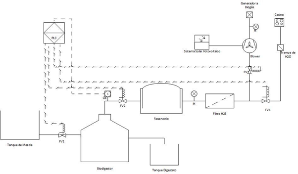
A partir de la instrumentación y la etapa de control seleccionada para el sistema que se requiere diseñar, se realiza un esquema general como se muestra en la figura 6 y se incluye una interfaz gráfica elaborada con el software Scada (supervisión, control y adquisición de datos) y una interfaz HMI (figura 7).


4. Conclusiones
Al estudiar los resultados de la caracterización fisicoquímica, se puede notar que el pH para el caso del sustrato de gallinas es óptimo; para el caso del sustrato de cerdos indica una acumulación de compuesto alcalino, esto es que la carga puede correr riesgo de putrefacción de sobrepasar un pH de 8,5. Para este caso de estudio, se considera que se obtuvo un resultado positivo, ya que no se sobrepasa el rango de alcalinidad y tampoco hay presencia de acidez, lo cual podría inhibir la actividad de las bacterias metanogénicas. Por otra parte, con respecto a la estabilidad del proceso, se puede identificar que, para el caso del sustrato estudiado de gallinas, a la hora de realizar la relación AGV/AT, se supera el rango con un valor de 0,87, lo cual implica que no hay un balance entre la población de microorganismos acidogénicos y metanogénicos.
Como solución para mejorar la relación AGV/AT, se estima necesario emplear estiércol bovino como alcalinizante, pues este puede contrarrestar los ácidos grasos volátiles y controlar el Ph. Además, es un residuo biomásico que se encuentra disponible en el lugar de estudio y cuenta con microorganismos que pueden ayudar al proceso sin requerir químicos que puedan, en algún momento, inhibir el proceso. Se realiza también el análisis para determinar el valor de DQO de entrada, pero se sugiere realizar tomas de DQO en la salida, para poder encontrar la eficiencia de remoción de cargas contaminantes, lo cual puede determinar mejores tiempos de retención y una mayor generación de bacterias metanogénicas en el biodigestor.
En el análisis de pbm se puede observar que la producción de metano para el caso del estiércol de cerdo tiene su mayor producción al día 15 del ensayo y que esta logra una estabilidad 15 días después. En el mismo periodo, la mezcla 1:5 del estiércol de gallina comienza a tener su producción de metano, y así logra alcanzar su punto máximo de producción a los 19 días y su estabilidad 4 días después. Además, a partir del estudio de acumulación de metano, la pendiente de máxima producción la experimenta el estiércol de cerdo, que tiene un mejor desempeño en comparación con las mezclas de estiércol de gallina estudiadas.
El estiércol de gallinas requiere una mayor cantidad de agua para poder realizar el proceso, pero dado que en la zona estudiada no llueve con frecuencia, se hace necesario solamente alimentar el biodigestor con estiércol de cerdos. No obstante, es posible realizar un estudio empleando como inóculo el estiércol de gallinas, debido a las características del potencial bioquímico de metano, obtenido en el laboratorio, para poder aprovechar el potencial biomásico que hay en la zona. En consecuencia, es necesario estudiar la relación inóculo/sustrato, a fin determinar cuál es la más adecuada y cuál sería el comportamiento del sistema en la producción bioquímica de metano, el ph, la alcalinidad, los ácidos grasos volátiles, entre otros.
Referencias
[1] I. Frade, A. Ribeiro, G. Gonçalves, y A. P. Antunes, "Optimal Location of Charging Stations for Electric Vehicles in a Neighborhood in Lisbon, Portugal," Transp. Res. Rec. J. Transp. Res. Board, vol. 2252, no. 1, pp. 91-98, 2011. doi: 10.3141/2252-12.
[2] C. Samaras y K. Meisterling, "Life Cycle Assessment of Greenhouse Gas Emissions from Plug-in Hybrid Vehicles: Implications for Policy," Environ. Sci. Technol., vol. 42, no. 9, pp. 3170-3176, 2008. doi: 10.1021/es702178s.
[3] J. Flórez Acosta, D. Tobón Orozco, y G. Castillo, ¿Ha sido efectiva la promoción de soluciones energéticas en las zonas no interconectadas (ZNI) en Colombia?: un análisis de la estructura institucional, cda, vol. 22, no. 38, 2009.
[4] I. Tubert-Brohman, W. Sherman, M. Repasky, y T. Beuming, "Improved Docking of Polypeptides with Glide," J. Chem. Inf. Model., vol. 53, no. 7, pp. 16891699, 2013. doi: 10.1021/ci400128m.
[5] B. J. Jobling Purser, S.-M. Thai, T. Fritz, S. R. Esteves, R. M. Dinsdale, y A. J. Guwy, "An improved titration model reducing over estimation of total volatile fatty acids in anaerobic digestion of energy crop, animal slurry and food waste," Water Res., vol. 61, pp. 162-170, 2014. doi: 10.1016/j.watres.2014.05.020.
[6] I. Angelidaki et al., "Defining the biomethane potential (BMP) of solid organic wastes and energy crops: a proposed protocol for batch assays", Water Sci. Technol., vol. 59, no. 5, pp. 927-934, 2009. doi: 10.2166/wst.2009.040.
[7] Federation Water Environment, Standard Methods for the Examination of Water and Wastewater. American Public Health Association, American Water Works Association, Water Environment Federation, 1999.
[8] Jaime Marti, "Biodigestores familiares: Guía de diseño y manual de instalación", Revista Virtual Pro, no. 147, 2014.
[9] P. E. Poh y M. F. Chong, "Development of anaerobic digestion methods for palm oil mill effluent (POME) treatment," Bioresour. Technol., vol. 100, no. 1, pp. 1-9, 2009. doi: 10.1016/j.biortech.2008.06.022.
[10] C. Wan, Q. Zhou, G. Fu, y Y. Li, "Semi-continuous anaerobic co-digestion of thickened waste activated sludge and fat, oil and grease," Waste Manag., vol. 31, no. 8, pp. 1752-1758, 2011. doi: 10.1016/j.wasman.2011.03.025.
Notas