Génesis y evolución de los suelos del valle del Sibundoy – Colombia–
Genesis and evolution of the valle del Sibundoy soils
Génesis y evolución de los suelos del valle del Sibundoy – Colombia–
Ciencia y Agricultura, vol. 14, núm. 1, pp. 95-105, 2017
Universidad Pedagógica y Tecnológica de Colombia

Recepción: 21 Julio 2016
Aprobación: 21 Noviembre 2016
Resumen: La génesis de los suelos comprende el estudio de los factores y procesos de formación de estos; es la síntesis y la explicación del porqué de los suelos y de sus características y distribución. El conocimiento de la génesis, evolución, mineralogía y estado actual de los suelos se convierte en una herramienta fundamental para el ordenamiento territorial y productivo y la conservación de zonas estratégicas. El Valle del Sibundoy, ubicado al noroccidente del departamento de Putumayo, cuenta con una extensión aproximada de 9100 ha (IGAC, 2014); en esta superficie se realizó un levantamiento de suelos a escala semidetallada, y con este se determinaron los factores que rigen su origen y se infirieron los procesos que se han dado y que han dejado marcas en el perfil del suelo. Se diseñó un sistema de muestreo en red rígida, donde se distribuyeron 402 cajuelas, cada 25 ha, aproximadamente; posteriormente, se caracterizaron 71 perfiles modales. Con los datos obtenidos en campo y los resultados del laboratorio se concluyó que los factores que rigen la geogénesis en la zona de estudio son, en primera instancia, el relieve; en segunda, el material parental, y en tercera, el clima y la acción de los organismos a través del tiempo; además, se identificaron tres tendencias específicas de evolución: andolización, paludización y gleyzación; cada uno de estos procesos específicos se corroboró con análisis micromorfológicos.
Palabras clave: geomorfología, meteorización, paisaje colombiano, pedogénesis, Valle del Sibundoy.
Abstract: Soil genesis comprises the study of factors and processes involved in soil formation; it is the synthesis and explanation to why the soils exist, their characteristics and distribution. Understanding the genesis, evolution, mineralogy, and current state of soils is fundamental for productive land management and conservation of strategic zones. The Valle del Sibundoy, located northwestern Putumayo, has an approximate area of 9100 ha (IGAC, 2014); in this area, a soil survey was conducted at a semi-detailed scale to determine the factors governing the soils origin, and infer the processes that have occurred and have left marks in the soil profile. A sampling system of rigid network was designed; first 402 trunks were distributed every 25 ha approximately, and then 71 modal profiles were characterized. Based on field and laboratory data, it was concluded that the factors governing the geo-genesis in the study area are, in the first instance, the topography, secondly the parental material, and thirdly the climate and the action of organisms over time. Furthermore, three specific evolutionary processes were identified: Andisolization, Paludization and Gleization, which were corroborated by micromorphological analysis.
Keywords: colombian landscape, geomorphology, pedogenesis, Sibundoy Valley, weathering.
I. Introducción
Los suelos no se encuentran por azar en la naturaleza, son resultado de factores y procesos de formación; este concepto fue expresado por primera vez en 1941, por Jenny, que estableció la siguiente ecuación: S = f (cl, o, r, p, t), donde “S” representa el suelo; “f”, una función; “cl”, el clima; “o”, los organismos; “r”, el relieve; “p”, la roca madre, y “t”, el tiempo (1). Esta ecuación es muy importante, teniendo en cuenta que expresa que para una determinada combinación de los factores formadores solo puede existir un tipo de suelo (2) (la misma combinación de factores originará siempre el mismo tipo de suelo, independientemente del lugar geográfico en que se encuentre).
Durante la formación y evolución del cuerpo natural suelo se presentan una serie de eventos generales y específicos que le van imprimiendo las características y propiedades que lo caracterizan; estos procesos se llaman pedogenéticos, porque definen directamente las características y propiedades que diferenciarán los distintos suelos (3).
Realizar estudios de suelos que aporten bases científicas es de gran importancia, al tener en cuenta la relevancia de los suelos como base para potenciar el desarrollo de un determinado sector y tomar decisiones sobre el uso y manejo de estos; por esta razón, mediante este estudio se pretende explicar la evolución de los suelos del Valle de Sibundoy, a escala semidetallada.
II. Materiales y métodos
Localización y descripción de la zona. El Valle de Sibundoy se encuentra al noroccidente del departamento de Putumayo; en él confluyen los límites de los municipios de Colón, Sibundoy, San Francisco y Santiago. Según el IGAC (4), tiene una extensión aproximada de 9100 ha, y según (5), de 9400 ha; este estudio se realizó en las zonas planas del Valle y en parte de su periferia, para un total de 9482 ha, con alturas entre los 2012 y 2908 m s.n.m.; corresponde a las coordenadas geográficas: 1° 12’ 12’’ de latitud norte y 76° 51’15’’ longitud al oeste de Greenwich.
Metodología. El levantamiento de suelos se realizó de acuerdo con el protocolo para levantamientos agrológicos M40100-01/11, desarrollado por el Instituto Geográfico Agustín Codazzi (6). El trabajo se dividió en tres etapas: a) De precampo: se recolectaron y analizaron los insumos y la información del área de estudio y se elaboró un sistema de muestreo en red rígida, donde se distribuyeron las observaciones cada 25 ha, aproximadamente. b) De campo: se realizó la descripción de 402 cajuelas (observaciones de identificación); con el muestreo de las cajuelas se identificó la distribución de los suelos y, de esta manera, se localizaron los perfiles modales para la elaboración de las calicatas; en total fueron caracterizados 71 perfiles. c) De poscampo: se procesaron y analizaron 868 muestras en el Laboratorio Nacional de Suelos del IGAC; los procedimientos analíticos que se emplearon están descritos en el Manual de Métodos Analíticos del Laboratorio de Suelos (7). Se realizaron determinaciones químicas: pH del suelo (método potenciométrico, relación suelo-agua 1:1 - V/V), pH en CaCl2 (0.01M relación suelo-agua 1:1 - P/V), carbono orgánico (método de Walkley Black), capacidad de intercambio catiónico (método del acetato de amonio 1N a pH 7), fósforo aprovechable (método Bray II), bases intercambiables Ca2+, Mg2+, Na+ y K+ (por extracción con acetato de amonio 1N y pH 7 y cuantificación por espectrometría de absorción atómica), acidez intercambiable (por extracción con KCl 1N); pruebas físicas: distribución de partículas por tamaño (método de la pipeta (cuando los suelos sean minerales), densidad real (método del picnómetro), densidad aparente (método del cilindro), densidad aparente (método del terrón parafinado y, en algunos casos, con el método del cilindro), retención de humedad (método del sistema de ollas –tensión hasta 300 kilopascales– y platos –tensión mayor de 300 kilopascales– a presión), granulometría (Bouyoucos o de la pipeta) y porosidad total (con base en los resultados de las densidades), y, por último, determinaciones mineralógicas: en las fracciones arena (50 a 250 micras de diámetro) y arcilla total (fracción menor de 2 micras de diámetro); arcilla total: difracción de rayos X en muestras saturadas con magnesio, magnesio más glicol, potasio y potasio con calentamiento a 550 °C; y arena: identificación de especies minerales por observación bajo el microscopio polarizante; además, análisis micromorfológicos: secciones delgadas por el método de impregnación en resina poliestérica.
Mediante la consolidación de los datos obtenidos en campo y los resultados del laboratorio, se identificaron los aspectos más importantes en la génesis y evolución de los suelos del Valle del Sibundoy.
III. Resultados y discusión
Para entender la evolución de los suelos se debe analizar la dinámica de los factores formadores e inferir los procesos de acuerdo con las características y los rasgos morfológicos que han dejado marcas en el perfil; consideran factores formadores de suelos a los agentes, fuerzas, condiciones o combinaciones de estos que influyen, han influido o pueden influir sobre el material parental o sobre un suelo, transformándolo, modificándolo y construyendo el perfil que lo representa (8). Por otra parte, (9) afirman que para entender la evolución de los suelos se deben, en primera medida, detallar, evaluar e integrar los procesos específicos, y, de esta manera, establecer las tendencias de evolución.
A. Factores formadores
El factor que rige la génesis en la zona de estudio, en primera instancia, es el relieve, seguido del material parental, el clima y los organismos, a través del tiempo.
Relieve: Es el factor principal en la formación de los suelos del Valle de Sibundoy, pues están relacionados con fenómenos de tectonismo que produjeron su formación al ocurrir el levantamiento de la cordillera Centro-oriental; posteriormente, procesos geomorfológicos contribuyeron a la formación del valle, y la erupción del complejo volcánico de Bordoncillo bloqueó la salida de las aguas en la parte denominada Balsayaco, lo que permitió la formación de un lago en el cual se estableció vegetación acuática y subacuática que originó los depósitos orgánicos (10,11); además, (12) afirma que este último proceso es muy común en lagos originados después de la última glaciación.
En la zona de estudio, el paisaje de montaña ocupa el 4 % del área, y el 96 % restante pertenece al paisaje de altiplanicie. Los suelos de montaña, encontrados en las laderas, son derivados de ceniza volcánica (Figura 1), andisoles de texturas medianamente finas a finas, profundos y en algunos sectores limitados por fragmentos gruesos en el perfil; en determinadas zonas presentan pedregosidad superficial, tipo piedra y pedregón, de configuración irregular; en tanto que la distribución en el relieve está asociada a formas alargadas y lobuladas; esta última condición es característica en algunas geoformas volcánicas, ya que presenta acumulación de material volcánico que se solidificó por enfriamiento (13).
En el paisaje de altiplanicie sobresalen los relieves de terrazas fluviolacustres con tres niveles. En las terrazas nivel 1 y 2 se evidencia la acumulación de materiales orgánicos, que dieron origen a suelos del orden Histosol con diferentes estados de alteración (hémicos, fíbricos y sápricos); en las zonas donde los suelos están permanentemente saturados por agua, prevalecen los suelos fíbricos (Figura 1); por el contrario, donde los periodos de saturación han disminuido y permitido la entrada de oxígeno, se encuentran los subórdenes héticos y sápricos; en general, estos suelos se caracterizan por ser pobremente drenados y superficiales, limitados por el nivel freático; de la misma manera, que la posición relativa de los suelos en el paisaje y el gradiente del terreno son los factores más importantes que causan una variación en las características del drenaje y el balance entre la remoción y acumulación de material. (14)
En el plano de la terraza nivel 3 se encuentran suelos minerales, principalmente de los órdenes Inceptisol y Entisol, saturados con agua en todas las capas; estos suelos son consecuencia de las depresiones en el relieve; igualmente, el relieve controla la humedad (en las zonas bajas y depresionales se almacena mayor cantidad de agua que en zonas de alta pendiente), determina los procesos pedogenéticos (drenaje interno, oxidación y reducción), define la profundidad del suelo (a mayor pendiente menor espesor del suelo) y regula condiciones de microclima (varía de acuerdo con la posición: ladera, valles, piedemontes, etc.) (15) A continuación, se representa el perfil de elevación de la zona de estudio con los diferentes tipos de suelos encontrados:

Material parental: La roca sobre la que se forma el suelo suele denominarse material parental u originario (16); puede tratarse de una roca consolidada, un depósito no consolidado e incluso un suelo preexistente. Este material constituye un elemento pasivo sobre el que actúan el resto de factores formadores. Bajo diferentes condiciones del medio (en especial el régimen de humedad y de temperatura), un mismo tipo de roca puede dar lugar a suelos con distintas características. La influencia del material originario repercute en propiedades edáficas, como la textura, el color y la fertilidad, entre otras. Basados en este concepto, la zona de estudio presenta tres materiales de origen predominantes: 1) derivados o contaminados de cenizas volcánicas (Andisoles o integrados ándicos), 2) depósitos de materiales orgánicos (Histosoles) y 3) depósitos aluviales y coluvio-aluviales (Inceptisoles y Entisoles).
De acuerdo con el mapa de geología (17), escala 1:100.000, el Valle de Sibundoy se encuentra ubicado en la plancha 430 Mocoa, con el símbolo geológico “Q1adfsi”, y este describe: “abanicos y depósitos fluviolacustres de Sibundoy, constituidos por bloques, gravas, arenas y lodos”; además, en la memoria explicativa describe también depósitos volcánicos de caída. Este insumo a escala 1:100.000 generaliza y agrupa la zona de estudio con estos materiales; se pudieron identificar con mayor detalle (escala 1:25.000) las áreas específicas de cada uno de los materiales parentales sobresalientes (Tabla I).

Clima: Es quizá el único factor de formación cuya influencia trasciende a todos o casi todos los aspectos que se relacionan con los suelos; esta influencia se manifiesta no solamente en los procesos químicos, físicos y biológicos, en virtud de los cuales se forman los suelos y adquieren su morfología y características típicas, sino que además determina o controla, en grado variable: a) la naturaleza de la cubierta vegetal y la actividad de los organismos del suelo, b) el modelado y efecto pedogenético del relieve, c) la rata de descomposición del material parental, d) la intensidad de los procesos de meteorización y de formación en la escala del tiempo, e) la aptitud y manejo de los suelos y f) los procesos responsables de la destrucción de estos (18).
De acuerdo con la clasificación climática establecida para la zona (19), conocida también como zonas de vida, el área de estudio se encuentra ubicada en la unidad bmh-MB (bosque muy húmedo Montano bajo), caracterizada por presentar temperaturas promedio de 12-18 °C y precipitaciones de 4000-2000 mm anuales. Distintos autores afirman que la temperatura media anual en el Valle de Sibundoy es de 18 .C y presenta una humedad relativa que fluctúa entre el 78 % y el 84 % (10). Otro autor sostienen que el área objeto de análisis se puede considerar húmeda, ya que la precipitación promedio anual es de 1.450 mm, aproximadamente (20); sin embargo, en este estudio se identificaron dos provincias de humedad: húmeda y muy húmeda, con precipitaciones entre 1000 y 2500 mm anuales. De acuerdo con el balance hídrico de la estación climática Vichoy, ubicada en el municipio de Colón (Figura 2), se observa que la precipitación (mm) en todos los meses sobrepasa la evapotranspiración potencial (mm); este sector del valle presenta una precipitación media anual de 1727 mm, por lo que se considera húmedo.

Se puede decir que las altas precipitaciones influyen de manera directa en la saturación casi permanente del suelo, y de acuerdo con esto se generan en el área de estudio los subórdenes aquands, aquepts, aquents y, en menor proporción, los udands y udepts, estos últimos por lo general en las zonas con mayor pendiente; asimismo, otros estudios aseguran que las bajas temperaturas y las altas precipitaciones influyen en la baja mineralización de la materia orgánica (15). La temperatura ambiental en el Valle de Sibundoy es de 15-16 °C; de acuerdo con esto, se infiere como isomésico el régimen térmico del suelo en el área mencionada, (21).
Organismos: El papel de los organismos como factor formador del suelo ha sido muy discutido, debido a la dificultad de determinar hasta dónde son variables, dependientes e independientes. Dentro de los organismos se encuentran: microorganismos, vegetación, macroorganismos y el ser humano.
Los microorganismos se consideran agentes formadores por su facilidad de dispersión y transporte; además, participan en la desintegración del material parental y en la producción y descomposición de materiales orgánicos (22).
En los suelos del Valle de Sibundoy se encontraron macroorganismos como lombrices de tierra (Lumbricus terrestres L.), arañas, hormigas y algunos coleópteros, los cuales transportan sustancias entre los horizontes, y cuyos excrementos, pasan a formas de humus, que está constituido por sustancias húmicas complejas (ácido húmico y huminas y ácidos fúlvicos). (23).
La vegetación actual de la zona de estudio está compuesta principalmente por especies introducidas de carácter productivo, como maíz (Zea mays L.), fríjol (Phaseolus vulgaris L.), granadilla (Pasiflora ligularis Juss), tomate de árbol (Solanum betaceum Cav), lulo (Solanum quitoense Lamarck) y pastos para ganadería: kikuyo (Pennisetum clandestinum Hochst ex Chiov), grama (Cynodon dactylon Lamb), pajonal (Paspalum quadrifarium Lamb); es mínima la vegetación nativa. Aproximadamente, el 77 % del área se encuentra cultivada en pastos y el 15 % con los cultivos referidos; es común observar lotes de cultivo y alrededor de estos árboles de pino (Pinus sylvestris L.) o eucalipto (Eucalyptus). En algunas zonas de los bajos y planos de las terrazas fluviolacustres se encuentran especies como la totora (Schoenoplectus californicus) y la totorilla (Cyperus odoratus L.), vegetación característica en los relictos de los humedales (24); estas especies pueden ser las responsables de la acumulación de los materiales orgánicos que dieron origen a la formación de los Histosoles, situación que concuerda con la investigación Suelos hídricos del humedal laguna de Fúquene – caracterización y delimitación, en la cual señala que desde 1940 en esta zona han emergido suelos orgánicos y minerales que sepultaron antiguos depósitos de turbas. (25)
Tiempo: El tiempo permite la acción de los demás factores en la dimensión espacial. Al estudiar el tiempo como factor de formación del suelo debe tenerse en cuenta que los procesos pedogenéticos que actúan en la actualidad lo hicieron también en el pasado, dando origen a la geomorfología del medio como una síntesis integrada de la acción de dichos procesos a través del tiempo y del espacio. De estos conceptos se deduce que la paleopedología, en muchos casos, representa la única manera de entender el suelo en su morfología actual (26).
B. Procesos de formación
Los procesos específicos que especialmente han intervenido en la morfología de los suelos del Valle de Sibundoy son: andolización, paludización y gleyzación (Tabla II).

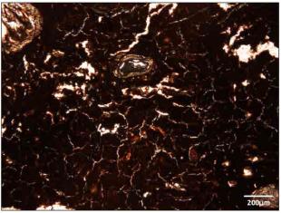
Andolización: Este proceso es el responsable de la formación de los Andisoles; se caracteriza por presentar cantidades significativas de alófanas, imogolita, ferrihidrita o complejos de Al, Fe-humus. Estos materiales se forman durante la meteorización de tefras y otros materiales con contenidos importantes de vidrio volcánico y fragmentos de matriz. Los minerales presentes en las cenizas muestran una amplia variación en su composición química; todos los materiales están dominados por minerales de fácil alterabilidad y presencia de vidrio volcánico (28); este concepto se pudo confirmar con los análisis micromorfológicos realizados a los suelos con propiedades ándicas del Valle de Sibundoy (Figura 3); además, en la fracción arenosa y en la fracción arcillosa domina el material no cristalino, permitiendo la síntesis rápida de los aluminosilicatos amorfos. En la Figura 4 se presentan microfoto grafías de la mineralogía de las arenas, compuestas por partículas entre 50 y 250 micras.

(A) Nicoles paralelos, (B) Nicoles cruzados y (C) Nicoles cruzados y Cuña de yeso.

A: Nicoles paralelos, se observa la presencia de anfíboles y de piroxeno con reborde de vidrio volcánico. B: Nicoles cruzados en el centro y de color azul, se aprecia zoisita. C: Nicoles paralelos, se distingue presencia de granate y de magnetita. D: Nicoles cruzados feldespatos, cuarzo y anfíboles
Para ser catalogados como Andisoles, los suelos deben cumplir una serie de condiciones derivadas de su génesis (21). Estas condiciones requieren ser determinadas por el laboratorio; sin embargo, para identificarlas en campo, se tuvieron en cuenta conceptos como tixotropia y untuosidad, características comunes de estos suelos, las reacciones generadas al compuesto floruro de sodio (contenido de materiales amorfos) y la expresión sobre el papel de filtro impregnado con fenoftaleina. (29)
Paludización: Este proceso es el responsable de la formación de los Histosoles; se define como la acumulación de una masa gruesa (> a 30 cm) de materiales orgánicos en un sitio con mal drenaje (8) o asociada a movimientos ascendentes del nivel freático (28), donde la preservación en condiciones anaeróbicas ha permitido una ganancia neta a través del tiempo.
La formación de Histosoles se divide en tres procesos: 1) translocación dentro del cuerpo del suelo, es decir, la paludización; 2) transformación de materiales en el interior del cuerpo de un suelo, la maduración (cambios químicos, biológicos y físicos en los suelos orgánicos después de que el aire penetra en los depósitos orgánicos, haciendo posible que florezcan las actividades microbianas), y, por último, 3) la mineralización, liberación de óxidos sólidos mediante la descomposición de materias orgánicas (8). En la Figura 5 se muestra una microfotografía de una sección delgada en la que se presentan tejidos vegetales frescos y sustancias húmicas en diferentes etapas de condensación en un suelo orgánico de la zona de estudio.

De acuerdo con los análisis de laboratorio y lo descrito en campo, además del planteamiento teórico (8), en el Valle de Sibundoy se presentan estos tres procesos específicos: la paludización se evidencia en la formación de los Histosoles en general, como los Typic Haplofibrists, en estos se encuentran capas de materiales orgánicos mayores a 150 cm; la maduración estaría reflejada en los suelos Typic Haplohemists, o los Sapric Haplohemists, en donde la presencia de oxígeno ha permitido mayor descomposición de las fibras, y la mineralización, como último proceso, expresada en los suelos con subgrupo Terric.
Gleyzación: Este proceso se desarrolla en los suelos que tienen un régimen de endosaturación permanente. Bajo la influencia de capas freáticas muy reductoras, todo el hierro se reduce, incluso en medio neutro y se acumula en la base del perfil, en forma de carbonato ferroso o de sales complejas de colores verduzco azulados, dando origen al horizonte gley (30). Las secciones delgadas realizadas en los suelos sometidos a estos ambientes mostraron signos de condiciones redoximórficas (Figura 6).

El Fe es el elemento químico que mejor refleja las condiciones hidromórficas de los suelos. En condiciones reductoras, el hierro se moviliza como Fe+2, que es bastante móvil, sufriendo una redistribución en el perfil; malas condiciones de drenaje impiden su total eliminación, acumulándose compuestos ferrosos (28).
IV. Conclusiones
Dado el origen del Valle de Sibundoy, el factor que rige su génesis es el relieve, seguido del material parental, el clima y los organismos a través del tiempo.
Con base en los procesos y factores formadores de los suelos del Valle del Sibundoy, se establece que esta zona presenta tres ambientes edafogenéticos definidos:
Agradecimientos
A la subdirección de Agrología del Instituto Geográfico Agustín Codazzi (IGAC).
Referencias
(1) Jenny H. 1941. Factors and soil formation. A system of quantitative pedology. McGraw-Hill. New York, 281 p.
(2) Dorronsoro C. 2016. Lección 4, propiedades físicas. 2016. (fecha de acceso 12/01/2016) Disponible en: http://www.edafologia.net/introeda/tema04/text.htm#anchor618597.
(3) Jaramillo D. 2002. Introducción a la ciencia del suelo. Universidad Nacional de Colombia. Medellín, Colombia. 613 p.
(4) Instituto Geográfico Agustín Codazzi –IGAC–. 2014. Estudio general de suelos y zonificación de tierras departamento de Putumayo. Imprenta Nacional de Colombia. Bogotá. 382 p.
(5) Bello J. 1987. El Valle de Sibundoy y su transformación agropecuaria 1966-1986. Instituto Colombiano de hidrología, meteorología y adecuación de tierras – HIMAT. 103 p.
(6) Instituto Geográfico Agustín Codazzi –IGAC–. 2011. Metodología de Levantamientos Agrológicos M40100-01/11. Bogotá. 37 p.
(7) Instituto Geográfico Agustín Codazzi –IGAC–. 2006. Manual de Métodos Analíticos del Laboratorio de Suelos. Bogotá. 24 p.
(8) Buol S., Hole F., McCracken R. 1991. Génesis y clasificación de suelos. México, D.F.: Editorial Trillas. México D.F. 417 p.
(9) Malagón D., Pulido C., Llinas R., Chamorro C. 1995. Suelos de Colombia, origen, evolución, clasificación, distribución y uso. Instituto Geográfico Agustín Codazzi –IGAC–. Bogotá: Canal Ramírez Antares Ltda. 632 p.
(10) Da Rocha H., Cortés A. 1977. Suelos orgánicos del Valle de Sibundoy. Instituto Geográfico Agustín Codazzi. 132 p.
(11) López A, Cortés A. 1978. Los suelos orgánicos de Colombia, su origen, constitución y clasificación. Instituto Geográfico Agustín Codazzi. 190 p.
(12) Zinck A. 2012. Geopedología. Elementos de geomorfología para estudios de suelos y de riesgos naturales. ITC Faculty of Geo-Information Science and Earth Observation. Enschede, The Netherlands. 123 p.
(13) Zinck A. 1987. Aplicación de la geomorfología al levantamiento de suelos en zonas aluviales y definición del ambiente geomorfológico con fines de descripción de suelos. IGAC. 178 p.
(14) Loran M. 1987. Principios de formación de suelo. Faculty of Geo-information Science and Earth Observation ITC Enschede. 85 p.
(15) Castro H. 1998. Fundamentos para el conocimiento y manejo de suelos agrícolas. Manual Técnico. Tunja: Instituto Juan de Castellanos. Tunja. 360 p.
(16) Badía D., Martí C., Aznar J., León J. 2013. Influence of slope and parent rock on soil genesis and classification in semiarid mountainous environments. Geoderma, 193-194: 13-21.
(17) Instituto Colombiano de Geología y Minería –- INGEOMINAS–. 2003. Cartografía geológica de las zonas Andina Sur y Garzón - Quetame (Colombia). Reconocimiento geológico regional de las planchas de 411 La Cruz, 412 San Juan de Villa Lobos, 430 Mocoa, 431 Piamonte, 448 Monopamba, 449 Orito y 465 Churayaco, Departamentos de Caquetá, Cauca, Huila, Nariño y Putumayo. Escala 1:100.000 Memoria Explícita. Bogotá. 287 p.
(18) Mejía L. 1981. La relación clima - suelo: influencia del clima en la formación y características de los suelos. Centro Interamericano de Fotointerpretación, Unidad de Suelos y Agricultura. Instituto Geográfico Agustín Codazzi. Bogotá. 46 p.
(19) Holdridge L. 1982. Ecología basada en zonas de vida. IICA. San José, Costa Rica. 216 p.
(20) Ospina O., Maríin E., Varela J. 1969. Valle del Sibundoy, estudio agrológico e investigaciones sobre drenaje. Instituto Colombiano de la Reforma Agraria – INCORA–. Bogotá. 150 p.
(21) Soil Survery Staff 2014. Claves para la taxonomía de suelos. Departamento de Agricultura de los Estados Unidos. Servicio de Conservación de Recursos Naturales. Décima segunda edición. 399 p.
(22) Ramírez P. 1960. Génesis, morfología y clasificación de suelos. Instituto Geográfico Agustín Codazzi. Departamento Agrológico. Bogotá. 150 p.
(23) FAO, Organización de las Naciones Unidas para la Alimentación y la Agricultura. 2006. Conservación de los Recursos Naturales para una Agricultura Sostenible. Materia orgánica y actividad biológica. http://www.fao.org/ag/ca/Training_Materials/CD27-Spanish/ba/organic_matter.pdf. Roma, Italia. 28 p; consulta: julio de 2016.
(24) Corpoamazonía y Fundación Cultural del Putumayo –FCP– 2006. Manejo ambiental de los humedales de la parte plana del Valle del Sibundoy. 224 p.
(25) Garzón E. 2005. Suelos hídricos del humedal laguna de Fúquene- Caracterización y delimitación. Tesis de maestría. Facultad de Agronomía. Maestría en Ciencias Agrarias. Universidad Nacional de Colombia. 329 p.
(26) Malagón D. 1975. Mineralogía de suelos, sus relaciones con génesis, fertilidad y clasificación de suelos. Instituto Geográfico Agustín Codazzi, – Subdirección de Agrología. 828 p.
(27) FAO, Organización de las Naciones Unidas para la Alimentación y la Agricultura. 2015. World reference base for soil resources 2014. International soil classification system for naming soils and creating legends for soil maps. 192 p.
(28) Zapata R. 2006. Química de los procesos pedogenéticos. Universidad Nacional de Colombia, Facultad de Ciencias, Escuela de Geociencias. Medellín. 358 p.
(29) Bolívar A., Ordóñez N. 2014. Levantamiento Agrológico del Centro Agropecuario Marengo. Instituto Geográfico Agustín Codazzi. 390 p.
(30) Fadda G. 2010. Génesis - Procesos pedogenéticos fundamentales. (2010). (fecha de acceso 10/06/2016). Disponible en: http://www.edafologia.com.ar/Descargas/Cartillas/Genesis%207%20-%20Procesos%20pedogeneticos%20fundamentales%20X.pdf.
Notas de autor