Misceláneos / Miscellaneous
Desalinizador solar de múltiples etapas para su aplicación en zonas costeras del Ecuador
Multi-stage solar desalination system for water production in coastal areas of Ecuador
Desalinizador solar de múltiples etapas para su aplicación en zonas costeras del Ecuador
Enfoque UTE, vol. 13, núm. 1, pp. 1-22, 2022
Universidad Tecnológica Equinoccial

Recepción: 05 Agosto 2021
Aprobación: 09 Noviembre 2021
Publicación: 14 Enero 2022
Resumen: Se ha desarrollado un desalinizador solar con recuperación de calor para su aplicación en zonas costeras del Ecuador con escasez de agua dulce. El aparato consta de una torre de destilación de 3 etapas conectada a un colector solar plano. La energía solar absorbida por el colector es transferida mediante circulación natural a la torre de destilación, donde en cada etapa se recupera el calor de condensación del agua para incrementar el destilado producido. El diseño modular del equipo permite variar la producción de agua, desde unos pocos litros hasta más de un metro cúbico al día. El prototipo tiene pocas partes móviles y puede ser armado y desarmado rápidamente, lo que facilita su operación y mantenimiento. La producción mensual promedio del desalinizador varía entre 4.3 y 5.8 kg/día (2.44 y 3.29 kg/m.). El desempeño del desalinizador fue analizado con un modelo matemático, cuya exactitud fue mejorada al evaluar experimentalmente los coeficientes de transferencia de calor por convección presentes en la torre de destilación. Se realizó una simulación en Matlab-Simulink que permite predecir las temperaturas, destilado generado y flujos de calor en la unidad. La simulación de un día completo de operación del destilador tuvo resultados muy satisfactorios, con una diferencia de únicamente el 7.7 % entre los datos teóricos y experimentales. La simulación también fue utilizada para analizar mejoras en el desempeño del equipo, determinándose que la producción del desalinizador podría incrementarse hasta en un 107 %.
Palabras clave: desalinización, destilador, múltiples etapas, colector solar, simulación.
Abstract: A solar desalination system with heat recovery has been developed for coastal areas of Ecuador with a shortage of freshwater. The prototype consists of a 3-stage distillation tower connected to a flat plate solar collector. The solar energy absorbed by the collector is transferred by natural circulation to the distillation tower, wherein the heat of condensation of water is recovered in each stage to increase distillate output. The modular design of the equipment allows water production to be varied, from a few liters to more than a cubic meter per day. The prototype has few moving parts and can be rapidly disassembled and assembled, greatly facilitating its operation and maintenance. The average monthly production of the desalination unit varies between 4.3 and 5.8 liters per day (2.44 and 3.29 kg/m.). A mathematical model was created to analyze system performance. The accuracy of this model was improved by experimentally evaluating the convection heat transfer coefficients in the distillation tower. A simulation program was developed in Matlab-Simulink to predict the temperature profiles, distillate output, and heat flows in the unit. The simulation results for one day of prototype operation were very satisfactory, with a difference of only 7.7 % between theoretical and experimental data. The simulation was also used to analyze improvements in equipment performance, which determined that freshwater yield could be increased by up to 107 %.
Keywords: desalination, distillation, multi-stage, solar collector, simulation.
1. Introducción
Un acceso adecuado al agua pura es un factor muy importante en el desarrollo social y económico de un país o región. No obstante, en muchas partes del mundo el agua es escasa o no cumple con los estándares mínimos de calidad que la hacen apta para su consumo. Al observar la situación del Ecuador es fácil advertir la existencia de grandes recursos hídricos en su territorio, pero también es evidente su distribución irregular en el tiempo y el espacio. Por ejemplo, la disponibilidad de agua dulce se reduce considerablemente en la provincia de Santa Elena, en el suroeste de la provincia de Manabí, en la isla Puna y en las islas Galápagos (Buckalew et al., 1998; SENAGUA, 2017).
En estos lugares el agua dulce podría obtenerse del mar a través de la desalinización, proceso que es aplicado en diversas partes del mundo, generalmente con plantas de gran escala. Sin embargo, los elevados costos de estas instalaciones reducirían significativamente su implementación en el Ecuador, donde sistemas más económicos y de menor escala son más convenientes. En este sentido, la destilación solar es una buena alternativa para brindar un servicio de desalinización, principalmente destinado a satisfacer las necesidades de agua potable de pequeñas comunidades costeras y grupos aislados.
La obtención de agua dulce por medio de la destilación solar se conoce desde hace miles de años, pero se puede afirmar que el periodo moderno de esta tecnología comenzó en 1872 con la instalación de una gran destilador solar de batea cerca de Las Salinas, norte de Chile (Tiwari y Sahota, 2017). Este tipo de destiladores han sido ampliamente estudiados, caracterizándose por su simplicidad y bajo costo. Están conformados por una batea de agua salina de poca profundidad sobre la que se dispone una cubierta transparente de vidrio o plástico. La radiación solar atraviesa la cubierta y después es absorbida por el agua y el fondo de la batea, con el subsiguiente calentamiento y evaporación del líquido. El vapor formado asciende y se condensa en la superficie interior de la cubierta desde donde se desliza hasta caer en un canal que lo conduce fuera de la unidad. Aunque estos sistemas son económicos y de fácil construcción tienen una baja producción de agua y su cubierta de vidrio es propensa a sufrir daños.
La eficiencia de los destiladores solares de batea se puede incrementar al suministrarse una cantidad adicional de energía térmica procedente de colectores solares o del calor desechado por motores y procesos industriales (Tiwari y Tiwari, 2008). En 1976, Soliman fue el primero en investigar el uso de un colector solar plano integrado a un destilador solar de batea, obteniendo un incremento significativo en la cantidad de agua producida. Más recientemente, Schwarzer et al. (2009) desarrollaron un destilador solar de múltiples etapas que puede trabajar con un colector solar plano, de tubos al vacío o parabólico acoplado a una torre de destilación. Los resultados indican que el dispositivo produce entre 15 y 18 kg por m. de área del colector, cantidad 5 a 6 veces superior a la producción de un destilador solar de batea convencional.
Feilizadeh et al. (2015) investigaron el rendimiento de un destilador solar de múltiples etapas tipo batea conectado a un colector solar plano, así como el efecto de la relación entre el área del colector y el área de la batea (Ac / Ab)
Con un Ac / Ab de 3.45 la producción diaria del destilador solar varía entre a 3.35 y 5.03 kg por m. de área del colector. Reddy y Sharon (2016) analizaron de forma teórica el desempeño de un desalinizador solar activo, conformado por una torre de destilación de múltiples etapas de tipo vertical conectada a un colector solar plano. La torre de destilación puede operar a presión atmosférica o en vacío para incrementar el destilado generado. De acuerdo a los cálculos, a presión atmosférica (1 bar) el dispositivo tendría una producción anual promedio de 6.78 kg por m. de área de colector. Mientras que a una presión de 0.25 bar el destilado generado aumentaría a 17.92 kg por m. de área de colector.
En esta revisión se puede notar que existe una gran variación en los resultados obtenidos por diferentes investigadores, por lo que aún existe espacio para desarrollar y probar sistemas solares de desalinización de múltiples etapas en las que se maximice la producción de agua sin recurrir a procesos que incrementan el costo y complejidad de los equipos, como es el caso de la generación de vacío. En este artículo se presenta un desalinizador solar que consta de una torre de destilación de 3 etapas acoplada a un colector solar plano. La energía del colector es transferida a la torre de destilación en la que por medio de un proceso de evaporación y condensación se recupera la energía en cada etapa, incrementándose la producción de agua destilada. El diseño modular del desalinizador permite variar la producción de agua de acuerdo a las necesidades y el número de usuarios, desde unos cuantos litros hasta más de 1 metro cúbico al día. El prototipo tiene muy pocas partes móviles, por lo que puede ser armado y desarmado rápidamente con herramientas básicas y de fácil adquisición, lo que simplifica considerablemente su operación y mantenimiento.
Aunque los colectores solares planos alcanzan temperaturas más bajas que otros tipos de colectores tienen la ventaja de presentar un diseño más simple y menores costos de mantenimiento y, por lo tanto, son los equipos más utilizados en sistemas solares de calentamiento en el sector industrial y residencial (Cando et al., 2020). Por este motivo, y dado que la tecnología se adapta bien a las temperaturas de destilación del agua (menores a 100 °C), el uso de colectores planos es conveniente en aplicaciones de desalinización.
2. Materiales y métodos
2.1. Descripción del equipo desarrollado
En el esquema de la Figura 1 se indica un diagrama esquemático del prototipo desarrollado. Las partes principales del sistema son una torre de destilación de 3 etapas, un colector solar plano que opera por termosifón y un tanque de alimentación. La torre de destilación está compuesta por un conjunto de depósitos de agua colocados uno encima de otro. El compartimiento inferior, denominado depósito principal, recibe energía del colector solar, generándose vapor que se condensa en el fondo del siguiente depósito, transfiriendo su calor de condensación; circunstancia que permite evaporar más agua sin requerimientos adicionales de energía. Este proceso se repite en los depósitos restantes, incrementándose considerablemente la cantidad de líquido generado en relación a un dispositivo de una sola etapa. Al igual que en un destilador de batea convencional, el condensado producido en cada compartimiento fluye hasta un canal que lo dirige fuera de la unidad. El tanque de alimentación suministra el agua de reposición a los depósitos mediante válvulas de flotador.

Para evitar problemas de corrosión los depósitos fueron construidos con lámina de acero inoxidable AISI 430 de 0.9 mm de espesor, mientras que las tuberías del colector solar son de aleación Cu-Ni 90/10 resistentes a la corrosión por agua salina. Las elevadas temperaturas que deben alcanzarse durante la destilación del agua, especialmente en el depósito principal, determinaron que en esta investigación se utilice un colector solar plano de alta eficiencia con superficie selectiva. El colector solar tiene un área total de 2 m2 (1.76 m2 de área efectiva) que corresponde al área más comúnmente utilizada en sistemas solares comerciales de calentamiento de agua.
2.2. Modelo térmico del sistema
2.2.3 Torre de destilación
Dentro de cada etapa de la torre de destilación la transferencia de calor entre el agua y el fondo del depósito situado arriba se da por convección, evaporación y radiación. El flujo de calor por evaporación depende en gran medida del fenómeno de convección, ya que gracias a este último, el vapor asciende hasta la superficie de condensación. La torre de destilación intercambia calor con el medio ambiente, principalmente por convección, conducción y radiación. Además de estos flujos de calor, el sistema libera energía hacia el exterior a medida que el destilado abandona los compartimientos y es remplazado por el agua proveniente del tanque de alimentación. Un esquema de la torre de destilación con todos sus flujos de calor se presenta en la Figura 2.

Los balances de energía en la torre de destilación se elaboraron cumpliendo con las siguientes suposiciones:
· No existe gradiente de temperatura en el agua de cada depósito.
· El destilado abandona el equipo a la temperatura del agua en los depósitos.
· El agua de alimentación ingresa a la torre de destilación a temperatura ambiente.
El balance de energía en el depósito principal puede expresarse como en la Ec1
[Ec.1]El agua del depósito principal(mw) recibe la energía proveniente del colector solar (Qu), libera energía hacia el medio ambiente a través de las pérdidas de calor (qp) y la salida del destilado (m0). Adicionalmente, intercambia calor con el fondo del primer depósito mediante radiación (qr), convección (qc) y evaporación (qe).
El balance de energía en el fondo del primer depósito puede expresarse como en Ec.2.
[Ec.2]El fondo del primer depósito (mb1) recibe energía del agua del depósito principal mediante radiación (qr), convección (qc) y evaporación (qe), y transfiere calor por convección (qbw1) al agua del primer depósito.
Los balances de energía restantes son similares a los de las ecuaciones anteriores y pueden ser fácilmente deducidos de la Figura 2. Adicionalmente, la cubierta del segundo depósito absorbe la radiación solar (Gt), intercambia calor por radiación con el cielo (qrt) y libera calor hacia el medio ambiente por convección (qct).
La evaluación de los flujos de calor por evaporación dentro de la torre de destilación es una tarea muy importante, pues estos determinan la cantidad de agua producida por el desalinizador solar. Debido a que la evaporación depende de la convección, ambos fenómenos deben ser analizados para estimar la producción de agua del equipo. El flujo de calor por convección natural entre el agua del depósito principal y el fondo del primer depósito se calcula con la ecuación general Ec.3.
[Ec.3]Donde hc es el coeficiente de transferencia de calor por convección (W/m2*K) y Tb1la temperatura del fondo del depósito. Con el fin de evaluar hc se emplean cuatro parámetros adimensionales: el número de Nusselt (Nu), el número de Grashof (Gr), el número de Prandtl (Pr) y el número de Rayleigh (Ra). Estos están dados por las formulaciones en Ec.4, Ec.5, Ec.6 y Ec.7.
[Ec.4]
[Ec.5]
[Ec.6]
[Ec.7]Para el flujo de calor por convección natural en espacios cerrados horizontales con aire es común el uso de la relación en Ec.8 (Sampathkumar et al., 2010; Tiwari y Sahota, 2017).
[Ec.8]Donde C y n son constantes que dentro del intervalo 3.2 * 105 < Gr < 107, correspondiente a un flujo turbulento (condición predominante dentro de la torre de destilación); Dunkle (1961) utiliza los valores: C = 0.075 y n = 1/3.
El factor de empuje
El factor de empuje
de la Ec.5 tiene que ser modificado para tener en cuenta la variación de la humedad del aire a lo largo de su ascenso (Abdullah et al., 2020; Parsa et al., 2020), obteniéndose la Ec.9.
[Ec.9]Donde Pw es la presión de vapor del agua a la temperatura del líquido (N/m2), Pb1 la presión del vapor del agua a la temperatura del fondo del primer depósito, Pt la presión total o atmosférica, Ma el peso molecular del aire y Mw el peso molecular del agua.
Igualando Ec.4 y Ec.8 y luego despejando, se obtiene Ec.10.
[Ec.10]El flujo de calor por evaporación entre el agua y el fondo del primer depósito se establece por Ec.11.
[Ec.11]De acuerdo a Tiwari y Tiwari (2008), el flujo de calor por evaporación entre la superficie del agua y el fondo del primer depósito está dado por Ec.12.
[Ec.12]Al igualar Ec.11 y Ec.12, y despejando m0 se llega a la formulación de Ec.13.
[Ec.13]Cuando Dunkle (1961) analizó el funcionamiento de un destilador solar de batea empleó los valores de C = 0.075 y n = 1/3 para evaluar el coeficiente de transferencia de calor por convección hc.
No obstante, este modelo posee las siguientes limitaciones (Rahbar y Esfahani, 2013) :
· Solo es válido para un rango de temperatura de entre 55 y 70 °C, y una diferencia media de temperatura entre las superficies de evaporación y condensación de 11 °C.
· Es independiente de la distancia entre las superficies de evaporación y condensación (a menor distancia mayor flujo de calor).
· Es bueno para estimar el flujo de calor hacia arriba en espacios cerrados horizontales con aire, pero no toma en cuenta la inclinación de la superficie de condensación ni el fenómeno de evaporación.
Para contrarrestar estas limitaciones se utilizó un método que se basa en hallar los valores de C y n mediante regresión lineal simple a partir de datos experimentales que deben ser obtenidos durante condiciones normales de operación. El procedimiento de cálculo es el siguiente (Tiwari y Sahota, 2017):
Al remplazar Ec.10 en Ec.13 y multiplicar por 3 600 para obtener el destilado producido en 1 hora resulta Ec.14.
[Ec.14]Si una parte de Ec.14 se sustituye por Ec.15, Ec.14 queda como en Ec.16.
[Ec.15]
[Ec.16]Al pasar R al otro lado de la ecuación se tiene Ec.17.
[Ec.17]Ec.17 puede escribirse como Ec.18.
[Ec.18]Donde m'0/R = Y, C = a, Ra = X, n = b. Aplicando el logaritmo en ambos lados de Ec.18 se produce Ec.19.
[Ec.19]Por simplicidad, Ec.19 se escribirá como Ec.20.
[Ec.20]Donde y' = ln(Y), a' = ln(a), b' = b, x' = ln(X).
Los coeficientes a' y b' de Ec.20 se calculan por regresión lineal simple, operación que puede ser efectuada directamente en un computador o de forma manual con la ayuda del método de los mínimos cuadrados. Después de obtener a' y b' el cálculo de C y n es muy fácil con Ec.21 y Ec.22.
[Ec.21]
[Ec.22]Los valores de C y n derivados de este procedimiento toman en consideración la distancia entre la superficie del agua y el fondo del primer depósito, la inclinación de este último y el rango de las temperaturas de operación.
2.2.4 Colector solar
Para facilitar y mejorar la exactitud del cálculo de la energía suministrada por el colector solar (Qu) es necesario conocer la curva de rendimiento de este equipo.
Sin embargo, al no disponer de esta información la estimación de Qu se realizó con un método descrito por Duffie y Beckman (2013) y Kalogirou (2014). Dicho método es muy efectivo y de fácil aplicación. Se basa en la variación constante de la temperatura del agua al circular por un colector solar plano, característica que bajo un amplio rango de condiciones se presenta en muchos sistemas de circulación natural (termosifón). Las ecuaciones Ec.23 y Ec.24 se usaron para calcular Qu.
[Ec.23]Donde m es el flujo másico de agua que circula por el colector (kg/s).
Te y Ts son la temperatura del fluido al ingreso y salida del colector, respectivamente.
El flujo m está dado por Ec.24.
[Ec.24]Siendo F' el factor de eficiencia del colector y S la radiación total absorbida (W/m2). La aplicación de Ec.24 requiere del conocimiento de Ts - Te, valor constante que fue determindao experimentalmente.
2.2.5 Coeficiente de rendimiento (COP) y relación de ganancia de salida (GOR)
El COP y GOR son parámetros importantes al momento de evaluar el desempeño y la eficiencia de los destiladores de múltiples etapas (Al-Mutaz y Wazeer, 2014; Schwarzer et al., 2011; Xue et al., 2018). El COP es la relación entre la masa de agua entregada por todas las etapas y la producida en la primera etapa del desalinizador. Este parámetro es un indicativo de la efectividad del proceso de recuperación de calor en la torre de destilación y se utiliza para optimizar la producción en cada una de sus etapas. Se define en Ec.25.
[Ec.25]Siendo
el agua producida por todas las etapas y me1 el agua generada por la primera. El GOR es la relación entre la energía necesaria para evaporar toda el agua producida y la energía suministrada por el colector solar, resulta útil al analizar el desempeño general del desalinizador, y es equivalente a la eficiencia térmica. Su expresión está en Ec.26.
[Ec.26]Donde
es la entalpia promedio de vaporización del agua (J/kg) y Qu.total la energía total suministrada por el colector solar (J).
2.2.6 Simulación
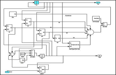
La simulación del desalinizador solar se realizó con el programa Matlab/Simulink con los datos de velocidad del viento, temperatura ambiente y radiación solar para un periodo de 24 horas. El propósito de la simulación es predecir la masa de agua destilada generada por el desalinizador. Esto se consigue con la resolución del sistema de ecuaciones diferenciales que definen los balances de energía en la torre de destilación, en la que la variable principal es la temperatura del agua en cada depósito. La simulación posee una ventana principal en la que se encuentran los bloques correspondientes a todas las etapas de la torre de destilación, estos a su vez están conectados a pequeños recuadros que indican las temperaturas que se desean conocer. Dentro del bloque de cada etapa se localizan otros bloques que sirven para evaluar todas las variables termofísicas necesarias para la resolución del sistema de ecuaciones diferenciales.
En la Figura 3 se presentan los bloques de la ventana principal y los recuadros correspondientes a las temperaturas de las superficies de evaporación y condensación de la torre de destilación. Los bloques pertenecientes a los flujos de calor y masa del depósito principal se muestran en la Figura 4. Cada bloque se relaciona con los demás por medio de operadores matemáticos que permiten representar a los balances de energía en el agua del depósito principal y el fondo del primer depósito.


3. Resultados y discusión
Las pruebas al desalinizador solar se efectuaron durante diciembre del año 2018 y enero del 2019 en las instalaciones del Instituto de Investigación Geológico y Energético (IIGE) en la sede Monteserrín de la ciudad de Quito. Los datos de radiación solar, temperatura ambiente y velocidad del viento fueron suministrados por una estación meteorológica marca Nipon modelo HG4050, instalada en la azotea del edificio en el que se probó el prototipo. Las variables que se midieron fueron la temperatura del agua en los depósitos de la torre de destilación, la masa de agua destilada generada por cada depósito y la temperatura del líquido a la entrada y salida del colector. Las pruebas del desalinizador no pudieron efectuarse en un lugar de la costa del Ecuador o las Islas Galápagos por problemas logísticos, principalmente, ya que las personas a cargo no podían movilizarse a estos sitios por el periodo de tiempo que tomarían las pruebas. Adicionalmente, la estación meteorológica, componente muy importante del estudio, no podía ser trasladada fuera de las instalaciones del IIGE.
La Figura 5 muestra el prototipo instalado en el que se observa que el sistema consta de un colector solar plano de 1.76 m2, una torre de destilación de 3 etapas, un tanque de alimentación de 120 litros y un filtro colocado entre el tanque y la torre.
Para facilitar el proceso, la mayor parte de pruebas se efectuaron con agua potable. Los resultados de estos experimentos luego fueron modificados tomando en cuenta los valores obtenidos en las pruebas con agua salina. Las mediciones de temperatura del agua en los depósitos se efectuaron cada 15 minutos durante 6 días no consecutivos, desde las 9:00 hasta las 17:00. Al mismo tiempo se medió cada hora la masa de destilado producido en los compartimientos, cuantificando también la masa acumulada desde las 17:00 hasta las 9:00 del día siguiente. Con los datos adquiridos se promedió la temperatura del líquido para periodos de una hora. La adquisición de información se realizó únicamente hasta las 17:00, ya que a partir de esa hora no se tenía acceso a la azotea del edificio en el que se instaló el desalinizador. Los datos de temperatura y masa de agua producida se utilizaron para determinar las constantes C y nide los coeficientes de transferencia de calor por convección entre la superficie del agua y la superficie de condensación en los dos primeros depósitos del desalinizador.i
Debido a que únicamente se midió la temperatura del líquido en los depósitos, la obtención de las constantes Ciy nipor medio del método descrito por Tiwari y Sahota (2017) se llevó a cabo suponiendo que no existe diferencia de temperatura entre el agua y el fondo en cada depósito. La validez de esta afirmación es razonable, ya que la transferencia de calor es lenta entre el fondo y el agua de los compartimientos, presentándose un gradiente muy pequeño de temperatura.

En la Tabla 1 se indican las temperaturas promedio del agua y la masa del destilado producido en cada compartimiento para un día de medición con una radiación solar de 5 436.63 Wh/m./día. Como era de esperarse, las mayores temperaturas se alcanzan en el depósito principal (máxima de 74 °C entre las 12:00 y 13:00) y las más bajas en el segundo depósito, obteniéndose valores intermedios en el primero. Algo similar ocurre con la producción de agua destilada, en la que de un total de 5.967 kg, 2.665 kg (44.7 %) son generados en el depósito principal, 1.994 kg (32.6 %) en el primer depósito y 1.358 kg (22.8 %) en el segundo depósito. Este comportamiento es típico del funcionamiento de una torre de destilación con múltiples etapas en la que la recuperación de calor va disminuyendo en las subsiguientes etapas o depósitos. Estos porcentajes se mantuvieron relativamente constantes durante todas las pruebas del prototipo, a excepción de ciertas condiciones de operación en las que la producción de agua fue muy baja o los niveles de radiación solar fueron muy irregulares en el transcurso del día. En términos generales, en el depósito principal y primer depósito se genera la mayor parte del destilado en la mañana y en la tarde. Mientras que en el segundo depósito casi la totalidad del destilado se produce en la noche y en la madrugada.
| 22/12/2018 | ||||||
| Hora (h) | Importar imagen (⁰C) | Importar imagen (⁰C) | Importar imagen (⁰C) | Destilado producido, me (kg) | ||
| Depósito principal | Primer depósito | Segundo depósito | ||||
| 9-10 | 46.2 | 32.1 | 26.5 | 0.116 | 0.021 | 0.000 |
| 10-11 | 59.4 | 36.6 | 27.6 | 0.360 | 0.051 | 0.005 |
| 11-12 | 69.1 | 45.2 | 30.5 | 0.621 | 0.138 | 0.000 |
| 12-13 | 74.0 | 54.5 | 35.3 | 0.727 | 0.270 | 0.002 |
| 13-14 | 70.2 | 58.2 | 40.6 | 0.359 | 0.300 | 0.041 |
| 14-15 | 66.5 | 57.9 | 44.4 | 0.210 | 0.231 | 0.080 |
| 15-16 | 61.3 | 55.9 | 45.6 | 0.086 | 0.156 | 0.091 |
| 16-17 | 58.3 | 53.8 | 45.6 | 0.052 | 0.112 | 0.115 |
| 17-9 | - | - | - | 0.134 | 0.665 | 1.024 |
| Subtotales | 2.665 | 1.944 | 1.358 | |||
| Total | 5.967 | |||||
Las constantes Ciy ni obtenidas experimentalmente son: depósito principal (C = 0.0273, n = 0.4156) y primer depósito (C1 = 0.07056, n1 = 0.3615).
La evaluación de C2y n2 no fue posible, ya que la generación de agua en el segundo depósito se presentaba principalmente en la noche, periodo en el cual no se podía recolectar información. En la Tabla 2 se comparan los datos experimentales de agua producida en el depósito principal con los valores calculados a partir de las constantes obtenidas experimentalmente y de las propuestas por Dunkle. Existe una buena aproximación entre los datos reales y los calculados a partir de las constantes evaluadas experimentalmente, con un error máximo del 9.18 % en el depósito principal y del 4.81 % en el primer depósito. Por el contrario, cuando se emplearon las constantes propuestas por Dunkle (C = 0.075 y n = 1/3) el error fue mucho mayor, subestimándose hasta en un 26.13% la masa de destilado y producido.
Durante la operación del desalinizador se determinó que la variación en la temperatura del agua a su paso por el colector solar es de aproximadamente 33 °C. Esta variación de temperatura es mucho mayor que la esperada, lo que sugiere la existencia de una restricción considerable en el flujo de agua que circula entre la torre de destilación y el colector solar, situación que podría provocar una disminución en la eficiencia del colector. El uso de este valor para calcular la energía suministrada por el colector es válido con niveles medios y altos de radiación solar (500 a 1000 W/m.). Cuando la radiación es muy baja o se presentan cambios bruscos en su intensidad, el aumento de temperatura es más inestable y de menor magnitud.
| 22/12/2018 | |||||
| Hora(h) | Importar imagen (kg)Exp. | Importar imagen0.0273Importar imagen0.4156 | Importar imagen0.075 Importar imagen1/3 | ||
| Importar imagen (kg)Teórico | Error(%) | Importar imagen (kg)Teórico | Error(%) | ||
| 9-10 | 0.116 | 0.119 | 2.59 | 0.095 | -18.10 |
| 10-11 | 0.360 | 0.390 | 8.33 | 0.295 | -18.05 |
| 11-12 | 0.621 | 0.678 | 9.18 | 0.505 | -18.70 |
| 12-13 | 0.727 | 0.716 | -1.51 | 0.537 | -26.13 |
| 13-14 | 0.359 | 0.349 | -2.79 | 0.273 | -24.00 |
| 14-15 | 0.210 | 0.193 | -8.10 | 0.156 | -25.71 |
| 15-16 | 0.086 | 0.082 | -4.65 | 0.069 | -19.76 |
| Total | 2.479 | 2.527 | 1.94 | 1.93 | -22.15 |
En la Tabla 3 se presentan los resultados generales de un día de operación del prototipo con agua potable. La energía entregada por el colector (Qu) se calcula con las ecuaciones Ec.23 y Ec.24.
El valor de Qu es igual a 3031.779 Wh, con una eficiencia del colector del 31.68 %. Pese a que los niveles de radiación solar son elevados, la eficiencia del colector es relativamente baja. Condición que puede atribuirse en parte a la mencionada restricción de flujo, así como a las altas temperaturas y ausencia de estratificación térmica en el agua del depósito principal (muy pequeña altura de líquido). Una forma de compensar este problema consistiría en aumentar la distancia vertical entre el colector solar y la torre de destilación, modificación que incrementaría el flujo de agua y, por ende, también la eficiencia del colector.
| 22/12/2018 (agua potable) | |
| Radiación total diaria | 5436.63 Wh/m2 |
| Energía entregada por el colector (Importar imagen= 1.76 m2) | 3031.779 Wh |
| Eficiencia del colector | 31.68 % |
| Destilado producido | 5.97 L |
| Destilado/área del colector | 3.4 L/m2 |
| COP | 2.24 |
| GOR | 1.3 |
La Tabla 4 muestra los datos de radiación solar, destilado producido, COP y GOR para todos los días de pruebas al desalinizador con agua potable. Los valores de COP y GOR se mantuvieron relativamente constantes durante todas las pruebas. Un COP promedio de 2.17 muestra que el proceso de recuperación de calor en la torre de destilación es muy efectivo. Por ejemplo, si el destilador tuviera una sola etapa la producción de agua probablemente se reduciría a la mitad. El GOR promedio es de 1.24, un valor muy bajo en comparación con el GOR del prototipo desarrollado por Schwarzer et al. (2009) que varía entre 2.8 y 3.5 con un destilador de 5 y 7 etapas, respectivamente. Aunque el equipo de la presente investigación tiene menos etapas y un colector solar de menor eficiencia no debería existir una diferencia tan significativa en el GOR. La gran inercia térmica del equipo, con cerca de 30 litros de agua en cada depósito puede ser una de las principales razones de que el GOR obtenido sea tan bajo, ya que una cantidad considerable de energía se destina únicamente a elevar la temperatura del agua. Esto es más evidente en el depósito principal, en el que a pesar de que la temperatura del agua a las 17:00 puede alcanzar los 58 °C la producción de destilado es mínima después de esa hora, desperdiciándose prácticamente toda la energía almacenada a esa temperatura.
| Fecha | Radiación solar diaria (Wh/m2) | Agua destilada D. principal (kg) | Agua destiladaTotal (kg) | COP | GOR |
| 21/12/2018 | 6310.59 | 3.093 | 6.451 | 2.09 | 1.22 |
| 22/12/2018 | 5436.63 | 2.665 | 5.967 | 2.24 | 1.30 |
| 03/01/2019 | 3587.37 | 1.557 | 3.540 | 2.27 | 1.17 |
| 16/01/2019 | 5056.02 | 2.574 | 5.351 | 2.08 | 1.26 |
| Promedio | 2.17 | 1.24 | |||
Con la finalidad de conocer el efecto sobre su desempeño, el equipo funcionó 48 horas con agua salina. El líquido se preparó con agua potable y 3.6 % en peso de sal en grano, porcentaje equivalente a la salinidad promedio del agua de mar (El-Dessouky y Ettouney, 2002). El COP, GOR y destilado producido se redujeron en casi el 20 % respecto al uso de agua potable. Estos resultados son similares a los obtenidos por Reddy et al. (2012), quienes al utilizar agua salina en un desalinizador de múltiples etapas con operación por difusión observaron una disminución de aproximadamente el 20 % en el destilado producido.
El GOR y la radiación solar son los principales parámetros que permiten determinar la producción de agua que tendría el desalinizador solar en un lugar diferente al sitio de estudio (Quito), vale mencionar que la temperatura ambiente y la presión atmosférica tienen un papel secundario. Bajo este criterio, y tomando en cuenta el efecto del agua salina en el desempeño del equipo, la Figura 6 muestra la radiación solar y la producción diaria promedio que tendría el prototipo a lo largo del año en Puerto Ayora, la ciudad más poblada de las Islas Galápagos. Los valores de radiación total promedio sobre una superficie horizontal se obtuvieron de NASA Langley Research Center (2020) para un periodo de 2 años (2018-2019). La radiación diaria media mensual es alta durante todo el año, superando en todos meses los 5 kWh/m./día, lo que favorece la aplicación de la desalinización solar como medio complementario para satisfacer las demandas de agua potable en esta localidad. El destilado diario promedio a lo largo del año oscila entre los 4.3 y 5.8 kg —es decir, 2.44 y 3.29 L/m. de área del colector— cantidad relativamente pequeña, tan sólo un poco superior a la producción de un destilador solar de batea convencional. Por este motivo, se utilizó la simulación del desalinizador para analizar modificaciones que permitan mejorar su desempeño e incrementar la producción de agua.
En la simulación se usaron las constantes C, n, C1 y n1 evaluadas experimentalmente, con la particularidad de que en el segundo depósito, al no disponerse de las mismas, se aplicaron las constantes del primer depósito. La producción total del desalinizador solar en el día 22 de diciembre de 2018 fue de 5.97 kg, mientras que la masa calculada por la simulación fue de 6.43 kg, con una diferencia del 7.7 % entre ambos resultados. Existe una buena aproximación entre los datos experimentales y la simulación pese a que se tuvo una mayor incertidumbre al calcular la energía entregada por el colector solar sin su curva de eficiencia.

Al correr la simulación con las constantes utilizadas por Dunkle (C = 0.075 y n = 1/3) en todos los depósitos el destilado acumulado fue de 5.65 litros, con una diferencia del -5.2 % con los datos experimentales. Este resultado indica que la simulación corrige significativamente el error cuando se utilizan las constantes propuestas por Dunkle. Una posible explicación de este fenómeno consiste en que el uso de los coeficientes de Dunkle ocasionarían una reducción anormal de los flujos de calor por evaporación, lo que a su vez provocaría un aumento en la temperatura del agua en los depósitos, incrementándose la tasa de producción de agua y compensándose el error.
En la Figura 7 se muestra la simulación de la temperatura del agua en cada depósito del desalinizador para un periodo de 24 horas de operación. Los perfiles de temperatura del depósito principal concuerdan muy bien con los datos experimentales con una diferencia máxima de 1.6 °C. En el primer depósito ocurre algo similar con una variación máxima de 1.7 °C entre las temperaturas de la simulación y los valores experimentales. En el segundo depósito la concordancia con los datos experimentales es menos exacta y aunque la diferencia no supera los 1.5 °C se mantiene cercana a este valor durante casi las 10 primeras horas de simulación. Este comportamiento puede deberse a que en la simulación se usaron las constantes C1 y n1, tanto para el primer y segundo depósitos.

La Figura 8 indica los resultados experimentales y de la simulación sobre la variación horaria del destilado acumulado en cada depósito. Debido a que no se realizaron mediciones después de las 17:00 únicamente se muestran los datos obtenidos desde las 9:00 hasta 17:00 (8 horas). En el depósito principal y primer depósito la simulación predice muy bien la variación en el tiempo de la masa de destilado acumulado. Hasta las 17:00 el error generado por la simulación respecto a los datos experimentales fue del 3 % y -3.5 % en el depósito principal y primer depósito, respectivamente. La simulación es menos exacta para el segundo depósito en el que hasta las 17:00 el error es del -12.3 %.
Esta disminución en la exactitud podría deberse al uso de las constantes C1 y n1 en este depósito o a la baja producción de agua en ese intervalo de tiempo. Con los resultados de la simulación para un día completo de operación (22/12/2018) se calculó el COP y el GOR, obteniéndose
.

De acuerdo a la Tabla 4 el COP y el GOR calculados a partir de los datos experimentales (22/12/2018) son iguales a 2.24 y 1.3, respectivamente. La correspondencia entre resultados de la simulación y los valores experimentales es satisfactoria, con diferencias de únicamente el –4 % para el COP y de 7.7 % para el GOR. Una vez comprobada la validez de la simulación esta se utilizó para el análisis de modificaciones al desalinizador que permitan optimizar la producción de agua. Las mejoras que fueron estudiadas son:
· Sustituir el colector solar plano por un colector de tubos al vacío, equipo más eficiente especialmente con bajos niveles de radiación solar y elevadas temperaturas de operación.
· Incrementar el número de etapas en la torre de destilación, mejorando el proceso de recuperación de calor.
· Disminuir la masa de agua en la torre de destilación mediante el uso de depósitos en forma de V invertida. Con esta modificación la masa total de agua disminuye casi a la mitad. La reducción de la inercia térmica del equipo tendrá un efecto significativo en su desempeño, particularmente en el depósito principal en el que se presentan las temperaturas más elevadas.
En el análisis de mejoras mediante la simulación se usarán las constantes Ci y ni obtenidas experimentalmente con el prototipo de 3 etapas.
Para el depósito principal, C = 0.0273 y n = 0.4156.
Para el resto de depósitos, C1 = 0.07056 y n1 = 0.3615.
Las mejoras o modificaciones propuestas tendrían como efecto una variación de las constantes Ci y ni en cada depósito, debiéndose encontrar su valor de forma experimental.
Sin embargo, como ya se explicó, la simulación corrige en gran medida el error ocasionado al utilizar unas constantes Ci y ni no evaluadas experimentalmente.
Mediante la simulación se determinó que el número óptimo de etapas en la torre de destilación es de 5, ya que, con valores superiores el aumento en la producción de agua destilada es mínimo (Figura 9). Esto es válido para el diseño original y el optimizado con todas las mejoras. Con las modificaciones propuestas, pero utilizándose el colector solar plano, se alcanzó un incremento máximo del 38 % en la producción del desalinizador. Si adicionalmente se utilizan colectores de tubos al vacío la masa de agua destilada generada podría elevarse hasta en un 107 %. Es decir, en Puerto Ayora se tendría una producción anual promedio de 8.9 a 12 kg/d (5.05 a 6.81 L/m2). Estos valores son casi dos veces superiores a la producción que tendría un destilador solar de batea convencional con la ventaja adicional de que el prototipo desarrollado se instalaría de una forma más simple y rápida, ocupando menos espacio.
El diseño modular del sistema y su simplicidad permiten incrementar el número de colectores solares acoplados a la torre de destilación de una forma rápida y sencilla, así como aumentar la cantidad de unidades instaladas, pudiéndose llegar a producir en caso de ser necesario más de 1 m. de agua destilada al día.

4. Conclusiones
En la actual investigación se desarrolló y probó un desalinizador solar de 3 etapas. El calor latente de condensación se recupera en cada etapa, incrementándose la producción de agua destilada sin el suministro adicional de energía. El prototipo se caracteriza por su modularidad, simplicidad y facilidad de mantenimiento. La relativamente baja producción de agua (4.3-5.8 L/d) es un indicativo de que existen algunos aspectos del prototipo que pueden mejorarse. Entre los que se incluyen: el incremento del número de etapas, la reducción de la masa de agua dentro de la torre de destilación y el reemplazo del colector solar plano por un colector de tubos al vacío de mayor eficiencia.
La costa del Ecuador y las islas Galápagos presentan condiciones favorables para la implementación de la desalinización solar térmica. La escasez de agua dulce, el aislamiento geográfico y los elevados niveles de radiación solar hacen particularmente de Galápagos un lugar muy propicio para el desarrollo de esta tecnología. En Puerto Ayora, la ciudad más poblada de Galápagos, el prototipo tendría una producción diaria promedio de entre 4.3 y 5.8 litros de agua a lo largo del año.
Respecto al uso de las constantes propuestas por Dunkle la exactitud al predecir la producción del desalinizador solar aumenta considerablemente con la obtención experimental de las constantes Ci y ni.
No obstante, en la simulación del prototipo, tanto las constantes obtenidas experimentalmente, así como las propuestas por Dunkle, proporcionaron buenos resultados. Los datos de temperatura y destilado producido obtenidos con la simulación tienen muy buena concordancia con los datos experimentales. Esto fue posible gracias a un adecuado modelo matemático del sistema, a la precisa evaluación de las propiedades termofísicas del agua y el aire, a una correcta metodología de cálculo de la energía entregada por el colector solar y al conocimiento de todas las variables meteorológicas necesarias para efectuar la simulación.
El análisis de mejoras al desalinizador por medio de la simulación mostró que la producción total de agua, el COP y el GOR pueden incrementarse un 38, 40 y 50 %, respectivamente. Si adicionalmente se utiliza un colector de tubos al vacío la producción por cada metro cuadrado de colector (L/m.) puede aumentar en un 107 %. Para el desalinizador solar que opera con un colector plano o con un panel de tubos al vacío la simulación determinó que el número óptimo de etapas en la torre de destilación es de 5. Con las mejoras propuestas el prototipo tendría una producción de agua casi 2 veces superior a la de un destilador solar de batea convencional, siendo más fácil de instalar y ocupando la mitad de espacio.
Referencias
Abdullah, A. S., et al. (2020). Improving the trays solar still performance using reflectors and phase change material with nanoparticles. Journal of Energy Storage, 31: 101744. https://doi.org/https://doi.org/10.1016/j.est.2020.101744
Al-Mutaz, I. S., y Wazeer, I. (2014). Comparative performance evaluation of conventional multi-effect evaporation desalination processes. Applied Thermal Engineering, 73(1): 1194-1203. https://doi.org/https://doi.org/10.1016/j.applthermaleng.2014.09.025
Buckalew, J. O., James, M., Scott, L., y Reed, P. (1998). Water resources assessment of Ecuador. US Army Corp of Engineers, Mobile District and Topographic Engineering Center.
Cando, A. X. A., Sarzosa, W. Q., y Toapanta, L. F. (2020). CFD Analysis of a solar flat plate collector with different cross sections. Enfoque UTE, 11(2): 95-108. https://doi.org/https://doi.org/10.29019/enfoque.v11n2.601
Duffie, J. A., y Beckman, W. A. (2013). Solar engineering of thermal processes. John Wiley & Sons.
Dunkle, R. V. (1961). Solar water distillation: the roof type still and a multiple effect diffusion still, International Developments of Heat Transfer, ASME. In Proceedings of International Heat Transfer, University of Colorado, 8(5): 895
El-Dessouky, H. T., y Ettouney, H. M. (2002). Fundamentals of Salt Water Desalination. Elsevier Science.
Feilizadeh, M., et al. (2015). Year-round outdoor experiments on a multi-stage active solar still with different numbers of solar collectors. Applied Energy, 152: 39-46. https://doi.org/https://doi.org/10.1016/j.apenergy.2015.04.084
Kalogirou, S. A. (2014). Solar energy engineering: processes and systems (Second). Academic Press.
NASA Langley Research Center. (2020). POWER Data Access Viewer. NASA Langley Research Center. https://power.larc.nasa.gov/data-access-viewer/
Parsa, S. M., et al. (2020). First approach on nanofluid-based solar still in high altitude for water desalination and solar water disinfection (SODIS). Desalination, 491: 114592. https://doi.org/https://doi.org/10.1016/j.desal.2020.114592
Rahbar, N., y Esfahani, J. A. (2013). Productivity estimation of a single-slope solar still: Theoretical and numerical analysis. Energy, 49: 289-297. https://doi.org/https://doi.org/10.1016/j.energy.2012.10.023
Reddy, K. S., et al. (2012). Performance analysis of an evacuated multi-stage solar water desalination system. Desalination, 288: 80-92. https://doi.org/https://doi.org/10.1016/j.desal.2011.12.016
Reddy, K. S., & Sharon, H. (2016). Active multi-effect vertical solar still: Mathematical modeling, performance investigation and enviro-economic analyses. Desalination, 395: 99-120. https://doi.org/https://doi.org/10.1016/j.desal.2016.05.027
Sampathkumar, K., Arjunan, T. V, Pitchandi, P., y Senthilkumar, P. (2010). Active solar distillation. A detailed review. Renewable and Sustainable Energy Reviews, 14(6): 1503-1526. https://doi.org/https://doi.org/10.1016/j.rser.2010.01.023
Schwarzer, K., da Silva, E. V., Hoffschmidt, B., y Schwarzer, T. (2009). A new solar desalination system with heat recovery for decentralised drinking water production. Desalination, 248(1–3): 204-211. https://doi.org/https://doi.org/10.1016/j.desal.2008.05.056
Schwarzer, K., da Silva, M. E. V., y Schwarzer, T. (2011). Field results in Namibia and Brazil of the new solar desalination system for decentralised drinking water production. Desalination and Water Treatment, 31(1-3): 379-386. https://doi.org/https://doi.org/10.5004/dwt.2011.2339
Secretaría del Agua (SENAGUA). (2017). Boletín de la estadística sectorial del agua.
Soliman, H. S. (1976). Solar still coupled with a solar water heater. Mosul University, Mosul, Iraq, 43.
Tiwari, G. N., y Sahota, L. (2017). Advanced Solar-Distillation Systems: Basic Principles, Thermal Modeling and Its Application (First). Springer. https://doi.org/https://doi.org/10.1007/978-981-10-4672-8
Tiwari, G. N., y Tiwari, A. K. (2008). Solar distillation practice for water desalination systems. Anshan Pub.
Xue, Y., Du, X., Ge, Z., y Yang, L. (2018). Study on multi-effect distillation of seawater with low-grade heat utilization of thermal power generating unit. Applied Thermal Engineering, 141: 589-599. https://doi.org/https://doi.org/10.1016/j.applthermaleng.2018.05.129