Diseño de una Caja Caliente bajo la norma ASTM C 1363
Diseño de una Caja Caliente bajo la norma ASTM C 1363
Revista Ciencia Unemi, vol. 9, núm. 21, pp. 83-96, 2016
Universidad Estatal de Milagro

Recepción: 02 Agosto 2015
Aprobación: 17 Octubre 2016
Resumen: En este trabajo se presenta el diseño de una caja caliente, con un área transversal de 3,5 m. x 3,5 m, para determinar el coeficiente de transmisión de calor de puertas y ventanas, bajo la norma ASTM 1363. Para diseñarla se seleccionaron las normas pertinentes y definieron las condiciones atmosféricas específicas a las que va a estar sometida en su vida útil, evaluándose también el desarrollo de nuevos materiales. El banco de prueba consta de tres secciones principales: lado caliente, lado frío y porta probeta. Tiene paredes aislantes con su estructura de acero, la cual está provista de ruedas para facilitar la instalación y montaje de los diferentes tipos de probetas como de los instrumentos de medición. Con la finalidad de mantener estable la temperatura del aire y los coeficientes de trasferencia de calor, se mantienen las secciones selladas con tiras de caucho y bajo presión, para que el flujo térmico o las pérdidas de calor, sean mínimas. Se midió la temperatura mediante termocuplas, en donde la ubicación y tolerancia de dichos instrumentos están en función de la norma ASTM C1363. Adicionalmente se realizaron, planos del equipo, esquema del sistema de adquisición de datos, estimación de costo y elaboración del cronograma de montaje.
Palabras clave: banco de prueba, caja caliente, caja fría, calefacción, coeficiente de transferencia, refrigeración, termocuplas.
Abstract: This paper presents the design of a hot box with a cross sectional area of 3.5 m. x 3.5 m, to determine the heat transfer coefficient of windows and doors, under the ASTM 1363. For the design, the relevant standards were selected and defined specific atmospheric conditions to which it will be subjected in its useful life, evaluating as well the development of new materials. The test bench consists of three main sections: hot side, cold side and specimen holder. It has insulating walls with steel structure, which is provided with wheels for easy installation and assembly of different types of specimens as measuring instruments. In order to maintain stable air temperature and heat transfer coefficients, the sealed sections with rubber strips are maintained under pressure so that the heat flow or heat losses are minimal. Temperature was measured using thermocouples, where the location and tolerance of such instruments are based on ASTM C1363 standard. Additionally, drawings of equipment, system layout of data acquisition, processing cost estimate and schedule assembly were held.
Keywords: test bench, Hot Box, cold box, heating, transfer coefficient, refrigeration, thermocouples.
I. INTRODUCCIÓN
La transformación que ha vivido Ecuador en estos últimos años es consecuencia de priorizar las propuestas del cambio de la matriz productiva y energética, en donde prima la visión de la soberanía, protección ambiental y sostenibilidad. Con la aplicación de las nuevas políticas públicas para el sector energético, se busca trabajar en el cambio y mejora de los beneficios sociales, garantizando el servicio a los ciudadanos y su calidad de vida. La protección al medio ambiente conlleva la implementación de materiales, equipos y sistemas de energía más eficientes que no alteren el sistema ecológico o disminuyen significativamente el impacto ambiental.
La eficiencia energética tiene como objetivo reducir el consumo de energía y como resultado, observar una relación directa con la economía familiar, ya que estas mejoras contribuyen a la eficiencia y al ahorro (Carrillo et al, 2014). La mayoría de los hogares en Ecuador tiene acondicionadores de aire, dado la necesidad de alcanzar condiciones de confort (Carrier Air Conditioning Co., 2009). Éste como cualquier sistema de refrigeración siempre tendrá pérdidas de calor. Con dichas pérdidas se hace referencia a las puertas y ventanas que se encuentran en todo domicilio, no al rendimiento que pudiera tener el equipo.
Para minimizar las pérdidas, que se reflejan en el consumo de energía eléctrica y el tiempo de vida útil menor a lo estimado, es obligatorio y transcendental la necesidad de investigar y realizar pruebas experimentales de la resistencia térmica de los materiales, mejorando el aislamiento térmico para prevenir la transferencia de calor hacia adentro y fuera de los hogares (INEN, 1984). Por lo tanto, queda claro que la reducción de estas pérdidas va en virtud del cambio de la matriz energética. Con esto se logra disminuir las necesidades del acondicionador de aire y consecuentemente los costos de: consumos energéticos y mantenimiento para lograr las condiciones de confort.
Entre los proyectos que tiene la Escuela Superior Politécnica del Litoral (ESPOL), a través del Laboratorio de Ensayos Térmicos y Eficiencia Energética (LABET), está la construcción de un aparato llamado Caja Caliente, que estará ubicado dentro de sus instalaciones; será utilizado en el futuro para brindar servicios a la industria. Con este aparato se puede determinar las propiedades térmicas de materiales de construcción con la finalidad de encontrar materiales que lleven a un mayor ahorro y eficiencia energética.
Como metodología para desarrollo de este artículo es de vital importancia contar con estándares o normas que involucren el diseño de cajas calientes, existen varias organizaciones internacionales como ASTM (American Society for Testing and Materials), ISO (International Organization for Standardization), ANSI (American National Standards Institute), y nacionales como INEN (Servicio Ecuatoriano de Normalización). Se definirán todas las variables que van a estar inmersas en los cálculos y resultados.
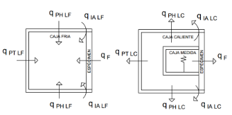
A continuación, las principales secciones serán detalladas. Caja Caliente es un aparato diseñado para determinar el coeficiente de transmisión de calor y resistencia térmica de paneles de construcción (ASTM, 2011), (INEN, 2014), (ISO, 2010). Su funcionamiento se basa en mantener una diferencia de temperatura sobre ambas caras del espécimen, con propiedades térmicas conocidas, y a través del mismo permitir el paso de un flujo de calor constante. Existen dos métodos para la determinación de estas variables: calibrada y guardada. En la calibrada, la caja de medida tiene dimensiones iguales o mayores a las del espécimen, la cual cubre toda la sección del lado caliente. Ver imagen superior de la Figura 1. En la guardada, la caja de medida es menor que las dimensiones del elemento de construcción, esta se encuentra dentro de la sección de lado caliente. Ver la imagen inferior de la Figura 1.
La principal diferencia con la caja caliente calibrada se muestra en la caja de medida, que se encuentra dentro de la caja caliente y desde donde la fuente de calor genera flujo térmico hacia el espécimen. También se observan las principales pérdidas de calor en el aparato.

En la Figura 2 se presenta un esquema del aparato Caja Caliente, en donde se ilustran sus partes principales. Dibujo realizado bajo el código de Dibujo Técnico CPE INEN 003 (INEN, 1989).

II. DESARROLLO
1. Metodología
En la Figura 3 se presenta un diagrama de la metodología empleada para el diseño.

1.1 Estudio de alternativas
El diseño de la caja caliente se basa en la norma ASTM C1363, que cuenta con dos métodos. A continuación se presentan en la Tabla 1 las ventajas y desventajas de cada tipo de caja caliente.
| Tipo de Caja Caliente | Ventajas | Desventajas |
| Caja Caliente Guardada | Mayor exactitud en los datos obtenidos. Minimiza el intercambio de calor directo desde la caja de medida hacia el ambiente. Disminuye el flujo de calor lateral de la probeta. Potencia calorífica dirigida directamente hacia el espécimen. | Costo elevado. Sistema de Control que demanda una mayor complejidad. Mayor número de equipos dentro de la zona caliente. |
| Caja Caliente Calibrada | Rápido ensamble en cada ensayo a realizar. Sistema de calefacción simple. Menos equipos dentro de la zona caliente, por lo tanto, menor calor aportado por equipos adicionales. | Pérdida de calor de la caja de medida hacia el medio externo o ambiente. Potencia calorífica no unidireccional hacia el espécimen. Mayor pérdida lateral de calor |
Conocidas las ventajas y desventajas de cada método de caja caliente, se realiza la selección de la mejor alternativa mediante el método ponderado. Para esto, se elabora una Matriz de criterios, Tabla 2, y una Matriz de decisión, Tabla 3, con las variables más influyentes, las cuales son: precisión, costo, disponibilidad local, confiabilidad, manufacturabilidad, utilidad y operatividad, propiedades térmicas, y mantenimiento (Budynas & Nisbett, 2008). En este método cada una de las variables es comparada con las demás. A la variable más significativa se le asigna el valor de 1, si es igual 0,5 y a la de menor importancia 0. En la última columna de la Tabla 2 se presenta la ponderación de cada variable con respecto a la unidad.
| MATRIZ DE CRITERIOS | Precisión | Costo | Disponibilidad Local | Confiabilidad | Manufacturabilidad | Utilidad | Operatividad | Propiedades Térmicas | Mantenimiento | Ponderación | |
| Precisión | x | 1,0 | 0,0 | 0,5 | 1,0 | 1,0 | 0,5 | 0,5 | 1,0 | 6,5 | 0,14 |
| Costo | x | 1,0 | 0,0 | 1,0 | 1,0 | 0,0 | 0,0 | 1,0 | 5,0 | 0,11 | |
| Disponibilidad Local | x | 1,0 | 1,0 | 1,0 | 1,0 | 1,0 | 1,0 | 8,0 | 0,18 | ||
| Confiabilidad | x | 1,0 | 1,0 | 0,5 | 0,5 | 1,0 | 6,5 | 0,14 | |||
| Manufacturabilidad | x | 1,0 | 0,0 | 0,0 | 1,0 | 3,0 | 0,07 | ||||
| Utilidad | x | 0,0 | 0,0 | 0,0 | 1,0 | 0,02 | |||||
| Operatividad | x | 0,0 | 1,0 | 6,0 | 0,13 | ||||||
| Propiedades Térmicas | x | 1,0 | 7,0 | 0,16 | |||||||
| Mantenimiento | x | 2,0 | 0,04 | ||||||||
| 45,0 | 1,00 |
En la calificación de las variables se mantuvo una postura de preferencia a la disponibilidad local, ya que esto reduce el tiempo de ensamble del aparato, importación, movilidad de equipos, etc. Otra de las razones fue la asistencia técnica por parte de los proveedores y la facilidad de adquirir equipos de repuestos. Se consideró de mucha importancia el aislamiento térmico, dado que la generación e intercambio de calor con el medio ambiente se reducen al mínimo. Los errores en la toma de datos o lecturas, ya sean humanos o sistemáticos, también se redujeron al mínimo posible. Una vez obtenidos los valores de ponderación se procedió a la calificación basada en el nivel de importancia de dicha variable, en cada diseño. Siendo 100 “Importante”, 50 “Indiferente” y 0 “No importante”. Se plasmaron los resultados sobre 100, de los dos tipos, calibrada y guardada. Ver Tabla 3.
| MATRÍZ DE DECISIONES | Precisión | Costo | Disponibilidad Local | Confiabilidad | Manufacturabilidad | Utilidad | Operatividad | Propiedades Térmicas | Mantenimiento | TOTAL |
| Caja Caliente Calibrada | 7,0 | 11,0 | 18,0 | 7,0 | 7,0 | 0,0 | 13,0 | 0,0 | 5,0 | 68,0 |
| Caja Caliente Guardada | 14,0 | 5,5 | 18,0 | 14,0 | 3,5 | 1,0 | 13,0 | 16,0 | 2,5 | 87,5 |
Se concluyó que el tipo de caja caliente que se implementará será la Guardada, porque obtuvo puntuación mayor que la Calibrada
1.2 Diagrama P&ID y Diseño de forma
Los símbolos asignados por la norma (ANSI/ISA, 1992) son aplicables para toda clase de procesos de medición y control, también sirven para describir sus funciones en el banco de prueba. En la Figura 4 se muestra el proceso de control con sus equipos y dispositivos de instrumentación, necesarios para el ensayo. La identificación de los diferentes elementos se da de acuerdo a las primeras letras de la variable de medición: T = Temperatura, P = Presión, S = Velocidad de Aire, M = Humedad Relativa, J = Potencia. La segunda letra señala la lectura de salida: R= Registra los valores, I= Indica el valor, por lo general mediante un dispositivo LED.

En la caja caliente se encuentran el calentador eléctrico y el ventilador, con su respectivo medidor de potencia (JR-001), y medidor de presión al final del ducto (PR-001). La caja de medida también cuenta con su respectivo calentador eléctrico, ventilador axial y ventiladores de computadora, para la circulación del aire, además tiene un bafle o deflector de aire, donde se instalarán medidores de potencia y medidor de velocidad del aire (JR-002 a JR-003; SR-001). En el espécimen se instalarán 64 termocuplas en la parte de la caja caliente (TR-001 a TR-064), ver sección derecha de la Figura 4.
En la caja fría se encuentran el serpentín de enfriamiento y el ventilador con sus respectivos medidores, de potencia (JR-004) y presión (PR-002), al final del ducto. En el interior se hallan ventiladores y el bafle o deflector de aire. Finalmente, en el espécimen se instalarán las últimas 64 termocuplas en la parte de la caja fría (TR-065 a TR-128), ver sección izquierda de la Figura 4.
1.3 Parámetros generales del proceso
De acuerdo a criterios y recomendaciones de la norma ASTM C 1363, se asume lo siguiente:
Tamaño del aparato: el tamaño del aparato debe ser dimensionado en función del tipo de especímenes para la prueba. Dimensiones típicas de altura para la caja caliente son de 2.5 a 3 m con un ancho igual o mayor. El piso y el techo hasta 4 a 6 m de altura. Nunca deben ser las pérdidas mayores o iguales al 10% de la transferencia de calor del espécimen.
Caja de medida: el tamaño mínimo del área de medida es 3 veces el cuadrado del espesor del espécimen o 1 . Nunca deben ser las pérdidas mayores o iguales al 10% de la transferencia de calor del espécimen. La resistencia térmica de las paredes de la caja de medición debe ser mayor que 0.83 . La incertidumbre de la corrección de las pérdidas de las paredes de la caja de medición a la transferencia de calor neto, no debe exceder el 0.5 % del flujo de calor neto a través del espécimen. Todas las superficies que intercambien radiación con el espécimen deben tener una emitancia hemisférica mayor que 0.8.
La transferencia de calor a través de la caja de medida debe ser uniforme para que el número limitado de transductores de flujo de calor, o termopares diferenciales, puedan ser usados para caracterizar el flujo de calor para cada área representativa. Los miembros estructurales no deben ir sin sus respectivos aislamientos. Se deben evitar puentes térmicos, grietas estructurales, agujeros de aislamientos, fugas de aire y lugares localizados de calor dentro de las paredes de la caja de medición. Debe existir un sello hermético entre las paredes de la caja de medida y el espécimen, en aplicaciones donde hagan contacto y tener un ancho máximo de 13 mm, medido paralelamente a la superficie plana del espécimen.
Caja fría: cámara de cinco lados con dimensiones internas iguales o mayores que la caja de medida. Debe tener suficiente espacio para contener los equipos de refrigeración y circulación del aire, aislarla para reducir la potencia del equipo de refrigeración y prevenir la condensación externa de las paredes de la cámara. Los calentadores, ventiladores y equipos de refrigeración hay que ubicarlos detrás de los deflectores de aire, para mantener la uniformidad radiante de la superficie del espécimen. Es necesario que las superficies internas cumplan con los requerimientos mínimos de transductores de flujo de calor y los miembros estructurales posean sus respectivos aislamientos térmicos, como lo estipulado en la caja de medida.
Marco del espécimen: el espesor de la pared del marco del espécimen, debe ser al menos igual a las paredes de la caja de medida o 100 mm, cualquiera de ellos que sea el mayor. Las condiciones específicas del flujo del aire son establecidas por los requerimientos específicos del material a ser probado.
Circulación del aire: la velocidad del aire debe estar por debajo de 0.5 m/s, si las condiciones convectivas naturales entre el aire y el espécimen son aproximadas, con un flujo de aire forzado para mantener el control de la temperatura. Una velocidad aproximada de 0.3 m/s ha sido probada satisfactoriamente, para una prueba de pared de 3 m de altura. Para propósitos de ensayo, la cortina de velocidad del aire debe estar alejada 75 mm de la superficie central del espécimen, en la dirección del flujo de aire. Para resultados más uniformes, la máxima variación entre punto y punto de la temperatura del aire a través del panel de la prueba, medida perpendicular a la dirección del flujo del aire al centro del panel de prueba, debe ser menos que el 2 % del aire total a la diferencia de la temperatura, o 2 K, cualquiera que sea la mayor. Los deflectores de aire deben tener una resistencia térmica de 1 , una distancia respecto al espécimen de 140 a 200 mm y una emitancia mayor a 0.8.
Humedad: el lado cálido debe tener una humedad relativa por debajo del 15% o el laboratorio debe verificar el punto de rocío de la caja de medida que esté a 2 °C menos, que la mínima temperatura de superficie del espécimen, en el lado correspondiente a la caja de medida.
Instrumentación: las lecturas de la temperatura deben ser leídas con ± 0.05 K, y con una exactitud de ± 0.5 K. La exactitud en la lectura debe ser ± 5 % respecto a la velocidad del aire. Los diferenciales de presión deben tener una exactitud de ± 5% de la lectura, o ± 1 Pa, sea cual sea la mayor. El promedio de la potencia total de la caja de medida debe tener una variación de ± 0.5 %. Los controladores de temperatura del ensayo en estado estable, deben ser capaces de controlar temperaturas constantes a ± 0.25 K.
1.4 Especímenes
A continuación, se detalla cada uno de los especímenes a estudiar, con sus respectivas normas.
Puerta: en la Figura 5 se muestra un esquema de la vista superior y lateral de una puerta de madera en la cual se señala las partes principales, como son: holgura de la hoja, holgura de marco, ancho de la hoja y espesor de marco. Las medidas de estas variables fueron seleccionadas de la norma NTE INEN 1995 (INEN, 2015), y son presentadas en la Tabla 4.

| Tipo de Puerta | Ancho | ||||||
| Ancho de la Hoja | Espesor del Marco | Ancho del Marco | Holgura | ||||
| Media del Proyecto | Marco | Hoja | Real Máx. | Real min. | |||
| mm | mm | mm | mm | mm | mm | mm | |
| 12 | 1125 | 25 | 1180 | 20 | 4 | 7 | 1 |
| Tipo de Puerta | Altura | ||||||
| Ancho modular del vano | Medida del Proyecto | Espesor del marco | Holgura Superior | Holgura Inferior | Altura Modular | ||
| mm | mm | mm | mm | mm | mm | ||
| 12 | 1200 | 2067 | 20 | 3 | 10 | 2100 | |
Ventana: acorde con la norma GPE INEN 011 (INEN, 1987), en la Figura 6 se muestra un esquema representativo de la vista superior y lateral de una ventana, las variables y los valores son presentados en la Tabla 5.

| Medida nominal horizontal | 12M | Medida nominal vertical | 8M |
| Medida de fabricación exterior de los marcos (-2 cm) | 1180 | Medida de fabricación exterior de los marcos | 780 |
| Espesor mínimo de los marcos | 25-20-25 | Espesor mínimo de los Marcos | 25 - 25 |
| Medida entre ranuras y ranura preferible (15 mm) | 555 | Medida entre ranuras y ranura preferible (15 mm) | 730 |
| Medida de vidrios o ventanas móviles | 550 | Medida de vidrios o ventanas móviles | 725 |
| Anchura mínima de los marcos para ventanas móviles | 40-40 | Anchura mínima de marcos para ventanas móviles | 40-40 |
| Medida entre ranuras de partes móviles | 470 | Medida entre ranuras de partes móviles | 645 |
| Medida de vidrios de partes móviles | 465 | Medida de vidrios de partes móviles | 640 |
Cargas Térmicas: en esta sección se presentarán los cálculos de las cargas térmicas a las que el aparato estará sometido. Para calcular la potencia que requieren los equipos se simularán las condiciones de ensayo tanto de día como de noche.
En la Tabla 6 se muestran las condiciones de ensayo tanto en el día como como en la noche, en la ciudad de Guayaquil, Ecuador, en donde se busca simular las condiciones climáticas de la serranía ecuatoriana, realizando el ensayo en esta ciudad costeña (INAMHI, 2015) .
| Variable / Ensayo | Nocturno | Diurno | ||
| Temperatura Exterior: | 24 | ºC | 29 | ºC |
| Humedad: | 53 | % | 85 | % |
| Temperatura Test Fría: | 10 | ºC | 20 | ºC |
| Temperatura Test Caliente: | 30 | ºC | 40 | ºC |
Luego se establecerán las dimensiones del aparato, Tabla 7, y los materiales con que estará construido, tomando en consideración lo disponible en el mercado local, por lo tanto, los valores de las propiedades de estos materiales serán aproximados, ver Tabla 8.
| Dimensiones Aparato | ||
| Alto | 4,00 | m |
| Largo | 2,26 | m |
| Ancho | 4,00 | m |
| Alto de Caja Medida | 2,60 | m |
| Ancho de Caja Medida | 2,60 | m |
| Largo de Caja Medida | 1,00 | m |
En la Tabla 8 se muestra los materiales que forman parte de las paredes térmicas, tanto de la caja caliente, caja fría y de la caja de medida y los especímenes de prueba. La pared térmica tiene forma de sándwich en donde las dos láminas externas son de acero y la interna es un material aislante.
| Propiedades | Aislante1 | Aislante2 | Aislante3 | Espécimen1 | Espécimen2 | ||
| Acero A36 | EPS | AceroA36 | Puerta | Ventana | |||
| Madera | Vidrio | Al | |||||
| Conductividad | 60,5 | 0,03 | 60,5 | 0,16 | 1,4 | 177 | |
| Espesor | 0,5 | 250 | 0,5 | 30 | 5 | 1 | |
Cargas Térmicas del lado frío y caliente
Para el cálculo se encontrará todo el flujo de calor que ingresa hacia la caja fría del aparato. En la Figura 7 se demuestran las principales pérdidas de calor en el lado frío, en el lado izquierdo se observa el flujo de calor en el lado frío (LF) y la figura de la derecha corresponde al lado caliente (LC). Para identificar las pérdidas de calor se etiquetó con la variable al calor perdido a través de las paredes horizontales, al calor perdido a través de las paredes traseras, a las pérdidas por infiltración del aire, al flujo de calor a través del espécimen y a las pérdidas de calor a través de las paredes verticales, que en la imagen no se demuestra, pero su dirección es entrando o saliendo del plano de la hoja según corresponda.

Pérdida de calor a través de paredes: es el flujo de calor total a través de las paredes y se expresa mediante la siguiente expresión:

Siendo el coeficiente global de transferencia de calor en las paredes, el área total de las paredes, la temperatura del medio ambiente y en el caso que el calor ingrese desde el medio ambienta hacia el lado frío o si se trata del lado caliente y el calor sale hacia el medio ambiente. La variable es inversamente proporcional a que es la resistencia térmica de los materiales que conforman las paredes.

Siendo como la suma de las resistencias convectivas y conductivas.

Las variables y corresponden al espesor del primer aislante y el coeficiente conductivo del primer aislante. Los subíndices 2 y 3 corresponden a los aislantes posteriores que conforman la pared. El valor de es el coeficiente convectivo entre el medio ambiente y la pared externa de la caja, es el coeficiente convectivo entre el flujo del aire y la pared interior del lado frío o es del lado caliente.
Ganancia de calor a través de la porta probeta: hacia el lado frío fluye calor constante desde el lado caliente. Este calor fluye distributivamente a lo largo de la sección transversal que abarca el espécimen y parte del aislante térmico usado para rellenar el espacio sobrante entre el espécimen y el borde de la porta probeta. El calor a través del espécimen viene dado bajo la siguiente expresión:

Siendo el coeficiente global de trasnferencia de calor del espécimen, el área del espécimen, la temperatura del lado caliente. El calor a través del aislante que rodea al espécimen está dado bajo la siguiente expresión:

Pérdida de calor por infiltración de aire: este calor aportado se da con el ingreso o sale del aparato a través del sistema de la ventilación y viene dada por la siguiente expresión:

Siendo el flujo volumétrico, la densidad del aire, la capacidad calorífica del aire. El cálculo de depende de las variables de velocidad y área transversal entre las juntas :

2. Resultados
Los resultados de los cálculos en las pérdidas de calor, tanto el lado caliente como en el frío, se presentan a continuación. Con el resultado se podrán dimensionar los equipos de refrigeración y de calefacción para el funcionamiento de la caja caliente.
Cargas Térmicas del lado frío y lado caliente
Las pérdidas de calor en el aparato son presentadas en la Tabla 9, en donde se destacan los dos ensayos y se mencionan sus resultados, tanto para el nocturno como para el diurno. Las variables de carga que se presentan en la Tabla 9 son detalladas en la Figura 7.
| Carga | Espécimen 1 | Espécimen 2 | Unidades | ||
| Nocturno | Diurno | Nocturno | Diurno | ||
| 1079,17 | 693,75 | 0,11 | 693,75 | ||
| 1079,17 | 693,75 | 1079,17 | 693,75 | ||
| 1913,41 | 1230,05 | 1079,17 | 1230,05 | ||
| 6230,09 | 4005,05 | 6230,09 | 4005,05 | ||
| 0,08 | 0,08 | 0,09 | 0,09 | ||
| 17,18 | 17,18 | 94,19 | 94,19 | ||
| 0,00 | 0,00 | 0,00 | 0,00 | ||
| 6247,35 | 4022,31 | 6324,37 | 4100,14 | ||
| 463,58 | 849,89 | 463,58 | 849,89 | ||
| 463,58 | 849,89 | 463,58 | 849,89 | ||
| 821,94 | 1506,90 | 821,94 | 1506,90 | ||
| 2676,26 | 4906,46 | 2676,26 | 4906,46 | ||
| 0,08 | 0,08 | 0,09 | 0,09 | ||
| 17,18 | 17,18 | 94,19 | 94,19 | ||
| 0,00 | 0,00 | 0,00 | 0,00 | ||
| 2693,52 | 4022,31 | 2770,54 | 5000,74 | ||
Los valores resaltados corresponden a la sumatoria y resultados finales del flujo de calor total primero del lado frío y luego del lado caliente. Las pérdidas por infiltración de aire son despreciadas, ya que las juntas entre las cajas y el espécimen estarán selladas con caucho y bajo presión. Para el dimensionamiento del sistema de refrigeración se escogerá la potencia mayor presentada en la Tabla 9. Por lo tanto, la potencia requerida para el sistema de refrigeración es de 6,4 . Para el dimensionamiento del sistema de calefacción se escogerá la potencia mayor presentada en la Tabla 9. La potencia requerida para el sistema de calefacción es de 5,0 .
3. Análisis de Costo
Los materiales, Tabla 10, y equipos, Tabla 11, son los rubros principales que pasarán por procesos de diseño, instalación y montaje, para la obtención de los elementos definitivos del banco de prueba.
| Ítem | Descripción | Cant. | Unid. | Precio unitario | Total |
| 1 | Plancha de Acero Galvanizado de 0.5 mm | 5 | u | 10,13 | $ 50,65 |
| 2 | Rollo Thermolon de 25 m | 10 | m | - | $ 107,18 |
| 6 | Bafles o deflectores de aire | 2 | u | 35 | $ 70,00 |
| 8 | Plywood | 2 | u | 25 | $ 50,00 |
| 9 | EPS | 10 | u | 25 | $ 250,00 |
| 10 | Foil | 10 | u | 25 | $ 250,00 |
| 11 | Perfiles, ángulos | 6 | u | 9,26 | $ 55,56 |
| IVA 12% | $ 100,01 | ||||
| TOTAL | $ 933,40 | ||||
| Ítem | Descripción | Proveedor | Cant. | Unid. | Precio unit. $ | Total $ |
| 1 | Unidad condensadora 5,5 hp r-22m/t 220v-3 danfoss | MEGAFRÍO S.A. | 1 | u | 3190 | 3.190,00 |
| 2 | Evaporador baja silueta a/t 220v (9x12") c/r saa622 mipal | MEGAFRÍO S.A. | 1 | m | 2635 | 2.635,00 |
| 3 | Controlador temperatura / humedad / sondas 115/220v marca full gauge mt-530 | MEGAFRÍO S.A. | 1 | u | 95 | 95,00 |
| 4 | Filtro pliegues 20"x20"x2" merv 11 std air care | MEGAFRÍO S.A. | 2 | u | 18 | 36,00 |
| 5 | Ventilador centrífugo cfp 160 soler & palau | MEGAFRÍO S.A. | 2 | u | 109,1 | 218,20 |
| 6 | Ventilador de pc 21.15 cfm | FROZENCPU | 8 | u | 8,99 | 71,92 |
| 7 | Ventilador de pc 32.1 cfm | FROZENCPU | 5 | u | 11 | 55,00 |
| 8 | Rejilla de retorno 10x10 blanca | MEGAFRÍO S.A. | 2 | u | 12 | 24,00 |
| 9 | Calentador eléctrico, idhc series | GREENHECK | 1 | u | 1000 | 1.000,00 |
| 10 | Bomba usa micro cilindro 2e diam 25x160 mm carr pivote | AINSA S.A. | 2 | u | 148,54 | 297,08 |
| 11 | Ainsair press compresor a piston 2 hp/6cfm/140psi/tanque 50i 110v/1f/60hz | AINSA S.A. | 1 | u | 858,17 | 858,17 |
| 12 | Emc unidad f/r/l 1/4" 175 psi mini | AINSA S.A. | 1 | u | 73,9 | 73,90 |
| 13 | Emc electroválvula 5/2 1/4" 110 vac monoestable | AINSA S.A. | 1 | u | 35,77 | 35,77 |
| 14 | Tubo de poliuretano 8 mm d ext | AINSA S.A. | 15 | u | 1,53 | 22,95 |
| 15 | Conector recto inst 8 mm x 1/4" | AINSA S.A. | 5 | u | 1,44 | 7,20 |
| 16 | Regulador de velocidad tipo banjo inst 8 mm x 1/8" | AINSA S.A. | 4 | u | 8,87 | 35,48 |
| 17 | Silenciador de bronce sinterizado 1/8" | AINSA S.A. | 2 | u | 2,61 | 5,22 |
| IVA 12% | $ 1.039,31 | |||||
| TOTAL | $ 9.700,20 | |||||
El costo total del proyecto es la suma de los costos directos con los costos indirectos, además a estos se les agrega el rubro de los imprevistos. Dichos valores se detallan en la Tabla 12.
| Costos directos | |
| Costos DAQ | $ 28.828,80 |
| Costos de Materiales | $ 933,40 |
| Costos de Equipos | $ 9.700,20 |
| Costo de Sensores | $ 3.991,68 |
| Costos de Construcción | $ 378,96 |
| Costos de Montaje e Instalación | $ 813,20 |
| Costos directo total | $ 44.646,23 |
| Costos indirectos | |
| Costos de Diseño | $ 1.800,00 |
| Costos de Transporte | $ 150,00 |
| Costos indirecto total | $ 1.950,00 |
| Imprevistos | $ 1.397,89 |
| Costo total del proyecto | $ 47.994,12 |
III. CONCLUSIONES
El diseño propuesto en el presente trabajo cumple con la norma ASTM C1363 “Standard Test Method for Thermal Performance of Building Materials and Envelope Assemblies by Means of a Hot Box Apparatus”, que describe los principios de diseño que debe cumplir cualquier tipo de caja caliente, con los requerimientos para la determinación del coeficiente de transferencia de calor global U como por ejemplo: el rango de temperatura de operación de la caja caliente observada en la Tabla 6, dimensiones de la principales partes de la caja caliente especificadas en la Tabla 7, flujos de calor esquematizados en la Figura 7. Además, se tiene una gran base de datos de la INAMHI, (Instituto Nacional de Meteorología e Hidrología), la cual demuestra que Guayaquil siempre se encuentra en índices de confort, de Alta Precaución a Peligro, demostrando la necesidad de sistemas de refrigeración y formas de mejorar el aislamiento térmico, por eso la necesidad de caracterizar el aislamiento térmico. Desarrollado con el propósito que puedan ser acoplados con facilidad para puertas y ventanas. Como resultado final, se obtiene planos de diseño para la construcción, equipos propuestos, y toda la información técnica necesaria para la ejecución del proyecto. Dentro de este punto, se incluye también un cronograma de montaje estimado, para la construcción del equipo.
– El sistema propuesto permitirá controlar el rango de temperatura de 10 a 40 º C durante los ensayos, esto de acuerdo al rango de temperaturas en el Ecuador. Ver Tabla 6. Con los equipos de instrumentación seleccionados se podrán obtener datos de gran exactitud, por consiguiente, tener menores incertidumbres en los resultados obtenidos.
– La implementación de este banco de pruebas tiene un costo de $ 47 994,12 lo que incluye costo de materiales, equipos, construcción, montaje y puesta en marcha, ver Tabla 12.
– Se obtuvo un procedimiento experimental, acorde a la norma ISO/IEC 17025 (ISO, 2005), donde se describe el ensamble, procedimiento de prueba y cálculos, con sus respectivas fórmulas para la obtención final de los resultados. Este procedimiento de prueba es importante para la posterior configuración del sistema de adquisición de datos y control.
Para futuros estudios será necesario realizar simulaciones detalladas de diferentes configuraciones de cajas calientes, tanto calibrada como guardada, y con esto realizar comparaciones entre los sistemas anteriormente mencionados, que conlleve a la construcción del modelo más óptimo.
Una vez construido el banco de prueba, se deberá iniciar los diferentes estudios para caracterizar por completo el diseño de la caja caliente, uno de estos es calibrar para cualquier transferencia de calor no deseada, que no circule a través del espécimen, desarrollando procedimientos de calibración. Comparar estas calibraciones con cálculo numérico, para determinar las pérdidas en las paredes de la caja de medición y probeta, esto se lo realiza siguiendo los requerimientos y guías para las mediciones en estado estable de la trasnmitancia térmica, correspondiente a la norma ASTM C1199 – 14 “Standard Test Method for Measuring the Steady-State Thermal Transmittance of Fenestration Systems Using Hot Box Methods” (ASTM, 2000).
El presente trabajo no engloba todas las configuraciones de caja caliente, se puede tomar como un modelo base para el desarrollo de futuros estudios y complementar el diseño actual con la construcción.
Referencias
Aranda Usón, A., Scarpellini, S., and Feijoó, M., (2003). Análisis de la eficiencia energética en la industria española y su potencial de ahorro. Economía Industrial, (352), 11-24
ANSI/ISA. (1992, julio 13). Instrumentation symbols and identification. Ansi/isa s5.1 1984. North Carolina, USA.
ASTM. (2000). Standard Test Method for Measuring the Steady-State Thermal Transmittance of Fenestration Systems using Hot Box Method. ASTM C 1999-00. USA.
ASTM. (2011). Standard Test Method for Thermal Perfomance of Building Materials and Envelope Assemblies by Means of a Hot Box Apparatus. C1363-11, 44. USA. Retrieved Abril 2015
Budynas, R., & Nisbett, J. K. (2008). Diseño en Ingenieria Mecanica de Shigley (8va ed.). Mexico D.F., Mexico: Mc Graw-Hill.
Carrier Air Conditioning Co. (2009). Manual de Aire Acondicionado. Barcelona, España: Marcombo S.A. Retrieved Diciembre 3, 2015
Carrillo-Rojas G., Andrade-Rodas J., Barragán-Escandón A. & Astudillo-AlemánA A. (2014). Impacto de programas de eficiencia energética eléctrica, estudio de caso: Empresas alimentarias en Cuenca, Ecuador.
Creus, A. (2010). Instrumentacion Industrial (8va ed.). Mexico: Akfaomega Grupo Editores S.A.
Frozencpu.com . (n.d.). Fans. Retrieved from http://www.frozencpu.com/cat/l1 /g36/Fans.html?id=rz6AMKn6
GOBERNA, R. (1992). Ventilacion Industrial (1ra ed.). Valencia, España: Librería de la Generalitat Valenciana.
Greenheck. (2014, Mayo). Electric Duct Heaters IDHB & IDHC Series. 8. Schofield, Wisconsin, USA.
INAMHI. (2015). Dirección Gestión Metereológica Estudios e Investigación Metereológicas. Retrieved from Boletín Metereológico: http://www.serviciometeorologico.gob.ec/clima/
Incropera, F., & DeWitt, D. (1999). Fundamentos de Transferencia de Calor (4ta ed.). Naucalpan de Juarez, Mexico: Prentice Hall.
IndustrialFansDirect.com. (2014). FAN CFM CALCULATOR. Retrieved from http://www.industrialfansdirect.com/CFM_Calculator.html
INEN. (1984). Ventilacion Natural en Edificios. NTE INEN 1126, 05, 19. Quito, Pichincha, Ecuador.
INEN. (1987, Agosto). Guía de Práctica Uso de Medidas Preferidas para la Vivienda. Ventanas. GPE INEN 011. Quito, Pichincha, Ecuador.
INEN. (1989). Código de Dibujo Tecnico- Mecánico. CPE INEN 003:1989. Quito, Pichincha, Ecuador.
INEN. (2014, Junio). Determinación de las propiedades de transmisión térmica en régimen estacionario. Método de la caja caliente guardada y calibrada. NTE INEN-ISO 8990, 1era, 28. Quito, Pichincha, Ecuador. Retrieved Abril 2015
INEN. (2015). Puertas de Madera. Requisitos e Inscripción. NTE INEN 1995:2005, 2da, 22. Quito, Pichincha, Ecuador.
ISO. (2005). Requisitos Generales para la competencia de los Laboratorios de Ensayos y de Calibracion. ISO/IEC 17025 (ES). Suiza.
ISO. (2010). Thermal performance of windows and doors — Determination of thermal transmittance by the hot-box method —. EN ISO 12567-1:2010, 64. (1ra, Ed.)
National Instruments Corporation. (2015). ¿Qué es Adquisición de Datos? Retrieved from http://www.ni.com/data-acquisition/what-is/esa/
PCE Iberica S.L. (2016). Termohigrómetro Comfort Control. Retrieved from https://www.pce-instruments.com/espanol/instrumento-medida/medidor/termohigrometro-tfa-dostmann-gmbh-termohigr_metro-comfort-control-det_868513.htm?_list=qr.art&_listpos=41
Soler & Palau Productos. (2016). Centrífugo de falso plafon. Retrieved from http://www.solerpalau.mx/2/productos/linea-habitat/1/
Vimael S.A. (n.d.). Termohigrometro para interior y exterior KT 907 Temperatura y humedad . Retrieved from http://www.vimael.com/index.php/temperatura-y-humedad/termohigrometros/164-termohigrometro-para-interior-y-exterior-2.html