Recepción: 30 Mayo 2022
Aprobación: 27 Julio 2022
Publicación: 01 Septiembre 2022
DOI: https://doi.org/10.22209/rt.v45n3a04
Resumen: Los residuos agroindustriales presentan un alto potencial de aprovechamiento gracias a su composición química variada, lo que se evidencia en la diversidad de alternativas existentes para su posterior reutilización. En el presente estudio se propone el diseño de una biorrefinería con el empleo del bagazo de caña de azúcar como biomasa para la obtención de productos de segunda generación, planteándose alternativas que consideran el aprovechamiento del licor y residual sólido. Se empleó el programa SuperPro Designer® v.10e para realizar las simulaciones correspondientes y determinar los subproductos de mayor interés económico, con base en una comparación de indicadores, como: valor actual neto (VAN), tasa interna de retorno (TIR), período de recuperación de la inversión (PRI) y retorno de la inversión (ROI), proporcionados por el simulador. Los resultados obtenidos demostraron que la configuración xilitol-pellets es la más viable, considerando que a partir de una inversión inicial de USD $52.145.000, la biorrefinería obtuvo un VAN de USD $122.612.000, una TIR de 34,14 % y un PRI de 2,1 años. Además, se realizó un análisis de sensibilidad considerando los diferentes indicadores dinámicos, mediante la variabilidad del precio de venta unitario del xilitol. Finalmente, el análisis económico mostró la viabilidad de la producción de xilitol y pellets con bagazo de caña de azúcar.
Palabras clave: bagazo de caña de azúcar, biorrefinería, pellets, SuperPro Designer®, xilitol.
Abstract: Agroindustrial waste has a high potential for use thanks to its varied chemical composition, which is evidenced by the diversity of existing alternatives for its subsequent reuse. In the present study, the design of a biorefinery is proposed with the use of sugar cane bagasse as biomass to obtain second-generation products, considering alternatives that consider the use of liquor and solid residual. The SuperPro Designer® v.10e program was used to carry out the corresponding simulations and determine the by-products of greatest economic interest, based on a comparison of indicators, such as: net present value (NPV), internal rate of return (IRR), period return on investment (PRI) and return on investment (ROI), provided by the simulator. The results showed that the xylitolpellets configuration is the most viable, considering that from an initial investment of $52,145,000, the biorefinery obtained a NPV of $122,612,000, an IRR of 34.14% and a PRI of 2, 1 year. In addition, a sensitivity analysis was carried out considering the different dynamic indicators, through the need for the unit sale price of xylitol. Finally, the economic analysis showed the viability of the production of xylitol and pellets with sugar cane bagasse.
Keywords: surgacana bagasse, biorefinery, pellets, SuperPro Designer®, xylitol.
Resumo: Os resíduos agroindustriais possuem um alto potencial de aproveitamento graças à sua composição química variada, o que é evidenciado pela diversidade de alternativas existentes para seu posterior reaproveitamento. No presente estudo, propõe-se o projeto de uma biorrefinaria com a utilização de bagaço de cana-de-açúcar como biomassa para obtenção de produtos de segunda geração, considerando alternativas que consideram o uso de licor e resíduo sólido. O programa SuperPro Designer® v.10e foi utilizado para realizar as simulações correspondentes e determinar os subprodutos de maior interesse econômico, com base na comparação de indicadores, tais como: valor presente líquido (VPL), taxa interna de retorno (TIR ), período de retorno do investimento (PRI) e retorno do investimento (ROI), fornecidos pelo simulador. Os resultados obtidos mostraram que a configuração xilitol-pellets é a mais viável, considerando que a partir de um investimento inicial de US$ 52.145.000, a biorrefinaria obteve um VPL de US$ 122.612.000, uma TIR de 34,14% e um PRI de 2,1 anos. Adicionalmente, foi realizada uma análise de sensibilidade considerando os diferentes indicadores dinâmicos, através da variabilidade do preço unitário de venda do xilitol. Por fim, a análise econômica mostrou a viabilidade da produção de xilitol e pellets com bagaço de canade-açúcar.
Palavras-chave: bagaço da cana-de-açúcar biorrefinaria pellets SuperPro Designer® xilitol.
Introducción
En la actualidad existen iniciativas que promueven el aprovechamiento de la biomasa acorde a la definición de la biorrefinería, debido su bajo costo, disponibilidad y carácter renovable (García García, 2016). Las biorrefinerías transforman la biomasa en bioproductos y energía mediante diferentes procesos y tecnologías, para el aprovechamiento integral de la materia prima y minimización de los residuos (Sadhukhan et al., 2014; Hassan et al., 2018; Temmes y Peck, 2020) De acuerdo con Moncada et al. (2014), existen algunas clasificaciones para la biorrefinería, una de estas atiende a la materia prima que se emplea, y así clasificarlas de primera, segunda y tercera generación. La primera, emplea cultivos destinados a la alimentación, la de segunda generación emplea materiales lignocelulósicos foresto y agroindustriales, además de cultivos no comestibles (Cherubini, 2010), y por último, la de tercera generación, que utiliza algas y microorganismos (de Wild, 2015). El aprovechamiento de los residuos agroindustriales aporta soluciones enfocadas en problemáticas ambientales, generalmente causadas por la generación y disposición final de los mismos (Vargas Corredor y Peréz Pérez, 2018). En la actualidad, el estudio y aprovechamiento de estos residuos genera mayor interés, debido al potencial que presentan como biopolímeros en la generación de energía, combustión y biomateriales (Vallejos et al., 2015).
El material lignocelulósico es el biopolímero más abundante del planeta Tierra, consiste en tres tipos diferentes de polímeros: celulosa, hemicelulosa y lignina. Incluye a la biomasa vegetal en forma de residuos, residuos forestales y residuos urbanos (Sánchez y Cardona, 2008; Zhao et al., 2020). Según Moreno et al. (2019), la biomasa lignocelulósica comprende aproximadamente la mitad de la biomasa mundial y su producción oscila entre 10 y 50 millones de toneladas por año. Dentro de este tipo de biomasa se encuentran las de origen agroindustrial, como los provenientes del procesamiento de la caña de azúcar, que se caracterizan por tener una gran capacidad de adaptación a la variedad de climas, topografías, fertilidad, suelos, sistemas de producción, entre otros (Lagos Burbano y Castro Rincón, 2019). El bagazo de caña presenta un alto interés como materia prima para la obtención de bioproductos, tal es el caso del trabajo desarrollado por Guerra et al. (2019), quienes utilizaron este residuo para determinar la producción de ácido cítrico y la rentabilidad económica del mismo; además de Machín y Mele (2018), que realizaron el diseño y optimización de una biorrefinería de caña de azúcar con criterios de sustentabilidad.
Por otra parte, en la práctica de la ingeniería, con el objetivo de diseñar, evaluar u optimizar un proceso determinado, se emplea una gran variedad de herramientas informáticas. Entre los simuladores más empleados en la actualidad se encuentra el SuperPro Designer®, que permite simular diferentes aplicaciones y procesos químicos, entre estos, producción de aceite de moringa (Benítez Cortés et al., 2018), optimización del proceso de obtención de
biodiesel (Freire Ordóñez y Medrano Barboza, 2019), producción de ácido cítrico a partir de bagazo de caña de azúcar (Guerra Rodríguez et al., 2019), entre otros. El mismo, permitió predecir la operación de un proceso cuando se han alcanzado condiciones de estacionalidad, lo que facilitó el estudio de la sensibilidad del sistema frente a cambios en los parámetros y variables de operación (Alcoser et al., 2020). En este sentido, se propone el diseño de una biorrefinería para la formación de bioproductos de segunda generación, que aproveche las corrientes del licor y sólido residual del bagazo de caña de azúcar, determinando la configuración más adecuada desde un enfoque económico mediante la simulación de los procesos involucrados en SuperPro Designer®.
Materiales y Métodos
Descripción del residuo evaluado
El bagazo de caña de azúcar está constituido principalmente por celulosa, hemicelulosa y lignina, además de otros componentes detallados en la Tabla 1, los cuales fueron utilizados en la simulación para la obtención de los subproductos. Dichos valores fueron tomados de trabajos de investigación actualizados obtenidos en la revisión bibliográfica, como los de Area y Vallejos (2012), Aguilar Rivera (2016) y Guerra Rodríguez et al. (2019), evidenciando que existe similitud en los valores reportados en la caracterización del bagazo de caña de azúcar en base seca.

Herramienta informática utilizada
El programa computacional SuperPro Designer® v.10e fue utilizado en la simulación de los distintos procesos involucrados en el diseño de la biorrefinería de residuos lignocelulósicos, con el fin de aplicar las herramientas de balance de masa y energía, diseño de equipamiento y cálculos económicos del proceso bajo estudio (Campos Ramírez et al., 2020). Así, el empleo de SuperPro Designer® permitió encontrar valores y resultados de parámetros técnico-económicos de gran relevancia, entre los cuales se pueden mencionar TIR, VAN, PRI, costos fijos, capital de trabajo, % retorno de la inversión, margen bruto, entre otros (Campos Ramírez et al., 2020).
Diseño conceptual de la biorrefinería
El esquema del diseño de una biorrefinería para la obtención de bioproductos con la utilización del bagazo de la caña de azúcar, se realizó a través de la utilización de los monómeros presentes en este material. Para mejorar la digestibilidad de la biomasa lignocelulósica, es necesario un pretratamiento que permita la ruptura de las cadenas de polisacáridos (Vu et al., 2020). El tipo de pretratamiento a aplicar depende del componente que se quiera extraer (celulosa, lignina, hemicelulosa, extractivos). Dentro de los procesos de pretratamiento están: mecánico, ácido, básico, oxidativo, explosión de vapor, autohidrólisis, entre otros (Kumar et al., 2009). El pretratamiento a aplicar consistió en un proceso mecánico, con el fin de reducir el tamaño de partícula, además de una autohidrólisis para separar la hemicelulosa presente en dicho material, este último se realizó en condiciones menos severas que la hidrolisis ácida, principalmente en residuos agroindustriales como el bagazo de caña de azúcar, cascarilla de arroz, residuos de maíz, entre otros (bajo contenido de lignina respecto a especies madereras) (Vallejos et al., 2015). Finalmente, los productos de cada proceso fueron evaluados con los diferentes indicadores técnico-económicos.
Descripción de los escenarios
Los escenarios planteados en el desarrollo del diseño de la biorrefinería de bagazo de caña, fueron determinados luego del proceso de la autohidrólisis; desde este punto, la fracción sólida es separada de la fracción líquida (Vallejos et al., 2015). Para el aprovechamiento de estas corrientes, se determinaron los posibles bioproductos a obtener, los cuales fueron elegidos considerando la composición de hemicelulosa del bagazo, el valor comercial de los productos y el uso de todo el material lignocelulósico, de acuerdo a lo propuesto por Clauser (2018).
La representación gráfica mostrada en la Figura 1 detalla los procesos implicados en los diferentes escenarios considerados en el diseño de la biorrefinería. Posterior a la autohidrólisis, se obtienen dos corrientes de salida: una líquida y otra sólida. La corriente de licor residual presenta tres variantes: jarabe de xilosa, furfural y xilitol; detalladas en el punto1-a. La línea de operación del jarabe de xilosa observada en la corriente a-1, luego del pretratamiento mecánico y autohidrólisis, se somete a una poshidrólisis para convertir los xilo-oligómeros en xilosa, aquí el Ca(OH)2 forma un yeso que se elimina con una filtración para pasar a la etapa de adsorción, que comprende una columna de carbón activado para la eliminación de compuestos fenólicos, Hidriximetilfurfural y furfural, así como una columna de intercambio iónico para eliminar los ácidos restantes. Finalmente, el licor destoxificado se concentra en un evaporador para obtener el jarabe de xilosa (Clauser et al., 2018). El apartado a-2 define la línea de operación para el furfural, donde el licor residual pasa a una deshidratación por medio de una hidrolisis ácida; luego de un proceso de decantación y filtración, la corriente de furfural pasa a la etapa de purificación donde se recupera el ácido sulfúrico, por medio de una columna de intercambio iónico, para obtener el furfural puro como producto de interés.

La línea de operación a-3 describe la producción de xilitol mediante la autohidrólisis; estas operaciones serán descritas posteriormente La corriente de sólido residual expresada en el apartado 1-b, desglosa dos posibles escenarios: la producción de etanol y la producción de pellets. La producción de etanol precisada en la corriente b-1, indica que luego de los procesos de pretratamiento, la fracción sólida pasa a una deslignificación alcalina para eliminar la lignina restante de la autohidrólisis, posteriormente; la pulpa obtenida pasa a un proceso de lavado, para luego llegar a una sacarificación donde se hidroliza enzimáticamente la pulpa deslignificada a glucosa seguida de su fermentación a etanol. Por último, el etanol se recupera mediante un proceso de destilación para tener etanol anhidro (Clauser et al., 2018). La línea de operación b-2 desglosa la producción de pellets, que se detalla posteriormente.
La evaluación económica con el aprovechamiento del líquido y sólido residual, se realizó comparando el valor actual neto (VAN), la tasa interna de retorno (TIR), período de recuperación de la inversión (PRI), costo de producción y costo de comercialización, los cuales son indicadores que determinan la viabilidad y rentabilidad de un proyecto (Gómez Manotoa, 2017).
Descripción del proceso
De acuerdo con lo sugerido por Nhuchhen et al. (2014), para desestructurar las fibras de celulosa y reducir la cristalinidad, y por tanto, el grado de polimerización de la biomasa, se empleó un pretratamiento mecánico, que incluyó un proceso de trituración o molienda para reducir el tamaño de partícula de la biomasa. La desventaja de este tipo de pretratamientos es que requiere de un alto consumo energético, dificultando así la viabilidad económica del proceso (Lamsal et al., 2010). La extracción selectiva de la hemicelulosa presente en el bagazo (principalmente xilanos), consiste en un proceso de autohidrólisis, este tratamiento ocurre en un medio acuoso a 162 ºC, en un reactor presurizado por un periodo de dos horas (Clauser, 2018). Para ello, se adoptó una base de cálculo de 1.000 kg/h de bagazo con una relación de sólido:líquido de 1:7 este valor es moderado en términos financieros (en la industria papelera las relaciones líquido-sólido son alrededor de 4-5,5) (Clauser, 2018). No se utilizan reactivos químicos en esta etapa, por el contrario; se genera ácido acético que actúa como catalizador de la hidrólisis (Lei et al., 2010; Clauser et al., 2016).
− Producción de xilitol: está descrito en la línea de operación a-3 de la Figura 1. Dicho esquema incluye las etapas de autohidrólisis, concentración de licor residual, poshidrólisis ácida, eliminación de inhibidores, fermentación de xilosa a xilitol y recuperación de xilitol por cristalización. Una vez que se separó la fracción líquida de la sólida, y empleando un evaporador de película descendente, se concentra el licor hasta obtener una concentración de 100 g/l de xilanos (Fatehi et al., 2014), luego; el licor recuperado se bombea a un reactor presurizado para convertir los xilo-oligómeros en xilosa, mediante un proceso de poshidrólisis (120 °C durante 60 min y con 3 % de H2SO4) (Vallejos et al., 2015), obteniéndose un licor de 110 g/l de xilosa (Fatehi et al., 2014). Además, se neutraliza agregando Ca(OH)2 para formar yeso (CaSO4·2H2O). La baja solubilidad del yeso en agua facilita su separación casi completa (>90 %) por decantación. El proceso de desintoxicación del licor comprende dos etapas de adsorción. Para eliminar el Hidroximetilfurural, furfural y cerca del 90 % de los compuestos fenólicos, se emplean columnas de carbón activado (concentración de 34 g/l) (Vallejos et al., 2015; Clauser et al., 2016), y una segunda; mediante un intercambio iónico con resinas, para eliminar los ácidos que se hayan formado, debido a que estos ácidos y otros inhibidores persisten en el licor después del tratamiento con carbón activado (Vallejos et al., 2015). El inóculo empleado para la simulación de la fermentación de xilosa a xilitol a 35 ºC durante 40 h con un pH 5-7 fue la Candida guillermondi (Ping et al., 2013), debido a que este compuesto es capaz de producir xilitol aprovechando los compuestos hemicelulósicos ricos en xilosa (Herazo Camaño et al., 2011). La separación y recuperación de la levadura se realiza con el objetivo de reciclarla al proceso de fermentación, para ello; se realiza un proceso de filtración con membrana considerando el alto grado de pureza que debe tener el producto final. Los nutrientes y otras impurezas de la fermentación, se eliminan con el empleo de columnas de carbón activado (20 g/l) (Misra et al., 2011). Esta etapa de purificación es indispensable para poder eliminar el olor y el color (Fatehi et al., 2014). Finalmente, se estableció la concentración del licor empleando un evaporador de película descendente, hasta obtener 400 g/l de xilitol (Clauser et al., 2016) y una cristalización del mismo. Cabe indicar que esta última se realiza a temperaturas menores a −10 ºC; puesto que por encima de esta temperatura no ocurre la cristalización (Misra et al., 2011). − Producción de pellets: En la Figura 1, la línea de operación b-2 describe el proceso de producción de pellets aprovechando el sólido residual, comprendiendo el proceso de secado del sólido, luego una molienda para conseguir disminuir el tamaño de partícula, la formación de pellets, el enfriamiento (solidificación y el fortalecimiento de los pellets) para proporcionar firmeza y durabilidad a los gránulos, y mediante el empleo de un tamiz vibrante, se separa el material fino. Finalmente, mediante el proceso de producción de pellets se recupera el material fino. Después del tamizado, se procede a realizar el proceso de envasado de los pellets (Clauser, 2018; Clauser et al., 2018).
Costo de equipos
Los costos de algunos equipos empleados en la simulación corresponden a varias fuentes y referencias bibliográficas (Sinnott y Towler, 1805; Green y Perry, 2008), y el restante fue proporcionado por el simulador y actualizadas al mes de enero de 2022 con base a los costos propuestos por la revista Chemical Engineering (Jenkins, 2019). Los parámetros de diseño, la capacidad de los equipos y la medida de cada uno de ellos, se determinaron mediante los resultados obtenidos de los balances de masa y energía. Se empleó la metodología propuesta por Peters y Timmerhaus (1991), para estimar los costos de inversión, producción, ingresos de la planta y calcular los indicadores dinámicos: VAN, TIR, ROI y PRI.
Análisis de sensibilidad económica
Una vez ejecutada la simulación y obteniendo los indicadores económicos, se realizó un análisis de sensibilidad para la producción de xilitol, para el cual fue necesario evaluar la influencia que tiene la variación en el precio de venta unitario del xilitol en los indicadores dinámicos establecidos, partiendo desde el precio comercial de USD $8,5 y disminuyendo a USD $1,0 en cada caso, manteniendo constante la capacidad de la planta y el precio del pellet de USD $0,44.
Resultados y Discusión
Comparación de los escenarios y elección de los bioproductos
En la Tabla 2 se presenta una comparación de los indicadores económicos obtenidos de la simulación de los tres escenarios posibles para el licor residual. De acuerdo a estos datos se evidencia que, a pesar de que el xilitol requiere un costo de inversión más elevado en comparación al furfural y al jarabe de xilosa, este presenta un valor del TIR superior al 15 %. Además, el PRI no es superior a cinco años (1,80) y el VAN tiene un resultado positivo (USD $133.990.000), lo que sumado a la comparación entre los costos de producción con los costos de comercialización, justifican clasificar al xilitol desde el punto de vista inversionista, como un bioproducto económicamente rentable y la mejor opción para el diseño de la biorrefinería.

Una vez seleccionado el bioproducto más rentable de la corriente del licor, se procedió a evaluar las alternativas para el aprovechamiento del sólido residual, obteniendo los resultados expresados en la Tabla 3, donde se evidencia que la combinación entre xilitol y pellets es rentable y viable desde un enfoque económico, con una inversión inicial de USD $52.145.000, teniendo un PRI inferior a 5 años un TIR superior al 15 % y un VAN positivo (USD $122.612.000), mientras que el xilitol- etanol exhibió un costo de inversión superior y un VAN negativo, lo que conlleva a determinar que esta alternativa no es económicamente viable. Estos resultados son comparables a los obtenidos por Clauser (2018), quien para una producción de 15.000 ton/año de bagazo seco obtuvo un TIR de 11,8 % para la combinación de xilitol-pellets y de 7,1 % para el xilitol-etanol, determinando que la primera combinación resulta mucho más atractiva.

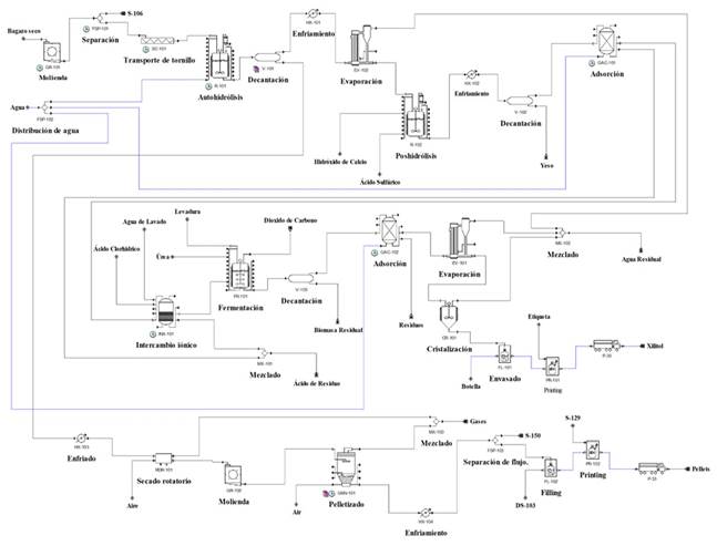
Diagrama del proceso de producción xilitol-pellets
En la Figura 2 se presentan los flujos y equipos empleados para las corrientes de producción de xilitol y pellets proporcionados por el simulador, que detalla cada uno de los procesos implicados en la biorrefinería.

La Tabla 4 describe los equipos implicados dentro del proceso tecnológico con el objetivo de estimar el costo total de la inversión, para determinar los indicadores económicos que permitan establecer la rentabilidad económica de la biorrefinería (Tuquerres Curipallo et al., 2020). Los valores de un equipo se establecen para un año particular; estas estimaciones se determinaron mediante el índice de costo, que permite corregir un precio para el año requerido y la relación con la capacidad demandada (Dias et al., 2013).

Resultados técnico-económicos obtenidos durante la simulación de xilitol-pellets
En la Tabla 5 se muestra los resultados de los indicadores técnico-económicos obtenidos de la simulación del proceso, empleando el programa SuperPro Designer®, que incluyen los costos de equipamiento, instalaciones, entre otros, siendo necesario definir los componentes que participan en un estudio económico, tales como: ingresos totales, costos de mano de obra, servicios, materia prima; esenciales para realizar un análisis económico que apruebe la implementación comercial de productos procedentes de la biomasa (Sadhukhan et al., 2014).

La alternativa de producir xilitol y pellets podría representar una opción interesante para un proyecto de biorrefinería. El xilitol es uno de los bioproductos más atractivos, derivado de la hemicelulosa, y los pellets son un combustible importante con un interés mundial desde una perspectiva energética (da Silva y Chandel, 2012). Con los resultados generados en la simulación, se obtuvo un 9,1 % de rendimiento correspondiente a 91,52 kg/h de xilitol por cada 1.000 kg/h de bagazo de caña de azúcar. Este valor es ligeramente superior al obtenido por Mena Orduz (2020), en su estudio sobre la vialidad técnica y económica del bagazo de la caña de azúcar como materia prima para la producción de xilitol, con un rendimiento de 8,9 %, cuya variabilidad entre ellos se debe al enfoque de la optimización y aprovechamiento integral del bagazo de la caña de azúcar.
Análisis de sensibilidad económica
En la Figura 3 se observa que a medida que aumenta el precio de venta del xilitol, los costos de operación, la inversión total y el costo base de la tasa anual se mantienen constantes, por tanto, no dependen del precio del xilitol, sin embargo, se evidencia que los ingresos totales es la variable sobre la cual influye directamente el aumento del costo de precio unitario. Para la realización del presente trabajo se empleó un precio de USD $ 8,94, siendo este valor comercialmente manejado.

Evidentemente el precio unitario tiene que ser mayor al costo de producción para que el proyecto genere ganancias; por ello, en la Figura 4 se presenta el punto de equilibrio en el cual se comienza a obtener ganancia, que corresponde a USD $4,94; y desde allí, la ganancia unitaria comienza a ser superior, independientemente del costo unitario, debido a que el mismo se mantiene constante. Sin embargo, se deben evaluar otros indicadores económicos para determinar el valor comercial más aceptable. Para el presente proyecto se obtendrá un margen bruto de 51,82 %, que en términos económicos demuestra que el proyecto es rentable. En los últimos años las evaluaciones tecnoeconómicas basadas en un proyecto de biorrefinería han aumentado, considerando la mayoría de ellos grandes cantidades de materia prima (mayores a 500 ton/h) y con montos de inversión superiores a 170 millones de dólares (Dias et al., 2013).

En la Figura 5 se describe el comportamiento de los indicadores económicos en este estudio: VAN, TIR, PRI y ROI, en función del precio del xilitol. Es evidente que el PRI disminuye a medida que aumenta el precio unitario del xilitol, obteniéndose un período de recuperación de la inversión de 2,1 años. Se aprecian valores positivos para el VAN con un precio de venta superior a USD $5,94, lo que evidencia que vender el xilitol por debajo de este valor implica una pérdida. El TIR del mismo fue de 34,14 % y el ROI de 47,55 %. Según Kelloway y Daoutidis (2014) la producción de xilitol, ácido levulínico y fórmico con una capacidad de 1.000 ton/día desarrolla un VAN de USD $247.000.000, que en comparación con el obtenido en la simulación resulta atractivo económicamente. La mejora en la TIR a diferentes escalas es usual en las plantas de capital intensivo, para el aprovechamiento de la biomasa, por tanto, el costo de capital por cada unidad de producción disminuye, cuando aumenta la capacidad del proceso (Sultana et al., 2010).

Conclusiones
La presente propuesta de diseño de una biorrefinería permitió la comprobación de la rentabilidad técnicoeconómica del uso de residuos lignocelulósicos para la obtención de productos de segunda generación. Se determinó, mediante los indicadores económicos, que la mejor configuración es la producción de xilitol-pellets, dado que el VAN, TIR y ROI son mayores en comparación con la combinación xilitol-etanol, con un TIR inferior a 5 años. La variable que más afectó a los parámetros TIR, PRI y VAN fue el costo fijo de la planta, siendo estos los que podrían incidir en la decisión que se tome en la puesta en práctica de la propuesta.
Referencias Bibliográficas
Aguilar Rivera, N. (2016). Pulpa de bagazo de caña con alto índice de fibra larga. Revista de la Facultad de Ingeniería Universidad del Zulia, 39(2), 47–55.
Alcoser, M. A. G., Parada Rivera, M. M., Flores Fiallos, L. M., Manobanda Pinto, P. M. (2020). Diseño de un proceso de producción de ácido cítrico por simulación computacional. Ciencia Digital, 4(1), 54–71.
Area, M. C., Vallejos, M. E. (2012). Biorrefinería a partir de residuos lignocelulósicos. Conversión de residuos a productos de alto valor. Sarrebrucken: Editorial Académica Española.
Benítez Cortés, I., Pérez Martínez, A., Barrios Rodríguez, M. A., Rodríguez Machado, A., Pérez Sánchez, A. (2018). Simulación de una planta de producción de aceite de moringa empleando el simulador de procesos Superpro Designer. Tecnología Química, 38(2), 236–247.
Campos Ramírez, L., Pérez Sánchez, A., Benítez Legrá, A., Benítez, I. (2020). Estudio técnico-económico de dos tecnologías de producción de biodiesel a partir de aceite de soya empleando el simulador SuperPro Designer. Tecnológicas, 23(48), 117–139.
Cherubini, F. (2010). The biorefinery concept: using biomass instead of oil for producing energy and chemicals. Energy Conversion and Management, 51(7), 1412–1421.
Clauser, N. M. (2018). Estudio Técnico-económico de la biorrefinería de los residuos de industrialización primaria de la madera y agroindustriales. Tesis de grado. Posadas: Universidad Nacional de Misiones.
Clauser, N. M., Gutiérrez, S., Area, M. C., Felissia, F. E., Vallejos, M. E. (2016). Small-sized biorefineries as strategy to add value to sugarcane bagasse. Chemical Engineering Research and Design, 107, 137–146
Clauser, N. M., Gutiérrez, S., Area, M. C., Felissia, F. E., Vallejos, M. E. (2018). Techno-economic assessment of carboxylic acids, furfural, and pellet production in a pine sawdust biorefinery. Biofuels, Bioproducts and Biorefining, 12(6), 997–1012.
Dias, M. O. S., Junqueira, T. L., Cavalett, O., Cunha, M. P., Jesus, C. D. F., Mantelatto, P. E., Rossell, C. E. V., Maciel Filho, R. y Bonomi, A. (2013). Cogeneration in integrated first and second generation ethanol from sugarcane. Chemical Engineering Research and Design, 91(8), 1411–1417.
Fatehi, P., Catalan, L., Cave, G. (2014). Simulation analysis of producing xylitol from hemicelluloses of prehydrolysis liquor. Chemical Engineering Research and Design, 92(8), 1563–1570.
Freire Ordóñez, C., Medrano Barboza, J. (2019). Optimization of the process of obtaining biodiesel from a production company, through simulation, Perspectivas, 1(16), 105–133.
García García, B. A. (2016). Diseño conceptual y simulación de una biorrefinería basada en Agave tequilana Weber. Tesis de maestría. Morelia: Universidad de San Nicolás de Hidalgo.
Gómez Manotoa, O. X. (2017). Evaluación financiera y análisis de riesgos de un proyecto de inversión para la elaboración de chocolate artesanal orgánico en el Ecuador. Tesis de maestría. Quito: Universidad Andina Simón Bolivar.
Green, D. W., Perry, R. H. (2008). Perry’s chemical engineers’ handbook. 8th ed. New York: McGraw-Hill Education.
Guerra Rodríguez, L. E., Pérez Sánchez, A., Zayas Zayas, L. M. (2019). Rentabilidad económica y análisis de sensibilidad de una planta de producción de ácido cítrico a partir de bagazo de caña de azúcar. Revista de Ciencia y Tecnología, 1(31), 1–10.
Hassan, S. S., Williams, G. A., Jaiswal, A. K. (2018). Emerging technologies for the pretreatment of lignocellulosic biomass. Bioresource Technology, 262, 310–318.
Herazo Camaño, I. C., Ruiz Cárdenas, D., Arrázola Paternina, G. S. (2011). Utilización de Candida guilliermondii aislada del corozo chiquito (Bactris guineensis) en la producción de xilitol. Revista Colombiana de Biotecnología, 13(1), 52–57.
Jenkins, S. (2019). Facts at your fingertips: fermentation considerations and economics. Chemical Engineering, 126, 72.
Kelloway, A., Daoutidis, P. (2014). Process synthesis of biorefineries: Optimization of biomass conversion to fuels and chemicals. Industrial and Engineering Chemistry Research, 53(13), 5261–5273.
Kumar, P., Barrett, D. M., Delwiche, M. J., Stroeve, P. (2009). Methods for pretreatment of lignocellulosic biomass for efficient hydrolysis and biofuel production. Industrial and Engineering Chemistry Research, 48(8), 3713–3729.
Lagos Burbano, E., Castro Rincón, E. (2019). Caña de azúcar y subproductos de la agroindustria azucarera en la alimentación de rumiantes. Agronomía Mesoamericana, 30(3), 917–934.
Lamsal, B., Yoo, J., Brijwani, K., Alavi, S. (2010). Extrusion as a thermo-mechanical pre-treatment for lignocellulosic etanol. Biomass and Bioenergy, 34(12), 1703–1710.
Lei, Y., Liu, S., Li, J. (2010). Effect of hot-water extraction on alkaline pulping of bagasse. Biotechnology, 28(5), 609–612.
Machín Ferrero, L., Mele, F. D. (2018). Diseño y optimización de biorrefinerías de caña de azúcar con criterios de sustentabilidad. 26° Jornadas de Jóvenes Investigadores (AUGM 2018). Mendoza: Universidad Nacional de Cuyo.
Mena Orduz, G. A. (2020). Estudio de viabilidad técnica y económica para la producción de xilitol a partir del bagazo de caña de azúcar. Tesis de grado. Colombia: Universidad de los Andes.
Misra, S., Gupta, P., Raghuwanshi, S., Dutt, K., Saxena, R. K. (2011). Comparative study on different strategies involved for xylitol purification from culture media fermented by Candida tropicalis. Separation and Purification Technology, 78(3), 266–273.
Moncada, J., Tamayo, J. A., Cardona, C. A. (2014). Integrating first, second, and third generation biorefineries: Incorporating microalgae into the sugarcane biorefinery. Chemical Engineering Science, 118(1), 126–140.
Moreno, A. D., Tomás Pejó, E., Ballesteros, M., Negro, M. J. (2019). Pretreatment technologies for lignocellulosic biomass deconstruction within a biorefinery perspective. Biomass, Biofuels, Biochemicals: Biofuels: Alternative Feedstocks and Conversion Processes for the Production of Liquid and Gaseous Biofuels, (2), 379–399.
Nhuchhen, D. R., Basu, P., Acharya, B. (2014). A Comprehensive review on biomass torrefaction. International Journal of Renewable Energy & Biofuels, 2014, 1–56.
Peters, M. S., Timmerhaus, K. D., West, R. E. (1991). Plant design and economics for chemical engineers. 5ta ed. Singapure: McGraw-Hill Chemical Engineering Series.
Ping, Y., Ling, H. Z., Song, G., Ge, J. P. (2013). Xylitol production from non-detoxified corncob hemicellulose acid hydrolysate by Candida tropicalis. Biochemical Engineering Journal, 75, 86–91.
Sadhukhan, J., Ng, K. S., Hernandez, E. M. (2014). Biorefineries and chemical processes: design, integration and sustainability analysis. Hoboken: Wiley Blackwell.
Sánchez, Ó. J., Cardona, C. A. (2008). Trends in biotechnological production of fuel ethanol from different feedstocks. Bioresource Technology, 99(13), 5270–5295.
da Silva, S. S., Chandel, A. K. (2012). D-xylitol: fermentative production, application and commercialization. Berlin Heidelberg: Springer Science & Business Media.
Sinnott, R., Towler, G. (1805). Chemical engineering design. 4th ed. Oxford: Butterworth-Heinemann
Sultana, A., Kumar, A., Harfield, D. (2010). Development of agri-pellet production cost and optimum size. Bioresource Technology, 101(14), 5609–5621.
Temmes, A., Peck, P. (2020). Do forest biorefineries fit with working principles of a circular bioeconomy? A case of Finnish and Swedish initiatives, Forest Policy and Economics, 110, 10189
Tuquerres Curipallo, H., Cerda Mejía, G., Tenemasa, V., Diéguez Santana, K., Carrera Sánchez, K., Pérez Martínez, A. (2020). Diseño del proceso para la obtención de ácido cítrico a partir del bagazo de caña disponible en Pastaza, Ecuador. Centro Azúcar, 47(2), 86–96.
Vallejos, M. E., Felissia, F. E., Kruyeniski, J., Area, M. C. (2015). Kinetic study of the extraction of hemicellulosic carbohydrates from sugarcane bagasse by hot water treatment. Industrial Crops and Products, 67, 1–6.
Vallejos, M. E., Zambon, M. D., Área, M. C., da Silva Curvelo, A. A. (2015). Low liquid-solid ratio fractionation of sugarcane bagasse by hot water autohydrolysisand organosolv delignification. Industrial Crops and Products, 65, 349–353.
Vargas Corredor, Y. A., Peréz Pérez, L. I. (2018). Aprovechamiento de residuos agroindustriales en el mejoramiento de la calidad del ambiente. Revista Facultad de Ciencias Básicas, 14(1), 59–72.
Vu, H. P., Nguyen, L. N., Vu, M. T., Johir, M. A. H., McLaughlan, R. y Nghiem, L. D. (2020). A comprehensive review on the framework to valorise lignocellulosic biomass as biorefinery feedstocks. Science of The Total Environment, 743, 140630.
de Wild, P. J. (2015). Biomass pyrolysis for hybrid biorefineries. In: Industrial biorefineries and white biotechnology. Ed. Höfer, R., Larroche, C., Madhavan Nampoothiri, K., Pandey, A., Taherzadeh, M. 1st ed. Amsterdan: Elsevier, 341–368
Zhao, Y., Shakeel, U., Saif Ur Rehman, M., Li, H., Xu, X. y Xu, J. (2020). Lignin-carbohydrate complexes (LCCs) and its role in biorefinery. Journal of Cleaner Production, 253, 120076.
Información adicional
redalyc-journal-id: 6057