Instrumento virtual de un filtro adaptable usando una red neuronal dinámica para cancelación de ruido implementado en LabVIEW
Virtual Instrument of an Adaptive Filter Employing a Dynamic Neural Network Based on LabVIEW for Noise Cancelling
Instrumento virtual de un filtro adaptable usando una red neuronal dinámica para cancelación de ruido implementado en LabVIEW
Científica, vol. 20, núm. 1, pp. 49-55, 2016
Instituto Politécnico Nacional
Recepción: 13/05/2015
Aprobación: 21/10/2015
Resumen: En un laboratorio de máquinas, el ruido que producen cuando se encuentran en operación, sobrepasa los decibeles recomendados, convirtiéndose en contaminación auditiva. En este trabajo se presenta una aplicación para minimizar la contaminación por ruido que se produce en este tipo de laboratorios. Una red neuronal se ha utilizado para la cancelación dinámica del ruido, se desarrolló empleando el software NI LabVIEW 2013 en su versión académica. El instrumento virtual (VI) del sistema está compuesto del panel frontal y el diagrama funcional. Se emplea el algoritmo de aprendizaje de la regla delta sobre una red adaline (ADAptative LINear Element). Esta consta de treinta bloques de retraso, cada bloque se encarga de retrasar un tiempo a la señal de entrada y desarrollando de esta manera un tipo de filtrado por ventana. La neurona en su proceso de aprendizaje busca aproximarse al ruido producido por las máquinas. El instrumento virtual tiene como interfaz de trabajo a la tarjeta NI MyDAQ, donde se reciben las señales de entrada, provenientes de micrófonos tipo electret. En el diagrama funcional se presentan las partes que constituyen el sistema: el supresor de ruido, los componentes del algoritmo LMS y los bloques de lectura de las señales de entrada y salida. La señal resultante del sistema se manda al exterior a un parlante. La gráfica de error presentada indica que la neurona tiene un alto grado de similitud con este sonido. Al restar el valor aprendido por la neurona, a la mezcla de entrada, el ruido fue minimizado demostrando la efectividad del sistema.
Palabras clave: NI LabVIEW, NI MyDAQ, red neuronal dinámica, filtro FIR adaptable, cancelación de ruido, red adaline.
Abstract: In an operating machine laboratory, the noise sometimes exceeds the appropriate levels. As a result, it becomes in noise pollution. In this paper, a noise reduction software for such laboratories is presented. A neural network was developed with the NI LabView 2013 Academic code. It was used in the dynamic noise cancellation, The Virtual Instrument (VI) of the system consists of a front panel and a functional block diagram. The delta rule was used as the learning algorithm for an adaline (ADAptative LINear Element) network. This network, featured thirty delay blocks. Each one holds back the input signal for an established period. In this way, a window FIR filter was developed. In its learning algorithm, the neural network attempted to match the noise produced by the machines. The VI had the NI MyDAQ board as an input interface, where the input signals were obtained from electret microphones. In the functional block diagram, the parts of the system are shown. They are the noise suppressor, the LMS algorithm and the input and output reading blocks. For this purpose, the output signal was sent to a loudspeaker. The error plot graph shown, points out that the learned signal had a high degree of likeness with the noise. By subtracting the learned signal to the input mix, the noise was reduced, proving the effectiveness of the system.
Keywords: NI LabVIEW, NI myDAQ, Neural network dynamic adaptive FIR filter, noise cancellation, adaline.
1.Introducción
La cancelación de ruido sobre la adquisición de señales es un tópico de interés. Actualmente, este proceso puede verse en la nueva generación de audífonos portátiles, los cuales tienen incluido un micrófono que captura el sonido ambiental y lo considera fuente de ruido. El usuario logra escuchar la canción de su reproductor más el sonido ambiental; por lo tanto el sistema de cancelación de ruido eliminará el sonido ambiental permitiendo al usuario escuchar únicamente el sonido deseado [1]. Otro campo de gran auge sobre la cancelación de ruido es la robótica; un sistema robótico puede alterar su comportamiento ante la presencia de este, nuevamente se puede usar el sistema de cancelación para mejorar el funcionamiento de estos sistemas [2].
Numerosos métodos han sido desarrollados buscando la extracción de señales perturbadoras (ruido), algunos de estos se pueden agrupar de la siguiente manera: (1) métodos clásicos de cancelación de ruido aplicados esencialmente en la rama de las comunicaciones eléctricas, (2) métodos clásicos de procesamiento estadístico de señal y (3) métodos adaptativos de cancelación de ruido. Este trabajo se realizó con base en el tercer grupo de métodos y la adaptabilidad es desarrollada empleando redes neuronales.
El filtro desarrollado en [3], parte de una idea similar a la que se presenta, sin embargo, en dicho trabajo se considera una señal de frecuencia fija (60Hz) como ruido; mientras que, en este trabajo, se tiene una señal con frecuencia variable (ruido generado por un torno). Además, se utilizan más bloques de retraso, ampliando así la ventana de muestreo.
Ríos-Ríos y colaboradores [4] presentan una propuesta de inicialización de los pesos para un filtro espacial empleando el algoritmo LMS aplicado a un arreglo de antenas. Este trabajo parte de una idea similar, al utilizar el algoritmo LMS como método de ajuste de pesos en la arquitectura neuronal empleada y con el resultado se genera el filtro que es capaz de minimizar la señal elegida.
Singh y colaboradores [5] presentan diferentes arquitecturas de filtros de respuesta de pulso infinito en instrumentación virtual comúnmente llamados IIR, Kehtarnavaz y Kim [6] presentan una implementación de eliminación de ruido utilizando un filtro Weiner. Ambos filtros son similares al presentado en este trabajo con respecto al tema de la cancelación de ruido, sin embargo, estos quedan únicamente en una implementación virtual. En el presente trabajo se emplea una tarjeta NI MyDAQ como interfaz y las señales son obtenidas de un ambiente de laboratorio, además se explota la adaptabilidad de los sistemas neuronales.
LabVIEW es un programa desarrollado a mediados de los años ochenta con base en un lenguaje gráfico. En la actualidad, la compañía National Instrument ha desarrollado tarjetas compatibles con este lenguaje [7]. Un caso específico es la tarjeta NI MyDAQ. Tiene tres entradas analógicas. Una de ellas es de audio de forma dual y tres canales de salida analógicos. Se emplean las dos líneas de la entrada de audio para ingresar las señales a procesar y una línea de salida para entregar la respuesta del sistema.
Como base del sistema se tiene una arquitectura neuronal de tipo adaline que desarrolla el proceso de filtrado, el cual es considerado como un filtro FIR. Para el entrenamiento de la red adaline se utiliza la regla de aprendizaje delta. Se eligió una red neuronal de este tipo debido a su mayor inmunidad al ruido en comparación con un arreglo tipo perceptron, de hecho se puede decir que estas redes son más ampliamente usadas en aplicaciones prácticas [8], [9], [10], [11].
Este trabajo busca minimizar la contaminación por ruido (en [12] se menciona que el máximo nivel auditivo permitido es 105dB) que se produce en los laboratorios o cuartos de máquina, ayudando a las personas a extender sus horas de trabajo ya que el caso contrario la molestia producida por el ruido cambia el tiempo de productividad de una persona.
2. Filtro adaptable con red neuronal ADALINE
Al utilizar la red adaline como un filtro adaptable, se necesitan bloques de retraso de señal. Estos ayudarán a tener los desplazamientos en los datos de la señal de entrada. El arreglo neuronal con los bloques de retardo es presentado en la Fig. 1.

Del arreglo mostrado en la Fig. 1 se obtiene ecuación (1).
(1)La ecuación (1) establece que la matriz de pesos W estará determinada por la cantidad de bloques de retardo, el subíndice k establece la cantidad de entradas a la neurona, b es el factor que polarizará a la neurona y como respuesta de la neurona se tendrá a . La salida a de la neurona es comparada con la señal objetivo para obtener el error calculado. Este determinará la adaptabilidad de la neurona. El diagrama de bloques presentado en la Fig. 2 muestra el concepto general del proceso.

En la Fig. 2, como señal de entrada a filtrar y buscando verificar de forma cualitativa el resultado del sistema, se adquirió en un laboratorio de máquinas la señal de mezcla de una canción y el ruido producido por un torno.
3.Adquisición de señales
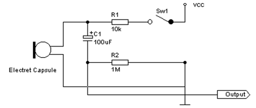
Para la adquisición física de las señales, el sistema cuenta con dos micrófonos. Uno de ellos es el encargado de adquirir la señal de ruido y el segundo el segmento de una canción. La señal mezclada está compuesta de la señal ruido que se desea eliminar y de la señal música que representará la señal que se desea conservar. Ambos micrófonos cuentan con la misma configuración y se presenta en la Fig. 3.

En la Fig. 3 se observa la resistencia R1, conectada a la fuente de alimentación, la cual limita la corriente que circulará por el micrófono y el arreglo C1-R2 es utilizado para quitar componentes de alta frecuencia de la señal adquirida antes de ser enviada a la entrada de audio de la tarjeta NI MyDAQ. La tarjeta es la interfaz de comunicación entre el elemento virtual y el ambiente de trabajo.
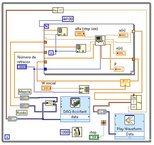
4. Instrumento virtual del filtro adaptable
El filtro adaptable es desarrollado en el ambiente de trabajo de National Instruments LabVIEW. El diagrama completo es presentado en la Fig. 4.

En el diagrama se pueden observar los bloques que componen al sistema y serán descritos en los siguientes apartados.
4.1. Bloque de entrada del instrumento virtual
El bloque de entrada del instrumento virtual realiza la lectura de las señales provenientes del canal del micrófono de la NI MyDAQ. Este canal tiene una configuración dual, permitiendo, de esta manera, la admisión de dos señales. Este bloque se presenta en la Fig. 5.

Los parámetros de configuración de este bloque son, por un lado, los límites de tensión permitidos que, para este caso, se tiene la tensión con un valor máximo de 1 V y un mínimo de -1 V; por otro, el parámetro de la elección del canal de lectura, se requirió la entrada de audio dual, la cual al configurar el primer canal se refiere a obtener la señal del canal izquierdo y el segundo canal al derecho. Los parámetros de sample to read y rate (Hz) son establecidos a 5k, es decir, se obtendrás cinco mil muestras en un segundo de adquisición. A la salida, este bloque entrega una señal dinámica que contiene dos canales, por lo tanto, es necesario conectarle un bloque que separe las señales. Es necesario poner atención en la amplitud de entrada de las señales, ya que podrían exceder el valor máximo de tensión permitido por la tarjeta y, por ende, dañar la entrada de audio.
4.2. Bloque neuronal
Los datos obtenidos del bloque de entrada del instrumento virtual alimentan al bloque neuronal. El bloque actual tiene cinco parámetros de entrada. El primer parámetro es referido a los pesos iniciales de la neurona, su valor inicial es de 0.05 y estos se ajustan para una mejor adaptabilidad de la red neuronal durante el proceso de entrenamiento. El segundo parámetro de entrada corresponde al valor de aprendizaje de la neurona (alfa para este caso). Su valor es de 0.1 y es tomado del artículo Filtro adaptable usando una red neuronal dinámica para cancelación de ruido [13]. El tercer parámetro es el referido a la cantidad de bloques de retraso, en el desarrollo se emplea la cantidad de 30 retrasos. Los datos son presentados en secuencia y cada bloque retrasará a la señal un tiempo (t). Los parámetros de entrada, cuarto y quinto, son referidos a las señales de entrada de ruido y mezcla, respectivamente.
El bloque entrega la señal filtrada y el coeficiente de error. La señal filtrada es convertida a formato WAV para poder ser interpretada en algún reproductor multimedia y el coeficiente de error es utilizado como parámetro de retroalimentación en el proceso de actualización de los pesos durante el proceso de aprendizaje, además de ser utilizado como gráfica de comportamiento.
5.Desempeño del sistema
El sonido producido por las máquinas que se encuentran en el laboratorio donde se desarrollaron las pruebas es considerado como fuente de ruido. En la Fig. 6 se muestra la gráfica del sonido producido por una de estas máquinas.

La señal fue obtenida por un micrófono colocado a un metro de la fuente emisora de ruido.
En la Fig. 7 se muestra la gráfica de la señal obtenida por el segundo micrófono la cual es el fragmento musical.

La mezcla que contiene a la señal de ruido y a la señal que se desea filtrar es mostrada en la Fig. 8.

El esquema de distribución de los micrófonos es presentado en la Fig. 9.

La gráfica presentada en la Fig. 10 es la señal resultado del instrumento virtual elaborado.

Como medio de validación de la eficiencia del sistema se presenta la gráfica de error de desempeño de la neurona en la Fig. 11. Este error es calculado restando la señal de salida del sistema con la señal de audio original.

Se diseñó un filtro Notch para comparar los resultados obtenidos por el sistema propuesto contra lo reportado en la literatura.
El diagrama del filtro Notch es representado por un bloque para filtrar señales en LabVIEW y su gráfica de respuesta puede visualizarse en la Fig. 12.

Como punto principal donde se puede apreciar la diferencia entre ambos sistemas es que el filtro Notch es diseñado específicamente para una sola señal de ruido, es decir, si el ruido cambia es necesario cambiar el diseño del filtro Notch. El sistema tiene la capacidad de que al cambiar el ruido el sistema de aprendizaje se adaptaría al cambio sin la necesidad de ser reconfigurado.
6. Conclusiones
En este trabajo se presenta un instrumento virtual elaborado en LabVIEW, que desarrolla un filtro adaptable. La adaptabilidad del filtro se logra empleando el algoritmo LMS y un arreglo neuronal es aplicado en el diseño. En el arreglo neuronal se emplearon bloques de retraso para retrasar la señal de entrada.
Los datos arrojados por el sistema aseguran la efectividad de la minimización del ruido en señales ambientales. El sistema fue evaluado con diferentes mezclas, considerando siempre la señal producida por una máquina como el ruido. En todos los casos el sistema logró la minimización del ruido la cual se determina calculando el error de aprendizaje en la red neuronal.
Como perspectivas de este trabajo se tiene su aplicación en la limpieza y estudio de señales mioeléctricas y reconocimiento de patrones en voz.
Referencias
[1] C. Sidney, J. H. McClellan, A. V. Oppenheim, T. W. Parks, R. W. Schafer, and H. W. Schuessler, Ch. 8, en Ejercicios de tratamiento de la señal utilizando MATLAB V.4, Madrid: Prentice Hall, 1998.
[2] A. V. Oppenheim, R. W. Schafer, and J. R. Buck, Tratamiento de señales en tiempo discreto, Madrid: Prentice Hall-Pearson, 2009.
[3] N. Jindapetch, S. Chewae, and P. Phunkpattaranont, "FPGA implementations of an adaline adaptative filter for power-line noise cancellation in Surface alactromyography signals," Measurement, vol. 45, no. 3, pp. 405-414, 2012.
[4] C. Ríos-Ríos, M. A. Acevedo-Mosqueda, and P. Olesksiy, "Propuesta de inicialización de los pesos en el filtro espacial LMS," Científica, vol. 15, no. 1, pp. 3-9, enero 2011.
[5] Y. Singh, S. Tripathi, and M. Pandey, "Analysis of Digital IIR Filter with LabVIEW," International Journal of Computer Applications vol. 10, no. 6, pp. 23-30, noviembre 2010.
[6] N. Kehtarnavaz, and N. Kim, Digital Signal Processing System Level Design Using LabVIEW, USA: Elsevier, 2005.
[7] P. U. Bilgunde, S.K. Sudhansu, and S.M.Jagde, "Reducing Complexity of FIR Filter using Narrowband Filters," International Journal of Computer Applications, vol. 88, no. 3, pp. 12-16, febrero 2014.
[8] K. Rakesh, S. Dutta, and K. Shama, "Gender Recognition Using Speech Processing Techniques in LabView," International Journal of Advances in Engineering & Technology, vol. 1, no. 2, pp. 51-63, mayo 2011.
[9] F. Escolano, M. A. Cazorla, M. I. Alfonso, O. Colomina, and M. A. Lozano, Ch. 4, en Inteligencia artificial, modelos, técnicas y áreas de aplicación, Madrid: Thomson, 2003.
[10] M. T. Hagan, and H. B. Demuth, Ch. 10, en Neural Network Design, PWS Publishing Company, 1996.
[11] P. Cruz-Ponce, Capítulo 3, en Inteligencia artificial, Alfaomega, 2010.
[12] Condiciones de seguridad e higiene en los centros de trabajo donde se genere ruido, NORMA Oficial Mexicana NOM-011-STPS-2001, Diario Oficial de la Federación, 17 de abril de 2002.
[13] K. Hernández-Santiago, A. Anzueto-Ríos, and R. Santiago-Godoy, Filtro adaptable usando una red neuronal dinámica para cancelación de ruido, Boletín UPIITA, Ciudad de México, 2015.
Notas de autor
aanzuetor@ipn.mx