Generalidades de estrategias de control en aerogeneradores de transmisión directa
Generalidades de estrategias de control en aerogeneradores de transmisión directa
Científica, vol. 21, núm. 1, pp. 17-24, 2017
Instituto Politécnico Nacional
Recepción: 02 Junio 2016
Aprobación: 24 Noviembre 2016
Resumen: Este artículo proporciona un punto de vista general de las estrategias de control empleadas en aerogeneradores de transmisión directa. Actualmente, la literatura técnica está enfocada en control de aerogeneradores de imanes permanentes (PMSG) y es escasa en aerogeneradores de rotor bobinado (WRSG). En este trabajo se concluye que debido a las ventajas técnicas, económicas y ecológicas es importante desarrollar estrategias de control para aerogeneradores con generadores sincrónicos eléctricamente excitados y mostrar algunos resultados del Instituto Nacional de Electricidad y Energías Limpias (INEEL, México) con modelos de generador de rotor devanado donde este tipo de modelo se puede utilizar en modelos de transmisión directa.
Palabras clave: aerogeneradores, transmisión directa, imanes permanentes, rotor devanado, generador síncrono, estrategias de control.
Abstract: This paper provides an overview of control strategies employed in direct drive wind turbine generators. Currently, technical literature is focused on wind turbines control permanent magnet synchronous generators type (PMSG) and it's scarce about wind turbines with wound rotor synchronous generators type (WRSG). This paper concludes that due to technical, economic and ecological advantages it's important to develop control strategies for wind turbines with electrically excited synchronous generators and show some results of National Institute of Electricity and Clean Energy (INEEL, Mexico) with models of wound rotor generator where this kind of model can be used in models direct drive.
Keywords: wind turbine generator, direct drive, permanent magnet, wound rotor, synchronous generator, control strategies.
1. Introducción
Existen tres tipos principales de sistema de conversión electromagnética usadas actualmente con turbinas de viento [1] como se muestra en la Figura 1. El primero de ellos utiliza un generador de inducción asíncrono de jaula de ardilla; en este caso, la velocidad del rotor y la velocidad del estator son diferentes, por esta razón es necesario tener una caja multiplicadora o de engranajes para igualar las velocidades. Además, el deslizamiento del generador varía según la cantidad de energía generada, la cual no es constante, pero estas variaciones de velocidad son en orden de 1%, por lo tanto se considera como una turbina de velocidad constante o velocidad fija. En realidad, el diseño danés, o de velocidad constante, regularmente se combina con un control por pérdida de la energía aerodinámica.
![Fuentes mecánicas de
energía de velocidad variable [1].](../61449593003_gf1.jpg)
El generador de inducción doblemente alimentado es otro tipo de generador que necesita un caja multiplicadora y además que el devanado de estator del generador esta acoplado a la red.
El último tipo de la clasificación es el aerogenerador de transmisión directa. En este caso la turbina de viento trabaja sin una caja multiplicadora. El aerogenerador tiene un generador síncrono multipolo o un generador con rotor de imanes permanentes y usando un convertidor de potencia es posible acoplarlo directamente a la red.
Hay dos métodos para conectar turbinas de viento a generadores para generar energía, como se muestra en la Figura 2. El método más común es el multiplicador de velocidad mecánica o caja de engranajes. En la primera configuración, la potencia mecánica es transmitida a la máquina eléctrica con una velocidad alta. Este método es el más usado por su ventaja de la estabilidad del sistema.
![Acoplamiento de
turbina de viento al generador [2].](../61449593003_gf2.jpg)
Una alternativa es acoplar el generador directamente a la turbina sin el multiplicador. Este diseño tiene sus ventajas y es atractivo porque reduce los costos de mantenimiento y elimina el elemento débil de la conversión de energía: el multiplicador de velocidad.
El aerogenerador de transmisión directa es económicamente viable porque elimina un número de fallas y una fuente adicional de ruido al quitar un elemento y resulta en un alto desempeño [2].
2. Clasificación general de generadores síncronos
El generador síncrono tiene dos elementos principales: el campo o rotor y la armadura o estator, este último tiene tres devanados como se observa en la Figura 3.
![Generador síncrono [3].](../61449593003_gf3.jpg)
Actualmente, existen dos tipos de generadores síncronos que han sido utilizados en la industria de las turbinas de viento: el generador síncrono de rotor devanado y el generador síncrono de imanes permanentes, WRSG y PMSG por sus siglas en inglés, respectivamente [3].
3. Generador síncrono de rotor devanado WRSG
La velocidad del generador de rotor devanado está determinada por la frecuencia y dicha frecuencia depende del número de polos del rotor. El devanado del rotor es excitado con corriente directa utilizando anillos deslizantes y escobillas. También se utiliza sin escobillas y conectado a un rectificador de potencia.
La eficiencia de los generadores de transmisión directa es menor que la de turbogeneradores convencionales y también son más pesados. Los generadores de transmisión directa son diseñados con un gran diámetro para mejorar la eficiencia y reducir el peso de las partes activas [4].
La estructura de los modelos de turbinas de viento de velocidad variable con generador síncrono de transmisión directa y de aerogeneradores con velocidad constante son iguales. Además, de acuerdo a la literatura se menciona que el modelo del rotor así como la velocidad del rotor y los controladores de ángulo de paso son idénticos a los usados a los generadores de inducción doblemente alimentados [3].
En la Figura 4 se muestra la estructura de un aerogenerador de transmisión directa utilizando un generador síncrono.
![Estructura del
modelo de un aerogenerador de transmisión directa [3].](../61449593003_gf4.jpg)
4. Generador síncrono de imanes permanentes PMSG
El generador es una pieza central de un aerogenerador. El uso de imanes permanentes basado Neodimio tiene potencialmente altas eficiencias [5]. Estos generadores son predominantes en el mercado debido a su diseño modular y relativamente bajos requerimientos de mantenimiento [6].
De acuerdo a [6] los aerogeneradores modernos que son generalmente diseñados con generadores eléctricos de imanes permanentes y acoplamiento directo entre rotor y generador tienen las siguientes topologías más comunes:
- Generador de flujo axial con núcleo de aire.
- Generador de flujo axial con núcleo de hierro toroidal.
- Generador de flujo axial con núcleo de hierro ranurado
- Generador de flujo radial con núcleo de hierro ranurado.
- Generador de flujo transversal con núcleo de hierro ranurado.
En cada topología mencionada arriba, el tipo de flujo se refiere a la dirección de las líneas de flujo magnético cruzando el entrehierro entre los polos con respecto a la flecha rotatoria del generador. Las líneas de flujo alcanzan el núcleo de hierro y cambian de acuerdo a la geometría del núcleo. Las topologías más usadas en la industria son los generadores de flujo axial con núcleo de hierro ranurado y los generadores de flujo radial con núcleo de hierro ranurado. En la Tabla 1 se muestra una comparación entre las diferentes topologías.
![Tabla comparativa de
las diferentes topologías utilizadas en turbinas de viento de pequeña escala
[6].](../61449593003_gt1.jpg)
Ventajas y desventajas de las turbinas de viento con transmisión directa y las turbinas de otras tecnologías
En el generador de imanes permanentes el número de polos no incrementa las pérdidas de la excitación como sucede en los generadores síncronos eléctricamente excitados.
En general algunas de las ventajas de los generadores de imanes permanentes de transmisión directa son: producción de energía en un pequeño porcentaje mayor si se compara con otros sistemas de generación con caja multiplicadora. Por otro lado, como desventajas el costo de los materiales ya que este tipo de generador necesita mejoras en los materiales (por defectos metalúrgicos) y la amortiguación de las vibraciones son las más representativas [7].
Las turbinas de viento manufacturadas por Enercon, Kenersys, Aeronautica y MTorres presentan ventajas técnicas, por ejemplo: invulnerabilidad a problemas derivados de perturbaciones de voltaje debidas a fallas en la red como resultado del uso de un convertidor o por pérdidas en el cobre del generador [8].
6. Control en aerogeneradores de transmisión directa
Los sistemas de control de aerogeneradores tienen numerosos sensores, actuadores, hardware y software. La principal función del hardware y software es procesar las señales de entrada de los sensores y generar la señal de salida para los actuadores que pueden ser hidráulicos o eléctricos, el control del torque del generador, los contactores del generador, los interruptores para activar los frenos de la flecha, entre otros [9].
La información técnica de los aerogeneradores acerca del control dice que la velocidad del rotor debe ser controlada debido a tres razones:
1. Capturar eficientemente más energía.
2. Proteger el rotor, el generador y el equipo de electrónica de potencia de sobrecargas a altas velocidades de viento.
3. En caso de que el generador sea desconectado accidentalmente.
En el libro Wind and Solar Power Systems de Mukund [10], el autor indica que los requerimientos de control de velocidad del rotor tiene cinco regiones, esto se muestra en la Figura 5 y se detalla a continuación:
![Las cinco regiones del control de velocidad
de la turbina [10].](../61449593003_gf5.jpg)
1. Velocidad de corte a la cual la turbina comienza a producir energía.
2. Constante máxima Cp región donde la velocidad del rotor varía con la variación del viento para operar a TSR constante correspondiente al máximo valor de Cp.
3. Durante vientos altos, la velocidad de rotor es limitada al valor superior basado en el límite de diseño de los componentes del sistema. En la región de velocidad constante, Cp es menor que el valor máximo de Cp y la potencia se incrementa a tasas más bajas que en la primera región.
4. A velocidades de viento aún más altas, como durante una ráfaga, la máquina es operada a potencia constante para proteger el generador y la electrónica de sobrecargas.
5. Velocidad de separación. Más allá de cierta velocidad de viento, el rotor es apagado con el propósito de proteger las aspas, el generador y los demás componentes del sistema.
6.1. Control aerodinámico
El control aerodinámico del ángulo de ataque de las aspas es fundamental para determinar la cantidad de fuerza y torque generado por la turbina de manera similar a un aeroplano. Existen tres métodos para controlar este ángulo: regulación pasiva por pérdida, regulación activa por pérdida y control de ángulo de paso [11].
El control pasivo por pérdida aerodinámica emplea la reducción del coeficiente de sustentación y asocia incremento en el coeficiente de arrastre para colocar un tope a la potencia de salida a medida que aumenta la velocidad del viento, sin la necesidad de cualquier cambio en la geometría del aspa [9]. En aerogeneradores de accionamiento directo de imanes permanentes la geometría del rotor induce la parada y la potencia entregada por el rotor está limitada por las condiciones del viento [12].
6.1.2. Regulación activa por pérdida
El libro The Modeling and control of Wind Turbine muestra que en este tipo de control se tienen aspas con un mecanismo de control de paso ajustable para cuando la velocidad del viento excede el valor nominal, las aspas son controladas hacia el viento para reducir la energía capturada y así pueda permanecer en su valor nominal mediante el ajuste de ángulo de ataque de las aspas [13].
La velocidad del rotor es limitada para controlar la salida de potencia. Hay numerosos modos posibles de controlar la velocidad del rotor de la turbina con control de velocidad activo [14].
6.1.3. Control de ángulo de paso
El comportamiento aerodinámico de una turbina de viento puede ser controlado activamente variando el ángulo de las aspas alrededor de su eje longitudinal [15].
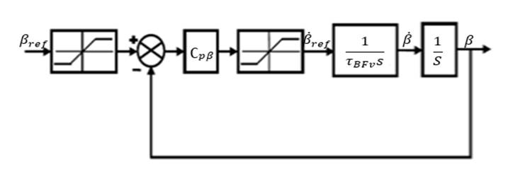
El control activo de ángulo de paso reduce el ángulo de ataque y por lo tanto el coeficiente de sustentación. Las principales ventajas del control activo de ángulo de paso son: el incremento de la energía capturada, la facilidad de frenado aerodinámico y la reducción de las cargas extremas cuando la turbina se apaga [9]. Cuando hay velocidades del viento en el sitio, los efectos del control de ángulo de paso regulan la energía eólica extraída de manera que no se excedan los límites de diseño de turbina [16]. El error entre la potencia de referencia y potencia medida en la salida de PMSG se envía al controlador PI para calcular el valor del ángulo de paso. Este sistema se muestra en la Figura 6.

6.2. Control lineal
El controlador más comúnmente usado en todos los equipos y procesos es el controlador PI o Proporcional-Integral. La acción de control es la suma de dos acciones, una es proporcional al error (la diferencia entre el valor deseado y el valor actual de la variable que se desea controlar) y la segunda es equivalente a la integral del error. La acción integral es utilizada para garantizar que el error en estado estable tenderá a cero, si no lo hace, el término integral hará que la acción de control continúe incrementándose. La parte proporcional es mayormente responsable a cambios rápidos en la variable controlada [9]. La principal idea es controlar la velocidad del generador variando la carga resistiva como entrada [17].
El control por ubicación de polos encuentra una ganancia K para retroalimentar los estados del sistema y para ubicar los polos en lazo cerrado en el lugar seleccionado [18], [19].
6.3. Control no lineal
Un tipo de estrategia de control no lineal es el control de modo deslizante que es un control robusto no lineal retroalimentado. Este puede ser utilizado en control de turbinas de viento. El control de modo deslizante puede ser utilizado en el diseño de observadores de estado, implementación de algoritmos avanzados de máquinas de corriente alterna por ejemplo como en control vectorial (Field Oriented Control en inglés) y en control directo de torque (Direct Torque Control en inglés) que requieren información de la posición del rotor y la velocidad.
Para ser específico, la posición del ángulo es utilizado para coordinar la transformación, mientras que la velocidad que se necesita en el control de velocidad de lazo cerrado como señal retroalimentada. Los métodos convencionales están basados en un transductor montado en la flecha del rotor. Sin embargo la presencia de tales sensores eléctricos incrementa los costos del sistema y la complejidad del hardware. Hay gran número de métodos de autosensado de la posición del rotor propuestas en la literatura, y los observadores de modos deslizantes (SMO, por sus siglas en inglés) es uno de los métodos más atractivos, los cuales han sido introducidos para estimar los parámetros de las máquinas de corriente alterna y su robustez a la variación de los parámetros donde la interferencia externa ha sido verificada [20]. Con la aplicación de SMO como base para el autosensado de la posición del rotor en control autosensado de la posición del rotor se pueden eliminar sensores.
6.4. Control inteligente
Algunas estrategias de control que han sido empleadas en turbinas de viento como técnicas de inteligencia artificial son lógica difusa, redes neuronales artificiales, computación evolucio-naria, etcétera. Actualmente, estas técnicas son propuestas y utilizadas en turbinas de viento con transmisión [21].
La operación con velocidad variable en turbinas de viento con transmisión directa puede incrementar la captura de energía y reducir el ruido, las pérdidas de potencia y mejorar la eficiencia. Gran cantidad de sistemas de control de turbinas de viento necesitan equipos de medición para adquirir la información en tiempo real pero los sensores incrementan el costo y reducen la confiabilidad de todo el sistema. Las redes neuronales artificiales son utilizadas cuando se requiere mapeo de entrada-salida no lineal variante en el tiempo y obtener resultados en tiempo real en diferentes condiciones de operación y seleccionando diferentes algoritmos de aprendizaje, arquitectura de red, etcétera.
El uso de otras arquitecturas tiene el objetivo de proporcionar un alto desempeño, mayor eficiencia y mejor control.
Modelo del aerogenerador con generador síncrono de rotor devanado
En el Instituto Nacional de Electricidad y Energías Limpias se diseñó un sistema de control de un aerogenerador con un generador síncrono de rotor devanado que incluye el control de la orientación de la góndola, la turbina de viento, la excitación del generador, el rectificador y el inversor de potencia. En esta primera etapa este sistema es de control de ángulo de paso pero utilizando un modelo de generador síncrono de rotor devanado modelado en MatLab-Simulink a partir del modelo mostrado en la Figura 7.
![Modelo de generador
síncrono de rotor devanado utilizado en turbinas de viento [9].](../61449593003_gf7.jpg)
7. Conclusiones
El objetivo de este artículo es presentar algunas estrategias de control de turbinas de viento de transmisión directa. La mayoría de las estrategias de control desde el control clásico hasta el control inteligente es aplicado para generadores de imanes permanentes pero es importante conocer sus ventajas y desventajas técnicas, económicas y elementos ecológicos durante el diseño y considerar especialmente nuevas estrategias de control para turbinas de viento conectadas a generadores síncronos de rotor devanado.
Agradecimiento
Al Instituto Nacional de Electricidad y Energías Limpias.
Referencias
[1] L. H. Hansen, L. Helle, F. Blaabjerg, E. Ritchie, S. Munk-Nielsen, H. Bindner, P. Sorensen, & B. Bak-Jensen, Conceptual Survey of Generators and Power Electronics for Wind Turbines, RISO National Laboratory, Roskilde, Denmark, 2001.
[2] R. Carriveau, Advances in wind power, Ed. Intech Press, 2012.
[3] T. Ackerman, Wind power in power system, Ed. John Wiley& Sons, USA/UK, 2012.
[4] L.O. Anaya,N. Jenkins, A. Ekanayake, P. Cartwrighy, & M. Hughes, Wind energy generation modelling and control, Ed. John Wiley& Sons, USA/UK, 2009.
[5] M. A. Khan, P. Pillay, & K. D. Visser, "On Adapting a Small PM Wind Generator for a Multiblade, High Solidity Wind Turbine," IEEE Transactions on Energy Conversion, vol. 20, núm. 3, pp. 685-692, 2005.
[6] T. Al-Bahadly, Wind turbines, Intech Press. India, 2011.
[7] A. Aleksashkin, "Literature review on permanent magnet generators design and dynamic behaviour," Research report , núm. 77, 2008.
[8] H. Polinder, R. Van Rooij, A. S. MacDonald, & M. Mueller, "0MW Wind turbine direct-drive generator design witch pitch or active speed stall control," Electric Machines&Drives Conference 2007 IEMDC´07,IEEE Press, vol. 2, pp. 1390-1395, 2007.
[9] T. Burton, D. Sharpe, N. Jenkys, & E. Bossanyi, Wind energy handbook, John Wiley& Sons, USA/UK, 2009.
[10] R. Mukund, & P. E. Patel, U.S. Merchant Marine Academy, Kings Point, New York,Wind and Solar Power Systems,CRC Press, pp 101-104, 1999.
[11] G. E.Van Baars, "Wind turbine control design and implementation based on experimental models," Proceedings of the 31st IEEE Conference on Proceedings of the Decision and Control, vol. 2, pp. 2454-2459, 1992.
[12] F. E. Camacho, T. Samad, & M. Sanz-García, The impacy of control Technology, IEEECSS, 2011.
[13] L. A. Soriano, Y. Wen, & J. J. Rubio, "Modeling and control of Wind Turbine," Mathematical Problems in Engineering, vol. 13, article ID 982597, 2013.
[14] H. Polinder, F. Van der Pijl, G. Jan de Vilder, & P. Tavner, Comparasion of direct-drive and geared generator concepts for wind turbines, IEEE Press, 2009.
[15] H. Polinder, "Overview and trends in wind turbine generator systems," IEEE Power and Energy Society General Meeting, pp. 1-8, 2011.
[16] H. Geng, G. Yang, D. Xu, & B. Wu, "Power Control for PMSG-Based WECS Operating Under Different Grid Conditions," IEEE Trans. on Energy Conversion, vol. 26, núm. 3, pp. 822-830
[17] M. Allagui, B. Q. Othman, & J. B. Hasnaoui, "Explotation of pitch control to improve the integration of a direct drive wind turbine to the grid," Journal Electric Systems JES , pp. 179-190, 2013.
[18] S. Sanchez, M. Bueno, E. L. A. Delgado, Y. Wen, & J. J. Rubio, "Optimal tuning of a controller in a Wind Turbine Equipped with a permanent magnetized synchronous generator," Energetica, núm. 41, pp. 4960, 2009.
[19] K. J. Astrom, Control Systems Design, Lecture notes for ME 155A, Department of Mechanical and Environmental Engineering, University of California Santa Barbara, California, 2002.
[20] F. Li, Robust Control Design, And Optimal Control Approach, John Wiley & Sons, United States, 2007.
[21] K. D. Young, V. I. Utkin, & U. Ozguner, "A control engineer's guide to sliding mode control," IEEE Trans. on Control System Technology, vol. 7, núm. 3, pp. 328-342, 1999.
[22] P. Kundur, Power Systems Stability and Control, Ed. Mc. Graw Hill, p. 477, 1999.