Aplicación de la teoría del costo exergético para el análisis de un sistema de refrigeración con subenfriamiento por un enfriador termoeléctrico
Application of Exergetic Cost Theory to Analyze a Refrigeration System with Subcooling by a Thermoelectric Cooler
Aplicación de la teoría del costo exergético para el análisis de un sistema de refrigeración con subenfriamiento por un enfriador termoeléctrico
Científica, vol. 21, núm. 1, pp. 55-62, 2017
Instituto Politécnico Nacional
Recepción: 26 Abril 2016
Aprobación: 29 Octubre 2016
Resumen: En este trabajo se presentan los resultados del análisis termoeconómico realizado a un sistema de refrigeración por compresión de vapor con una capacidad de 1 tonelada de refrigeración, al que se le ha instalado un enfriador termoeléctrico para subenfriar el refrigerante a la salida del condensador. Se estudiaron dos condiciones de subenfriamiento: de 5 y de 8°C. Para el análisis termoeconómico se aplicó la Teoría del Costo Exergético desarrollada por el doctor Antonio Valero Capilla de la Universidad de Zaragoza, España. Los resultados experimentales mostraron que al instalar el enfriador termoeléctrico aumenta el efecto refrigerante del sistema sin requerir mayor trabajo por parte del compresor, lo que incrementa el coeficiente de desempeño (COP) del sistema de refrigeración hasta 7.2%. Sin embargo, del estudio termoeconómico se observó que los costos exergéticos unitarios resultantes de subenfriar el refrigerante con un enfriador termoeléctrico, se incrementan hasta 26% con respecto a la operación normal del sistema sin subenfriamiento. Se concluye que es recomendable subenfriar el refrigerante con un enfriador termoeléctrico sólo en caso que para la alimentación de este dispositivo se aproveche alguna fuente alterna de energía que no implique un costo extra.
Palabras clave: sistema de refrigeración, subenfriamiento, enfriador termoeléctrico, análisis termoeconómico, teoría del costo exergético.
Abstract: This paper presents the results of thermoeconomic analysis of a vapor compression refrigeration system with a capacity of 1 ton of cooling, in which was installed a thermoelectric cooler to subcool the refrigerant at the condenser outlet. Two conditions of subcooling were studied with 5 and 8°C. For the thermoeconomic analysis the Theory of Exergetic Cost developed by Dr. Antonio Valero Chapel of University of Zaragoza, Spain, was applied. The experimental results showed that installing the thermoelectric cooler increases the cooling effect of the system without requiring further work by the compressor, which increases the refrigeration system coefficient of performance (COP) up to 7.2%. However, from the thermoeconomic study it was found that unit exergetic costs resulting from subcooled refrigerant using a thermoelectric cooler, increase to 26% with respect to the normal system operation without subcooling. We conclude that it is advisable to subcool the refrigerant with a thermoelectric cooler only in case that for the power of this device is used any alternative energy source that does not involve an extra cost.
Keywords: refrigeration system, subcooling, thermoelectric cooler, thermoeconomic analysis, exergetic cost theory.
1. Introducción
Mundialmente, el consumo de energía se ha incrementado de manera considerable debido principalmente al aumento de la población y de la industria. Del total de la energía consumida en un hogar en México, aproximadamente 30% corresponde a los equipos de aire acondicionado y refrigeración [1]. Este hecho ha conducido a la exploración de varias alternativas para hacer más eficientes los equipos de refrigeración y aire acondicionado y entre otras se han propuesto las siguientes: diseñar nuevos compresores, intensificar la transferencia de calor en el evaporador y condensador, mejorar el dispositivo de expansión, modular la capacidad del sistema y subenfriar el refrigerante a la salida del condensador.
Esta última alternativa presenta varias ventajas y es evidente que mientras mayor sea el subenfriamiento del líquido, mayor será el efecto refrigerante. En la Fig. 1 se muestra el ciclo de refrigeración convencional comparado con otro en el cual el líquido es subenfriado antes de que llegue a la válvula de expansión del refrigerante. Con los puntos 1, 2, 3 y 4 se designa al ciclo convencional, mientras que los puntos 1´, 2´, 3 y 4 describen el ciclo con subenfriamiento. Como se sabe, en el proceso de 1-2 ocurre la expansión del fluido de trabajo en la válvula de expansión, en el proceso de 2-3 se evapora el refrigerante al absorber el calor del medio que se refrigera, en el proceso de 3-4 se lleva a cabo la compresión del vapor y finalmente en el proceso de 4-1 el refrigerante se condensa e inicia de nuevo el ciclo. El subenfriamiento se representa con el proceso de 1-1´.

Existen varias formas de lograr un mayor subenfriamiento del refrigerante líquido, por ejemplo, agregar pequeños equipos de refrigeración o intercambiadores de calor adicionales enfriados por agua o aire [2], [3]. En este contexto, actualmente han adquirido importancia los enfriadores termoeléctricos que pueden funcionar como intercambiadores de calor. Su principal ventaja sobre otros equipos es que se puede controlar el subenfriamiento del refrigerante de manera simple, regulando la corriente eléctrica suministrada a los módulos termoeléctricos.
Recientemente, varios investigadores han estudiado experimentalmente la posibilidad de instalar enfriadores termoeléc-tricos para subenfriar el fluido de trabajo en sistemas de refrigeración de distintas capacidades y con diferentes refrigerantes [4], [5], [6], [7]. Como resultado, en general se ha encontrado que se incrementa el coeficiente de operación (COP) del sistema de refrigeración entre 5 y 10% con respecto al sistema de refrigeración sin subenfriamiento. Sin embargo, estos resultados se deben tomar con las debidas reservas pues se requiere un análisis adicional para evaluar la viabilidad en la implemen-tación de esta tecnología.
Un método efectivo de análisis de la influencia de los enfriadores termoeléctricos sobre el comportamiento del ciclo de refrigeración, es la aplicación de la Teoría del Costo Exergético, cuyos fundamentos se muestran en la referencia [8]. Concretamente, este método ha sido utilizado por varios investigadores para analizar sistemas de aire acondicionado y refrigeración de diferentes características y condiciones de operación [9], [10], [11], [12]. De acuerdo con la revisión de la literatura especializada, hasta la fecha no se ha hecho un estudio termoeconómico de un sistema de refrigeración con un enfriador termoeléctrico como intercambiador de calor.
De lo anteriormente mencionado resultó la motivación de este trabajo que consiste en realizar el análisis termoeconómico, aplicando la Teoría del Costo Exergético, de un sistema de refrigeración que incluye un enfriador termoeléctrico para subenfriar el refrigerante líquido a la salida del condensador.
2. Investigación experimental
Los datos usados en el análisis termoeconómico se obtuvieron de un sistema de refrigeración industrial con una capacidad de una tonelada de refrigeración, cuyo fluido de trabajo es el refrigerante M049Plus. Este equipo tiene la posibilidad de poder variar la velocidad del ventilador del condensador y por lo tanto el flujo de aire que se suministra al condensador, con lo cual se pueden simular las condiciones en que opera durante el año. En la investigación experimental se ensayaron tres porcentajes del flujo de aire de enfriamiento hacia el condensador: 25, 50 y 100 %.
Para alcanzar el subenfriamiento deseado se empleó un enfriador termoeléctrico que posee ocho módulos termoeléctricos conectados en paralelo que forman una superficie de intercambio de calor de 0.034 m2. Para esta investigación experimental se eligieron dos valores de subenfriamiento del refrigerante líquido: 5 y 8 ºC.
Para mayores detalles sobre la instalación e investigación experimental consulte el trabajo de Oscar José [13]. Los valores del coeficiente de operación (COP) para cada condición se muestran en la Tabla 1.

Se puede determinar que al instalar el enfriador termoeléctrico el efecto refrigerante del sistema aumenta sin requerir mayor trabajo por parte del compresor ya que no se aumenta el flujo de refrigerante, en consecuencia, se incrementa el COP del sistema de refrigeración hasta en 7.2% para el caso de 8ºC de subenfriamiento.
3. Análisis termoeconómico
A continuación se muestra el análisis termoeconómico del sistema de refrigeración sin subenfriamiento y con subenfriamiento. Para mayores detalles consulte el trabajo de Claudio Ledezma [14].
3.1. Sistema de refrigeración sin subenfriamiento
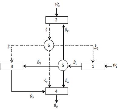
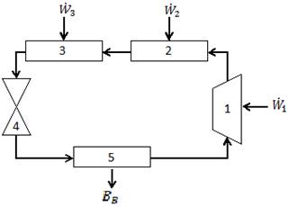
El análisis termoeconómico se inicia definiendo la estructura productiva del sistema de refrigeración sin subenfriamiento. Para esto se deben hacer ciertas consideraciones previas del proceso productivo de cada elemento físico del sistema, catalogando cada flujo que entra o sale como combustible (W) o producto (B). Usando entonces el diagrama de flujo básico del sistema de refrigeración por compresión de vapor sin subenfriamiento se muestran los respectivos combustibles, W, y productos del sistema, B, en la Fig. 2.

A
partir del diagrama de la Fig. 2, se construye el diagrama productivo, Fig. 3.
Los respectivos combustibles y productos, de acuerdo a la nomenclatura usada en
termoeconomía, se muestran en la Tabla 2. Se considera que el sistema se
compone de cuatro unidades productivas y dos elementos ficticios los cuales son
agregados para un mismo producto que se distribuye en más de una unidad
productiva (el caso de
y
).


El condensador es un componente disipativo que no tiene un producto útil definido y desde un punto de vista funcional su objetivo es disipar calor. Entonces para el análisis realizado se considera que el objetivo del condensador es "recuperar la entropía generada" a lo largo del sistema de refrigeración por cada uno de los equipos. Tomando en cuenta la consideración anterior, se le representa al condensador por el elemento (2) en un nivel de agregación máximo en conjunto con el ventilador que provee el flujo de aire para enfriamiento.
El
propósito definido del condensador es rechazar el incremento de entropía del
refrigerante, esto es, generar el cambio de entropía necesario para la
operación cíclica del sistema
.
Por lo tanto, el costo del flujo de calor disipado en el condensador se
imputará al producto de los equipos correspondientes.
El
flujo
, producto del incremento de
la presión del refrigerante a su paso por el compresor (1) se divide en los
flujos
,
y
, en el elemento
ficticio 5, los cuales son los flujos de combustible en el condensador, válvula
de expansión y evaporador respectivamente.
Con base en el diagrama productivo del sistema (véase Fig. 3), los resultados de la experimentación y con las consideraciones antes mencionadas, se realiza el planteamiento de la matriz de incidencia y al obtener su solución se obtienen finalmente los costos exergéticos unitarios k* (véase Tabla 3).

En su cálculo se utilizaron los datos obtenidos de la investigación experimental de la referencia [13], para calcular las exergías de flujo y se consideraron las temperaturas del ambiente que se registraron durante los experimentos. Los flujos exergéticos se calcularon siguiendo las definiciones de Producto-Recurso.
3.2. Sistema de refrigeración con subenfriamiento
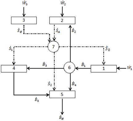
Al
agregar al sistema un enfriador termoeléctrico para subenfriamiento del
refrigerante, se añade una unidad productiva al sistema, (3), de la cual se
considerará su combustible el flujo
(véase Fig. 4). El enfriador termoeléctrico se conecta en serie a la salida del
condensador, conservando sin cambio los otros componentes en su posición
relativa en el sistema. De nueva cuenta, es posible construir el diagrama
productivo del sistema, ahora con la consideración de que el combustible del
enfriador termoeléctrico es el flujo
y su producto el flujo
. Este
último se suma al producto del condensador y se concentra en el elemento
ficticio (7) para repartirse como un producto homogéneo en las diferentes
unidades productivas del sistema (véase Fig. 5).


De la Fig. 5 se puede inferir que el diagrama productivo del sistema con subenfriamiento usando un enfriador termoeléctrico (elemento 3) resulta ser el mismo para ambas condiciones, 5 y 8°C de subenfriamiento, consideradas en esta investigación.
La Tabla 4 muestra la definición de productos y combustibles del sistema con subenfriamiento, donde se observa cómo se añaden las ecuaciones correspondientes al combustible y producto del enfriador termoeléctrico y sus correspondencias con los demás elementos. También al flujo total de combustible del sistema de refrigeración se le añaden los recursos consumidos por el enfriador termoeléctrico.

A continuación mediante el diagrama productivo y las ecuaciones planteadas en la tabla anterior, se construye la matriz de incidencia y se obtienen los costos energéticos del sistema de refrigeración con subenfriamiento por un enfriador termoeléctrico.
Como se mencionó anteriormente, las temperaturas de subenfriamiento a las cuales fueron realizados los cálculos son 5 y 8°C. Cada valor de subenfriamiento proporciona diferentes costos exergéticos en los flujos, lo cual se debe al cambio en los recursos consumidos en el sistema de refrigeración a las distintas condiciones de subenfriamiento del refrigerante y por tanto del producto total del sistema. En la Tabla 5 se muestran solo los resultados del caso con 8°C donde se obtuvo el mayor incremento en el COP al realizar las pruebas experimentales.

Se puede ver que al añadir el enfriador termoeléctrico para provocar el subenfriamiento, aumenta el COP sin requerir más trabajo por parte del compresor, pero para lograr esto se necesita un flujo exergético extra el cual aumenta los costos exergéticos de los recursos requeridos por las demás unidades del sistema.
Con la intención de hacer una comparación que permita analizar la influencia de la adición del enfriador termoeléctrico en el incremento del costo exergético del sistema, se calcularon los costos exergéticos unitarios de los componentes del sistema. En la Tabla 6 se muestra solo el caso con 8°C de subenfriamiento y para la condición de 100% del flujo de aire del ventilador del condensador.

Se puede notar que el costo exergético del producto del enfriador termoeléctrico, kp*, es 26% mayor que el que presenta el compresor, lo que indica que desde el punto de vista del uso eficiente de la energía no resulta conveniente la aplicación de un enfriador termoeléctrico para subenfriar el refrigerante después del condensador en un sistema de refrigeración por compresión de vapor. Sin embargo, en el caso que la fuente de alimentación del enfriador termoélectrico sea una fuente de energía alterna (solar, eólica, etc.), que se puede considerar "gratis", se justificaría plenamente su aplicación para incrementar la eficiencia termodinámica del sistema de refrigeración.
4. Conclusiones
A partir del estudio experimental y termoeconómico de un sistema de refrigeración por compresión utilizando un enfriador termoeléctrico para subenfriamiento del refrigerante, con dos valores de subenfriamiento (5 y 8°C), se concluyó lo siguiente:
- La implementación del enfriador termoeléctrico aumenta el efecto refrigerante del sistema sin requerir un mayor trabajo por parte del compresor, pudiendo alcanzar hasta un 7.2% en el incremento del COP comparado con el sistema sin subenfrimiento. Sin embargo, al realizar el estudio termoeconómico del sistema se observó que los costos exergéticos unitarios resultantes de usar el enfriador termoeléctrico son incluso mayores, en 26% para el caso con 8°C de subenfriamiento y para la condición de 100% del flujo de aire del ventilador del condensador, que los relacionados con el funcionamiento del compresor.
- Al aumentar el nivel de subenfriamiento usando el enfriador termoeléctrico se incrementa la cantidad de recursos suministrados al sistema sin presentar una ventaja en términos de costos exergéticos como la que se observa con la variación del flujo de aire del ventilador del condensador.
- Queda abierta la posibilidad de aplicar el enfriador termoeléctrico para alcanzar un subenfriamiento en el refrigerante pero con la consideración de que el suministro de energía provenga de una fuente alterna (solar, eólica, etc.) para no aumentar el costo exergético de los recursos.
Agradecimientos
Los autores deseamos expresar su agradecimiento al Instituto Politécnico Nacional (IPN) y al Consejo Nacional de Ciencia y Tecnología (CONACYT) por el apoyo recibido para realizar esta investigación.
Referencias
[1] Sistema de Información Energética. Balance Nacional de Energía: Indicadores económicos y energéticos. Disponible en: http://sie.energia.gob.mx/bdiController.do?action=cuadro&cvecua=IE0C01. Consultado el 19 septiembre 2016. (Error 1: El enlace externo http://sie.energia.gob.mx/bdiController.do?action= cuadro&cvecua =IE0C01 debe ser una url) (Error 2: La url http://sie.energia.gob.mx/bdiController.do?action= cuadro&cvecua =IE0C01 no esta bien escrita)
[2] J. R. Khan, S. M. Zubair, "Thermodynamic optimization of finite time vapor compression refrigeration systems," Energy Conversion and Management, vol. 42, no. 12, pp. 1457-1475, 2001.
[3] R. Selbas, O. Kizilkan, A. Sencan, "Thermoeconomic Optimization of Subcooled and Superheated Vapor Compression Refrigeration Cycle," Energy, vol. 31, no. 12, pp .2108-2128, 2006.
[4] J. Winkler, V. Aute, B. Yang, R. Radermacher, "Potential Benefits of Thermoelectric Element Used With Air-Cooled Heat Exchangers", Proceedings of International Refrigeration and Air Conditioning Conference at Purdue, Purdue University, USA, pp. 1-8, 2006.
[5] R. Rosca, I. Tenu, P. Carlescu, E. Rakpsi, Gh. Manolache, "Assessment of the Subcooling Capabilities of a Thermoelectric Device in a Vapour Compression Refrigeration System," Lucrari Stiintifice seria Agronomie, vol. 51, pp. 224-229, 2007.
[6] J. Schoenfeld, J. Muehlbauer, Y. Hwang, R. Radermacher, "Integration of a Thermoelectric Sub cooler Into a Carbon Dioxide Transcritical Vapour Compression Cycle Refrigeration System", Proceedings of International Refrigeration and Air Conditioning Conference at Purdue, Purdue University, USA, pp. 1-7, 2008.
[7] H. Brijesh Patel, S. Lalit Patel, "Experimental Investigation of Sub Cooling Effect on Simple Vapour Compression System by Domestic Refrigerator," Indian Journal Research, vol. 3, no. 3, 2013.
[8] M. A. Lozano, A. Valero, Thermoeconomic analysis of a gas turbine cogeneration system. ASME Book no. H00874, 1993.
[9] M. D. D'accadia, F. De Rossi, "Thermoeconomic analysis and diagnosis of a refrigeration plant", Energy Conversion and Management, vol. 39, no. 12, pp. 1223-1232, 1998.
[10] R. D. Misra, P. K. Sahoo, A. Gupta, "Application of the exergetic cost theory to the LiBr/H2O vapour absorption system", Energy, vol. 27, pp. 1009-1025, 2002.
[11] T. Ommen, B. Elmegaard, "Numerical model for thermoeconomic diagnosis in commercial transcritical/subcritical booster refrigeration systems", Energy Conversion and Management, vol. 60, pp. 161-169, 2012.
[12] A. Piacentino Antonio, M. Talamo, "Critical analysis of conventional thermoeconomic approaches to the diagnosis of multiple faults in air conditioning units: Capabilities, drawbacks and improvement directions. A case study for an air-cooled system with 120 kW capacity", International Journal of Refrigeration, vol. 36, pp. 24-44, 2013.
[13] J. Pineda, "Estudio experimental del incremento de eficiencia en un sistema de refrigeración al integrar un módulo termoeléctrico", Tesis de Maestría, Instituto Politécnico Nacional, 2011.
[14] C. Ledezma-Cabrera, "Estudio termoeconómico de un sistema de refrigeración con módulo termoeléctrico para subenfriamiento del refrigerante", Tesis de Maestría, Instituto Politécnico Nacional, 2012.