Review papers
The phase stability of nanosecond Gunn oscillators
Фазовая устойчивость наносекундных генераторов Ганна
Фазна стабилност наносекундних ганових осцилатора
The phase stability of nanosecond Gunn oscillators
Vojnotehnicki glasnik/Military Technical Courier, vol. 70, no. 2, pp. 461-474, 2022
University of Defence

Received: 26 January 2022
Revised document received: 16 March 2022
Accepted: 18 March 2022
Abstract:
Introduction/purpose: Detailed theoretical and experimental studies have been carried out in order to investigate the problem of a phase stability in electrodynamically uncoupled Gunn oscillators. Methods: The influence of modulating pulse instabilities has been investigated by means of computer simulation in the framework of a nonlinear one-dimensional theoretical model of the GaAs Gunn diode semiconductor active region. Experimental observations were also conducted including microwave measurements and antenna far-field estimation. They confirm the main theoretical results and extend the key work conclusions. Results: It was shown that the initial phase of the microwave oscillation out of the Gunn oscillator is independent of internal noises of the semiconductor structure and can be fixed only by the modulating voltage pulse. Conclusion: Gunn-diodes based microwave oscillators were stabilized using the leading edge of the voltage pulse from the modulating power supply. These results open up serious prospects for designing antenna phased arrays based on Gunn oscillators without mutual feedback (electrodynamically independent).
Keywords: microwave circuits, space-charge-limited devices, Gunn effect devices.
Pезюме:
Введение/цель: Подробные теоретические и экспериментальные исследования были проведены для изучения проблемы фазовой устойчивости в электродинамически развязанных генераторах Ганна. Методы: С помощью компьютерного моделирования в рамках нелинейной одномерной теоретической модели активной области полупроводникового GaAs-диода Ганна исследовано влияние нестабильностей модулирующего импульса. Также были проведены экспериментальные наблюдения, включая микроволновые измерения и оценку дальнего поля антенны, которые подтвердили ключевые теоретические результаты и расширили основные выводы работы. Результаты: Показано, что начальная фаза СВЧ колебаний вне генератора Ганна не зависит от внутренних шумов полупроводниковой структуры и может фиксироваться только импульсом модулирующего напряжения. Выводы: Генераторы СВЧ на диодах Ганна стабилизировались по переднему фронту импульса напряжения от модулирующего источника питания. Эти результаты открывают серьезные перспективы для создания антенных фазированных решеток на основе генераторов Ганна без взаимной обратной связи (электродинамически независимых).
Ключевые слова: СВЧ-схемы, устройства с ограничением объемного заряда, устройства на эффекте Ганна.
Abstract:
Увод/циљ: Спроведена су детаљна теоријска и експериментална истраживања ради испитивања проблема фазне стабилности у електродинамички раздвојеним Гановим осцилаторима. Методе: Коришћењем рачунарске симулације у оквиру нелинеарног једнодимензионалног теоријског модела активне зоне GaAs полупроводничке Ганове диоде проучен је утицај нестабилности модулационог сигнала. Такође, извршена су експериментална испитивања, укључујући микроталасна мерења и процену далеког поља антене, која су потврдила кључне теоријске резултате и проширила основне закључке рада. Резултати: Доказано је да почетна фаза микроталасних осцилација ван Гановог генератора не зависи од унутрашњег шума полупроводничке структуре и да се може детектовати само модулационим сигналом напона. Закључци: Микроталасни генератори са Гановим диодама стабилизовани су на предњој ивици напонског импулса из модулационог напајања. Ови резултати потврђују да постоје озбиљни изгледи за стварање антенских фазних решетака на бази Ганових генератора без међусобне повратне спреге (електродинамички независне).
Keywords: микроталасна кола, уређаји са ограниченим пуњењем, уређаји са Гановим ефектом.
Introduction
The problem of phase synchronization in microwave oscillators has been of interest for decades (Schamiloglu, 2012). Creation of coherent high-frequency radiation sources offers great opportunities for the development of modern microwave technology. It allows to carry out the coherent spatial summation of radiated power and to provide the coherent signal accumulation mode in the near- and far-field radar systems. In turn, this can significantly increase the capabilities of receiving and transmitting devices (e.g. noise-to-signal ratio). The use of coherent microwave pulse oscillators will significantly improve the location range resolution. Furthermore, these capabilities allow developing active phased arrays modules.
The analysis of the excitation of microwave oscillations conventionally assumes the decisive role of noise in phase setting, resulting in randomness of the phase (Holliday, 1970). The phase stabilization of microwave oscillators is generally attained by using injection locking and phase locking providing strong electrodynamic feedback between oscillators (Pikovsky et al, 2010). The possibility of obtaining coherent oscillations from electrodynamically independent Gunn oscillators remained undiscovered for a long time. However, one more way has been discovered - to use a modulating voltage pulse (Vvedensky et al, 1975; Vvedensky et al, 1985). Vvedensky with co-authors explain the observed phase stabilization effect by a current spike which arises in the resonator of a Gunn oscillator and sets the initial phase (“shock” excitation). It has been emphasized that a reliable phase stabilization requires a rather short modulating pulse rise time (of about the oscillation period).
Based on the hypothetical possibility of synchronizing an oscillator without feedback, in our later experimental papers dealing with two electrodynamically independent nanosecond X-band Gunn oscillators producing ~ 30 W of microwave power (Gubanov et al, 2010; Konev et al, 2011), we observed phase stabilization and synchronization when the oscillators were excited from a common modulator with the modulating pulse rise time much longer than the oscillation period. The minimum standard deviation of the phase difference between the oscillator signals was ~ 2 ps at a modulating pulse rise time of 6.5 ns (Konev et al, 2013).
These observations have been explained by means of a computer simulation and additional experiments. The results obtained suggest that the phase stabilization of a Gunn oscillator by a modulating voltage pulse, UGD(t), is governed by the intrinsic properties of the Gunn diode semiconductor. Specifically, the microwave oscillation phase is stabilized, once the semiconductor starts operating in a mode of negative differential resistance and a first high-field domain appears. This corresponds to a threshold voltage UGD = Uth reached at some point of the modulating pulse leading edge. The discovered effect was rather unexpected for us because we failed to find similar interpretation in the previous investigations.
Theoretical results
The initial experimental work led us to the idea that widely used electrotechnical computational methods (for example, the technique of replacing a semiconductor Gunn diode with an equivalent RCL circuit) are not sufficiently informative for studying the phase stability of a device. So we proposed theoretical studying of electronic processes in Gunn diodes to be based on a numerical simulation of the active layer of the Gunn diode semiconductor crystal in a non-stationary model. All proposed simulations have been carried out using the nonlinear local field model (McCumber & Chynoweth, 1966; Kroemer, 1966). The semiconductor structure of the Gunn diode is considered to be a GaAs one-dimensional crystal with two ohmic contacts at the opposite faces. Its microscopic structure in calculations is given by simplified quasihomogeneous doping profile containing localized inhomogeneity, the so-called "notch" (Figure 1).
In most computations, the quasihomogeneous semiconductor was assumed to have a donor concentration of 1015 cm–3. The semiconductor layer diameter and length were 300 m and 12.5 m, respectively. A high field domain was formed due to the existence of a 0.6 m long region of lower donor concentration (0.9·1015 cm–3) located 0.6 m away from the cathode ("notch" region). To describe the relation between the electron velocity and the electric field strength, a well-known approximation (McCumber & Chynoweth, 1966) was used with the electron mobility taken equal to 8000 cm2/(V·s) and the saturation drift velocity of carriers at high field (4000 V/cm) equal to 107 cm/s. The diffusion coefficient was taken constant and equal to 200 cm2/s.

Two important cases of connecting Gunn diodes were considered. In the first case, a simulation was performed for the simplest Gunn oscillator circuit consisting of a Gunn diode, a modulator, and a current-limiting resistor (R = 1 ) connected in series (Kozhevnikov et al, 2013).
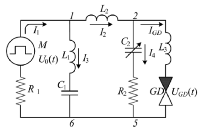
In the other case, the Gunn oscillator equivalent circuit (with parameters R1 = 1 , L1 = 0.5 nH, C1 = 0.5 pF, L2 = 1.2 nH, C2 = 1.2 pF, R2 = 0.5 , L3 = 0.5 nH) contained a resonator (Figure 2) to take into account the effect of the electric field on the processes occurring in the semiconductor layer (Konev et al, 2013). The units of this circuit and its parameters were specified to match the design of the oscillator used in our experiments (Gubanov et al, 2011) and so that sinusoidal microwave oscillations with a carrier frequency of 10 GHz were excited at the load R2 simulating the output waveguide. The voltage pulse generated by the modulator had a trapezoidal shape and its instability was simulated by variations in the rise time te and the amplitude U0. These variations produced phase deviations in the microwave pulse. For instance, for the circuit with resistive load, the variation ∆te = ± 0.05 ns about an average value of 1 ns gave a current phase deviation ∆tph equal to ± 0.016 ns (Figure 3a). For the circuit with a resonator under the same conditions, the ∆tph was ± 0.022 ns (Figure 3b).


The simulation has also shown that tph did not increase on increasing te at a fixed U0 and ∆te ≠ 0, whereas an increase in te at a fixed ∆te = 0 and ∆U0 ≠ 0 gave an increase in ∆tph. This means that the modulating pulse amplitude noise is the main reason of the oscillator phase instability increase caused by the pulse leading edge rise.
For the circuit with a resonator, the effect of phase stabilization was observed in the background of “shock” excitation in the oscillatory circuit, as demonstrated in Figure 3c. As it was shown (Konev et al, 2013), the only microwave oscillations appeared due to “shock” excitation observed both in the simulation and in the experiment could be considered as some appreciable “noise”. The calculations show that in all studied cases, the oscillation amplitude of the Gunn diode current is about 1 A even in the first period when UGD exceeds Uth, and this amplitude is noticeably higher than the above mentioned “noise” amplitude (Figure 3b). As a result, the observed phase deviation is defined by the instability of the modulating pulse rise time and amplitude, and the Gunn diode itself provides a stable phase during the excitation of the oscillatory process.
Experimental results
The experimental work was aimed to investigate the possibility of creating synchronized Gunn diodes oscillators. It includes several series of experiments. Most of experimental setups were carried out on nanosecond Gunn oscillators with one and two series-connected 3А762‑type Gunn diodes. The use of two diodes implied, along with phase measurements, a study of the possibility for power enhancement. The oscillators were tuned to a carrier frequency of 10 GHz.
The first group of experiments have been conducted in order to measure the phase delay standard deviation with respect to the modulator pulse rise time (in Figure 4). The measurements were performed with a LeCroy WaveMaster 830Zi oscilloscope. The “delay” function was used to measure the standard deviations σt1 and σt2 of phase delay with respect to a certain time point during the modulating pulse rise UDG(t) for one and two series-connected Gunn diodes, respectively. The measuring channel for the modulating pulse had a working bandwidth of 1 GHz and each of those for the microwave signal had a working bandwidth of 13 GHz. The oscilloscope trigger voltage was ~ 500 mV.


The minimum standard deviations were σt1 = 2.1 ps and σt2 = 0.8 ps after excluding the oscilloscope jitter. The peak power with one and two diodes was ~ 30 and ~ 60 W, respectively. The much lower value of σt2 compared with σt1 suggests that the semiconductor structure has a stabilizing effect on the microwave oscillation phase.
In the experiments, we studied the influence of the voltage pulse rise time (rate of voltage rise dUGD/dt) on σt1. For this purpose, chip inductors L of 8.2 and 82 nH were connected in series with a Gunn diode between the modulator and the oscillator resonance chamber. Figure 5a and Figure 5b show the waveforms of the voltage pulse (1–3) and the microwave signal (4–6) for L = 0 nH (traces 1, 4), L = 8.2 nH (traces 2, 5), and L = 82 nH (traces 3, 6).
In the first case, the minimum standard deviation σt1 was 2.1 ps; in the second case, it was 14.5 ps; and in the third case, the phase becomes unstable. The voltage rise times shown in Figure 5a are as follows: 1 = 4 ns, 2 = 7.2 ns, 3 = 16.4 ns. This dependence of σt1 on the voltage rise time is explained by the fact that the phase deviation ∆tph increases with increasing te due to some instability of the voltage pulse amplitude, as found in the simulation.
In the second experiment (Figure 6), we studied the phase synchronization of two oscillators with a peak power of 30 W which were connected in parallel and excited concurrently by a common modulator via strip lines of a geometric length of 120 cm (insulator – fiber glass laminate). This excluded the oscillators coupling via the modulator. Measurements were performed by a special procedure (Konev et al, 2011).
The modulating pulse rise time was 6.4 ns. Figure 7 shows the synchronized oscillograms of microwave signals 1 and 2 for these two oscillators. The oscillograms demonstrate that the microwave oscillation arising on time interval 4 due to the transition of the Gunn diode semiconductor structures to the mode of negative differential resistance is independent of the oscillations appeared within time interval 3 due to the “shock” excitation of the oscillatory circuit. It is seen that signal 2 (green) displays some phase failure.
Nevertheless, after several periods, signal phases 1 and 2 are aligned. On alternately switching off one of the Gunn oscillators, the oscillograms remained unchanged. Thus, a crosstalk-induced synchronization was excluded. The oscillations remained cophased during the whole microwave pulse with a full width at a half maximum of 16 ns.


As the measured deviation value was 2.1 ps, so it fits the phase stability criterion for the development of antenna active phased arrays. It was also established that the serial connection of two identical Gunn diodes led to a significant reduction of the standard deviation value as compared to the same value for a single diode. Both of these favorable factors prompted another experimental study of the antenna system wave field (Kozhevnikov et al, 2015). Its visual scheme is shown in Figure 8. The antenna system consists of two synchronized nanosecond X-band Gunn oscillators GO1 and GO2 connected to rectangular horns 8 via attenuators 2 and a phase shifter 3. The Gunn oscillators were fed from a single voltage source 1 through strip lines. The horn antennas 8 were arranged in parallel to each other at a distance a = 14 cm between them.


1, 2 – radiation pattern of each horn excited by an independent Gunn oscillator;
3 – microwave oscillations superposition of two horn antennas powered by a single standard oscillator with 500 us pulse duration;
4 – microwave oscillations superposition of two synchronized nanosecond Gunn oscillators
The receiving antenna 5 was connected to the waveguide semiconductor detector 6 through an adjustable attenuator 2. The detected signal was recorded with the Tektronix-5401 real-time oscilloscope 7 with 1 GHz operating band. The coherent summation of the wave field patterns from two horn antennas powered by a single standard oscillator with a 500 us pulse duration, and powered by two synchronized nanosecond Gunn oscillators is shown in Figure 9.
Conclusions
The studies show that the microwave oscillation phase in the Gunn oscillators is stabilized in an instant when the Gunn diode semiconductor structure passes to the mode of negative differential resistance. In the experiments, we did not find the influence of noises that can perceptibly affect the phase. Appreciable oscillations were only those arising due to the pulse excitation of the oscillator resonance system. Once the threshold voltage is reached and the first high field domain is formed, the current amplitude through the Gunn diode structure increases in a time of about the oscillation period, reaching a near-stationary value which is much higher than the noise and “shock” excitation values. Thus, the oscillation phase of the Gunn oscillators with a microwave power of several tens of watt (e.g., those based on 3А762 diodes), can be stable even at much longer modulating pulse rise time compared to the microwave oscillation period.
The discovered effect and the phase instability measurements results suggest prerequisites for the development of phased arrays. It requires a simple phase synchronization mechanism with only the voltage pulse of common modulator or several synchronized modulators that produce a repeatable modulating pulse without strict limitations on its rise time.
Acknowledgments
The authors thank Dr. Herbert Krömer (Nobel Prize winner, IEEE Fellow) and Valery S. Syuvatkin for their help and fruitful discussion on the problem of phase synchronization phenomenon. Also, the authors express their sincere gratitude to doctors and nurses around the world who fight against COVID-19 infection, not sparing their health and lives for the benefit of all mankind.
References
Gubanov, V.P., Klimov, A.I., Koval’chuk, O.B., Konev, V.Yu. & Rostov V.V. 2010. An X-band nanosecond gunn oscillator. Instruments and Experimental Techniques, 53(5), pp.710-713. Available at: https://doi.org/10.1134/s0020441210050167.
Holliday, H.R. 1970. The effect of operating parameters and oscillator characteristics upon the phase angle between a locked X-band Gunn oscillator and its locking signal. IEEE Transactions on Electron Devices, 17(7), pp.527-533. Available at: https://doi.org/10.1109/t-ed.1970.17025.
Konev, V.Y., Gubanov, V.P., Klimov, A.I., Koval’chuk, O.B., Rostov, V.V., Sharypov, K.A. & Yalandin, M.I. 2011. Phase locking of nanosecond Gunn-effect oscillators. Instruments and Experimental Techniques, 54(6), pp.781-784. Available at: https://doi.org/10.1134/s0020441211050216.
Konev, V.Y., Klimov, A.I., Koval’chuk, O.B., Gubanov, V.P., Kozhevnikov, V.Yu., Kozyrev, A.V. & Torkhov, N.A. 2013. The effect of phase stabilization of microwave oscillations in nanosecond Gunn oscillators. Technical Physics Letters, 39(11), pp.957-959. Available at: https://doi.org/10.1134/s1063785013110072.
Kozhevnikov, V.Y., Konev, V.Y. & Klimov, A.I. 2015. Coherent radiation summation of two X-band nanosecond Gunn oscillators synchronized by a modulating pulse. In: 23rd Telecommunications Forum Telfor (TELFOR), Belgrade, Serbia, November 24-26. Available at: https://doi.org/10.1109/telfor.2015.7377524.
Kozhevnikov, V.Y., Konev, V.Yu., Klimov, A.I., Gubanov, V.P., Kovalchuk, O.B. & Kozyrev, A.V. 2013. Phase stabilization effect in nanosecond microwave Gunn oscillators. In: 21st Telecommunications Forum Telfor (TELFOR), Belgrade, Serbia, November 26-28. Available at: https://doi.org/10.1109/telfor.2013.6716324.
Kroemer, H. 1966. Nonlinear space-charge domain dynamics in a semiconductor with negative differential mobility. IEEE Transactions on Electron Devices, ED-13(1), pp.27-40. Available at: https://doi.org/10.1109/t-ed.1966.15631.
McCumber, D.E. & Chynoweth, A.G. 1966. Theory of negative-conductance amplification and of Gunn instabilities in “two-valley” semiconductors. IEEE Transactions on Electron Devices, ED-13(1), pp.4-21. Available at: https://doi.org/10.1109/t-ed.1966.15629.
Pikovsky, A., Rosenblum, M. & Kurths, J. 2010. Preface. In: Synchronization: A Universal Concept in Nonlinear Sciences (Cambridge Nonlinear Science Series), pp.Xvii-Xx. Cambridge: Cambridge University Press. Available at: https://doi.org/10.1017/cbo9780511755743.001.
Schamiloglu, E. 2012. Recent trends in high power microwave source research: Multispectral and phase coherent solutions. In: 2012 Asia-Pacific Symposium on Electromagnetic Compatibility, Singapore, pp.357-360, May 21-24. Available at: https://doi.org/10.1109/apemc.2012.6237975.
Vvedensky, V., Andrianov, A. & Ermilov, E. 1975. Coherent nanosecond radio pulse oscillator. Pribory i tekhnika eksperimenta, 1, pp.114-115.
Vvedensky, V., Suvatkin, V. & Khrustalev, A. 1985. Investigation of microwave oscillation phase stabilization in pulsed Gunn oscillators. Radiotekhnika i elektronika, 30(10), pp.2063-2064.
Author notes
Vasily.Y.Kozhevnikov@ieee.org
Additional information
FIELD: Microwave Electronics
ARTICLE TYPE: Review paper
Alternative link
https://scindeks.ceon.rs/article.aspx?artid=0042-84692202461K (html)
https://aseestant.ceon.rs/index.php/vtg/article/view/36094 (pdf)
https://doaj.org/article/4860b57376e24b358ad7f74ceb682311 (pdf)
https://www.elibrary.ru/item.asp?id=48140919 (pdf)
http://www.vtg.mod.gov.rs/archive/2022/military-technical-courier-2-2022.pdf (pdf)