Artículos científicos
Evaluación del comportamiento mecánico de un acero AISI 1045 sometido a tratamientos térmicos
Evaluation of the mechanical behavior of an AISI 1045 steel subjected to thermal treatments
Evaluación del comportamiento mecánico de un acero AISI 1045 sometido a tratamientos térmicos
Revista INGENIERÍA UC, vol. 25, núm. 1, 2018
Universidad de Carabobo
Recepción: 01 Febrero 2018
Aprobación: 13 Abril 2018
Resumen: El propósito de esta investigación consiste en la evaluación del comportamiento mecánico a torsión del acero AISI 1045 en estado de entrega (trefilado en frío) y con tratamientos térmicos de recocido a 860ºC y normalizado a 915ºC. Se aplicaron ensayos de tracción, torsión y dureza al material en las tres condiciones mencionadas, en los ensayos de tracción se obtuvieron las curvas esfuerzo-deformación y en el ensayo de torsión las curvas de esfuerzo de corte-deformación angular, se determinaron las propiedades mecánicas a tracción y torsión (esfuerzo de fluencia, esfuerzo máximo, esfuerzo de rotura, etc.), así como la dureza respectiva en cada caso. Se evidenció que las propiedades mecánicas del material fueron afectadas por los tratamientos térmicos, obteniéndose los mayores valores de resistencia mecánica al corte para el material en condición de entrega, y en el comportamiento a torsión, sé observó la presencia de mesetas de fluencia solo en las condiciones de tratamientos térmicos de normalizado y recocido . Se determinaron las relaciones obtenidas en los ensayos de torsión y tracción, estos se compararon con los criterios de falla de Von Mises-Hencky y Tresca.
Palabras clave: ensayo de torsión, esfuerzo de corte, acero AISI 1045.
Abstract: The purpose of this investigation is to evaluate the mechanical torsional behavior of AISI 1045 steel in the delivery state (cold drawn) and with annealing thermal treatments at 860ºC and standardized at 915ºC. Tensile, torsion and hardness tests were applied to the material in the three mentioned conditions, in the tensile tests, the stress-strain curves were obtained and in the torsion test the shear stress-angular deformation curves were determined tensile and torsional mechanics (creep stress, maximum stress, breaking stress, etc.), as well as the respective hardness in each case. It was evidenced that the mechanical properties of the material were affected by the thermal treatments, obtaining the highest values of mechanical resistance to the cut for the material in delivery condition. The relationships obtained in the torsion and traction tests were determined, these were compared with the von Mises-Hencky and Tresca failure criteria.
Keywords: torsion test, cutting effort, AISI 1045 steel.
1. Introducción
En la actualidad, el desarrollo de la tecnología, combinado con el estudio detallado del efecto de diferentes metales adicionales en la aleación Hierro-Carbono, ha dado paso a una gama de aceros bastante amplia presente en la mayoría de los catálogos de venta nacionales e internacionales, en los cuales se encuentran desde aceros de bajo carbono hasta aceros inoxidables, entre otros. [1] A pesar de la gran cantidad de aceros disponibles en el mercado y la documentación detallada que ofrecen los proveedores en sus catálogos de venta, gran cantidad de ellos proporcionan esta información basados solamente en datos teóricos, para verificar estos datos de manera precisa es necesario realizar ensayos. Una alta cantidad de los diversos aceros, aun poseen propiedades desconocidas a nivel experimental para ciertas condiciones de fabricación y ensayo. Uno de los casos que posee pocas referencias bibliográficas directas en revistas tecnológicas, libros de texto y catálogos de venta es la evaluación de las propiedades mecánicas en ensayos a torsión del acero AISI 1045. Esto representa un aspecto de suma importancia en la consideración de este material en el diseño y elaboración de piezas de vehículos y maquinarias, como lo son ejes, árboles de levas, chavetas y partes expuestas al desgaste por fricción en general, donde están siempre presentes estados de esfuerzos triaxiales que deben considerarse, como también los efectos de diversos momentos torsores que tendrán que soportar dichos elementos sin presentar fallas [2].
La finalidad de esta investigación es verificar y documentar el comportamiento mecánico del acero AISI 1045 sometido a torsión, tracción y pruebas de dureza en diferentes condiciones: entrega, tratamiento térmico de recocido y tratamiento térmico de normalizado.
2. Metodología
2.1. Material
Para el presente trabajo se utilizó un acero AISI 1045 en forma de barras cilíndricas de 1pulg. de diámetro y 6 metros de longitud elaboradas por medio de un proceso de trefilado en frio. En el caso de las probetas necesarias para los ensayos de tracción, fueron elaboradas con las dimensiones especificadas por las normas ASTM A370 y ASTM E8M-04 [3]. Por otra parte, las probetas para los ensayos de torsión a realizar fueron fabricadas bajo las regulaciones establecidas por la norma COVENIN 907-1997 [4], como lo son el diámetro de la probeta y su longitud. Sin embargo, específicamente la longitud, está limitada por las medidas de la máquina para ensayos de torsión a utilizar.
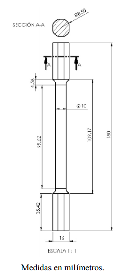
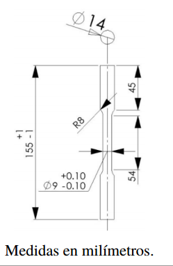
En cada condición de estudio, se ensayaron cinco (5) probetas a tracción, seis (6) probetas a torsión y para ensayo de dureza dos (2) probetas. Teniéndose un total de treinta y nueve (39) probetas, cuyas dimensiones se muestran en las Figuras 1, 2 y 3.
![Dimensiones de probeta de acuerdo a la norma ASTM
E8M-04 [3].](../70757668013_gf2.png)


Además, las probetas necesarias para los ensayos de dureza fueron elaboradas partiendo de barras del mismo diámetro (1pulg.) que las utilizadas para las probetas de los ensayos de tracción y torsión, siguiendo las especificaciones de la norma ASTM E18-02 [5], la cual establece los métodos y lineamientos para ensayos de dureza Rockwell en materiales metálicos.
2.2. Aplicación de tratamientos térmicos
Los tratamientos térmicos aplicados en esta investigación son los de recocido y normalizado, los cuales fueron aplicados a todas las probetas respectivamente empleando el horno del Laboratorio de Materiales de la Universidad de Carabobo, marca Thermolyne, modelo FURNACE 48000.
2.2.1. Recocido
El tratamiento térmico de recocido en las probetas de tracción, torsión y dureza, fueron sometidas a una temperatura de 860 °C, durante un tiempo de 28 minutos, para luego dejarse enfriar por completo en el interior del horno, siguiendo las especificaciones de la norma ASTM, E18-02 [5].
2.2.2. Normalizado
Para aplicar el tratamiento térmico de normalizado en las probetas de tracción, torsión y dureza, se calentaron a una temperatura de 915 °C durante un tiempo de 28 minutos, para luego ser extraídas del horno y dejar que se enfríen al aire tranquilo hasta temperatura ambiente, aproximadamente 25ºC.
2.3. Ensayo de tracción
Los ensayos de tracción para esta investigación fueron realizados utilizando la maquina universal para ensayos de tracción marca METROCOM Engineering S.P.A., la cual se encuentra en el Laboratorio de Materiales y Procesos de Fabricación del Instituto Universitario Tecnológico de Puerto Cabello. Las probetas ensayadas tienen las dimensiones mostradas en la Figura 1, según la norma ASTM A370 para la realización de ensayos de tracción en materiales metálicos.
2.4. Ensayo de torsión
Para la realización del ensayo se sometieron seis probetas por cada condición de tratamiento térmico incluyendo también la condición de entrega del material, este número de ensayos se implementó para reducir lo más posible cualquier error en los resultados. Fueron ensayadas empleando la máquina para ensayos de torsión marca RIEHLE, presente en el Laboratorio de Resistencia de la Universidad Nacional Experimental Politécnica "Antonio José De Sucre", Barquisimeto. A cada probeta (Figura 2) se le aplicó un par torsor alrededor de su eje longitudinal hasta llegar a su punto de ruptura, dicho par fue aplicado a cada probeta a través de la mordaza giratoria, el cual actúa en conjunto con la mordaza fija de la máquina para generar un estado de esfuerzos cortantes sobre las probetas.
2.5. Ensayo de dureza
El ensayo de dureza fue realizado según la norma ASTM E18-02 [5] la cual regula los ensayos de dureza Rockwell y dureza superficial en materiales metálicos, además se establecen parámetros tales como los tipos de identadores a utilizar según la escala, La carga a ser utilizada, las tolerancias dimensionales en la fabricación de los identadores y las desviaciones permitidas en el ensayo, entre otros aspectos.
En las probetas de dureza descritas anteriormente (Figura 3.) se empleó un durómetro digital marca Buehler presente en el Laboratorio de Materiales de la Facultad de Ingeniería de la Universidad de Carabobo. La dureza se medió en la escala Rockwell B, con su correspondiente carga de 100 kg y un identador tipo esfera de acero de 1/16pulg. de diámetro.
En cada condición de estudio se estudiaron dos muestras en las cuales se realizaron cinco mediciones.
2.6. Relación entre las propiedades a tracción y torsión
Una vez obtenidas todas las propiedades mecánicas a tracción y a torsión de cada una de las condiciones del material en estudio, se procedió a determinar la relación que existe entre dichos valores para así compararla con la relación teórica de los criterios de fluencia según Tresca (teoría del esfuerzo cortante máximo) y Von Mises-Hencky (teoría de la energía de distorsión). Los criterios de fluencia se deben aplicar a cualquier sistema de esfuerzos. En donde se involucran los tres esfuerzos principales en un estado de esfuerzo simple (ensayo uniaxial) y a un ensayo de torsión.
En el caso del estado de esfuerzos correspondiente al ensayo de tracción, el sistema de esfuerzos es un esfuerzo uniaxial puro y, es conocido que la fluencia tiene lugar para el valor Y . De este modo: σ1=Y y σ2=σ3=0, al comienzo de la deformación plástica. Entonces, el criterio de Von-Mises [6] resulta:

En el caso del sistema de esfuerzos correspondiente al ensayo de torsión, la fluencia tiene lugar a un valor que usualmente se representa por k. Entonces, al comenzar la deformación plástica en un ensayo de torsión: σ1 = +k, σ2 = 0 y σ3 = −k. De modo que, del criterio de Von Mises resulta:

Los valores de A deben ser iguales, ya que, A es una constante y el criterio tiene validez general. Esto implica que, de acuerdo con Von-Mises:
(1)Si ahora se aplica a estos dos sistemas de esfuerzos (tracción y torsión) el criterio de Tresca [6], se obtienen resultados ligeramente diferentes. En la torsión pura la fluencia aparece cuando:

Y en tracción pura:

Por tanto, de acuerdo con Tresca:

Usando la relación de Von-Mises entre Y y k ecuación (1), se tiene:

3. Resultados y discusión
A continuación se muestran los resultados obtenidos del análisis de material mediante espectroscopia de emisión óptica (OES): Carbono( %) = 0,477, Manganeso( %) = 0,70, Fosforo( %) = 0,007, Azufre( %)= 0,025, Silicio( %) = 0,135, Cromo( %) = 0,058, Níquel( %) = 0,123, Molibdeno( %) = 0,020, cobre( %)= 0,164.
3.1. Ensayos de tracción
Se establece una comparación entre los valores típicos encontrados en referencias bibliográficas y los resultados experimentales obtenidos. Es necesario observar las diferencias entre las propiedades mecánicas a tracción del acero en sus distintas condiciones, para así analizar los efectos de cada tratamiento térmico aplicado en el material. Las curvas de esfuerzo – deformación ingenieril para cada condición se muestran en la Figura 4.

Las curvas de la Figura 4 denotan un comportamiento en la zona elástica bastante similar del material en su condición de entrega (trefilado en frío) y en las condiciones de tratamiento térmico de normalizado y recocido. Se observa que las probetas con tratamiento térmico de normalizado presentaron esfuerzos máximos mayores a las probetas con tratamiento térmico de recocido. Además, el acero en su condición de entrega (trefilado en frío), muestra esfuerzos máximos mayores a las condiciones de los tratamientos térmicos aplicados, así como una considerable menor ductilidad, lo que refleja el gran efecto que tiene el trabajo en frío sobre las propiedades mecánicas del material.
Uno de los aspectos más notables al analizar la Figura 4, es que el área bajo las curvas para las probetas con tratamientos térmicos es mayor a la del material trefilado en frio, esto indica que los tratamientos térmicos aumentan notablemente la tenacidad del material, siendo este en efecto la capacidad para soportar esfuerzos superiores al esfuerzo de fluencia, sin que se produzca su fractura.
El aumento en la tenacidad es una de las causas del incremento de la ductilidad, que pasa de un 9 % de alargamiento a la ruptura en la condición de entrega (trefilado en frío) a un 17 % en las probetas tratadas térmicamente.
3.2. Ensayos de Dureza
Una forma de medir la resistencia de un material a la deformación plástica es con el ensayo de dureza. Para la aleación de acero estudiada se llevó a cabo este ensayo en cinco (5) ocasiones por cada probeta en cada condición del material, en la escala Rockwell B.
Debido a que los valores típicos de dureza encontrados en las referencias bibliográficas se encuentran como dureza Brinell, estos resultados experimentales deben ser convertidos a dicha escala, empleando la tabla de conversiones presentes en la norma ASTM E-140 Tablas de conversión de durezas normales para metales, con el fin de comparar estos valores a una misma escala. La Tabla 1 muestra los valores promedios de dureza obtenidos mediante los ensayos y los valores típicos para cada condición del material.

La Figura 5 presenta los valores promedios experimentales de dureza para cada condición en un gráfico de columnas.

La Figura 5 indica que el material con tratamiento térmico de normalizado presenta la dureza de mayor magnitud, sin embargo, este solo posee una diferencia ligera con respecto al resultado de la probeta en su condición original que representa un 4,11 % y con respecto al material con tratamiento térmico de recocido posee una diferencia de 33,17 %. Estos tratamientos térmicos se realizan con la finalidad de disminuir la resistencia del material a la deformación, aumentando así su ductilidad, a pesar de esto anteriormente mencionado cabe destacar que respecto a la propiedad de dureza, el acero AISI 1045 no presenta una varianza significativa entre los valores de las condiciones de trefilado en frío y con tratamiento térmico de normalizado, mientras que la dureza para el caso del tratamiento de recocido si disminuyó significativamente.
3.3. Ensayos de torsión
Al realizar los ensayos de torsión se conocieron los valores de las propiedades mecánicas del material en estudio para cada una de las condiciones antes mencionadas; estas propiedades definen el comportamiento del material tanto elástica como plásticamente cuando es sometido a esfuerzos mecánicos de corte (Ver Figura 6).

En el ensayo de torsión a medida que aumenta el esfuerzo de corte aplicado al material, aumenta la deformación angular, esto se debe a la respuesta que genera el material al aplicársele las condiciones de carga variable creciente, almacenando dicha energía aplicada mediante la deformación. Las curvas presentan en su inicio una zona lineal, esta zona representa la región elástica del material, la cual establece que la deformación unitaria es directamente proporcional al esfuerzo aplicado.
Posterior a la zona elástica, en el caso de las condiciones de normalizado y recocido se genera la llamada meseta de fluencia, la cual indica la región donde el material fluye deformándose sin aumento de la carga y donde inicia el comportamiento plástico del mismo, en el caso de las probetas del material en estado de entrega (trefilado en frío) no se presenta esta meseta debido a que el material se encuentra endurecido por deformación debido a su proceso de fabricación, por ende esto evita la aparición de la meseta de fluencia [8]. Finalmente, se tiene que en la zona plástica es necesario aplicar mayor carga para deformar el material a medida que este se deforma, este comportamiento se debe a que la deformación genera dislocaciones dentro del material, lo que se refleja en un endurecimiento del mismo [9].
En la Tabla 2 se muestran de igual forma los valores comparativos (promedios) de las propiedades mecánicas a torsión del material en cada una de sus condiciones.

Para el caso del coeficiente de endurecimiento por deformación se obtuvo que el valor más alto es para el caso del recocido, seguidamente de las probetas en condición de normalizado y para finalizar el valor más bajo se obtiene para las probetas trefiladas en frío (estado de entrega); la razón por la cual el coeficiente de endurecimiento por deformación en el caso de la condición de entrega es el menor se debe a que este material ya posee un endurecimiento por deformación causado por el proceso de fabricación al que fue sometido, generando que la densidad de dislocaciones internas del material aumente, lo que hace más difícil deformar el material, es decir, se genera un aumento de la resistencia mecánica, de igual forma esto también aumenta la fragilidad y disminuye la tenacidad del material.
En el caso de las probetas con tratamientos térmicos de recocido y de normalizado, se tiene que las probetas de recocido poseen un mayor coeficiente de endurecimiento por deformación, lo que indica su mayor capacidad para deformarse y endurecerse, propio de una estructura más estable y ordenada a consecuencia de su enfriamiento muy lento, mientras que las probetas con tratamientos térmicos de normalizado, debido a su mayor velocidad de enfriamiento, se produce una estructura menos estable, que debe generar una microestructura con menos ferrita y mas perlita en el material, aumentando su dureza y disminuyendo su capacidad de deformación, en comparación a la condición de recocido.
La propiedad de esfuerzo de fluencia al corte tiene un valor máximo para la condición de trefilado en frio, seguido por el valor de la condición de normalizado y finalmente la condición de recocido; en el caso de trefilado en frio, presenta los mayores valores de resistencia mecánica, lo cual es ocasionado por el trabajo en frio previo que posee; en el caso de la condición de normalizado, esta posee un mayor esfuerzo de fluencia que la condición de recocido, lo que corresponde con la explicación del enfriamiento y microestructura señalada en el párrafo anterior.
Caso similar ocurre en el caso del esfuerzo último cortante, teniendo el menor valor para la condición de recocido, aumentando para la condición de normalizado y trefilado, siendo ligeramente mayor para la condición de trefilado en frío respecto al tratamiento de normalizado.
El valor de la deformación angular a la rotura en el caso de la condición de trefilado en frío es el más bajo de las tres condiciones, y es similar en ambas condiciones de tratamiento térmico, esto coincide con el comportamiento de la ductilidad obtenida a tracción, lo que confirma lo mencionado anteriormente, el endurecimiento que posee el material en la condición de entrega aumenta su dificultad para deformarse (disminución de la ductilidad). Entre las condiciones de tratamiento térmico de normalizado y recocido esta propiedad no se ve afectada, es decir se mantiene.
Para finalizar, en cuanto al comportamiento mecánico a torsión, en el caso del módulo de corte se tiene que este presenta un valor más elevado en el caso de la condición de trefilado en frío, seguido del normalizado y por último la condición de recocido, En la Figura 6, se observa, la zona elástica de las tres condiciones y se aprecia la misma pendiente, igualmente con esfuerzos de tracción se observa este comportamiento en la Figura 4, aunado a esto, se conoce que en esta zona solo ocurre el estiramiento de los enlaces entre los átomos, por lo que sucede solo deformación elástica. En las tres condiciones de estudio, la microestructura debe estar formada por las mismas fases pero en cantidades ligeramente distintas, debido a que estos tratamientos no cambian el tipo de fase presente, es de esperarse que el tipo de enlace sea el mismo, lo que hace pensar que el comportamiento observado en cuanto al módulo de corte no debería variar, por todo lo anteriormente expuesto, no son concluyentes estos resultados, por lo que se sugiere confirmar con otros estudios.
3.4. Relaciones entre las propiedades obtenidas de los ensayos de tracción y torsión
Al aplicar las relaciones entre el esfuerzo de fluencia obtenido en el ensayo de tracción y el esfuerzo de fluencia obtenido a partir del ensayo de torsión se puede observar que dichas relaciones se mantuvieron aproximadamente constantes y con una dispersión entre estos valores de alrededor de un 14 %. Al comparar estos resultados con los respectivos criterios de falla de Von Mises-Hencky y Tresca se puede determinar los errores obtenidos referentes a cada criterio tal como se muestra en la Tabla 3.

En la Tabla 3 se puede observar en general que para todas las condiciones en estudio bien sea trefilado en frio, normalizado o recocido, se obtienen valores más aproximados a las relaciones teóricas de fluencia cuando se aplica el criterio de Von Mises que al aplicar el criterio de Tresca, ya que la desviación con respecto a lo que indica la teoría de Von Mises resulto menor en todos los casos que las desviaciones obtenidas al aplicar el criterio de Tresca.
4. Conclusiones
Las propiedades mecánicas a tracción y a torsión en el acero AISI 1045 varían según el tratamiento térmico aplicado.
El esfuerzo máximo a tracción y de ruptura disminuyen significativamente al aplicar tratamientos térmicos de normalizado y recocido, en tanto que la ductilidad y tenacidad aumentan significativamente respecto a la condición de trefilado en frío.
La dureza del material con estado de trefilado en frío, no varía al aplicarse un tratamiento térmico de normalizado, sin embargo, disminuye un 20 % al aplicar un tratamiento térmico de recocido.
El coeficiente de endurecimiento por deformación a torsión presenta un aumento para la condición de normalizado de hasta 5 veces al valor del material en condición de entrega, igual en el caso de recocido donde hay un aumento de hasta 8 veces este valor.
En condición de trefilado en frío el esfuerzo de fluencia cortante disminuye un 28 % al aplicar un tratamiento térmico de normalizado y disminuye un 48 % al aplicar un tratamiento térmico de recocido. El comportamiento a torsión del AISI 1045 trefilado en frio no presenta mesetas de fluencia, mientras que con los tratamientos térmicos de normalizado y recocido sí.
El esfuerzo cortante máximo no varía con el tratamiento térmico de normalizado, sin embargo, disminuye un 11 % con el tratamiento térmico de recocido.
La relación entre el esfuerzo de fluencia a tracción del material y su esfuerzo de fluencia a corte fueron relativamente similares a los criterios de fluencia de Von Mises y Tresca, generando errores máximos de 43,46 % en el caso de Von Mises y de hasta 51,04 % en el caso de Tresca, ambos para la condición de Entrega.
Recomendaciones
Promover las investigaciones sobre el comportamiento mecánico y micro estructural de otros materiales (metálicos y no metálicos).
Realizar el estudio avanzado de esta misma aleación (acero AISI 1045) con distintos tratamientos térmicos y a distintas temperaturas, para así generar una mayor base de datos sobre este ensayo y analizar como varían sus propiedades mecánicas según el tipo de material y las condiciones aplicadas.
Promover el diseño de una máquina para realizar ensayos de torsión con capacidad para ensayar metales poco dúctiles, que permitan realizar estudios dentro de torsión a metales duros dentro del laboratorio de materiales de la Universidad de Carabobo.
Realizar ensayos de torsión en una máquina que posea elementos de medición adecuada en la zona elástica, es decir con galgas extensiométricas que permitan realizar mediciones más exactas en esta zona y así poder determinar la influencia de los tratamientos térmicos en el estudio sobre el módulo de corte.
5. Referencias
[1] Donald R Askeland and Pradeep P Phulé. Ciencia e ingeniería de los materiales. Thomson„ 4ta edition, 2004.
[2] Luis Gómez and Andrés Gónzalez. Evaluación del comportamiento mecánico a torsión de un acero de bajo carbono tratado térmicamente. Trabajo Especial de Grado, Escuela de Ingeniería Mecánica, Facultad de Ingeniería, Universidad de Carabobo, Venezuela, 2010.
[3] ASTM E8M-04(2004), Standard test methods for tension testing of metallic materials [metric] (withdrawn 2008), 2004.
[4] VICSON, BRIVENSA, and IVES. COVENIN 907:1997, Alambres de acero. Método de ensayo de torsión simple. (2da Revisión). COVENIN, 1997.
[5] ASTM E18 - 02(2002), Standard test methods for rockwell hardness and rockwell superficial hardness of metallic materials, 2002.
[6] Sandra Bivieska Cabello Sequera. Tópicos sobre conformado de metales. Publicaciones de la Facultad de Ingeniería, Venezuela, 2009.
[7] ASM International Handbook Committee. ASM Handbook. Properties and Selection: Irons, Steels, and High Performance Alloys, volume 1. ASM International, 1990.
[8] Gennifer Aparicio, Heber D’Armas, and Marco Ciaccia. Comportamiento elastoplástico en tracción de láminas de acero ASTM A-569. Revista Ingeniería UC, 14(1):57–63, 2007.
[9] W. Smith. Fundamentos de la ciencia e ingeniería de materiales. McGraw-Hill, 1998.
Notas de autor
calfonzo@uc.edu.ve
Enlace alternativo
http://servicio.bc.uc.edu.ve/ingenieria/revista/v25n1/art12.pdf (pdf)