Caracterización de un acero inoxidable 304 H expuesto a elevada temperatura por 15 años de servicio
Characterization of an austenitic stainless steel AISI 304 H with 15 year in service exposed at high temperature
Caracterización de un acero inoxidable 304 H expuesto a elevada temperatura por 15 años de servicio
Revista INGENIERÍA UC, vol. 25, núm. 3, 2018
Universidad de Carabobo
Recepción: 01 Septiembre 2018
Aprobación: 30 Noviembre 2018
Resumen: El propósito de la presente investigación es caracterizar un acero inoxidable 304H expuesto a elevada temperatura (650°C) por 15 años de servicio, resaltando el estudio de la precipitación de fase sigma, convirtiendo el acero en un material frágil. Se realizó ensayo Charpy para evaluar la tenacidad al impacto, se utilizó Microscopía Óptica para identificar los precipitados y medición de dureza tanto a la fase como a la matriz, así mismo, se realizó Microscopía Electrónica de Barrido (MEB) para evaluar la superficie de fractura, realizar evaluación de la forma del precipitado y Espectrometría de dispersión de energía de rayos X (EDX) para identificar la composición química de las fases y matriz. Se determinó que las muestras con la menor tenacidad de impacto tienen partículas alargadas, agrupadas y muy finas, evidenciando que la forma y su agrupación, afecta la tenacidad, incluso los resultados de la tenacidad de impacto están por encima del umbral definido para reemplazo, pero el material presenta zonas de clivaje y agrietamiento secundario, indicando que el umbral definido no garantiza evitar una posible falla en servicio La dureza en el precipitado, es 33,2 % por encima de la dureza de la matriz austenita que en adición a la alineación de las partículas y su forma, desde el punto de vista de mecánica de la fractura, permite la formación y crecimiento de grietas, afectando la tenacidad al impacto del material, lo que hace el acero inoxidable frágil. Se evidenció un agrupamiento de los precipitados, formando una especie de “rosario”, los cuales progresivamente se unen y culminan formando una grieta.
Palabras clave: acero inoxidable grado 304 H, fase sigma, fragilización, tenacidad de impacto.
Abstract: The proposal of the present investigation is to characterize a stainless steel 304H exposed to high temperature (650 °C) for 15 years on service, highlighting Sigma phase precipitation study, changing the steel in an embritelment material. We did a Charpy test, hardness evaluation of phase and matrix, as well as scanning electron microscopy (SEM) to evaluate the fracture surface, evaluation of the shape of the precipitate and X-ray energy dispersion spectrometry (EDX) to identify the chemical composition of phases and matrix. It have been determined in samples with the lowest impact toughness have elongated, grouped and very fine particles, evidencing that shape and its grouping, affects the tenacity, even the results of the impact toughness are above defined threshold for replacement, but the material presents zones of cleavage and secondary cracking, indicating that defined threshold does not guarantee to avoid a possible failure in service. The hardness in the precipitate is 33,2 % above of the austenite matrix that in addition to alignment of the particles and its shape, from the point of view of fracture mechanics, allows the formation and growth of cracks, affecting the impact toughness of the material, which it makes the stainless steel brittle. A grouping of the precipitates was evidenced, forming a kind of ‘’rosary”, which progressively join and culminate forming a crack.
Keywords: stainless steel 304 H, intermetallic phases, sigma, embrittlement, impact toughness.
1. Introducción
El acero inoxidable 304H es un material utilizado para aplicaciones de elevada temperatura (650°C), debido a su alta resistencia a mecanismos de deterioro como stress corrosion cracking, corrosión por ácidos politiónicos, creep, fragilización por fase sigma etc, los cuales son usualmente utilizados en la industria petrolera en las plantas de Craqueo Catalítico (FCC), específicamente en el circuito asociado al sistema de Regeneración. Para el desarrollo de esta investigación, se tomaron 5 muestras asociadas a una tubería fabricada de acero inoxidable 304 H que estuvo en servicio por 15 años a una operación continua a 650°C, de las cuales se mecanizaron 3 probetas por muestra para hacer ensayo de impacto, totalizando un universo de 15 probetas.
Chih-Chun Hsieh et al [1] indica que la fase Sigma puede incrementar la dureza y disminuir la tenacidad de impacto, así como también la deformación ingenieril. La fase σ, se origina por la transformación de la ferrita (δ ferrita a fase σ). Cuando la ferrita se transforma en σ, la fase σ precipita en la región de alta concentración de cromo en la δ-ferrita. La fase σ puede precipitar en la γ-austenita cuando no se tiene δ- ferrita. La fragilización por fase sigma ha sido profundamente estudiada, Calmunger et al [2] concluye que la iniciación y propagación de la fractura en aceros inoxidables austeníticos es muy local, y se comportan diferentemente en esos materiales a elevada temperatura debido a las diferentes composiciones químicas afectando nucleación, crecimiento y forma de los precipitados de segunda fase (fase sigma). La cantidad y forma, tienen efecto importante en la energía absorbida donde la forma de aguja propicia una baja tenecidad de impacto.
Un estudio anterior realizado por los autores, denominado: “Estudio de la fragilización de un acero inoxidable austenítico AISI 304 H con 15 años de servicio expuesto a elevada temperatura” [3] determinó que conociendo la cantidad y forma del precipitado, su agrupación y la dureza, se predice la tenacidad de impacto del acero inoxidable, lo que proporciona una herramienta valiosa para el estudio de integridad mecánica de componentes fabricados de acero inoxidable AISI 304H y que están expuestos a operación continúa a elevada temperatura. La degradación metalúrgica del acero inoxidable debido a la precipitación de fase Sigma/Chi, presenta un comportamiento logarítmico indicando que la tenacidad de impacto presenta una disminución brusca en función a la aceleración del deterioro, es decir pierde la capacidad de deformarse plásticamente y por ende una alta probabilidad de ocurrencia de una falla frágil en sistemas operacionalmente críticos, por tanto debe ser monitoreada rutinaria y rigurosamente en el ámbito industrial, resaltando su importancia de monitorear mediante una metodología “in situ” basados en ensayos no destructivos.
El propósito de la presente investigación es caracterizar un acero inoxidable 304H expuesto a elevada temperatura (650°C) por 15 años de servicio, resaltando el estudio de la precipitación de fase sigma, convirtiendo el acero en un material frágil.
2. Metodología
2.1. Ensayo Charpy
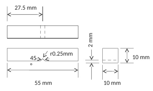
Se fabricaron 3 probetas de impacto Charpy en V de cada una de las 5 muestras tomadas, totalizando 15 probetas, las cuales cumplen con las dimensiones definidas en la norma ASTM E 23-90 [4], tal y como se muestra en la Figura 1.

2.2. Microscopía Óptica
Las muestras serán preparadas metalográficamente por el método del desbaste grueso, medio y fino respectivamente mediante Desbastadora gruesa marca LECO modelo BG-30 con lija de banda de 80 grit y Desbastadora fina marca LECO modelo DS-20 con lijas de: 240, 320, 400 y 600 grit y pulir mediante pulidora marca BUEHLER modelo Beta - Twin Variable Speed GrinderPolisher. El reactivo de ataque utilizado es NaOH, tal y como lo describe en la ASTM E 407 [5], atacando electrolíticamente a 2 V por 20 segundos. Para la microscopía óptica, se utilizó microscopio marca OLYMPUS modelo PMG3.
2.3. Dureza
Para la medición de dureza en la fase y la matriz, se utilizó durómetro Vickers marca BUEHLER, Modelo 1104, Carga: 10 – 1000 grF, Indentador: Vickers.
2.4. Microscopía Electrónica de Barrido
Mediante un microscopio electrónico de barrido marca Jeol modelo JSM-6390, se realizó análisis fractográfico a las zonas de fractura de las probetas Charpy y análisis de la forma del precipitado. Es importante aclarar que las muestras fueron preparadas con la misma metodología presentada para microscopía óptica.
2.5. Espectrometría de dispersión de energía de rayos X (EDX)
El microscopio electrónico de barrido marca Jeol modelo JSM-6390 tiene instalado un espectrómetro de dispersión de energía de rayos X marca Inca X sight modelo 7582, el cual permitió realizar análisis químico a las fases encontradas y a la matriz del material.
3. Resultados y discusión
3.1. Ensayo Charpy
El ensayo de impacto es utilizado para medir la tenacidad del acero y a su vez para definir el grado de fragilización del material, en la Tabla 1, se muestra los resultados de impacto a las 15 probetas, siendo el mínimo resultado individual de 24,8 J en la muestra C, así mismo se obtuvo el menor promedio de las 5 muestras, con 27,40 J

Estos resultados están por encima del umbral definido por Haun et al [6], el cual indica que el criterio de reemplazo es el siguiente: el valor promedio de un juego de 3 muestras no debe ser menor de 20 J, pero ningún valor particular menor a 13 J.
3.2. Microscopía Óptica
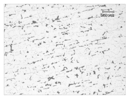
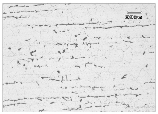
Con el ataque utilizado (NaOH) a las probetas de acero inoxidable 304 H, en la microscopía óptica, se muestra la fase sigma, siendo ésta una fase FeCr de alta dureza que fragiliza el acero, tal y como se observa en las Figuras 2, 3, 4, 5 y 6. En el análisis realizado a las micrografías en 100X de las muestras A, B, C, D, y E, se evidencia que los precipitados de las muestras B, C y D, las cuales presentaron la menor tenacidad de impacto, muestran precipitados agrupados, con una forma tipo aguja, es decir, partículas alargadas y muy finas que se alinean formando una especie de “rosario”, siendo en menor grado en la muestra A y aun menor en la muestra E, siendo correlativo con los resultados del ensayo Charpy, las cuales resultaron 33,13 J y 44,33 J respectivamente. El promedio de la tenacidad de impacto de las muestras B, C y D es de 27,24 J, estando la muestra A, 21,6 % por encima de este promedio y la muestra E, 62,71 %, indicando que la forma y la agrupación del precipitado afecta la tenacidad de impacto, evidentemente porque la fase sigma es una partícula muy dura que tiende a formar grietas y un plano de fractura.





3.3. Dureza
Se midieron 3 valores de dureza en la matriz y 3 valores de dureza en la fase por cada muestra extraída, de manera de disponer la data suficiente para determinar la dureza de la fase Sigma, obteniéndose en promedio los resultados mostrados en la Tabla 2.

En total la dureza en la fase se ubicó en el orden de 269,4 HV, estando 33,2 % por encima de la dureza de la matriz austenit de 202,3 HV. La máxima dureza obtenida, se obtuvo en la muestra C con 287,4 HV
En las Figuras 7, 8, 9 y 10, se muestra algunas micrografías en el proceso de medición de dureza tanto en la matriz como en la fase.




Es importante acotar que aunque el promedio de dureza de la fase sigma es 33,2 % en todo el universo de identaciones realizadas por encima de la dureza de la matriz, la muestra D presenta la diferencia de dureza entre matriz y fase, por el orden del 48,5 %.
3.4. Microscopía Electrónica de Barrido
En el microscopio electrónico de barrido marca Jeol modelo JSM-6390, se realizó análisis fractográfico a las zona de fractura de las probetas Charpy, obteniéndose tipo de fractura frágil debido a la presencias de zonas de clivaje y agrietamiento secundario. Este aspecto es de interés para la mecánica de la fractura, por cuanto los resultados del ensayo de impacto indican valores promedios sobre los 20 J y ningún valor individual menor o igual a 13 J, sin embargo, la fractografía evidencia agrietamiento que en función de su crecimiento, cambiará el resultado de la tenacidad y por ende un material más frágil.
Indiscutiblemente que un acero inoxidable degradado metalúrgicamente por fases intermetálicas, presente una tenacidad de impacto promedio superior a 20 J, no asegura que no esté en presencia de grietas, las cuales pueden colocar en riesgo la integridad física y funcional del activo, tal y como se evidencia en las Figuras 11, 12, 13, 14 y 15.





Es destacable que la muestra E que en promedio se obtuvo una tenacidad de impacto de 44,33 J, la fractografía muestra también microgrietas y zonas de clivaje (maclas), lo que manifiesta una situación compleja desde el punto de vista de integridad, por cuanto con resultados de tenacidad de impacto por encima del doble del umbral de referencia (20 J), existen microscópicamente agrietamiento y zonas de falla frágil.
Un aspecto que se profundizó en la presente investigación, hace referencia a la forma de la partícula, esta forma hace que el resultado de la tenacidad de impacto cambie, esto debe entenderse desde el punto de vista de mecánica de la fractura. El precipitado por su naturaleza, es más duro que la matriz, y su forma de aguja o puntiaguda favorece al plano de fractura, así mismo, en las micrografías se observa un agrupamiento de los precipitados, formando una especie de “rosarios”, este aspecto, propicia un interés especial en la investigación, por cuanto la agrupación de precipitados duros, en forma de aguja, que progresivamente, se unen, culminan formando una grieta y por ende una falla frágil en el sistema. En lo sucesivo, se mostrarán las tomas realizadas en el microscopio electrónico de barrido usando la metodología SEI (secundary electron image), éste provee información sobre la morfología y topografía de la superficie. El contraste es dominado por el efecto del resalte: muchos electrones secundarios pueden salir de la muestra en los resaltes que en las áreas planas donde se incrementa la brillantez, así mismo se utilizó la metodología BES (back scattered electron), la cual provee una interacción de un haz de electrones sobre la muestra que produce una variedad de colisiones elásticas e inelásticas entre electrones y átomos, permitiendo la identificación de fases en el material estudiado, complementando de esta manera el estudio realizado por Espectrometría de dispersión de energía de rayos X (EDX). En las Figuras 16 y 17, se observa la misma captura, aplicando del microscopio electrónico de barrido, la metodología BES y SEI, en ambas se puede observar la agrupación y alineación de los precipitados, la Figura 16 se observa mediante BES, partículas de color blanco, siendo predominante una fase y que posteriormente en las figuras subsiguientes, se observará detalladamente los precipitados.

En la Figura 17, se observa mediante SEI, partículas de color negro, mostrando la topografía de la zona estudiada, resaltando la zona delimitada entre la partícula y de la matriz.

En la Figura 18, se observa una micrografía a 3500X de una partícula en la muestra A, la partícula es alargada, con extremos puntiagudos, y muestran un claro proceso de alineación. Otro aspecto importante, es que existe preponderancia de una zona color blanco y existe en menor área, en el límite de la partícula, una zona de color negro, evidentemente con una composición química diferente que posteriormente, se identificará en el EDX.

La alineación de las partículas y su forma, en adición con la alta dureza de la partícula, desde el punto de vista de mecánica de la fractura, permite la formación y crecimiento de grietas, afectando la capacidad de absorber energía o la tenacidad al impacto del material, lo que hace el acero inoxidable frágil.
En la Figura 19, se muestra otra partícula, esta vez, de la muestra B, se observa un comportamiento similar a la partícula presentada de la muestra A. Es importante prestar la debida atención a la zona donde se unen las partículas, mostradas de color negro en el BSE.

En una captura realizada en el estudio de la muestra D (ver Figura 20), se observó mediante SEI, dos partículas con los extremos puntiagudos, especialmente un filamento, con tendencia a unirse a la partícula vecina, esto nos permite indicar que la tendencia de las partículas es a unirse, como un proceso similar al conocido en termofluencia como la formación del rosario.

En la Figura 21, se observan tres partículas de la muestra C a 3500X, estas partículas se unen, y la zona oscura de forma puntiaguda une las zonas claras. En la Figura 22, se observa con un acercamiento de 10000X, para una mejor visualización de la unión de ambas zonas.


Para identificar la composición química de la zona clara y oscura, así como la matriz del acero inoxidable 304 H, se realizó espectrometría de dispersión de energía de rayos X (EDX).
3.5. Espectrometría de dispersión de energía de rayos X (EDX)
Para realizar una apropiada aproximación de la composición química de las zonas, se tomaron 17 partículas, de las cuales cuatro (4) están asociadas a las muestra D, tres (3) a la muestra C, tres (3) a la muestra A, tres (3) a la muestra B y cuatro (4) a la muestra E y en cada partícula, se midieron entre 10 a 15 puntos, por lo que se analizaron más de 200 puntos, distribuidos entre la zona clara, oscura y matriz, la zona clara es predominante y la zona oscura se ubica en el límite de la partícula. En las Figuras 23, 24 y 25, se observa a manera de ejemplo, la ubicación de los puntos analizados.



En la Tabla 3, se detallan los resultados de la composición química de la zona clara, así mismo, en la Tabla 4, se muestra los resultados de la zona oscura.


La zona clara y oscura, sumando el Cr y Fe, se obtienen 93,32 % y 93,16 % respectivamente, adicionalmente las cantidades de Níquel y Molibdeno son muy similares en ambos casos. Analizando la composición química de la zona clara, detallada en la Tabla 3, la composición corresponde a ferrita, que presenta mayor cantidad de Fe y menos cantidad de Cr que la zona oscura ubicada en los límites de la partícula, siendo ésta correspondiente a la fase Sigma. Villalobos et al [7], describe el cambio microestructural en un acero inoxidable dúplex SAF 2507 producido ciclos térmicos, en donde se caracterizó la fase ferrítica, la fase austenítica y la fase Sigma, presentando un análisis por BSE y EDX, logrando determinar la composición química de la ferrita y de la fase Sigma, siendo similares a los resultados del presente trabajo. La fase Sigma nuclea en el límite de grano, condición observada en el análisis de las partículas por microscopia electrónica de barrido (MEB). Es importante resaltar que la fase Sigma es una fase intermetálica que aparecen en el acero inoxidable austenítico 304 H, en un rango de temperatura de formación de 600 a 1000°C, coincidiendo con la temperatura de operación de la tubería donde se extrajeron las muestras (650°C)
La Figura 26, muestra el comportamiento del Fe a lo largo de la partícula, la cual es máxima en la matriz austenita con 73,18 %, disminuye en la ferrita hasta 69,23 % hasta alcanzar 66,59 % en la fase sigma. Igualmente, el comportamiento del Cr, se muestra en la Figura 27, siendo máxima en la fase sigma con 26,56 %, disminuye en la ferrita a 24,06 % y es mínima en la matriz austenita con 18,16 %.


En la Figura 28 y 29, se observa el comportamiento del Níquel y del Molibdeno, resaltando que el Molibdeno tanto de la ferrita como de la fase sigma, presentan valores similares (1,3 % vs 1,03 %). En la Tabla 5, se indica la composición química de la matriz, siendo demostrativa de un acero inoxidable austenítica.



4. Conclusiones
Las muestras con la menor tenacidad de impacto tienen partículas alargadas, agrupadas y muy finas, evidenciando que la forma y su agrupación, afecta la tenacidad.
Los resultados de la tenacidad de impacto están por encima del umbral definido para reemplazo, aun cuando el material presenta zonas de clivaje y agrietamiento secundario, indicando que el umbral definido no garantiza evitar una posible falla en servicio.
La dureza en el precipitado, se ubicó en el orden de 269,4 HV, estando 33,2 % por encima de la dureza de la matriz austenita de 202,3 HV, que en adición a la alineación de las partículas y su forma, desde el punto de vista de mecánica de la fractura, permite la formación y crecimiento de grietas, afectando la tenacidad al impacto del material, lo que hace el acero inoxidable frágil.
Se evidenció un agrupamiento de los precipitados, formando una especie de “rosarios”, los cuales progresivamente se unen y culminan formando una grieta, fragilizando en material.
Se utilizó la metodología BES y EDX para identificar las fases, determinándose que la partícula es fundamentalmente ferrita con fase sigma en el límite de grano.
5. Referencias
[1] Chih-Chun Hsieh and Weite Wu. Overview of intermetallic sigma. ISRN Metallurgy, 2012:1–16, 2012.
[2] Mattias Calmunger, Guocai Chai, Sten Johansson, and Johan Moverare. Influence of high temperature ageing on the toughness of advanced heat resistant materials. In 13th International Conference on Fracture (ICF13), pages 1–8, Beijing, China, 2013.
[3] Franklin Acevedo and Laura Sáenz. Estudio de la fragilización de un acero inoxidable austenítico aisi 304h con 15 años de servicio expuesto a elevada temperatura. DYNA - Ingeniería e Industria, 93(4):428–434, 2018.
[4] ASTM. ASTM E 23, Standard test methods for notched bar impact testing of metallic materials, 2014.
[5] ASTM. ASTM E 407-07, Standard practice for microetching metals and alloys, 2011.
[6] Jorge L. Hau and Antonio Seijas. Sigma phase embrittlement of stainless steel in FCC service. In CORROSION NACExpo 2006 61st Annual Conference & Exposition, number 06578, pages 2–22. NACE International, 2006.
[7] D. Villalobos, A. Albiter, and C. Maldonado. Microstructural changes in SAF 2507 superduplex stainless steel produced by thermal cycle. Revista Matéria, 14(3):1061–1069, 2009.
Notas de autor
acevedofo@gmail.com
Enlace alternativo
http://servicio.bc.uc.edu.ve/ingenieria/revista/v25n3/art10.pdf (pdf)