Modelo del comportamiento mecánico de un acero inoxidable 304 H expuesto a elevada temperatura
Mechanical behavior model of stainless steel 304 H at high temperature
Modelo del comportamiento mecánico de un acero inoxidable 304 H expuesto a elevada temperatura
Revista INGENIERÍA UC, vol. 25, núm. 3, 2018
Universidad de Carabobo
Recepción: 01 Julio 2018
Aprobación: 31 Octubre 2018
Resumen: El propósito de la presente investigación es determinar el grado de precipitación de las fases sigma y chi y su afectación en el comportamiento mecánico del acero inoxidable 304 H con más de 15 años de servicio. Se realizó verificación del material mediante un equipo portátil para la Identificación Positiva del Material, se realizó estudio de replicado en la cara externa del elemento estudiado para medir el grado de precipitación de la fase sigma y chi mediante microscopia óptica y un analizador de imágenes. Se evidenció que en función al aumento de la presencia de fases intermetálicas disminuye la tenacidad de impacto, transformando el acero inoxidable 304 H en un material frágil, así mismo, componentes fabricados de 304 H que operan en elevadas temperaturas con tiempo en servicio idénticos pueden tener diferentes grados de precipitación de las fases sigma y chi a lo largo del mismo. Finalmente, se propone basado en los resultados de réplicas metalográficas, un modelo que permite predecir la tenacidad al impacto del acero 304 H degradado de manera de definir la aceptación o rechazo del componente para el servicio sin requerir realizar pruebas destructivas.
Palabras clave: acero inoxidable grado 304 H, fases intermetálicas sigma y chi, fragilización, tenacidad de impacto.
Abstract: The purpose of this research is to determine the precipitation degree of sigma and chi phases and their effect on the mechanical behavior of stainless steel 304 H with more than 15 years of service. Material verification was carried out using portable equipment for Positive Materials' Identification, a replication study was carried out on the external face of the element studied to measure the degree of precipitation of the sigma and chi phase using optical microscopy and an image analyzer. It evidenced that depending of to increase the presence of intermetallic phases for impact tenacity decreases, transforming stainless steel 304 H into a fragile material, likewise, manufactured components of 304 H that operate at high temperatures with identical service time may have different degrees of precipitation of the sigma and chi phases along it. Finally, it is proposed based on the results of metallographic replicas, a model that allows to predict the impact tenacity of degraded 304H steel in order to define the acceptance or non-acceptance of component in service without requiring destructive tests.
Keywords: stainless steel 304 H, intermetallic phases sigma y chi, embrittlement, impact toughness.
1. Introducción
La industria de refinación está compuesta de procesos complejos que ameritan materiales especiales para cumplir su función de producir derivados del petróleo. Comúnmente se utiliza acero inoxidable para aplicaciones cuya temperatura supera los 1000 °F, específicamente los aceros inoxidables austeníticos son los más utilizados por su elevada resistencia a los mecanismos de degradación en elevada temperatura, tales como: termofluencia, corrosión bajo tensión, fragilización por fase sigma/chi, oxidación y ácidos politiónicos, tal y como lo describe los mecanismos de deterioro en la API 571 [1]. El mecanismo de degradación por fragilización (fase sigma/chi) en los aceros inoxidables austeníticos, debe ser monitoreada por los departamentos técnicos en las refinerías, a través de métodos destructivos que contemplan la extracción de muestras del metal base de tuberías y/o recipientes para realizar ensayos de impacto, de manera de determinar la capacidad de absorber energía [2], acción limitada por la inversión de tiempo y costos en parada de planta. En la Figura 1, se muestra una falla catastrófica por fragilización por fase sigma en la línea de tope de un regenerador de una unidad de FCC, fabricada de acero inoxidable austenítico SS 304 H, con tiempo de operación superior a 15 años [3].
![Falla catastrófica en línea de tope de
un Regenerador de la FCC [3].](../70757670010_gf2.png)
Según Lo et al. [4], las condiciones para la formación de fase sigma ha sido estudiada por diferentes científicos, permitiendo definir que la fase sigma es enriquecida por el cromo, por lo que el control de la difusión del cromo es usualmente uno de los factores a controlar para su precipitación. Adicionalmente, estudios por Sasikala et al. [5] ha determinado que la difusión de otros elementos como el molibdeno han formado importante cantidades de fase sigma. Finalmente, se determinó que la nucleación de fase sigma es el paso limitante para la transformación de ferrita a sigma, mientras el enriquecimiento de la ferrita con cromo no es suficiente condición para la formación de sigma [5]. Haun et al. [2] determinaron que la formación de fase sigma es un proceso de envejecimiento que ocurre en el SS 304H y otros aceros inoxidables austeníticos expuestos a temperatura de 1300°F, siendo una cantidad significativa de fase sigma durante la primera corrida de las plantas de refinación. La recomendación para el monitoreo está asociada a colocar probetas de muestras soldadas en los ciclones del regenerador, para hacer pruebas destructivas y determinar las pérdidas de propiedades con respecto al tiempo, sin embargo no está establecida una relación de la cantidad de fase sigma con el tiempo de operación de las unidades.
Un estudio realizado por Barcik [6] propone que la formación de fase sigma en aceros austeníticos está altamente relacionado con el tamaño de grano, por cuanto esto afecta los lugares de nucleación. Recientemente, Schwind et al. [7] concluyó que el tamaño de grano y la forma del grano influyen en la precipitación de la fase sigma.
Esta investigación tiene el propósito de determinar el grado de precipitación de las fases sigma y chi y su afectación en el comportamiento mecánico del acero inoxidable 304 H con más de 15 años de servicio.
2. Metodología
2.1. Material
El material utilizado corresponde a un acero inoxidable austenítico 304 H en forma de planchas, correspondiente a una tubería de 60 pulgadas de diámetro asociada al tope de un regenerador de una unidad de FCC con un tiempo en servicio de 15 años. Para verificar el tipo de material, se utilizará un equipo portátil de identificación positiva de materiales, marca Oxford, modelo PMI Master Pro.
2.2. Réplicas Metalográficas
Se realizará un barrido con réplicas metalográficas en la tubería de 60 pulgadas de diámetro asociada al tope del regenerador, tal y como se observa en la Figura 2. Se atacó el acero inoxidable con 10 % ácido oxálico.

2.3. Microscopia óptica
Las muestras serán preparadas metalográficamente por el método del desbaste grueso, medio y fino respectivamente para luego ser pulida por la pulidora metalográfica. El reactivo de ataque a utilizar es 45 gramos de KOH en 60 ml de agua, tal y como lo describe en la ASTM E 407 [8]. Las muestras fueron observadas al microscopio marca Buehler modelo Viewmet.
3. Resultados y discusión
3.1. Material
Se realizó la identificación positiva de materiales a través de un PMI marca Oxford, modelo PMI Master Pro, obteniéndose que el metal base presenta una composición química que corresponde a un acero inoxidable 304 H, tal y como se muestra en la Tabla 1. Es importante aclarar que los valores obtenidos del metal base están en el límite inferior del 304 H, sin embargo aun en el rango permisible, esto debido a que el material estuvo en operación por 15 años, y en función a su degradación metalúrgica en altas temperaturas, el carbono migra parcialmente para formar elementos nocivos como carburos y en el caso como el cromo, éste migra parcialmente para formar fase sigma/chi.

3.2. Réplicas Metalográficas
El perfil de las réplicas metalográficas a lo largo de la tubería indica mayor precipitación de fase sigma en el punto A, con un menor tamaño de la fase intermetálica pero mayor densidad con respecto a los puntos de estudio B, C y D. Aun cuando la tubería fue confeccionada del mismo material, operó a una temperatura idéntica en todos sus puntos y un tiempo de operación similar, se evidenció diferentes grados de precipitación. En la Tabla 2, se presenta los resultados de la cuantificación de las fases. Así mismo, en las Figuras 3, 4, 5 y 6, se observan las micrografías y el porcentaje de fase sigma determinado en un analizador de imágenes.





Este estudio indica que la toma de decisiones sobre la condición de integridad de la tubería basada en probetas soldadas puede resultar una elevada incertidumbre, por cuanto la probeta no necesariamente representa la condición más crítica del componente. Para ello, es necesario realizar un barrido de réplicas metalográficas en el componente, para determinar la zona de mayor precipitación de fase sigma para posteriormente realizar la toma de la muestra del material base para hacer pruebas Charpy.
3.3. Microscopia óptica
Las micrografías realizadas muestran de color amarillo/marrón/rojo, las fases sigma y chi, y de color azul o gris, la ferrita, basado en el ataque definido en la ASTM E 407 [8].
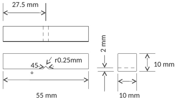
En la Figura 7, se muestra una fotomicrografía a 500X, indicando la delta ferrita y las fases sigma/chi. Por otro lado, las probetas de impacto Charpy en V cumplieron las dimensiones definidas en la norma ASTM E 23-90 [9], tal y como se muestra en la Figura 8

![Dimensiones de las probetas de impacto
Charpy según ASTM E-23 [9]](../70757670010_gf10.png)
El ensayo Charpy, es el ensayo utilizado para determinar la capacidad de absorber energía de un material degradado metalúrgicamente, en la actualidad, este ensayo define el criterio de aceptación y rechazo para tuberías o recipientes a presión fabricados en acero inoxidable serie 300 que presenten fragilización por fase sigma [2]. Hau et al. [2] indican que el ensayo Charpy permite estimar el efecto general de las partículas o fases intermetálicas, así mismo se define que el criterio de aceptación es el siguiente: El resultado del ensayo Charpy no debe ser menor a 20 J (15 lbf-ft) para al menos un juego de 3 muestras, pero ninguno inferior que 13 J (10 lbf-ft). En la Tabla 3, se muestra la recopilación de los resultados de estudios similares en aceros inoxidables SS-304 H.

Se evidencia que a medida que aumenta el porcentaje de fase sigma, menor es la tenacidad de impacto (70°), permitiendo concluir que a medida que aumenta la presencia de fases intermetálicas duras disminuye la tenacidad, lo cual demuestra que existe una relación entre la estimación del porcentaje de fase sigma con el resultado del ensayo mecánico de impacto.
En la Figura 9 se observan los resultados de la estimación del porcentaje de fase sigma/chi con el resultado del ensayo Charpy, determinándose una clara disminución de la capacidad de deformarse plásticamente a medida que aumenta el porcentaje de fase sigma/chi.

Evidentemente, la Figura 9, muestra una relación lineal entre la cantidad de fases intermetálicas sigma/chi y la tenacidad de impacto. La condición de pérdida de ductilidad propicia un riesgo de integridad, por cuanto las fallas en sistemas de tuberías y en recipientes a presión pueden ser catastróficas, similar a la observada en la Figura 1.
Definitivamente se demuestra, la tenacidad de impacto presenta relación con el porcentaje de las fases intermetálicas en el acero inoxidable austenítico 304 H, lo que permitirá proponer un modelo de predicción en función del resultado del % de fases intermetálicas estimadas por las réplicas metalográficas determinadas en las zonas de estudio.
Otro aspecto interesante es la relación entre la energía absorbida a 1300°F contra la energía absorbida a 70°F, la cual presenta un comportamiento exponencial, resaltando que a medida que se precipita las fases intermetálicas en el acero inoxidable SS304H, la relación se incrementa casi a 3 veces, tal y como se observa en la Figura 10.

Las plantas de refinación usualmente están diseñadas para un ciclo de corrida entre 4 a 5 años (tiempo entre paradas de planta), por lo que en cada parada se debe monitorear mediante réplicas metalográficas el grado de precipitación de la fase sigma y chi, de manera de determinar el punto más crítico para su estudio, seguidamente el custodio de la instalación puede tomar la decisión de extraer una muestra para ensayar destructivamente o estimar la capacidad de absorber energía mediante el siguiente modelo propuesto por los autores del presente trabajo. Se desarrolló un modelo de regresión, el cual supone que existe una variable respuesta que depende de k variables independientes. Éste se utiliza para analizar datos de experimentos no planeados, como es el caso de fenómenos no controlados o de registros históricos. En el diseño se consideró la tenacidad al impacto como variable respuesta y dos variables independientes, en este caso el porcentaje de fases intermetálicas y el tiempo de operación del componente, resultando esta última por encima del error permisible, 13,6 % ( Valor P=0,136), por lo que no es significativa para determinar la tenacidad al impacto. El R2 de predicción resultó en 29,27 %, estando muy por debajo del valor aceptable (85 %).
En lo sucesivo, se muestra el resultado del análisis de varianza del modelo de regresión realizado en el programa Minitab:

Resumen del modelo

En función a los resultados, se aplicó un nuevo diseño con la tenacidad de impacto como variable respuesta y una variable independiente que es el porcentaje de fases intermetálicas, resultando ser significativa y presenta una relación lineal con respecto a la variable respuesta. En análisis de varianza realizado en el programa Minitab, resultó lo siguiente:

Resumen del modelo

El modelo presenta un R2 de predicción en 85,20 %, siendo éste por encima de lo aceptable, indicando que este modelo (ecuación (1)) presenta una alta probabilidad de predicción
(1)Donde:
I: Tenacidad al impacto (Lb-ft).
σ: Porcentaje ( %) de fases intermetálicas (sigma/chi).
Considerando como límite para el reemplazo de 15 lb-ft, se estima un resultado de alarma de fases intermetálicas del 9,91 %.
Adicionalmente, el monitoreo de las fases intermetálicas en función al tiempo, no presenta una relación que permita ser insumo para el plan de mantenimiento en función del tiempo, por cuanto la zona de estudio debe ser adecuadamente seleccionada mediante un barrido de replicas metalográficas que especifique la zona crítica, esto con la finalidad de cerrar la brecha de diferentes autores que han planteado que se debe considerar el tiempo como una variable importante para definir el reemplazo del componente estudiado. La data manejada en el presente estudio indica un incremento en la precipitación de fases intermetálicas en función al tiempo, sin embargo no debe ser utilizada para proyectar la precipitación en el futuro, resaltando lo indicado por Hau y Seijas [2] donde en los primeros años de puesta en servicio, se puede obtener altos porcentajes de precipitación de fase sigma.
4. Conclusiones
Componentes fabricados de 304 H que operan en elevadas temperaturas con tiempo en servicio idénticos pueden tener diferentes grados de precipitación de fase sigma/chi.
El monitoreo de la precipitación de fase sigma/chi mediante el uso de probetas no necesariamente representa la zona más crítica del sistema.
Un perfil de las réplicas metalográficas a lo largo de la tubería o recipiente es la manera más eficiente para determinar la zona de mayor precipitación de de fase sigma/chi.
En función al aumento de la presencia de fases intermetálicas disminuye la tenacidad de impacto, transformando el acero inoxidable 304 H en un material frágil, lo que en consecuencia propicia un riesgo de integridad, por cuanto las fallas en sistemas de tuberías y en recipientes a presión pueden ser catastróficas.
El modelo propuesto permite predecir la tenacidad de impacto basado en el porcentaje de fases intermetálicas determinado con la utilización de réplicas metalográficas.
La alarma para el reemplazo de componentes resultado del monitoreo de fragilización debido a fases intermetálicas en el SS 304 H, es del 9,91 %.
La relación entre la energía absorbida a 1300°F contra la energía absorbida a 70°F, presenta un comportamiento exponencial hasta alcanzar un máximo de 3 veces entre 11 % y 12 % de fases
intermetálicas.
5. Recomendaciones
Monitorear la precipitación de fase sigma/chi mediante un perfil de réplicas metalográficas a lo largo de la tubería o recipiente para determinar la zona de mayor precipitación de de fase sigma/chi.
Utilizar el modelo propuesto para predecir la tenacidad al impacto del acero inoxidable 304 H fragilizado por fases intermetálicas.
Programar reemplazo del componente para la próxima parada en caso de obtener un porcentaje de fases intermetálicas (sigma/chi) superior a 9,91 %.
6. Referencias
[1] American Petroleum Institute. API RP 571(2011), Damage mechanisms affecting fixed equipment in the refining industry, 2011.
[2] Jorge L. Hau and Antonio Seijas. Sigma phase embrittlement of stainless steel in FCC service. In CORROSION NACExpo 2006 61st Annual Conference & Exposition, number 06578, pages 2–22. NACE International, 2006.
[3] Refinería El Palito and INTEVEP. Evaluación integral de la falla ocurrida en la línea de gases de combustión del sistema de tope del regenerador de PDVSA catalizador de la Unidad de FCC de la refinería. Reporte técnico INT-8919,2001, INTEVEP, Venezuela, 2001.
[4] K.H. Lo, C.H. Shek, and J.K.L. Lai. Recent developments in stainless steels. Materials Science and Engineering: R: Reports, 65(4):39 – 104, 2009.
[5] G. Sasikala, S. K. Ray, and S. L. Mannan. Kinetics of transformation of delta ferrite during creep in a type 316 (N) stainless steel weld metal. Materials Science and Engineering: A, 359(1-2):86–90, 2003.
[6] J. Barcik. Mechanism of σ-phase precipitation in Cr–Ni austenitic steels. Materials Science and Technology, 4(1):5–15, 1988.
[7] M. Schwind, J Källqvist, J. O. Nilsson, John Âgren, and H. O. Andrén. σ-phase precipitation in stabilized austenitic stainless steels. Acta Materialia, 48(10):2473–2481, 2000.
[8] ASTM. ASTM E 407-07, Standard practice for microetching metals and alloys, 2011.
[9] ASTM. ASTM E 23, Standard test methods for notched bar impact testing of metallic materials, 2014.
[10] Yberth J. Pérez Brito. Estudio de la degradación por fase sigma del acero inoxidable 304H de la línea de CO de la FCCU. Trabajo Especial de Grado, Universidad Simón Bolívar, Venezuela, 2007.
Notas de autor
acevedofo@gmail.com
Enlace alternativo
http://servicio.bc.uc.edu.ve/ingenieria/revista/v25n3/art08.pdf (pdf)