Artículos
Desarrollo de una plataforma experimental educativa de fácil accesibilidad para aprendizaje hibrido para Ingeniería de Control
Development of an Educational Experimental Platform of Easy Accessibility for Blended Learning for Control Engineering
Desarrollo de una plataforma experimental educativa de fácil accesibilidad para aprendizaje hibrido para Ingeniería de Control
Revista RedCA, vol. 5, núm. 14, pp. 44-69, 2022
Universidad Autónoma del Estado de México

Recepción: 27 Abril 2022
Aprobación: 29 Septiembre 2022
Publicación: 01 Octubre 2022
Resumen: Este trabajo presenta una plataforma novedosa basada en un motor DC aplicada con fines educativos de fácil accesibilidad basada en un Arduino y Matlab-Simulink para el aprendizaje de control con alumnos de Ingeniería. Los componentes de la plataforma están dados por la conexión de los componentes y la configuración de los programas que integran la plataforma. El rendimiento de la plataforma se evalúa mediante experimentos en tiempo real utilizando el paquete ArduinoIO para la respuesta de velocidad del motor. La plataforma es fácil de implementar y de interactuar con cualquier computadora y puede ser llevada a casa por los estudiantes, abriendo nuevas posibilidades para tareas prácticas en cursos de dinámica de sistemas y control. Este documento incluye experimentos y temas estudiados durante varias prácticas en las que se demostró la plataforma durante la pandemia de SARS CoV-2 mediante el aprendizaje combinado que contribuyen en el desarrollo de competencias híbridas y de ingeniería.
Palabras clave: Plataforma educativa, Accesibilidad, Portabilidad, Motor Eléctrico, Aprendizaje Híbrido.
Abstract: This work presents a novel platform based on a DC motor applied for educational purposes with easy accessibility based on an Arduino and Matlab-Simulink for learning control with engineering students. . The components of the platform are given by the connection of the components and the configuration of the programs that make up the platform. The performance of the platform is evaluated through real-time experiments using the ArduinoIO package for motor speed response. The platform is easy to implement and interface with any computer and can be taken home by students, opening up new possibilities for hands-on assignments in control and system dynamics courses. This document includes experiments and topics studied during various practices in which the platform was demonstrated during the SARS CoV-2 pandemic through blended learning that contribute to the development of hybrid and engineering skills.
Keywords: Educational platform, accessibility, portability, motor, blended learning.
Introducción
Las modalidades de aprendizaje, debido a la pandemia por SARS CoV-2 (Organización de las Naciones Unidas para la Educación la Ciencia y la Cultura, 2020), (Reyes, R., 2020), (Cárdenas, S., Lomelí, D., & Ruelas, I., 2021), se han visto modificadas buscando nuevos esquemas en la educación donde el desarrollo técnico de los recursos de aprendizaje ha sido limitado debido al acceso restringido en laboratorios. Sin embargo, la digitalización y el desarrollo de la Industria 4.0 (Schwab, K., 2018) han contribuido en la educación empleado las tecnológicas digitales permitiendo un conjunto de cambios al viabilizar el encuentro entre el alumno y el docente para adquirir las competencias prácticas, y una convergencia tecnológica que gesta de una verdadera revolución en la educación debido al uso masivo de componentes virtuales.
A pesar de esto, existe una gran diferencia entre la modalidad presencial y las nuevas tendencias de aprendizaje basadas en modalidad a distancia y modalidad híbrida. Donde la principal diferencia es que la educación presencial permite el acceso al conocimiento y a los recursos, y está controlada mediante la presencia del educador, en cuanto a la modalidad a distancia e híbrida la tecnología se minimiza al cuerpo humano del docente como mecanismo de transmisión y enseñanza (VV.AA., 2021). Lo anterior ha ido cambiando mediante la incorporación de componentes técnicos y tecnológicos como apoyo para el aprendizaje que permitan que el proceso de enseñanza-aprendizaje en las áreas de Ingeniería sea mucho más accesible.
En el área de Ingeniería la parte práctica es esencial y fundamental para cumplir con atributos de egreso del alumno, además de contribuir en las habilidades y competencias genéricas de cada área. En cuanto a la modalidad a distancia y la modalidad hibrida se han buscado estrategias de enseñanza que cumplan y permitan aprender a pesar de la pandemia por SARS CoV-2 cuyos objetivos (Organización de las Naciones Unidas para la Educación la Ciencia y la Cultura, 2020), (Organización de las Naciones Unidas para la Educación la Ciencia y la Cultura, 2015).son: el acceso a la información a distancia y en línea, el desarrollo de medidas para que las escuela puedan seguir en operación mediante sistemas de información y de comunicación; el uso y el desarrollo de plataformas educativas para el aprendizaje en línea o virtual, que contribuyan en el proceso de enseñanza/ aprendizaje de los estudiantes a distancia.
En cuanto al modelo a distancia (VV.AA., 2021) permite aplicar métodos que le enseña al alumno a aprender e instruir en las técnicas del autoaprendizaje y la autoformación las cuales reforzadas con la tecnología de la información permiten un aprovechamiento más completo en lo que a contenidos se refiere. Mientras que, las desventajas de la educación a distancia tiene desventajas como la dificultad de transmitir y conservar determinados valores sociales, la flexibilidad de horarios a veces está limitada a ciertos cursos que exigen participación en línea en horarios o espacios específicos y una formación académica distinta a la tradicional requiere de cierto nivel de adaptación que puede resultar difícil para algunas personas, que además no permite en el área de Ingeniería llevar a cabo las prácticas con el equipo de laboratorio, por ende, no será viable adquirir las competencias prácticas.
Por otra parte, existe como alternativa de aprendizaje el modelo hibrido también llamado Blended Learning (VV.AA., 2021), mixto o semipresencial, donde el estudiante realiza una parte del aprendizaje a distancia, en donde puede tener cierto grado de control sobre el tiempo, el espacio y el ritmo de las actividades apoyado mediante el uso de plataformas digitales educativas. Mientras que, la otra parte es fomentada mediante la asistencia a clases con el docente. Algunas características del modelo híbrido son contribuir con la combinación de estrategias, métodos, recursos y mejoras prácticas en la modalidad a distancia y presencial; conlleva el rasgo de flexibilidad y adaptabilidad a las necesidades específicas de los estudiantes y a los requerimientos de cada programa educativo; se incorporan sesiones de aula virtual a través de plataformas digitales y prácticas presenciales que se consideran esenciales para alcanzar las competencias establecidas en el programa educativo; se implementan activades síncronas y asíncronas aprovechando los medios tecnológicos y se obtienen las competencias específicas como la capacidad de análisis y síntesis y el razonamiento crítico, promover el aprendizaje autónomo, tener la capacidad de gestión de la información, fomentar el trabajo en equipo, finalmente, lograr la comunicación oral y escrita en lengua nativa.
Considerando lo anterior, en la parte práctica ante la pandemia existen restricciones para la realización de prácticas, ya que el aforo máximo en área de laboratorios, aulas y talleres es limitado, por lo menos al 60% de los alumnos y se encuentra en función del espacio físico de trabajo. Por otro lado, aunque en muchas instituciones de trabajo se cuenta con equipo de cómputo, equipo de laboratorio, equipo de electrónica, equipo de experimentación y equipo de trabajo, por cuestiones del aforo se ve limitada la realización de prácticas. Otro factor, es que, por cuestiones de tiempo la realización de las prácticas es completada en un tiempo más prolongado, ya que una sesión de laboratorio llega a ser realizada hasta en dos o tres sesiones, debido a que los grupos de trabajo son divididos en grupos pequeños.
Por otro lado, en Ingeniería los sistemas de control juegan un papel importante en el desarrollo de dispositivos para la industria, la biomedicina, el transporte, las comunicaciones y entretenimiento, entre otros. Para desarrollar toda la gama de habilidades necesarias para convertirse en diseñadores de sistemas de control, los estudiantes no sólo deben dominar los conceptos teóricos, sino también aplicarlos en la práctica. Los experimentos de laboratorio permiten relacionar los conceptos abstractos con los problemas del mundo real (Lindgren, R., Tscholl, M., Wand, S. & Johnson, E., 2016), (Kesim, M. & Ozarslan, Y., 2012), (Guzmán, J. L., Dormido, S., & Berenguel, M., 2010), (Gilat, A., 2004), (Jeffrey, T., 2006), (Gitomer, D. H. & Courtney, A. B., 2016). Sin embargo, en muchas universidades los cursos de introducción al control suelen centrarse en los aspectos teóricos sin el suficiente apoyo de experiencias prácticas en las que los estudiantes construyen y asimilan conocimientos de forma activa, con lo que se pierde la oportunidad de poner en práctica ciertos conceptos importantes de control durante las primeras etapas de la carrera del estudiante.
Por ende, en este artículo se busca el desarrollo de una plataforma de fácil implementación y acceso para el aprendizaje la teoría del control mediante un plataforma educativa con el objetivo de que el alumno pueda realizar prácticas y experimentos bajo una modalidad hibrida, sin depender del acceso a un laboratorio e incluso considerando la construcción de un prototipo que permita realizar experimentos considerando aspectos como: bajo costo, accesibilidad, versatilidad, portable, robusto, buen rendimiento y desempeño en tiempo real (González, A. M., Serna, J. M., Fory, C., Ojeda, A., Cardona, J., Tombé, J. & Soria, A., 2019) con el objetivo de identificar los fenómenos y así lograr las competencias prácticas necesarias (Lindgren, R., Tscholl, M., Wand, S. & Johnson, E., 2016), (Guzmán, J. L., Dormido, S., & Berenguel, M., 2010).
En particular, en el área de Control Automático se han desarrollado plataformas construidas para desarrollar las habilidades prácticas. Dentro de las plataformas físicas, en los últimos años se han desarrollado herramientas educativas se han evaluado sus ventajas respecto a opciones nuevas y existentes. En (Apkarian, J., & Astrom, K., 2004), se presenta una plataforma de control basada en una laptop portable que permite el ahorro de espacio para laboratorio de control para estudiantes de nivel superior. En (Gunasekaran, M. & Potluri, R., 2012), se desarrolló un módulo de laboratorio de sistemas de control basado en un microcontrolador y un motor de imanes permanentes. En (Bernstein, D. S., 2005), es presentado una plataforma para el control de un motor mediante el módulo de Quanser. Por otro lado, en (Maldonado, J. J., Luna, J. L., Garrido, R. & Castro, G., 2019). es presentada una metodología para enseñar Mecatrónica, Robótica y Control Automático a través de una plataforma experimental educativa práctica basada en un servocontrol cuyos experimentos demuestran el potencial de la plataforma para apoyar a los estudiantes universitarios y cursos de posgrado. En (González, A. M., Serna, J. M., Fory, C., Ojeda, A., Cardona, J., Tombé, J. & Soria, A., 2019), es presentada una plataforma basada en Linux que permite la experimentación en tiempo real con una plataforma basada en un servomecanismo. Finalmente, en (Kelly, R., 1993), (Gao, Z., 2006), (Ohishi, K. O. K. & Miyachi, K., 1988), (Ohnishi, M. S. K. & Murakami, T., 1996), se presenta un estudios experimental basados en plataformas que son puestas practica bajo diversos tipos de controladores.
Sin embargo, analizando las plataformas presentadas solamente en algunas son presentados los costos, y en donde es presentado el precio asciende a los 45 dólares. Además, no se contempla el precio de la estructura mecánica de las plataformas, incluso se requiere de una fuente de alimentación externa o en su caso la fabricación; y en la mayoría de ellas el alumno no participa en la implementación y el desarrollo del prototipo. Por otro lado, tienen ventajas como presentar un buen rendimiento en tiempo real para la experimentación con diversos esquemas de control y aunque son portátiles y pueden ser usadas en el laboratorio y/o en el salón de clases, no son diseñadas de manera que el alumno pueda tener acceso en cualquier momento o incluso poder trabajar con ellas desde casa o cualquier sitio.
La plataforma presentada en este artículo está diseñada para que cualquier alumno pueda crearla bajo la técnica de prototipaje rápido (González, A. M., Serna, J. M., Fory, C., Ojeda, A., Cardona, J., Tombé, J. & Soria, A., 2019) que permite a los alumnos implementar y desarrollar modelos y resultados experimentales, dejando que la codificación de bajo nivel se realice automáticamente generado por los compiladores.
Considerando el punto anterior, y aprovechando las características del modelo híbrido, la plataforma presentada permite que los alumnos puedan trabajar bajo dicho modelo, de forma presencial y/o virtual, avanzar y aprender de manera autónoma, tener clases simultaneas de manera híbrida síncrona, asíncrona y/o alternada. Incluso fomenta en los estudiantes a desarrollar su propia plataforma basada materiales que se tengan a la mano incluso buscando bienes sustitutos para desarrollar una plataforma basada en un motor eléctrico que logre obtener la respuesta mediante una fácil implementación y una interfaz mediante el puerto USB (bus universal en serie) capaz de ser conectada a computadora con Matlab-Simulink y Arduino, logrando así su versatilidad y su portabilidad (González, A. M., Serna, J. M., Fory, C., Ojeda, A., Cardona, J., Tombé, J. & Soria, A., 2019). Incluso no requiere el costo extra de la fabricación de una fuente de alimentación, obteniendo así la característica de bajo costo.
El artículo está organizado de la siguiente manera: en la segunda sección son presentados los componentes de la plataforma, la conexión de los componentes, los programas y los componentes empleados. En la tercera sección contiene el modelo aproximado del motor y los resultados experimentales desarrollados con la plataforma. En la cuarta sección son presentadas las experiencias de enseñanza. En la quinta sección son discutidos los resultados logrados. Finalmente, son presentadas las conclusiones.
Metodología
Considerando lo presenta anteriormente, el objetivo general de este trabajo es el desarrollo e implementación de una plataforma basada en un motor DC aplicada con fines educativos para los cursos de control a nivel superior. Considerado que sea una plataforma de fácil accesibilidad, de bajo costo y de fácil construcción, por ende, se optaron por elementos disponibles y de bajo costo para los alumnos entre ellos, circuitos eléctricos, transistores, incluso el mismo Arduino con ayuda de Matlab-Simulink (bajo una licencia educativa). Ante el objetivo general es primordial considerar los siguientes objetivos específicos:
-Implementar una estructura mecánica para la plataforma.
-Seleccionar los componentes de la plataforma.
-Conectar y construir la plataforma desde el enfoque electrónico, es decir, conectar los componentes.
-Programas la plataforma de manera adecuada para poder medir posición y velocidad con el motor.
-Evaluar los experimentos en tiempo real utilizando el paquete ArduinoIO para la respuesta de velocidad del motor.
-Identificar que competencias abordar el desarrollo de la plataforma en el programa educativo de Mecatrónica.
-Aprovechar y medir el rendimiento de la plataforma mediante un enfoque híbrido derivado de la pandemia de SARS CoV-2.
Una vez presentados los objetivos de la plataforma la metodología de desarrollo se basa en diseñar una plataforma desde el enfoque de los componentes y la programación que ayudan a integran la interfaz y la comunicación adecuada de la plataforma. En la Fig. 1 es presentado el esquema de la plataforma que contiene tres partes principales: la parte física de la plataforma integrada por el motor con decodificador óptico incremental, un diodo, un transistor, Arduino Uno, cables; la interfaz entre los programas y los componentes mediante comunicación USB para transcribir datos de Arduino Uno y Matlab-Simulink.

En la tabla I se presentan los costos de los elementos que integran la plataforma desarrollada. Asimismo, en la Fig. 2 se muestran los elementos de la plataforma físicamente.
| Material | Costo |
| Diodo 1N4001 | $0.5 |
| Transistor IRF1520 | $1 |
| Motor CD | $18 |
| Arduino UNO | $7.5 |
| Placa circuito | $1.5 |
| Cableado | $2 |
| Estructura mecánica | $10 |
| TOTAL | $40.5 |
La plataforma experimental para el aprendizaje híbrido está basada en Arduino Uno (Arduino, 2021), donde es necesario asignar el puerto de comunicación mientras son ejecutados los diagramas de bloques en Simulink en modo externo.

A. Componentes
La plataforma está integrada es mostrada en la Fig. 3.La plataforma es diseñada para el control de un motor a través de una de las salidas digitales de Arduino Uno. Específicamente, la salida digital se usará para encender y apagar un transistor, conectando y desconectando así el motor a la fuente de voltaje. Para evitar que la fuerza contraelectromotriz del motor cause daños, incluiremos un diodo en paralelo con el motor.

En el esquema de la Fig. 4 se muestra un transistor IRF1520 de potencia, que permite regular el voltaje, conectado al pin Gate. Cuando se suministra voltaje a la puerta, cierra el circuito entre los pines de fuente y drenaje. Mientras que, el diodo, un interruptor unidireccional de corriente, el cual se puede lograr un control continuo de la velocidad del motor utilizando solo una fuente de 5 Volts del Arduino mediante el empleo de modulación de ancho de pulso (PWM).
La función del PWM es encender y apagar el motor, de esta forma, la velocidad del motor se puede controlar continuamente variando el porcentaje de tiempo que la señal PWM está activada en comparación con el período total (el ciclo de trabajo).

B. Programas
Las configuraciones basadas en los componentes permiten utilizar la paquetería de ArduinoIO (Arduino IO package Simulink, 2021) para el procesamiento de datos mediante el uso de diagramas de bloques. En este experimento, Simulink permite controlar el motor a través de la conmutación del transistor, leer la salida del decodificador y graficar los resultados experimentales en tiempo real. En particular, emplearemos el paquete IO de MathWorks para generar el modelo mostrado en la Fig. 5.

RESULTADOS
En esta sección es primordial detallar los componentes de la plataforma para el desarrollo de un controlador de velocidad mediante la respuesta transitoria y el error de estado estable producido por el sistema de lazo cerrado resultante, incluso en presencia de una perturbación constante.
La velocidad angular del motor es estimada empleando un decodificador óptico incremental. Los pulsos del decodificador son contados mediante el Arduino Uno (Ardunio, 2021) a través de dos de las entradas digitales. Una de las salidas digitales también se emplea para encender y apagar un transistor, conectando y desconectando así el motor a una fuente de voltaje de corriente continua. Además, Arduino Uno es capaz de enviar y recibir los datos registrados desde Matlab-Simulink para su visualización y análisis (Arduino IO package Simulink, 2021).
El propósito de los experimentos es desarrollar la intuición sobre el diseño y la implementación de un controlador Proporcional (P), Proporcional Integral (PI) y Proporcional Integral Derivativo (PID) para el control de velocidad de un motor. Debido a que dichos controladores son de gran estudio en un curso de control (Tecnológico Nacional de México, 2021a).
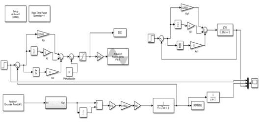
A un nivel fundamental, una fuente de voltaje es aplicada como entrada en el motor DC y la velocidad de rotación del eje d/dt es la salida. Dado que en la práctica es empleando un enfoque de modulación de ancho de pulso (PWM) para el control, trataremos nuestra entrada de control como el ciclo de trabajo de la señal PWM (porcentaje del período PWM durante el cual el motor está encendido). La entrada de control al motor se determinará a través de un controlador de velocidad C s( ) que actúa sobre el error entre la velocidad del motor de referencia y medida (ver Fig. 6). En este contexto, el sistema en lazo cerrado tendría la siguiente forma donde la velocidad del motor es la verdadera salida, pero se necesita un procesamiento significativo mediante el procesamiento de señal, para generar la velocidad medida empleada para la realimentación.

Dado que no es posible medir la velocidad del motor, se considera que el sistema en lazo cerrado tiene el siguiente esquema donde P s'( ) es el modelo la planta que incluye la dinámica del procesamiento de la señal. Dicho el modelo de la planta es presentado en la Fig. 7.

3.1 Modelo aproximado del sistema
Para el modelo anterior mostrado en el diagrama de bloques es necesario definir los parámetros siguientes: Ts=0.02 dado como el tiempo de muestreo en segundos y Fc = 5*Ts definida como la constante de tiempo del filtro de primer orden para el motor. Dichos parámetros son definidos en la línea de comandos de Matlab o se pueden ejecutar un script.m archivo que incluya su definición. Su relación de transmisión puede ser diferente de lo que se emplea aquí dependiendo de su modelo específico de motor. También es posible que deba cambiar el puerto de comunicación COM especificado en el bloque de configuración de ArduinoIO. Después de ejecutar el modelo anterior y graficar la salida filtrada, debe observar una gráfica de respuesta de velocidad como la que se muestra en la Fig. 8.

A partir de la inspección, es posible ver que la respuesta tiene la apariencia de una respuesta de un sistema de primer orden. Por lo tanto, es posible ajustar un modelo de primer orden. La única diferencia aquí es que se incluye la dinámica del filtro como parte de la planta y se considera que la entrada es el ciclo de trabajo (un porcentaje) en lugar del voltaje de entrada.
(1)
Donde P'(s) es medido en revoluciones por minuto (RPM). Desde la inspección, la velocidad en estado estacionario alcanzada por el motor es de aproximadamente 170 RPM. Dado que esta respuesta es generada a 5 Volts, se puede considerar que la entrada es un ciclo de trabajo igual a 1 (100%), y la ganancia para el modelo es simplemente K=170 RPM. Además, considerando que la constante de tiempo define el tiempo que tarda un proceso en alcanzar el 63.2% de su cambio total (Ogata, K., 2010). Por lo tanto, podemos estimar la constante de tiempo en función del tiempo que tarda la velocidad del motor en alcanzar 0.632x170=107 RPM ocurre a los 1.23 segundos y la entrada parece dar un paso a los 1.07 segundos, se estima que la constante de tiempo del motor es de aproximadamente 0.16 segundos. Por lo tanto, el modelo de la ecuación 1 modelo de para el motor es aproximado como:
(2)
Por lo tanto, es posible llevar cabo los experimentos en tiempo real y será posible comparar las respuesta con el modelo propuesto.
3.2 Resultados experimentales
Hasta ahora, hemos diseñado un diagrama que permite aproximar un modelo incluyendo incertidumbres en el modelo de la planta. Un factor que a menudo debe considerarse en la implementación de sistemas de control es el efecto de las entradas no deseadas, como las perturbaciones y el ruido. En el siguiente apartado se presentan los experimentos de la plataforma sujeta a tres esquemas de control básicos en un curso de control, entre ellos, el control proporcional (P), el control proporcional integral (PI) y el controlador proporcional integral derivativo (PID) sin perturbación como se muestra en el siguiente Fig. 9.En la figura puede observarse la referencia (en rojo), la respuesta simulada (en verde) y la respuesta en tiempo real (en azul), respectivamente.

De manera similar, podemos encontrar la función de transferencia desde la perturbación hasta la salida como se muestra en la Fig. 10.

Aplicando la propiedad de superposición, la salida total del motor bajo la aplicación simultánea de una entrada de referencia y una entrada de perturbación. Dado que la salida de velocidad de estado estacionario bajo control es cero para una entrada de perturbación constante, esperaríamos que el error de estado estacionario también fuera cero. La salida no se desviará de su valor de estado estacionario debido a la perturbación constante, solo la respuesta de salida debido a la entrada de referencia permanecerá en estado estacionario. Probemos esta hipótesis ejecutando nuestro modelo de Simulink con los controladores P, PI y PID que diseñamos previamente. Después de que la entrada de referencia haya pisado, agregaremos un par de carga constante aplicando ligeramente presión constante al eje del motor de salida con nuestros dedos. Las respuestas para el control de velocidad del motor con los controladores P, PI y PID con una perturbación mostradas en la Fig. 11.En la figura puede observarse la referencia (en rojo), la respuesta simulada (en verde) y la respuesta en tiempo real (en azul), respectivamente.
En el experimento anterior, la perturbación de la carga se aplica entre aproximadamente 4 segundos y 7 segundos. Por inspección, la velocidad del motor no se desvía de la referencia de 130 RPM ordenada, incluso cuando se aplica esta perturbación constante.


Experiencias de enseñanza con la plataforma
Las pruebas experimentales con la plataforma fueron llevadas a cabo durante el periodo escolar de septiembre del 2021 a enero del 2022 mediante clases híbridas con alumnos de 7° y 9° semestre de la carrera de Ingeniería Mecatrónica. Se contó con un total de 81 alumnos, de los cuales 15 fueron mujeres y 66 hombres. Los estudiantes son del Tecnológico de Estudios Superiores de Huixquilucan en México (Tecnológico Nacional de México, 2021a), (Tecnológico Nacional de México, 2021b) los cuales desarrollaron e implementaron sus propias plataformas. La plataforma presentada en este trabajo ha sido implementada para lograr las competencias de la unidad de aprendizaje de Control cuyo objetivo es que el alumno analice, construya, sintonice y controle sistemas dinámicos invariantes en el tiempo para diferentes procesos industriales. Por otro lado, lleve a cabo la modelación, construcción, caracterización y sintonización física de un sistema de control realimentado que sea factible de implementar con los medios disponibles mediante sensores, actuadores, electrónica, programación de los componentes y el uso de programas. Las prácticas de control constan de las siguientes cuatro etapas considerando los siguientes tópicos:
Al aplicar las etapas 1, 2, 3 y 4, implica llevar a cabo desde el modelado matemático hasta la implementación de la plataforma, y por ende, la implementación de un controlador de velocidad en tiempo real que permita la validación. Como parte de la evaluación es importante identificar sí son logradas la(s) competencia(s) basadas en el aprendizaje hibrido (Reyes, R., 2020), (VV.AA., 2021):
-Se contribuye con la combinación de estrategias, métodos, recursos y mejoras prácticas en la modalidad a distancia y presencial.
-Se promueve el rasgo de flexibilidad y adaptabilidad a las necesidades específicas de los estudiantes y a los requerimientos de cada programa educativo.
-Se incorporan sesiones de aula virtual a través de plataformas digitales y prácticas presenciales que se consideran esenciales para alcanzar las competencias establecidas en el programa educativo.
-Se implementan activades síncronas y asíncronas aprovechando los medios tecnológicos y se obtienen las competencias específicas como la capacidad de análisis y síntesis y el razonamiento crítico.
-Se promueve el aprendizaje autónomo, tener la capacidad de gestión de la información, fomentar el trabajo en equipo, finalmente, lograr la comunicación oral y escrita en lengua nativa.

Asimismo, con base en las competencias se identificaron que necesidades y habilidades se promueven en los estudiantes en conjunto con las asignaturas del plan de estudios de Ingeniería Mecatrónica del Tecnológico Nacional de México (TECNM) (véase Fig. 12).
Incluso se identificaron en la fase de implementación y de desarrollo el enfoque interdisciplinario en el cual el estudiante realizó una parte del aprendizaje a presencial y a distancia, en donde puede lograr aprendizaje autónomo y, por otro lado, aprendizaje en aula.
El modelo aplicado permite buscar la combinación de estrategias, métodos, recursos y mejores prácticas, conllevar el rasgo de flexibilidad y adaptabilidad a las necesidades específicas de los estudiantes y a los requerimientos de la unidad de aprendizaje, incorporar sesiones de aula virtual a través de plataformas digitales y practicas presenciales para alcanzar las competencias e implementar actividades síncronas y asíncronas aprovechando los medios tecnológicos, la parte teórica y la parte práctica.
Por lo tanto, se puede invertir más esfuerzo en desarrollar experimentos bajo diferentes condiciones de funcionamiento y situaciones reales bajo el modelo hibrido obteniendo: primero, el aprendizaje activo y significativo en el estudiante, mediante su propio enfoque de aprendizaje constructivo e interactivo con la plataforma; también es promovida la autonomía y la participación del estudiante al conferirle mayor control sobre su propio aprendizaje.
Además, se facilita la comunicación del estudiante con el docente y entre estudiantes, tanto presencial como a distancia mediante la construcción de la plataforma; se promueve la eficacia del uso práctico de las tecnológicas de la información al aprovechar los recursos y medios digitales. Finalmente, se optimiza el trabajo del docente al permitirle dedicar tiempo en la realización de las actividades presenciales que se consideren esenciales; se posibilita la implementación y la combinación de metodologías que fomenten un aprendizaje activo, por ejemplo, el aprendizaje basado en retos, la gamificación, el aula invertida, entre otros.
Como parte del objetivo del proyecto, que plantea el docente, es que el alumno demuestre el desarrollo y alcance de la(s) competencia(s) de la asignatura, considerando las siguientes fases de desarrollo para el proyecto:
-Fundamentación: es cuando el estudiante desarrolla el marco teórico y conceptual, en conjunto con el profesor se brinda a los estudiantes la comprensión de la realidad o situación del objeto de estudio.
-Planeación: dado diagnóstico en el punto anterior, en esta fase se realiza el diseño y la construcción del proyecto con base en las necesidades de enseñanza/aprendizaje; donde se planifica qué necesidades tendrá la plataforma, qué se busca aportar con él, y se realiza un diseño que permita la contribución en un área específica; en otras palabras, se define el tipo de proyecto, los desafíos por diseñar, crear e implementar, se definen los recursos y materiales y se programan actividades.
-Ejecución: en esta fase llevan a cabo consiste en las pruebas experimentales del proyecto realizado, es decir, es la fase de mayor duración que implica el desempeño de las competencias genéricas y especificas a desarrollar por lo estudiantes.
-Evaluación: es la fase final que aplica un reflexión de valor en el contexto experimental y de aprendizaje, ésta se debe realizar a través del reconocimiento de logros y aspectos obtenidos por lo estudiantes, se estará promoviendo el concepto de evaluación para la mejora continua, la meta cognición, el aprendizaje constructivo e interactivo, además del desarrollo del pensamiento crítico y reflexivo en los estudiantes.
Asimismo, en la fase de evaluación los estudiantes fueron evaluados respecto al aprendizaje obtenido en el tema de ángulos sin el uso de la plataforma y una segunda evaluación mediante la enseñanza obtenida utilizando la plataforma desarrollada. Se realizaron dos evaluaciones, la primera respecto a el conocimiento adquirido sobre el tema de ángulos y la segunda evaluación, sobre el uso y el manejo de la plataforma como herramienta para el aprendizaje de ángulos, obteniendo los siguientes resultados. La primera evaluación (ver Fig. 13) fue basada en el conocimiento adquirido: 1. ¿qué es sistema?, 2. ¿Cuáles son los sistemas en lazo abierto y cerrado?, 3. ¿sabe el álgebra de los diagramas de bloques?, 4. ¿qué es el error? 5. ¿sabe la definición de transformada de Laplace?, 6. ¿conoce sobre polos y ceros? 7. ¿Qué es un sistema estable? 8.¿qué es un sistema inestable?, 9. ¿sabe cuándo un sistema es estable con base en sus raíces? y 10. ¿Sabe la construcción de controladores en el programa?

Mientras que, la segunda evaluación es realizada con base en el nivel de satisfacción mediante las opiniones de los alumnos considerando si la plataforma fue de gran ayuda en el curso de control tomando en cuenta que cero es pésimo y seis es excelente obteniendo un resultado aceptable de 72 de los 81 alumnos encuestados de dos grupos (véase Fig. 14).

Incluso se identificaron en la fase de implementación y de desarrollo el enfoque híbrido en el cual el estudiante realizó una parte del aprendizaje a distancia, en donde puede lograr aprendizaje autónomo y, por otro lado, aprendizaje en aula.
El modelo aplicado permite buscar la combinación de estrategias, métodos, recursos y mejores prácticas, conllevar el rasgo de flexibilidad y adaptabilidad a las necesidades específicas de los estudiantes y a los requerimientos de la unidad de aprendizaje, incorporar sesiones de aula virtual a través de plataformas digitales y practicas presenciales para alcanzar las competencias e implementar actividades síncronas y asíncronas aprovechando los medios tecnológicos, la parte teórica y la parte práctica.
Por lo tanto, se puede invertir más esfuerzo en desarrollar experimentos bajo diferentes condiciones de funcionamiento y situaciones reales bajo el modelo hibrido obteniendo: primero, el aprendizaje activo y significativo en el estudiante, mediante su propio enfoque de aprendizaje constructivo e interactivo con la plataforma; también es promovida la autonomía y la participación del estudiante al conferirle mayor control sobre su propio aprendizaje.
Se facilita la comunicación del estudiante con el docente y entre estudiantes, tanto presencial como a distancia mediante la construcción de la plataforma; se promueve la eficacia del uso práctico de las tecnológicas de la información al aprovechar los recursos y medios digitales.
Se optimiza el trabajo del docente al permitirle dedicar tiempo en la realización de las actividades presenciales que se consideren esenciales; se posibilita la implementación y la combinación de metodologías que fomenten un aprendizaje activo, por ejemplo, el aprendizaje basado en retos, la gamificación, el aula invertida, entre otros.
Discusión de los resultados
Los experimentados desarrollado por lo estudiante permitieron desarrollar y poner en marcha nuevos enfoques de aprendizaje considerando nuevas formas de trabajo e incluso sin dejar por un lado el desarrollo de un plataforma de bajo costo, con alto desempeño, fácil de diseñar y construida con pocos elementos, que sea accesible para los alumnos.
La plataforma fue llevada a cabo para el pilotaje en situaciones presenciales y a distancia con el objetivo de poner en práctica los conocimientos para las asignaturas de dinámica de sistemas y control, incluso sin la necesidad de requerir sistemas de control sofisticados o la necesidad de acceder a un laboratorio de control automático. Además, mediante el ahorro de espacio es considerada portátil, ya que puede trasladarse fácilmente. Las pruebas preliminares fueron desarrolladas con éxito desde casa y desde el laboratorio, por lo que, pueden ser construidas con fines educativos para aplicar nuevos enfoques de aprendizaje presencial y/o en línea aplicando las competencias del siglo XXI y la literacidad mediática multimodal (Lacelle, M., Boutin, N. & Lebrun, J. F., 2017).
El desarrollo de la plataforma mediante el uso de Arduino y de Matlab-Simulink ayudan a desarrollar las competencias y cumplir con las expectativas del aprendizaje híbrido presentadas. Mediante la plataforma se logran conseguir resultados cuantificables de aprendizaje basados en el método científico aplicando a la educación como transformación (Miller, J. P., 2007) en los cursos de Ingeniería Mecatrónica y dar este enfoque en las prácticas. Donde el estudiante no se reduce a un conjunto de competencias de aprendizaje o habilidades de pensamiento, sino que se integra como un ser completo. Este enfoque promueve a utilizar estrategias como la creatividad, resolución de problemas, aprendizaje cooperativo y las artes, que alientan a los estudiantes para hacer varios tipos de conexiones. Estas conexiones hacen que el aprendizaje sea personal y socialmente significativo para el estudiante. Y aún más, en la posición de transformación es de suma importancia llevar a cabo los vínculos con otras formas de aprendizaje, lo que permite conjuntarla con el aprendizaje híbrido donde el enfoque de transformación permite incluir y sumar nuevos enfoques de aprendizaje.

Desde la perspectiva de la Fig. 15, la posición de transmisión es vista como el dominio más pequeño, mientras que la posición de transformación es la más inclusiva siempre que la forma de aprendizaje no discrimine o disminuya al individuo de alguna manera, entonces puede ser incluido.
Lo que quiere decir que, la propuesta contribuye con la mejora, el incremento y la implementación de infraestructura experimental para el aprendizaje y la educación bajo el modelo híbrido presentado. También cabe señalar que fue necesario, fundamental e indispensable conocer su rendimiento y su grado de satisfacción en los diferentes casos de estudio, ayudando a crear modelos y esquemas básicos para el aprendizaje y deducir cómo se originan los caminos abriendo posibilidades para que los docentes puedan crear y formular preguntas durante una práctica de laboratorio.
Conclusiones
En este artículo se ha presentado una novedosa plataforma basada en un motor DC aplicada con fines educativos de fácil accesibilidad basada en un Arduino y Matlab-Simulink. Los componentes de la plataforma están dados por la configuración del hardware y se describe la configuración del programa que integró la plataforma. El rendimiento de la plataforma se evalúa mediante experimentos en tiempo real utilizando el paquete ArduinoIO para la respuesta de velocidad del motor.
La plataforma es fácil de implementar y de interactuar con cualquier computadora y puede ser llevada a casa por los estudiantes, abriendo nuevas posibilidades para tareas prácticas en cursos de dinámica de sistemas y control. Incluso el articulo presentó pruebas de los experimentos y los temas estudiados en diversas prácticas mediante el aprendizaje hibrido. Además, permite desarrollar competencias apropiadas con dicho modelo para el desarrollo de habilidades y de necesidades que permiten agrupar y asociar a la retícula de asignaturas de los alumnos de Ingeniería Mecatrónica. Lo anterior, permite destacar que el plan de estudios y las competencias previamente adquiridas son puestas en práctica durante el desarrollo de esta plataforma.
La implementación de la plataforma ha generado respuestas favorables por parte de los estudiantes en nuevas formas de aprendizaje con modelos puestos en marcha debido a la pandemia. Por lo que, es notable que los estudiantes tienen la posibilidad de ejecutar experimentos reales utilizando alternativas de programas y de componentes considerando propuestas de bajo costo y accesibles, incluso permiten el ahorro de algunos elementos como la construcción de una fuente de alimentación.
Como trabajo futuro se busca mejorar la portabilidad de la plataforma presentada usando nuevos enfoques de aprendizaje, por otro lado, se está desarrollando la programación y la vinculación para el envío de datos y el uso de un programa libre o de bajo costo para lograr sí obtener una plataforma que permita equipar al Laboratorio de Automatización en el Tecnológico de Estudios Superiores de Huixquilucan.
Referencias
Organización de las Naciones Unidas para la Educación la Ciencia y la Cultura. (2020). Revisión regional 2020, Educación superior para todas las personas: https://www.iesalc.unesco.org/2020/04/02/el-coronavirus-covid-19-y-la-educacionsuperior-impacto-y-recomendaciones/
Reyes, R. (2020). Cómo mejorar el aprendizaje híbrido a través de una evaluación socioformativa en tiempos del Covid-19. En J. Luna-Nemecio (Coord.), Memorias del Quinto Congreso Internacional de Evaluación Socioformativa, Congreso conducido por el Centro Universitario CIFE, Cuernavaca, México.
Cárdenas, S., Lomelí, D., & Ruelas, I. (2021). La covid-19 y políticas educativas pospandemia en México. ¿Qué es lo que está en juego?, Colección Educación, pp. 176-204. ISBN: 978-84-95891-95-2.
Schwab, K. (2018). La cuarta revolución industrial, epublibre-ePub r1.0.
VV.AA. (2021). Educación en Clave de Metodologías y Medicaciones, Colección de Diálogos Intelectuales del Siglo XXI, Global Knowledge. ISBN:978-84-15665-77-9.
Organización de las Naciones Unidas para la Educación la Ciencia y la Cultura. (2015). Revisión regional 2015 de la educación para todos. http://unesdoc.unesco.org/images/0023/002327/232701s.pdf
Lindgren, R., Tscholl, M., Wand, S. & Johnson, E. (2016). Enhancing learning and engagement through embodied interaction within a mixed reality simulation, Computer and Education, 95, pp. 174–187.
Kesim, M. & Ozarslan, Y. (2012). Augmented reality in education: Current technologies and the potential for education, Procedia, Soc. Behav. Sci., 47, 297–302. DOI. 10.1016/j.sbspro.2012.06.654
Guzmán, J. L., Dormido, S., & Berenguel, M. (2010). Interactivity in education: An experience in the automatic control field, Wiley Periodicals.
Gilat, A. (2004). MATLAB: An Introduction with Applications, 2nd Edition. John Wiley & Sons.
Jeffrey, T. (2006). LabVIEW for everyone: graphical programming made easy and fun, Prentice Hall.
Gitomer, D. H. & Courtney, A. B. (2016). Handbook of Research on Teaching, American Educational Research Association, Washington, D.C., 5th edition.
González, A. M., Serna, J. M., Fory, C., Ojeda, A., Cardona, J., Tombé, J. & Soria, A. (2019). A low cost, free-software platform with hard real-time performance for control engineering education, Computer Applications in Engineering Education, 27 (2), pp. 406-418. DOI. 10.1002/cae.22084
Apkarian, J., & Astrom, K. (2004). A laptop servo for control education, IEEE control systems, 24:70–73.
Gunasekaran, M. & Potluri, R. (2012). Low-cost undergraduate control systems experiments using microcontroller-based control of a dc motor, IEEE Transactions on Education, 55:508–516.
Bernstein, D. S. (2005). The Quanser dc motor control trainer, IEEE Control Systems Magazine, 3:90–93,
Maldonado, J. J., Luna, J. L., Garrido, R. & Castro, G. (2019). A Teaching Methodology Based on an Educational Experimental Platform, IEEE Latin America Transactions vol. 17, no. 8, pp. 1363–1370.
Kelly, R. (1993). A simple set-point robot controller by using only position measurement, IFAC Proceedings Volumes, 26:527–530.
Gao, Z. (2006). Active disturbance rejection control: a paradigm shift in feedback control system design, IEEE American Control Conference, pp. 2399-2405.
Han, J. (2009). From PID to active disturbance rejection control, IEEE Transactions on Industrial Electronics, 56:900–906.
Ohishi, K. O. K. & Miyachi, K. (1988). Adaptive dc servo drive control taking force disturbance suppression into account, IEEE Transactions on Industry Applications, 24:171–176.
Ohnishi, M. S. K. & Murakami, T. (1996). Motion control for advanced mechatronics, IEEE/ASME Transactions on Mechatronics, 1:56–57.
Arduino, (2021). https://www.arduino.cc/en/software..
Arduino IO package Simulink, (2021). https://www.mathworks.com/matlabcentral/answers/34672-arduino-io-package-simulink.
Tecnológico Nacional de México. (2021a) Temario de la asignatura de Control del plan de Estudios de Ingeniería Mecatrónica. http://teshuixquilucan.edomex.gob.mx/im
Ogata, K. (2010). Modern, Control Engineering, Prentice Hall, 5 edición.
Tecnológico Nacional de México. (2021b) Retícula de la carrera de Ingeniería Mecatrónica. http://teshuixquilucan.edomex.gob.mx/im, Accessed: July-2021.
Lacelle, M., Boutin, N. & Lebrun, J. F. (2017). La littératie médiatique multimodale appliquée en contexte numérique, LMM@: outils conceptuels et didactiques, PUQ, Montreal.
Miller, J. P. (2007). The Holistic Curriculum, Second Edition, OISE Press.