Comparación de pistón original y genérico en fabricación. Caso de estudio: Cummins N14 430 HP
Comparison of original and generic piston in manufacturing. Case study: Cummins N14 430 HP
Comparación de pistón original y genérico en fabricación. Caso de estudio: Cummins N14 430 HP
Conectividad, vol. 6, núm. 1, pp. 184-194, 2025
Tecnológico Superior Rumiñahui

Recepción: 02 Diciembre 2024
Aprobación: 23 Diciembre 2024
Publicación: 23 Enero 2025
Resumen: El proyecto tuvo como objetivo comparar una pieza de repuesto original con una genérica, analizando su composición química, resistencia mecánica y dureza. Para lograrlo se realizaron pruebas metalográficas siguiendo las normas ASTM E3:2011 y ASTM E407:2007, mientras que la composición química se determinó utilizando ASTM E1085:2016 y las pruebas de dureza se realizaron según ASTM E18:2022. Los resultados mostraron que la pieza de repuesto original tiene una estructura de ferrita, mientras que la genérica tiene martensita fina. La composición química de ambos pistones incluye una matriz de hierro con diversos elementos aleantes como cobre (Cu), níquel (Ni), cromo (Cr), manganeso (Mn), silicio (Si), molibdeno (Mo), titanio (Ti), zinc (Zn), circonio (Zr) y plomo (Pb). El repuesto original presenta como aleante el circonio permitiéndole resistir altas temperaturas y mantener la estabilidad estructural. Los resultados de la prueba de dureza indicaron que la pieza de repuesto genérica es más dura y frágil, mientras que la pieza de repuesto original tiene una dureza moderada lo que la convierte en un material con propiedades dúctiles. En general, el estudio concluye que la pieza de repuesto original tiene una composición química superior, una dureza moderada y mejores propiedades mecánicas.
Palabras clave: Automotriz, Metalografía, Motor, Pistones, Química.
Abstract: The project aimed to compare an original spare part with a generic one, analyzing their chemical composition, mechanical strength, and hardness. To achieve this, metallographic tests were conducted following ASTM standards E3:2011 and E407:2007, while the chemical composition was determined using ASTM E1085:2016, and hardness tests were performed according to ASTM E18:2022. The results showed that the original spare part has a ferrite structure, while the generic one has fine martensite. The chemical composition of both pistons includes an iron matrix with various alloying elements such as copper (Cu), nickel (Ni), chromium (Cr), manganese (Mn), silicon (Si), molybdenum (Mo), titanium (Ti), zinc (Zn), zirconium (Zr), and lead (Pb). The original spare part features zirconium as an alloying element, allowing it to withstand high temperatures and maintain structural stability. Hardness test results indicated that the generic spare part is harder and more brittle, while the original spare part has moderate hardness, making it a material with ductile properties. In conclusion, the study finds that the original spare part has a superior chemical composition, moderate hardness, and better mechanical properties.
Keywords: Automotive, Metallography, Engine, Pistons, Chemistry.
Citar como:
Taipe Yugcha, L. J., & Quinatoa Lema, E. J. (2025). Comparación de pistón original y genérico en fabricación. Caso de estudio: Cummins N14 430 HP. CONECTIVIDAD, 6(1), 184–194. https://doi.org/10.37431/conectividad.v6i1.224
1. INTRODUCCIÓN
El parque automotor ecuatoriano ha alcanzado una cifra de 2’893.247 vehículos hasta el año 2023, esto significa una estimación de un vehículo por cada 6 habitantes en el Ecuador esto según la Asociación de Empresas Automotrices del Ecuador (AEADE, 2024), lo que ha generado una creciente demanda de repuestos para el mantenimiento de estos vehículos. En Ecuador, la oferta de repuestos presenta una amplia variedad de autopartes alternativas, presentando en algunos casos una amplia oferta tanto en costo como en calidad, en este punto, la seguridad y confiabilidad son aspectos fundamentales en un vehículo, por lo que es crucial comprender las diferencias y características entre estas dos alternativas de repuestos al realizar tareas de mantenimiento o reparación automotriz (Gila Hoyas, 2022).
Aunque existen estudios previos sobre las características de los materiales de fabricación de autopartes originales y alternativas, son escasos en el contexto ecuatoriano (Cruz Siguenza et al., 2020). Además, la disponibilidad de una variedad de autopartes en términos de marca y origen, junto con su calidad y costo, dificulta la toma de decisiones para los consumidores. El costo a menudo influye en la elección de los repuestos, lo que puede llevar a los clientes a optar por la opción más económica sin considerar la seguridad o el rendimiento óptimo (Gila Hoyas, 2022).
En este contexto, los pistones son componentes de vital importancia en los motores de combustión interna, especialmente en vehículos de transporte. El diseño, la tecnología y los materiales de fabricación de los pistones desempeñan un papel crucial en el rendimiento y vida útil del motor, debido a que están expuestos a altas temperaturas, presiones elevadas, fricción y vibraciones (Ricardo, 1952). La calidad de los materiales de fabricación entre un pistón original y uno genérico es una cuestión clave que requiere un análisis detallado. En la actualidad, la mayoría de pistones están fabricados con aleaciones de aluminio lo que sugiere propiedades específicas que hacen que estas aleaciones sean especialmente adecuadas para este propósito. Un pistón debe cumplir una serie de funciones esenciales como transferir la energía de los gases de combustión al cigüeñal, actuar como un sello ante los productos de la combustión y el aceite del cárter y, disipar el calor de la combustión. Debe realizar estas funciones de manera silenciosa, resistiendo las tensiones térmicas y mecánicas sin romperse o distorsionarse, además de tener la resistencia necesaria para soportar las presiones de combustión y las fuerzas inerciales generadas por su masa y movimiento en un rango de temperaturas que pueden variar entre -30℃ y 400℃. Por lo tanto, el material ideal para un pistón debe poseer propiedades como resistencia a la tracción, compresión, fluencia y fatiga, baja densidad, alta conductividad térmica, propiedades de rodamiento excelentes y resistencia a la deformación bajo carga, todo ello a un costo razonable tanto en el material como en su producción (Adil et al., 2023).
Los materiales utilizados en la fabricación de pistones han evolucionado a lo largo de la historia, Inicialmente el hierro fundido fue el material predominante debido a su resistencia y durabilidad, seguido por le acero en motores de alto rendimiento que requerían piezas más ligeras para aumentar la velocidad del pistón (Ricardo, 1952). Sin embargo, a medida que se buscaban mejores materiales, las aleaciones de aluminio comenzaron a ganar más popularidad por su ligereza y buena conductividad térmica lo que permite mayor eficiencia debido a una mejor transferencia de calor, a pesar de su baja resistencia y punto de fusión más bajo en referencia al hierro fundido. Las aleaciones de aluminio-silicio, se convirtieron en estándar en los vehículos de pasajeros en la década de 1950, ofreciendo una combinación única de propiedades mecánicas y térmicas que los hacían ideales para aplicaciones a altas temperaturas (Adil et al., 2023).
En este estudio se propone analizar minuciosamente los materiales de fabricación de pistones originales y genéricos, centrándose en un motor ampliamente utilizado en el transporte pesado en la provincia de Cotopaxi, en el Ecuador. Se busca caracterizar los materiales utilizados en ambos tipos de pistones y comprender como afectan las propiedades de estos componentes. Los resultados obtenidos proporcionarán información valiosa para la selección de repuestos, garantizando un rendimiento óptimo y la seguridad del motor.
Además de su relevancia práctica, este estudio también proporcionará información científica sólida que respalde la elección de componentes para el mantenimiento y reparación de motores de combustión interna. Asimismo, se espera que los hallazgos de este estudio brinden evidencia suficiente para recomendar el uso de un tipo de repuesto sobre otro en el ámbito profesional.
2. MATERIALES Y MÉTODOS
Para el desarrollo del presente proyecto de investigación empleó un diseño experimental con un método analítico inductivo, con un enfoque cuantitativo, centrándose en un análisis comparativo de un pistón original y uno genérico para el motor Cummins N14 430HP. Se trata de una investigación aplicada y de laboratorio, que tiene como objetivo determinar las características de fabricación y propiedades mecánicas de ambos tipos de pistones. Se han seleccionado dos marcas de repuesto: uno original de la marca Cummins y otra genérica. A través de análisis detallados de materiales y propiedades mecánicas, el estudio busca comparar las composiciones, estructuras y materiales de los pistones originales y genéricos para evaluar su idoneidad para su uso en el motor N14 430 HP. La figura 1 muestra la metodología aplicada para el desarrollo de la investigación:

Las muestras seleccionadas fueron cortadas de la falda del pistón y otra en la cabeza del pistón. Con el fin de llevar un registro de las muestras se codificaron con las siglas AMI, de la forma detallada a continuación:
· Pistón original: AMI 01
· Falda de pistón Original: AMI 02
· Pistón Genérico: AMI 03
· Falda de pistón Genérica: AMI 04

Ensayo mecánico
Se realizó una medición de dureza empleando un durómetro universal marca ERNST, mediante la aplicación de la normativa ASTM E18-2022: Método de pruebas estándar para la dureza Rockwell Tipo (A) de materiales metálicos.
Ensayo de composición química
Para este propósito se utilizará el método de comparación por fluorescencia de rayos X(XRF) por energía dispersiva (ED) de materiales, mediante un espectrómetro OLYMPUS DPO2000-C. En esta prueba se considera el método de ensayo ASTM E1085:2016: Método de prueba estándar para el análisis de aceros de baja aleación por longitud de inda dispersiva de rayos X espectrometría de florescencia.
Análisis metalográfico
Para establecer el tipo de matriz y la distribución gráfica, la muestra se preparó tomando en cuenta la normativa ASTM E3-2011: Guía estándar para la preparación de pruebas metalográficas y la norma ASTM E407-2007: Ataque químico. Práctica estándar para metales y aleaciones, para luego ser observada en un microscopio metalográfico marca Olympus.
3. RESULTADOS Y DISCUSIÓN
La tabla1, muestra los resultados de dureza obtenidos para las muestras de pistones, tanto originales como genéricos. Los datos revelan que la cabeza del pistón original AMI01 tiene una dureza de 42,63 mientras que la falda original AMI02 tiene una dureza de 29,7, medidos mediante el ensayo de dureza Rockwell tipo A. En contraste, la cabeza del pistón genérico AMI03 presenta un valor de 59,26 de dureza, mientras que la falda del pistón genérico AMI04 muestra un valor de 44,46. Es importante tener en cuenta que la dureza es una propiedad superficial y no necesariamente indica la capacidad de deformación de un material en particular.
| Muestra | AMI 01 | AMI 02 | AMI 03 | AMI 04 |
| Dureza HRA | 42,633 | 29,700 | 59,267 | 44,467 |
Con el objetivo de determinar la composición química, se han identificado diversos materiales presentes en la muestra AMI01. La tabla 2, destaca la presencia de una matriz de hierro con un contenido del 96,37%, indicando que se trata de un acero con un nivel medio de carbono. Además, se identifican otros elementos aleantes en la muestra, como el cobre (Cu) con un 1,01%, níquel (Ni) con un 0,08%, cromo (Cr) con un 0,036%, circonio (Zr) con un 0,0289% y manganeso (Mn) con un 0,025%. Estos elementos confieren al acero propiedades mecánicas resistentes a la corrosión y la capacidad de ser dúctil incluso a altas temperaturas. Como se puede apreciar en la tabla, el aleante más representativo para estas propiedades es el Circonio Zr, tiende a ser utilizado en aceros aleados en la sustitución del Titanio Ti.
| LE | Fe | Cu | Ni | Cr | Zr | Mn | |
| % contenido | 96,37 | 1,67 | 1,01 | 0,86 | 0,036 | 0,0289 | 0,025 |
| +/- Error | 0,07 | 0,04 | 0,02 | 0,02 | 0,009 | 0,0008 | 0,006 |
La tabla 3, muestra los resultados obtenidos para la muestra AMI02, donde se identifica una matriz de hierro que representa el 97,67% de la composición total. Además, se observan otros elementos presentes en la muestra, como el cobre (Cu) con un 1,03%, níquel (Ni) con un 0,84%, hierro (Fe) con un 0,45%, zinc (Zn) con un 0,016% y circonio (Zr) con un 0,0292%. Estos elementos se encuentran en diferentes porcentajes de aleación, lo cual beneficia al acero y le otorga propiedades mecánicas favorables, especialmente en un acero de contenido medio de carbono. Esta combinación de elementos hace que el acero sea altamente resistente al a corrosión y tenga una mayor capacidad de soportar altas temperaturas, lo cual es beneficioso en aplicaciones como los pistones. Además, se destaca la presencia predominante del circonio (Zr), el cual posee una propiedad de resistencia a altas temperaturas.
| LE | Cu | Ni | Fe | Zn | Zr | |
| % contenido | 97,67 | 1,03 | 0,84 | 0,45 | 0,016 | 0,0292 |
| +/- Error | 0,07 | 0,02 | 0,02 | 0,02 | 0,002 | 0,0008 |
La tabla 4, muestra los materiales presentes en la matriz de hierro de la muestra AMI03, donde se identifica un acero de contenido medio de carbono con un predominio de hierro (Fe) que representa el 97,55% de la composición total. Además, se detectan otros elementos en la muestra, como cromo (Cr) con un 1,01%, manganeso (Mn) con un 0,77%, silicio (Si) con un 0,3%, molibdeno (Mo) con un 0,224%, cobre (Cu) con un 0,16% y níquel (Ni) con un 0,08%. Se observa un bajo contenido de aleación de circonio (zr), lo que indica que este acero tendrá una menor resistencia a altas temperaturas. Es importante destacar que, si bien la composición química con múltiples aleantes puede favorecer algunas propiedades del acero, también puede debilitarlo en otros aspectos.
| Fe | Cr | Mn | Si | Mo | Cu | Ni | |
| % contenido | 97,5 | 1,01 | 0,77 | 0,3 | 0,224 | 0,16 | 0,08 |
| +/- Error | 0,07 | 0,02 | 0,03 | - | 0,006 | 0,02 | 0,01 |
La tabla 5, muestra la composición química de la muestra AMI04, donde se observa que la matriz de hierro representa el 97,54% de la composición total. Además, se identifican elementos aleados en la muestra, incluyendo el cobre (Cu) con un 1,05%, níquel (Ni) con un 0,73%, hierro (Fe) con un 0,38%, manganeso (Mn) con un 0,12%, Titanio (Ti) con un 0,08%, zinc (Zn) con un 0,069%, circonio (zr) con un 0,024% y plomo (Pb) con un 0,0058%. Se destaca la predominancia de los elementos Fe, Ti y Zr en esta muestra. La adición de estos elementos aleantes mejora propiedades como la templabilidad, dureza, resistencia a la tensión, resistencia la fatiga, ductilidad, impacto y resistencia a la corrosión del material.
| LE | Cu | Ni | Fe | Mn | Ti | Zn | Cu | Ni | |
| % contenido | 97,54 | 1,05 | 0,73 | 0,38 | 0,12 | 0,08 | 0,069 | 0,0247 | 0,0058 |
| +/- Error | 0,05 | 0,02 | 0,02 | 0,02 | 0,01 | 0,03 | 0,003 | 0,0007 | 0,0008 |
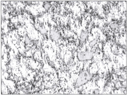
A continuación, en las siguientes gráficas se pueden ver las imágenes de las metalografías de cada una de las cuatro muestras, una vez que han sido sometidas a ataque químico de Nital al 4% durante 40 s.

Nota: Adaptado de Informe de preparación y análisis microestructural, laboratorio de análisis metalográfico, Centro de Fomento Productivo Metalmecánico Carrocero de la Provincia de Tungurahua, 2023

Nota: Adaptado de Informe de preparación y análisis microestructural, laboratorio de análisis metalográfico, Centro de Fomento Productivo Metalmecánico Carrocero de la Provincia de Tungurahua, 2023.

Nota: Adaptado de Informe de preparación y análisis microestructural, laboratorio de análisis metalográfico, Centro de Fomento Productivo Metalmecánico Carrocero de la Provincia de Tungurahua, 2023.

Nota: Adaptado de Informe de preparación y análisis microestructural, laboratorio de análisis metalográfico, Centro de Fomento Productivo Metalmecánico Carrocero de la Provincia de Tungurahua, 2023.
a) Análisis de propiedades mecánicas
Mediante las pruebas realizadas a probetas obtenidas del pistón original y genérico que se realizado de la cabeza y falda de pistón se obtuvo los siguientes valores. En el caso de la cabeza del pistón, el pistón original AMI01 tiene una dureza de 42,63, mientras que el pistón genérico AMI03 presenta un valor más alto de 59,26. En cuanto a la falda del pistón, el pistón original AMI02 tiene una dureza de 29,7, mientras que el pistón genérico AMI04 muestra un valor de 44,46. Según Avner (1997) afirma que una mayor dureza puede indicar una mejor resistencia al desgaste, lo que es crítico para el rendimiento y la longevidad del motor. Sin embargo, un exceso de dureza puede llevar a una fragilidad, lo que podría causar fallas bajo ciertas condiciones de carga (p.348). Como se puede apreciar la dgureza en pistón genérico es mayor por lo que pueden no tener la misma resistencia estructural. Esto puede resultar en un desgaste acelerado de los anillos de pistón y las paredes del cilindro, lo que reduce la vida útil del motor. Mientas que los pistones originales que suelen estar fabricados con materiales de alta calidad y tratamientos térmicos específicos, tienden a tener una dureza adecuada que minimiza el desgaste.
b) Análisis de la composición química
Mediante las pruebas realizadas a probetas obtenidas del pistón original y genérico que se realizado de la cabeza y falda de pistón se obtuvo los siguientes valores: En el caso del pistón original se logra clasificar como un AISI 4032 dicho material es un acero aleado y de medio contenido de carbono con un valor de (0,3 al 0,35 %C), que posee una mayor tenacidad y resistencia a la deformación. Mientras que en el caso del pistón genérico se logra clasificar como un AISI 4140 dicho material es un acero aleado y de medio contenido de carbono (0,38 al 0,43 % C) debido al mayor porcentaje de carbono en el material se incrementa la dureza, pero compromete la ductilidad del pistón. La composición química de ambos pistones incluye una matriz de hierro con diversos elementos aleantes como cobre (Cu), níquel (Ni), cromo (Cr), manganeso (Mn), silicio (Si), molibdeno (Mo), titanio (Ti), zinc (Zn), circonio (Zr) y plomo (Pb). La inclusión de estos elementos mejora propiedades mecánicas clave: la templabilidad que permite endurecimiento mediante tratamiento térmico, la dureza que ayuda a la resistencia a la deformación y abrasión, la ductilidad que permite deformarse sin romperse y la resistencia a la corrosión que ayuda a proteger contra el deterioro. Según los autores Hashemi y Smith (2011) manifiestan que el zirconio protege el sustrato metálico (aleaciones de Al o Fe) contra daños por altas temperaturas (p.632). Cabe mencionar que el pistón original posee como aleante al zirconio (Zr) en un porcentaje de 0,069 que proporciona resistencia a altas temperaturas y mejora la estabilidad estructural, siendo la mayor diferencia en el análisis de la composición química y por ende siendo fundamental para el funcionamiento adecuado del pistón dentro del motor de combustión interna.
c) Análisis Metalográfico
Por otro lado, acorde con el Metal Handbook-Vol.2, la adición de elementos aleantes mejora diversas propiedades mecánicas del acero. Se puede apreciar que el pistón original presenta una estructura ferrita, indicando un tratamiento térmico especial que mejora su resistencia y tenacidad, mientras que el pistón genérico posee una estructura martensítica fina que indica una mayor dureza del material, pero también afectando a la tenacidad. La elección entre un pistón original y genérico se debe basar en un entendimiento de sus propiedades mecánicas y químicas. Es decir, de un análisis de los aleantes que constituyen los pistones para así poder alargar la vida útil del motor después de realizar las diferentes actividades de mantenimiento (pp.88, 227).
4. CONCLUSIONES
Los pistones genéricos, con una mayor dureza, pero posiblemente menor resistencia estructural, pueden acarrear un desgaste acelerado de componentes clave como anillos y cilindros, reduciendo la vida útil del motor, por otro lado, los pistones originales ofrecen una menor dureza lo que ayudaría a minimizar el desgaste y mantener la integridad estructural de los componentes directamente relacionados con el componente en estudio.
La composición química de los pistones también juega un rol crucial, ambos tipos de pistón incluyen una matriz de hierro con diversos elementos aleantes que mejoran propiedades mecánicas clave como la templabilidad, la dureza, la ductilidad y la resistencia a la corrosión, donde la presencia de aleantes como el circonio en los pistones originales brinda resistencia a altas temperaturas y estabilidad estructural, características fundamentales para un funcionamiento óptimo a largo plazo. El material del pistón original se clasifica como un acero de medio contenido de carbono del tipo AISI 4032 que ofrece tenacidad y resistencia a la deformación, mientras que el pistón genérico se clasifica como un acero AISI 4140 con mayor contenido de carbono que aumenta la dureza, pero compromete la ductilidad.
La elección entre utilizar un pistón original o genérico debe basarse en una comprensión profunda de las propiedades tanto químicas como mecánicas del elemento de repuesto. Un conocimiento detallado de los aleantes presentes en estos componentes puede ayudar a una elección adecuada de refacciones en el momento de una reparación que junto con las actividades de mantenimiento pueden ayudar a prolongar la vida útil de los sistemas, en este caso del motor.
REFERENCIAS
Adil, H., Durodola, J., Gerguri, S., Bonatesta, F., Audebert, F., y Saporiti, F. (2023). Evolution of Materials for Internal Combustion Engines Pistons. Revista internacional de investigación y revisión, 203-214. https://doi.org/10.52403/ijrr.20230827
AEADE. (01 de 11 de 2024). ASOCIACION DE EMPRESAS AUTOMOTRICES DEL ECUADOR. Boletín Sector Automotor en Cifras - Quito.https://www.aeade.net/boletin-sector-automotor-en-cifras/
Antamba, J., Azanza, V., Reyes, G., Remache, Á. y Ruiz, S. (2020). Análisis de las características del material de fabricación de autopartes originales y alternos. Caso de estudio: Disco de freno. ENFOQUE UTE, 102-110. doi:10.29019/enfoqueute.v11n3.631
ASM Handbook. (2004). Volume 2. Metallography and Microstructures. OHIO: ASM INTERNATIONAL.
Auto-Magzine. (08 de enero de 2023). La diferencia entre repuestos originales y genéricos. https://automagazine.ec/la-diferencia-entre-repuestos-originales-y-genericos/
Avner, S. H. (1997). Introducción a la Metalurgia Física (Segunda ed.). Mexico: McGraw-Hill.
Cruz Siguenza, E. L., Villagrán Cáceres, W. J., Arguello , E. E., y Cruz Siguenza , M. P. (febrero de 2020). Control Estadístico de la calidad en la incidencia del uso de un sensor TPS alterno ante un sensor original. Polo del conocimiento, 5(02), 537-555. https://doi.org/10.23857/pc.v5i2.1297
Dieseval. (12 de abril de 2024). Las cosas que hay que saber de los motores Cummins. dieselval.com.https://dieselval.com/cosas-que-hay-que-saber-de-los-motores-cummins/
Gila Hoyas, A. (2022). El mercado de repuestos y autopartes en Ecuador. Quito, Ecuador: Editado por ICEX España Exportación e Inversiones, E.P.E. Obtenido de https://www.icex.es/content/dam/es/icex/oficinas/096/documentos/2022/10/documentos-anexos/DOC2022915769.pdf
Granell, A. (23 de Febrero de 2018). Mantenimiento correctivo, preventivo y predictivo del coche… ¿En qué se diferencian?. RODES. https://www.ro-des.com/blog/mantenimiento-correctivo-preventivo-y-predictivo-del-coche-en-que-se-diferencian/
Hashemi, J., & Smith, W. F. (2011). Fundamentos de la ciencia e ingeniería de materiales 4ed: un enfoque integrado. (Cuarta ed.). Suiza: McGraw-Hill.
López Donaire, D. (2024). El pistón, corazón del motor: qué es, función, partes, características, precio. ActualidadMotor. https://www.actualidadmotor.com/el-piston-corazon-del-motor/
Lozano, J. (2018). Análisis metalografico de aceros comerciales para herramientas en la ciudad de Cuenca Ecuador. Universidad Politécnica Salesiana.
Mazda Ecuador. (19 de agosto de 2019). ¿Por qué elegir repuestos originales para tu auto?. Blog Mazda CORPORACIÓN MARESA. https://blog.mazda.com.ec/por-que-elegir-repuestos-originales-para-tu-auto
Parra Olmedo, X. (2017). Análisis del comportamiento de compra de repuestos de suspensión automotriz en usuarios del almacén CAUCHOSSA. Universidad católica Santiago de Guayaquil.
Redondo , M. (2024). Pistones forjados, todo lo que debes saber. HIGHMOTOR.https://www.highmotor.com/pistones-forjados-debes-saber.html/amp
Ricardo, S. R. (1952). The High Speed Internal Combustión Engine. London and Glasgow: Blackie and Son Limited.
YENMAK ENGINE PARTS. (14 de abril de 2024). PISTONES DE ALUMINIO. https://www.yenmak.com.tr/es/productos/pistones-de-aluminio-439
Notas de autor
ljtaipey@istx.edu.ec
Información adicional
redalyc-journal-id: 7778