Resumen: La cavitación hidrodinámica es una tecnología recientemente utilizada y estudiada para el mejoramiento de la eficiencia y el desempeño de diferentes procesos agroindustriales. El aumento de la velocidad del líquido debido a una constricción, y la subsecuente caída de presión que ocasiona la formación e implosión intensa de burbujas de vapor, establecen los principios de este método. El presente artículo de revisión tiene como objetivo analizar desde una perspectiva holística el proceso de cavitación hidrodinámica, como una tecnología no convencional para el tratamiento de diferentes productos, subproductos y residuos agroindustriales. Inicialmente, se presentan los fundamentos técnicos del fenómeno de cavitación hidrodinámica, incluyendo la importancia del número adimensional de cavitación y la explicación detallada de los efectos térmicos, mecánicos y químicos de la operación. Otras variables son consideradas, como la velocidad, las presiones en el sistema y las escalas de tiempo. Posteriormente, se evalúan los diferentes equipos y dispositivos utilizados para lograr la cavitación; entre los cuales se destacan los platos perforados y los de tipo venturi. Finalmente, se analizan las principales aplicaciones agroindustriales para esta tecnología: hidrólisis y degradación de macromoléculas, síntesis de biodiesel, tratamiento de aguas residuales, pre-tratamiento de biomasa, síntesis de nano-materiales y nano-emulsiones, disrupción celular, desinfección de matrices y procesamiento de alimentos. La cavitación hidrodinámica es un método altamente eficiente, desde el punto de vista energético y operacional. Comparado con otras tecnologías tradicionales, demuestra un mejor desempeño. El control y diseño de la operación, para cada aplicación, debe llevarse a cabo de manera específica considerando las variables mecánicas y geométricas de mayor relevancia. Otros usos potenciales, como extracción de componentes bioactivos, modificación química de almidón, perfeccionamiento de características sensoriales de alimentos y micro-encapsulación de sustancias de interés, pueden ser dados a esta moderna alternativa tecnológica.
Palabras clave:Agro industriaAgro industria,cavitación hidrodinámicacavitación hidrodinámica,constricciónconstricción,dinámica de fluidosdinámica de fluidos,proceso físicoproceso físico,proceso químicoproceso químico,pulso de presiónpulso de presión,velocidad velocidad .
Abstract: Hydrodynamic cavitation is a recent technology used to improve the efficiency and performance of agroindustrial processes. The increase of fluid velocity due to a constriction, and the subsequent pressure drop with the creation and implosion of vapor bubbles, establish the principle of this method. The present review article aims to analyze, from a holistic perspective, the hydrodynamic cavitation process, as a non-conventional technology for the treatment of different products, by-products and agroindustrial residues. Initially, the technical foundations of hydrodynamic cavitation phenomenon are presented, including the importance of the dimensionless number of cavitation and the detailed explanation of the thermal, mechanical and chemical effects of the operation. Other variables were considered, such as speed, pressure and time scales. Subsequently, different equipment and devices used to achieve cavitation are evaluated; among which stand out the orifice - plates and those venturi type. Finally, the main agro-industrial applications for this technology are analyzed: hydrolysis and degradation of macromolecules, biodiesel synthesis, wastewater treatment, biomass pre-treatment, synthesis of nano-materials and nano-emulsions, cell disruption, disinfection and food processing. Hydrodynamic cavitation is a highly efficient method, from the energy and operational point of view. Compared with other traditional technologies, it demonstrates better performance. The control and design of the operation, for each application, must be carried out in a specific way considering the mechanical and geometric variables of greater relevance. Other potential uses, such as bioactive compounds extraction, starch chemical modification, improvement of sensory properties of food and micro-encapsulation, can be given to this modern alternative.
Keywords: Agribusiness, chemical process, constriction, fluid dynamics, hydrodynamic cavitation, physical process, pressure pulse, velocity.
Ciencias Básicas
Cavitación Hidrodinámica: un Enfoque desde la Ingeniería y la Agroindustria
Hydrodynamic Cavitation: Engineering and Agribusiness Approach
Recepción: 26 Noviembre 2018
Aprobación: 26 Junio 2019
En el marco de la agroindustria nacional e internacional, la disminución de los costos y el aseguramiento de la eficiencia en cada una de las operaciones de transformación y agregación de valor, así como el control y la disminución de los residuos y el uso de tecnologías más amigables con el medio ambiente, forman parte de las tendencias prioritarias para el sector científico, productivo e industrial. El ciclo de desarrollo, implementación, validación y transferencia de nuevas tecnologías que garanticen los criterios de calidad de los productos finales, y que contribuyan al máximo aprovechamiento de materias primas y subproductos, se presenta como la principal alternativa para mejorar el desempeño del sector agroalimentario a nivel mundial [1, 2].
Dentro de las investigaciones que se han promovido a lo largo de las últimas dos décadas, sobresale la promisoria aplicación de la cavitación hidrodinámica en diferentes procesos químicos, físicos y biológicos: mejora de reacciones oxidativas, hidrólisis de aceites, producción de biodiesel, tratamiento de aguas residuales, síntesis de nano-materiales y nano-emulsiones, extracción de componentes activos, cristalización, disrupción celular, desinfección microbiana, procesamiento de alimentos y fabricación de papel [1, 3,4,5,6]. Esta técnica no sólo reduce los costos totales de procesamiento; además, permite mantener una alta eficiencia energética en comparación con otras tecnologías convencionales, y presenta una mayor facilidad en cuanto a su escalamiento y funcionamiento a nivel comercial [7].
La cavitación se define como el fenómeno de generación, crecimiento y posterior colapso de micro burbujas de vapor (o cavidades) en el seno de un fluido líquido. La implosión de las burbujas ocurre en periodos de mili o microsegundos, liberando una gran cantidad de energía en un mínimo lapso de tiempo. Esta descarga energética, a su vez, conlleva la aparición de temperaturas altas y presiones locales elevadas en el sistema; cuyos efectos térmicos y mecánicos favorecen la transformación de diferentes matrices de interés [8,9,10].
Para estudiar y analizar el fenómeno de cavitación, que es en sí mismo altamente complejo y variable, es primordial comprender la vía de formación de las burbujas o cavidades. Este hecho ocurre mediante la generación inducida de un pulso de presión, cuya intensidad, comportamiento y efectos varían dependiendo del tipo de proceso que se realiza [11]. En la literatura, se reportan cuatro técnicas que involucran cavitación: hidrodinámica, acústica o ultrasónica, óptica y por partícula. De estas metodologías, las más utilizadas corresponden a la cavitación hidrodinámica (CH) y la cavitación ultrasónica (CU), debido a que generan una mayor cantidad de burbujas en el fluido, favorecen las modificaciones químicas y/o físicas en cada sistema, poseen un adecuado potencial de escalamiento, y ostentan un grado alto de desarrollo tecnológico asociado [3, 12, 13].
Para el proceso hidrodinámico, la cavitación ocurre al presentarse una disminución o caída abrupta de presión, causada por las condiciones de flujo, la configuración geométrica del esquema de transporte, o bajo el efecto de influencias y fuerzas externas [9]. La cavitación inicia con la formación de burbujas en la zona de baja presión, al reducirse el valor de este parámetro por debajo de su presión crítica de vapor a la temperatura del líquido [14]. Seguidamente, las cavidades alcanzan su máximo tamaño, exhibiendo condiciones de expansión isotérmica. Finalmente, se presenta una recuperación de la presión en el sistema, que ocasiona el colapso adiabático inmediato de la burbuja y la formación de un estado supercrítico local de alta temperatura y presión. En este periodo, denominado punto caliente, se da lugar a la generación de radicales libres altamente reactivos; sumados a la aparición de chorros de gran velocidad y el consecuente incremento de la turbulencia en la corriente de fluido [3].
La cavitación hidrodinámica produce un colapso de menor intensidad en las cavidades, comparado con la técnica ultrasónica. Sin embargo, la eficiencia energética y el rendimiento de la cavitación se ven optimizados al emplear el principio hidrodinámico, pues se favorece la formación de un mayor número de burbujas (aumento del volumen de reacción), únicamente al controlar y modificar las condiciones geométricas del dispositivo de estrechamiento o garganta [15]. Esto, promueve el aumento de la interfaz total existente entre el gas en las burbujas y el líquido, acrecentando el área disponible para la transferencia de masa y calor en el proceso.
Cabe resaltar que, en la tecnología hidrodinámica, se aumenta considerablemente la velocidad de flujo de la corriente del líquido a expensas de la presión [14]. A nivel químico, este fenómeno reduce el tiempo de reacción, aumenta la eficacia de catalizadores usados en diferentes procesos, y actúa como un iniciador de transformaciones químicas debido a la generación de radicales libres [12].
En los últimos años, se ha desarrollado diferente maquinaria y equipo que emplea el principio de cavitación hidrodinámica para el tratamiento físico o químico de materias primas y subproductos agroindustriales. Entre otras, se pueden mencionar las configuraciones de plato y orificio, tipo venturi, homogeneizadores de alta presión, reactores rotatorios (de onda de choque), de cizalla inducida, y válvulas de estrangulamiento [1, 16,17,18]. Las características de la matriz a intervenir y sus propiedades de flujo, la naturaleza de los compuestos disueltos o suspendidos en el líquido, la intensidad de la implosión de las burbujas, y el tipo de reacciones químicas deseadas, deben tenerse en cuenta a la hora de seleccionar el método de cavitación más conveniente para cada aplicación particular [11].
El presente Artículo de Revisión pretende mostrar un análisis holístico del proceso de cavitación hidrodinámica, como una tecnología no convencional para el tratamiento de diferentes productos, subproductos y residuos agroindustriales. Con el fin de subsanar las brechas de conocimiento que existen actualmente respecto a esta metodología, se compilan y estudian, desde una perspectiva de ingeniería, sus fundamentos técnicos y fenomenológicos, sus principales variables y parámetros de influencia, sus desarrollos tecnológicos asociados, y sus actuales y potenciales aplicaciones para el sector agrícola, alimentario e industrial.
La cavitación hidrodinámica se define como el fenómeno de formación, desarrollo, crecimiento e implosión de cavidades, o burbujas, en un medio líquido. Esto, debido a la variación de presión existente en un fluido tras aumentarse repentinamente su velocidad, como resultado de un cambio abrupto en la geometría y/o área de sección transversal del conducto de transporte [10, 19]. En la constricción, la energía cinética del líquido se eleva a expensas de la presión. Con un estrangulamiento efectivo, la presión del sistema se reduce alcanzando su presión de vapor, causando la evaporación instantánea del medio continuo en el líquido y la migración de algunos gases disueltos hacia esta nueva fase gaseosa. Subsecuentemente, a lo largo del dispositivo o garganta, crecen las cavidades formadas hasta alcanzar su máximo tamaño. Finalmente, al expandirse el perímetro, la velocidad decrece y se recupera la presión en la sección aguas abajo, resultando en un colapso drástico y violento de las cavidades [1, 20, 21]. La Fig. 1 representa el comportamiento típico de la presión en un proceso de cavitación hidrodinámica.

P1: presión inicial o de entrada, P2: presión de descarga o recuperación, Pv: presión de vapor del líquido a la temperatura del sistema, ΔP: caída de presión, V0: velocidad media del fluido en la garganta.
Carpenter, et al. [3].En la Fig. 2, la parte superior indica los tres parámetros claves para el desarrollo del pulso de presión: geometría y diseño de la cámara de cavitación, presiones de operación y velocidad del líquido. Debido a la oscilación de presiones, favorecida por la modificación del área de flujo y el consecuente aumento de la velocidad en la corriente, se produce la cavitación incipiente. En la fase de expansión de las burbujas, también llamada rarefacción, se manipula y controla el tiempo de residencia del fluido a lo largo de la garganta; que influye a su vez sobre el tamaño de las cavidades, la cantidad de eventos de cavitación ocurridos, y la existencia y magnitud de algunas interacciones entre las burbujas. Durante la compresión o implosión de las cavidades, debido a la recuperación súbita de presión, se difunde calor y se presentan altos picos de temperatura en el sistema. Lo anterior, conduce a una reacción termolítica que, en el caso del agua como medio continuo, disocia la partícula en radicales de hidrógeno (H) e hidroxilo (OH). Luego, por difusión molecular de estos radicales, se origina una reacción química de oxidación establecida y deseada para el proceso [11, 22].
La magnitud de la caída de presión (ΔP) influye directamente sobre la fuerza de la implosión en las cavidades, afectando la mayor parte de los efectos del proceso. Por esta razón, la presión de descarga constituye una de las variables de mayor importancia en el estudio del fenómeno de cavitación hidrodinámica. Así, es necesario analizar, definir y controlar oportunamente los parámetros geométricos y de operación en los dispositivos de estrangulamiento, con el fin de obtener la recuperación de presión y la intensidad energética requerida para cada cavitación [3, 23].
La operación de cavitación hidrodinámica puede estudiarse desde dos enfoques: como una suma de burbujas independientes, o como una nube de cavidades que interactúan entre ellas. Esta última concepción es más realista, sobre todo en los casos en que se presenta una alta densidad de cavidades y tiene lugar el fenómeno de interacción (y posible fusión) burbuja – burbuja [11]. Sin embargo, el análisis del fenómeno desde el punto de vista de cavidades individuales es mucho más sencillo, y permite obtener una primera aproximación de resultados útiles para el diseño, control y evaluación del proceso a nivel piloto [20, 24, 25].
Según Kanthale, et al. [26], desde el punto de vista macroscópico, es más conveniente estudiar el patrón de la fase de implosión de las cavidades como un nube o conjunto de burbujas; especialmente, en los casos donde el número adimensional de cavitación decrece muy por debajo de 1. Este parámetro, referido simplemente como número de cavitación (Cv), permite caracterizar la condición de cavitación al interior de cada dispositivo de estrangulamiento [27]. El valor de Cv está dado por la Ec. 1.
(1)Donde P2 es la presión de descarga (Pa), Pv es la presión de vapor del líquido a la temperatura de trabajo (Pa), ρ es la densidad del fluido (kg/m3) y V0 es la velocidad media en la garganta (m/s). El inicio de la cavitación ocurre cuando Cv = 1, y se consideran potenciados los procesos cavitantes a medida que este valor disminuye por debajo de 1 [2, 28]. Entre mayor sea la caída de presión en el sistema (ΔP), ocasionada por un gran aumento repentino de la velocidad en el flujo, se incrementará el número y la fuerza de compresión de las burbujas. Así, los efectos térmicos y mecánicos de la cavitación serán mucho más drásticos [22, 26, 29]. Wang y Brennen [30] sugieren que la eficiencia y el rendimiento de la operación se optimizan dentro del rango 0.4 < Cv óptimo < 0.65.
El inicio de la cavitación también puede ocurrir en condiciones donde Cv > 1.0, debido a la presencia de gases disueltos o partículas suspendidas en el líquido. De manera correspondiente con las propiedades coligativas de las soluciones, la presencia de solutos disminuye la presión de vapor del sistema, incrementando así el factor de caída de presión en el número de cavitación. Este efecto es notable principalmente en fluidos altamente viscosos [31].
Cuando el número de cavitación utilizado se encuentra por debajo del Cv óptimo, que es único para cada tipo de reactor, tecnología y aplicación, se experimenta una formación excesiva de cavidades. Esto conlleva a la aproximación, contacto y posterior unión entre las miles de esferas de gas, que terminan fusionándose en burbujas de mayor diámetro. Existe una súper cavitación, que provee un menor número de cavidades de gran tamaño, que al implosionar ocasionan efectos de degradación menos uniformes y eficaces [32, 33]. En la Tabla 1 se presentan las recomendaciones de algunos autores para el valor del parámetro adimensional de cavitación.

Para potenciar el rendimiento de la cavitación hidrodinámica, se prefieren entonces esquemas de operación donde las variables de velocidad y caída presión permitan mantener el número de cavitación cercano al óptimo. Es deseable la implosión de una mayor cantidad de burbujas con menor tamaño, en comparación con procesos que dan lugar a cavidades limitadas y de gran diámetro. El primer caso permite maximizar la interfaz total gas – líquido en el sistema, que a su vez constituye la frontera para el intercambio efectivo de masa y calor hacia el medio de circundante [3].
Las consecuencias del uso de la cavitación hidrodinámica sobre una matriz específica se asocian directamente con una extensa gama de efectos físicos y mecánicos causados por la implosión de las cavidades, tales como la aparición de ondas de choque (1 GPa), micro-corrientes (1000 m/s), turbulencias y picos de alta temperatura y presión. Gracias a la amplia concentración de burbujas en el fluido, estos fenómenos promueven las condiciones favorables para la iniciación de procesos de transformación físico-química, que en condiciones normales de operación son de difícil generación y conducción [9, 47].
Como muestra la Tabla 2, en un sistema de cavitación existen tres zonas de reacción, con diferentes secuelas térmicas y mecánicas asociadas a la implosión de las burbujas.
Las burbujas producidas por los pulsos de presión actúan como micro reactores, alcanzando elevadas temperaturas y presiones durante su compresión, generando consecuentemente algunos radicales libres que fungen como poderosos oxidantes e iniciadores de reacciones en cadena en un corto tiempo [49]. Los procesos de implosión en las cavidades se caracterizan por una alta densidad energética, cercana al orden de 1018 kW/ml. Este fenómeno puede ocurrir en miles de puntos al interior del dispositivo de cavitación, permitiendo que las condiciones supercríticas en el sistema garanticen procesos fisicoquímicos uniformes [50].
Los cambios químicos que sufre un fluido durante el proceso de cavitación se dan de dos maneras: primero, las moléculas retenidas al interior de la burbuja se descomponen térmicamente, debido al colapso de la cavidad. Después, los radicales libres generados se difunden hacia la interfaz gas – líquido, o hacia todo el líquido que la rodea, reaccionando químicamente entre ellos y/u oxidando diferentes moléculas objetivo [19, 53].
Las vías de reacción en la cavitación hidrodinámica dependen de las propiedades del fluido, de la naturaleza química de los componentes a degradar o modificar, y de las características exhibidas por las cavidades formadas. Además, el tipo de cavitación, influye drásticamente sobre el rendimiento del proceso. La oxidación en la fase líquida requiere de un mejoramiento en la velocidad de difusión de los radicales hacia esta fase, y se da al focalizar compuestos no volátiles e hidrofílicos. La reacción en la fase gaseosa tiene lugar sobre sustancias volátiles e hidrofóbicas, y se favorece por las altas temperaturas de colapso y la rarefacción de burbujas grandes y simétricas. Para la intervención de compuestos no volátiles e hidrofóbicos, que se sitúan en la interfaz gas – líquido, debe maximizarse el área interfacial total lograda por todas las burbujas, potenciando para ello el volumen de reacción [11].
La cavitación hidrodinámica puede generarse simplemente por el uso de una constricción o estrechamiento en la trayectoria de flujo de un líquido.
La energía cinética y la velocidad del fluido aumentan, con una consecuente disminución en la presión local del sistema. Si el estrangulamiento es suficiente para causar una reducción de la presión por debajo del límite de cavitación, correspondiente a la presión de vapor del medio a la temperatura de operación, se forman las cavidades [54]. Posteriormente, tras la fase de expansión, la presión se recupera, resultando en el colapso abrupto de las burbujas. Usualmente, se produce una turbulencia intensa en el líquido tras pasar el dispositivo de estrangulamiento, cuya fuerza depende de la magnitud de la caída de presión y la tasa de restablecimiento de la presión. Estos dos parámetros están ligados a la geometría de la garganta y las condiciones de flujo del líquido. De esta manera, controlando la forma, el tamaño y las condiciones de operación del reactor, se puede generar la intensidad de cavitación que garantice los cambios físicos y/o químicos deseados [1]. Las presiones y temperaturas alcanzadas durante la implosión de las burbujas, así como el número de radicales libres formados al final del proceso, dependen de la configuración y el tipo de tecnología utilizada [9].
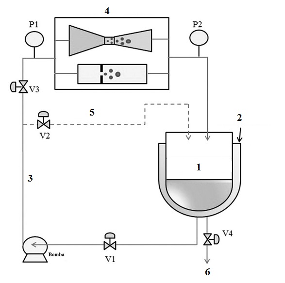
La Fig. 3 muestra el esquema tecnológico básico para un reactor de cavitación hidrodinámica. El líquido circula a través de la línea principal, hasta pasar por la unidad que aloja el dispositivo de cavitación. La tasa y velocidad de bombeo del líquido dependerán del número de cavitación requerido para cada aplicación. Es deseable utilizar altas presiones de ingreso a la zona de constricción mecánica; siendo de vital importancia la no generación de un fenómeno de súper cavitación. El control del flujo del fluido se garantiza utilizando una línea bypass adicional [3, 49].

En un equipo para cavitación, el estrangulamiento se realiza utilizando dispositivos como platos perforados, tubos venturi, rotores de alta velocidad, homogenizadores, entre otros. La presión de operación y las condiciones de flujo pueden variar de un mecanismo a otro, pero el fenómeno de generación de las cavidades es el mismo. Los reactores basados en plato – orificios y venturi han sido los más estudiados en aplicaciones con cavitación, ya que son los más eficientes para la creación y el control de condiciones intensas de formación y colapso de burbujas [3, 24, 40, 49].
En los equipos para cavitación basados en plato – orificios, también llamados reactores de platos perforados, el flujo que circula a través de la línea principal atraviesa una constricción que puede estar formada por un solo orificio, o por un conjunto de ellos, alojados en un plato perforado (Fig. 4). En este tipo de dispositivos es importante optimizar el diámetro y la cantidad de las aberturas, siguiendo los parámetros geométricos de la operación. La configuración ofrece flexibilidad en términos del diseño y control del proceso, pues permite utilizar diferentes tamaños y geometrías (circular, triangular, rectangular, etc), tanto para el plato como para los orificios que contiene [1].

1: tanque principal, 2: chaqueta para control de temperatura, 3: línea principal, 4: dispositivo de constricción (plato perforado o venturi), 5: línea bypass, 6: punto para muestreo, P: manómetros, V: válvulas de control.
Carpenter, et al. [3].En los sistemas de plato perforado, la intensidad del colapso de la cavidad depende fuertemente del área de la garganta (superficie de la abertura), y de la forma, el tamaño y la cantidad de orificios presentes en el plato. La cavitación que ocurre en este caso es transitoria y simétrica, siendo empleada principalmente en aplicaciones que involucran reacciones y transformaciones químicas [9]. Sin embargo, las cavidades se forman y crecen únicamente en los anillos o bordes de la constricción, lo que genera, por lo tanto, un menor número de núcleos de gas. Esta desventaja se puede subsanar utilizando configuraciones con múltiples aberturas en las cuales, para un mayor perímetro mojado dado a un área transversal de flujo definida, se produce un mayor espacio disponible para la formación de las burbujas [25].

En el estudio hecho por Balasundaram y Harrison [56], se encontró que es preferible el uso de orificios circulares para mantener una velocidad de flujo alta durante la disrupción celular de microorganismos. Dicha geometría permite introducir una mayor cantidad de perforaciones en un área de flujo definida (plato), a diferencia de las formas rectangulares. Asimismo, la alta eficiencia de la placa con orificios circulares se debe a la fuerza de corte generada por un mayor número de chorros que pasan a través de ella.
Según Gogate [55], orificios con diámetros grandes son recomendados para aplicaciones de cavitación intensa, mientras que un gran número de perforaciones con diámetros pequeños deben ser seleccionadas para las aplicaciones de baja intensidad.
La presión de recuperación en este tipo de tecnología es usualmente igual a la atmosférica. Al instalarse un dispositivo de estancamiento, como una barrera colocada detrás del plato perforado de la cámara de cavitación, se aumenta la presión de descarga y la caída de presión en el sistema. De esta forma se puede controlar el crecimiento excesivo de las burbujas (evitando súper cavitación) y se incrementa la fuerza de la implosión de las cavidades [57].
Parámetros de diseño: para el estudio y evaluación de reactores de cavitación hidrodinámica que emplean platos perforados existen dos parámetros de diseño que cobran vital importancia: la razón entre el perímetro total de los orificios y el área de flujo a la entrada de la constricción (α), y la relación entre el área de estrangulamiento y el área de sección transversal del conducto de transporte (β). El primero, es dependiente del tamaño, forma y número de orificios alojados en el plato. Por su parte, la variable β depende del flujo volumétrico del líquido y del número de cavitación deseado para la operación [3].
En un equipo con un área transversal de flujo definida, un valor mayor de α (>2) es deseable para obtener un mejor rendimiento en la cavitación. Esto se logra aumentando el número de orificios en el plato perforado, sin importar que implique la reducción en el diámetro de cada una de las perforaciones. De esta forma, se incrementa el perímetro disponible para la nucleación y posterior rarefacción (crecimiento) de las cavidades. Como consecuencia, se produce un mayor número de eventos de cavitación y se maximiza el área de intercambio de calor y masa, hecho que da lugar a las transformaciones propias del proceso [23, 38].
Al minimizar el parámetro β se incrementa la cantidad de cavidades formadas, así como la intensidad de su colapso. A medida que el área de la garganta disminuye aumenta la velocidad del fluido, resultando en un menor número de cavitación [6]. Sin embargo, el área de la constricción debe seleccionarse según la velocidad óptima de la operación, que dé lugar a un número de cavitación deseable y evite la formación de conglomerados de burbujas. Además, un β muy pequeño acrecienta excesivamente la caída de presión en el sistema, elevando la potencia de bombeo requerida y afectando la eficiencia energética del proceso [3, 23].
Un venturi es un arreglo que incluye una sección de convergencia, una garganta o constricción y una zona de divergencia; etapas en las cuales varía la dinámica del flujo (Fig. 5). Sin embargo, no ocurren contracciones y expansiones repentinas como en el caso de un reactor de platos perforados. El venturi puede tener diferentes geometrías: rectangular, circular o elíptica. Los tamaños y formas marcan los principales criterios para lograr diferentes intensidades de cavitación en este tipo de equipos, pues determinan el número de eventos cavitantes, la magnitud de la presión de colapso y el tiempo de residencia de la burbuja en la región de baja presión [3].
La suave convergencia del arreglo tipo venturi le permite generar un mayor número de eventos de cavitación antes de llegar a la garganta. El área interna de la sección divergente aumenta linealmente en la dirección del flujo, de acuerdo con un ángulo de divergencia. Este incremento suave en el área transversal del dispositivo previene la recuperación súbita de la presión, como ocurre en equipos que utilizan platos perforados. Lo anterior, permite que las burbujas se mantengan en la zona de baja presión durante el tiempo necesario para garantizar que se alcance el máximo tamaño posible en estas cavidades [22, 58].
Según Maddikeri, et al. [41] y Badve, et al. [39], en algunas aplicaciones se prefieren los venturis en lugar de los orificios, gracias a que pueden generar un mayor número de burbujas y pueden mejorar la vida útil de la cavidad. En esta tecnología la cavitación es estable y asimétrica, siendo más utilizada en el logro de transformaciones de índole físico [3]. Normalmente, el uso de un dispositivo venturi se justifica para un proceso con intensidad cavitacional leve, con pulsos de presión de hasta 20 bar [59].
Parámetros geométricos y de diseño: en el caso de los dispositivos venturi, la nucleación de las burbujas y el inicio de la cavitación se dan directamente en la zona de estrechamiento. La relación entre el perímetro de la garganta y el área de paso del fluido (α) afecta considerablemente el número de eventos cavitantes generados durante la operación. Para un área de sección transversal definida, un mayor perímetro en la constricción genera más cavidades. Por lo tanto, formas rectangulares y elípticas son más deseables que la geometría circular [60, 61].
El nivel de crecimiento de las cavidades se puede controlar por medio de la selección del área interna de la garganta, la cual debe ser la suficiente para garantizar la máxima expansión de las burbujas. Con ello, se logra una mayor magnitud en la presión de implosión. El área interna de la zona de constricción se cuantifica en términos del parámetro γ, definido como la razón entre la altura o el diámetro de la garganta (según la geometría sea circular, elíptica o rectangular) y su longitud. Así, γ afecta directamente el tiempo de residencia de las cavidades [60]. Cuando la longitud es mayor que el diámetro o la altura en el estrechamiento, tiene lugar la formación de nubes de cavidades que interactúan entre ellas, terminando en la creación de chorros de vapor que se difunden fácilmente en el medio líquido circundante sin colapsar [62].
La presión final de colapso en un reactor tipo venturi depende en gran medida de la forma de la zona de divergencia. La presión se restablece suavemente gracias a que la etapa de recuperación se diseña empleando un ángulo definido, y no de forma repentina como en el caso de los sistemas de platos perforados. Según Jain, et al. [62], un ángulo medio de divergencia (ϕ) entre 5.5° y 6.5° permiten obtener un mejor desempeño y eficiencia en el equipo para cavitación hidrodinámica.
La Tabla 3 presenta algunos valores recomendados para los principales parámetros de diseño y operación en reactores de plato y orificios y dispositivos tipo venturi.

Los numerales corresponden a: 1. Ingreso del fluido. 2. Zona de convergencia. 3. Garganta o constricción. 4. Etapa de expansión y recuperación de presión. 5. Descarga. Cv. Número de cavitación.
Navarrete, et al. [48].

* Donde N: número de orificios en el plato, D: diámetro de cada perforación, P1: presión de entrada del reactor, Cv: número adimensional de cavitación, G: geometría del dispositivo venturi,
** Los parámetros de diseño son α: cociente entre el perímetro de la garganta y el área de flujo, β: relación entre el área de la constricción y el área transversal del dispositivo de flujo a la entrada, γ: proporción entre la altura o diámetro de la garganta y su longitud, y ϕ: ángulo de divergencia del venturi.
AutorLa cavitación hidrodinámica también puede generarse en equipos rotatorios, entre los cuales los más usados son los de onda de choque y los de doble rotor. El primero, está compuesto por dos cilindros concéntricos: uno estacionario y externo y otro interno y en movimiento. El líquido fluye a través de la sección anular y pasa a través de algunas hendiduras ubicadas sobre la superficie del cilindro central. Debido al golpe que sufre el fluido al ingresar por las que grietas, sumado al efecto de la alta velocidad de rotación, se generan altas condiciones de temperatura, lo que resulta a su vez en una cavitación intensa [3]. Este dispositivo es utilizado en la inactivación de células vegetativas de levaduras, bacterias y esporas resistentes al calor. Milly, et al. [63] reportaron la utilización del reactor de onda de choque para la esterilización de zumo de manzana, jugo de tomate y leche desnatada, encontrando las mejores condiciones de operación al emplear velocidades de 3000 – 3600 rpm y temperaturas de salida entre 54 °C y 104 °C. Neto, et al. [64] lograron la potabilización de agua cruda utilizando un equipo rotatorio a 8200 rpm, destacando la reducción de nitritos y nitratos y la eliminación completa de coliformes totales y Escherichia coli.
El generador de cavitación con doble rotor se basa en dos rotores enfrentados, donde cada uno gira en dirección opuesta. Cada impulsor posee una geometría especial, que causa un efecto repetitivo en la caída de presión. La frecuencia de rotación recomendada es de aproximadamente 2800 rpm, permitiendo lograr velocidades locales de hasta 26 m/s. El tipo de cavitación que ocurre al interior del equipo se denomina cavitación de corte, donde las cavidades se forman debido al movimiento opuesto de las dos capas de cizallamiento. Este tipo de mecanismo se utiliza para el tratamiento fisicoquímico del agua, especialmente en la remoción de agentes contaminantes indeseables [17, 18].
El consumo de energía en los equipos rotatorios suele ser mayor, comparado con los dispositivos de plato-orificios y venturi. Además, presentan una menor flexibilidad en cuanto a la definición y el control de los parámetros de diseño [1].
Roohinejad, et al. [65] proponen el uso de una presión negativa para la extracción de componentes bioactivos a partir de plantas. En el aparato, bajo las condiciones de presión creadas por una bomba de vacío, una cavitación intensa tiene lugar. Los efectos físicos del fenómeno (turbulencia y colisión) deterioran la superficie de las partículas sólidas, incrementando la transferencia de masa entre el solvente y la matriz. Utilizando presiones negativas entre 0.03 – 0.08 MPa, se obtienen rendimientos superiores al 40% en la extracción.
Algunas modificaciones al diseño de reactores para cavitación hidrodinámica se han propuesto por diferentes autores. La garganta de cavitación, tanto de plato-orificios como de tipo venturi, puede instalarse en la línea de succión o en la zona de descarga del dispositivo de impulsión. Wu, et al. [37] obtuvieron un mayor porcentaje de remoción de algas verde azules cuando el plato perforado se ubicó en el área de succión de la bomba. Por su parte, Kumar and Moholkar [19] adicionaron al sistema tipo venturi un burbujeador de aire o argón situado en la zona de convergencia. Lo anterior, permite aumentar el número de eventos cavitantes en el líquido sin alterar de forma significativa el régimen de flujo.
El estudio de la cavitación hidrodinámica está fuertemente ligado al desarrollo del pulso de presión, el cual involucra cuatro parámetros específicos: el tipo y el diseño de la cámara de cavitación, la velocidad del fluido, las presiones de operación (de entrada, mínima y de descarga), y las escalas de tiempo en el descenso, mantenimiento y recuperación de la presión.
La velocidad de flujo es un parámetro que se ve afectado directamente por la cámara de cavitación. Los arreglos en el dispositivo de constricción ayudan a alcanzar diferentes velocidades y caídas de presión, que generan a su vez intensidades de cavitación específicas. Así, los reactores presentan una gran ventaja de flexibilidad en términos operacionales: control de la presión de entrada, manipulación del flujo, administración de temperaturas y manejo de condiciones geométricas [59].
El fluido que es impulsado por una bomba se acelera dentro de la cámara de cavitación debido al estrechamiento en la sección de paso de la misma; es decir, debido a la reducción del diámetro de flujo. Entonces, siguiendo la ley de Bernoulli, la presión disminuye con el aumento de la velocidad del líquido. Posteriormente, gracias a la desaceleración del flujo por el aumento en el área de la sección transversal del dispositivo, la presión externa a la burbuja aumenta generando su implosión y el correspondiente pulso de presión [66].
La selección de la velocidad de paso del líquido a través del sistema, que implica la definición de la potencia de bombeo, debe realizarse según el número de cavitación ideal para el proceso. Debe elegirse una velocidad que permita obtener el Cv óptimo, manteniendo especial atención en la prevención del efecto de súper cavitación.
Cuando se habla de la presión de operación como factor fundamental en la cavitación hidrodinámica, comúnmente se hace referencia a la presión de ingreso del fluido al sistema (P1). Se ha encontrado que la presión de admisión es una variable que afecta el colapso de las cavidades, debido a que una gran magnitud de P1 puede generar colapsos más violentos que conducen a la formación de fuertes pulsos de presión, aumentando así el grado de disociación de las moléculas de agua. Lo anterior, potencia los efectos químicos y oxidativos del proceso [3, 67]. Sin embargo, la razón primordial para utilizar la presión de entrada como variable principal en la cavitación hidrodinámica tiene que ver con su fácil medición, manipulación y control.
La presión mínima (Pmin) desempeña un rol importante en el proceso de cavitación, actuando como la fuerza guía para la aparición y el crecimiento de las burbujas. Además, afecta la cantidad de núcleos de cavidades formados y el tamaño máximo alcanzado por cada uno de ellos. Este parámetro depende de la velocidad del fluido en el dispositivo de estrangulamiento, que a su vez es función del diseño de la garganta y el flujo volumétrico del líquido [11]. La presión mínima puede calcularse a partir de la Ec. 2:
(2)donde Pmin es la presión mínima (Pa), P1 corresponde a la presión de entrada (Pa), ρ simboliza la densidad del líquido (kg/m3), vmax es la máxima velocidad alcanzada por el fluido (m/s), v1 representa la rapidez de salida (m/s) y k muestra las pérdidas de presión a lo largo de la cámara de cavitación (Pa).
La presión de recuperación (P2) es la principal responsable por el colapso de las cavidades, definiendo la magnitud de la caída de presión (ΔP). Usualmente, es igual a la presión atmosférica. Sin embargo, puede modificarse ubicando dispositivos de estancamiento o estrangulamiento luego de la cámara de cavitación, que permiten mantener un mayor control sobre el crecimiento excesivo de las burbujas y promueven la existencia de implosiones más violentas en las cavidades [11].
Según Gogate y Pandit [24], la presión de colapso (P2) en un reactor de plato – orificios puede estimarse utilizando la Ec. 3 empírica:
(3)onde P2 es la presión de colapso - usualmente igual a la de recuperación – (atm), F representa el porcentaje de área libre ocupada por las perforaciones, P1 es la presión de entrada (atm), Ro muestra el tamaño inicial de la cavidad (0.01 mm – 0.1 mm) y do es el diámetro de los orificios.
Las escalas no son más que los periodos de tiempo en los cuales tienen lugar el descenso de la presión, la rarefacción y la recuperación de la presión, que integran de manera conjunta el fenómeno de cavitación hidrodinámica.
El tiempo de crecimiento de las burbujas debe ser suficiente para alcanzar el radio de la esfera que asegura una implosión de intensidad adecuada. El pequeño núcleo de gas debe superar el efecto de confinamiento ofrecido por la tensión superficial del líquido, fenómeno que normalmente es pausado y requiere de algunos milisegundos [50]. Siendo Rmax el radio máximo de la cavidad y R0 el radio inicial o de equilibrio, debe garantizarse un valor de Rmax/R0 > 2 para crear una cavitación eficaz [68].
La recuperación de la presión, que genera directamente el colapso drástico en las cavidades, debe realizarse de una forma rápida. Lo anterior, una vez se haya alcanzado el máximo diámetro en cada una de las burbujas. Por ejemplo, para un reactor de plato y orificios, Arrojo y Benito [11] encontraron un incremento de dos veces la degradación de p-nitrofenol en agua al reducir en un 25% el tiempo de restablecimiento de la presión.
Los radicales OH formados tras el colapso de las cavidades son altamente inestables, y su difusión desde el centro de la burbuja hacia la fase líquida compite con numerosas reacciones que ocurren de forma paralela, entre ellas, la recombinación con otros radicales OH. El mejoramiento de la difusión molecular se encuentra directamente relacionado con las escalas de tiempo. Implosiones rápidas promueven la convección a través de las paredes de las burbujas, potenciando el mecanismo de transferencia de masa hacia el líquido circundante [69].
La cavitación es un proceso dinámico que depende de los continuos cambios en el volumen y la geometría de las burbujas a través del tiempo. En principio, se debe tener en cuenta que el comportamiento de la cavidad, así como el desempeño del pulso de presión formado durante su colapso, obedecen a las condiciones de operación y a la geometría de la constricción mecánica [24].
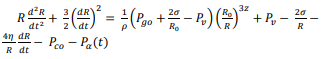
Desde un punto de vista teórico, frecuentemente se describe la cavitación hidrodinámica utilizando el modelo dinámico de la ecuación de Rayleigh-Plesset. Se acepta que la superficie de la burbuja se mueve a través de un líquido viscoso newtoniano, mientras que dentro de la cavidad ocurren cambios de nivel politrópico [19, 50]. La Ec. 4, teniendo en cuenta la viscosidad del líquido, es la siguiente:
(4)donde R es el radio de burbuja (m), Pgo representa la presión estática inicial del gas en la cavidad (Pa), es la tensión superficial del líquido (N/m), R0 denota el radio inicial de la burbuja (m), Pv es la presión de vapor del líquido (Pa), es el exponente politrópico, simboliza la viscosidad dinámica (Pa.s), Pco es la presión dentro de la cavidad (Pa), Pα es la presión externa de la burbuja (Pa). Cuando ocurre una caída externa de presión, las burbujas cambian su geometría lentamente y el exponente politrópico se aproxima a 1. Este valor indica que se lleva a cabo un proceso isotérmico, debido al equilibrio que sufre el sistema durante el cambio de fase de líquido a vapor. Por otra parte, en las regiones donde crece la presión externa, particularmente antes de la implosión, los cambios en la geometría de la burbuja se producen con más violencia. Este hecho da lugar a una primera aproximación a la transformación adiabática, debida a la ausencia de transferencia de calor entre la burbuja y el medio que se encuentran a la misma temperatura [50]. Cabe destacar que, durante el tiempo de vida de la cavidad, su presión interna es dependiente de la sumatoria de sus presiones parciales:
(5)
(6)En la Ec. 5 la temperatura permanece constante, debido a que el proceso es isotérmico. Por otra parte, la presión estática del gas en la burbuja (Pg) es dependiente de la variación del radio de la esfera Ec. 6.
Según Ozonek [50], el equilibrio mecánico dinámico de las cavidades no está en estado estacionario. Esto ocurre debido al aumento de la fuerza de cohesión de la burbuja a medida que disminuye el diámetro de la misma. Las cavidades generadas en el fenómeno de cavitación poseen un valor crítico que corresponde a su tamaño; si el radio de la burbuja está por debajo del límite, esta desaparecerá debido al incremento y a la gobernabilidad de la tensión superficial. Si por el contrario el tamaño de la cavidad es mayor al valor crítico, la tensión superficial no primará y la burbuja crecerá hasta un diámetro macroscópico, siempre y cuando no exista una variación en la temperatura externa, en la presión del líquido o en la presión interna de vapor.
Los magníficos resultados de la cavitación hidrodinámica se relacionan directamente con la generación de puntos calientes, radicales libres altamente reactivos y fuertes turbulencias durante la circulación de un fluido líquido a través del dispositivo de constricción. Estos fenómenos, ya sea de forma individual o conjunta, pueden dar lugar a un mejoramiento de la eficiencia, el rendimiento y el desempeño de diferentes procesos agroindustriales, clasificados comúnmente como de índole físico o químico, según las transformaciones que ocurren sobre la matriz objetivo [1].
La cavitación hidrodinámica puede conducir reacciones químicas utilizadas en diversos procesos de importancia agroindustrial, como la oxidación, el rompimiento de compuestos de alto peso molecular, la hidrólisis de aceites, las reacciones de transesterificación, entre otras.
1) Fraccionamiento de biopolímeros: la cavitación hidrodinámica se emplea para la degradación de biopolímeros hasta sus monómeros esenciales. Los efectos mecánicos de rozamiento y cizalla, así como las altas presiones y temperaturas existentes en el punto caliente, promueven el estrés y posterior rompimiento de los enlaces, que se traduce en una reducción de la viscosidad intrínseca de la solución [3, 48]. La generación de radicales hidroxilo, bajo condiciones de cavitación, también potencia el rendimiento de la depolimerización [44].
2) Hidrólisis de aceites: en la hidrólisis de aceites, para la obtención de glicerol y ácidos grasos libres, la cavitación hidrodinámica provee una exposición directa y uniforme de las moléculas a condiciones de alta temperatura y presión, gracias a la ocurrencia de puntos calientes en diferentes zonas del reactor. Además, los efectos mecánicos generan una emulsión fina que favorece el aumento del área de contacto entre los triglicéridos y los catalizadores utilizados, los cuales corresponden típicamente a enzimas en solución acuosa [8]. La hidrólisis se puede llevar a cabo en condiciones de menor temperatura y presión, si se compara con los métodos tradicionales usados. Pandit y Joshi [43] encontraron que, para esta aplicación, el proceso hidrodinámico fue un 22% más eficiente desde el punto de vista energético que la técnica acústica.
3) Obtención de biodiesel: el biodiesel se produce a través de la transesterificación de aceites vegetales con alcohol. En condiciones normales, la reacción es lenta y demanda el uso de catalizadores de hidróxido de sodio o potasio [70]. Diferentes estudios han comprobado que la aplicación de la cavitación hidrodinámica potencializa significativamente el proceso. El área de la interfaz alcohol – triglicérido aumenta, mejorando la transferencia de masa y calor por convección a nivel molecular. Además, las altas temperaturas y el considerable volumen de reacción producido por la enorme cantidad de cavidades al interior del líquido, ocasionan que la operación consuma una menor cuantía de energía proveniente de fuentes externas [71].
Las técnicas convencionales para producción de biodiesel son menos eficientes que la cavitación hidrodinámica, pues requieren del uso de altas temperaturas (70 – 200 °C) y presiones (6 – 10 bar), se desarrollan durante un mayor tiempo de reacción, dan lugar a menores rendimientos y consumen una gran cantidad de energía [1]. Específicamente, la cavitación hidrodinámica es 40 veces más efectiva que el método ultrasónico y 160 veces mejor que la técnica tradicional de agitación, calentamiento y reflujo [12].
Para la obtención de biodiesel empleando cavitación hidrodinámica se requieren tiempos de reacción entre 10 y 45 min, resultando en rendimientos de conversión superiores al 80%. La relación metanol – aceite debe ser optimizada; siendo recomendados valores de 4:1 o 6:1. A pesar de que la mayoría de los estudios científicos utilizan los reactores de plato – orificios, el dispositivo tipo venturi ofrece ventajas en cuanto a una mayor densidad de cavidades, una etapa de rarefacción controlada y una alta tasa de disipación de energía térmica y mecánica [3].
4) Tratamiento fisicoquímico de aguas residuales: los efectos inducidos por la cavitación hidrodinámica pueden degradar diversas sustancias presentes en las aguas residuales, y a su vez generar radicales libres (hidroxilo) que oxidan los compuestos indeseados. Las altas temperaturas y presiones que se dan como consecuencia del punto caliente, sumadas a los chorros líquidos de presión que surgen como consecuencia mecánica de la implosión, destruyen directamente algunos contaminantes orgánicos [9, 49].

Los radicales hidroxilo, producidos por la fragmentación de la molécula de agua bajo las condiciones supercríticas de cavitación hidrodinámica (CH), tienen un alto potencial de oxidación:
Durante el fenómeno hidrodinámico se oxidan fácilmente las moléculas volátiles e hidrofóbicas, que logran migrar al interior de las cavidades y se someten a una alta temperatura, presión y concentración de radicales OH. La degradación de sustancias hidrofílicas, que se ubican en la interfaz o los alrededores de las burbujas, depende de la tasa de difusión de los radicales hacia estas zonas. Sin embargo, los efectos mecánicos de turbulencia, ocasionados por la drástica implosión de las cavidades, tienden a acelerar la transferencia de materia y a expandir significativamente el área de la frontera para dicho intercambio [3, 11].
La cavitación hidrodinámica se ha estudiado en conjunto con varios procesos avanzados de oxidación. Estas rutinas, denominadas procedimientos híbridos, proveen un efecto sinérgico que potencializa la eficiencia de cada técnica independiente. Algunos de los procesos más acoplados con la cavitación hidrodinámica son: uso de peróxido de hidrógeno [72], método Fenton – ion Fe2+ – [73], combinación con ozono [34] y fotocatálisis [74].
La cavitación hidrodinámica puede clasificarse como una metodología ambientalmente amigable y sostenible, ya que permite la degradación de polutantes orgánicos persistentes en las aguas residuales (POPs por sus siglas en inglés). Estos compuestos son considerados tóxicos y no se destruyen bajo las condiciones de las técnicas tradicionales, exhibiendo características de resistencia y bioacumulación. Algunos ejemplos incluyen pesticidas, tintes y colorantes, hidrocarburos aromáticos policíclicos, clorofenoles, dioxinas, entre otras sustancias orgánicas de alto peso molecular. Además, el uso de la cavitación hidrodinámica es altamente eficiente y eficaz, pues disminuye la utilización de cantidades excesivas de reactivos químicos y no conlleva necesariamente a la disposición de vertimientos secundarios contaminantes [9].
5) Pre-tratamiento de biomasa: la degradación de la lignina se da bajo condiciones alcalinas, asistida por cavitación hidrodinámica. En combinación con hidróxido de potasio, se generan los radicales hidroxilo y peróxido necesarios para oxidar la lignina. Una vez esta es degradada, los efectos mecánicos del proceso disocian los enlaces que conectan la lignina, la hemicelulosa y la celulosa, logrando la liberación parcial de las fibras celulósicas [75]. Posteriormente, estas sustancias pueden utilizarse en la producción vía enzimática de azúcares reductores y otros compuestos de interés industrial [76]. Según Iskalieva, et al. [4], el uso de la cavitación hidrodinámica aumenta en un mínimo de 5% el rendimiento de la deslignificación en paja de trigo.
Efectos físicos, como la formación de ondas de choque, alta turbulencia interfacial y chorros líquidos de gran velocidad, marcan el punto de partida para la utilización de la cavitación hidrodinámica en varios procesos. A pesar de que estos fenómenos asisten transformaciones químicas, sus consecuencias cobran mayor importancia en aplicaciones de índole físico, como emulsificación, cristalización, reducción del tamaño de partículas sólidas en suspensión, disrupción celular, esterilización y desinfección.
1) Síntesis de nano-materiales y nano-emulsiones: la síntesis de partículas a nano-escalas, tales como fibras, catalizadores, emulsiones y compuestos biológicamente activos, representa gran utilidad para las industrias biomédica, farmacéutica, química y de alimentos. En la mayoría de los casos, se emplea con fines de microencapsulación de sustancias bioactivas, altamente susceptibles al deterioro por condiciones ambientales [3].
En sistemas sólido–líquido (suspensiones), las ondas de choque y los chorros de presión generados durante el colapso asimétrico de las burbujas promueven el rompimiento del sólido y su fraccionamiento en miles de partículas más pequeñas. La fuerza de rozamiento generada es mayor a la fuerza de cohesión propia del sólido, permitiendo alcanzar diámetros representativos menores a 100 nm. Por su parte, en un sistema líquido-líquido (emulsión), la alta intensidad de la turbulencia reduce la tensión interfacial, convirtiendo la fase dispersa de la emulsión en un conjunto de nano-gotas. Este hecho significa un aumento global en el área de contacto entre ambas fases en equilibrio [6, 52].
Comparada con la cavitación ultrasónica, Pinjari y Pandit [77] encontraron que la cavitación hidrodinámica requiere un 96% de menos energía para lograr la reducción del tamaño de partícula de un material celulósico hasta escala nano (300 nm).
2) Desinfección de aguas: los métodos físico-químicos tradicionales para el tratamiento de aguas no tienen la capacidad de destruir colonias de microorganismos y esporas que se aglomeran en forma de clusters esféricos. Únicamente, logran afectar los microorganismos presentes en la superficie, dejando el resto de microorganismos intactos [1]. Además, la adición de ClO2, NaClO, H2O2, O3 u otros reactivos, genera co-productos indeseables que pueden ser tóxicos o peligrosos. Los procedimientos químicos, además de ser más costosos, requieren de la disposición de vertimientos residuales de gran impacto ambiental [64].
En la cavitación hidrodinámica, concebida como una alternativa viable para la desinfección, las ondas de presión, sumadas a las altas temperaturas generadas en los puntos calientes, ocasionan la muerte directa de los microorganismos. La implosión asimétrica de las cavidades que se ubican cerca de la superficie del microorganismo da lugar al rompimiento de su pared celular, inhibiendo su posterior crecimiento y reproducción. Para que esto ocurra, el estrés causado por el colapso de la burbuja debe ser mayor que la fuerza necesaria para romper la pared celular. Asimismo, la producción de radicales OH, y su posterior recombinación para dar lugar a radicales de H2O2, ejercen un efecto de desinfección sobre el líquido en el cuál se difunden estas moléculas [55].
Arrojo, et al. [22] afirman que los reactores tipo venturi son más eficaces que los platos perforados en la inactivación de Escherichia coli, gracias a que ofrecen un mayor flujo volumétrico para una misma caída de presión. Por otra parte, sugieren que la muerte de microorganismos ocurre en condiciones suaves o intermedias de cavitación, por lo cual no es necesario alcanzar valores de β excesivamente bajos.
A diferencia de otros procesos, como la emulsificación, la hidrólisis de aceites y el mejoramiento de las reacciones de oxidación, la desinfección microbiana se puede llevar a cabo con números de cavitación superiores a 0.6. Igualmente, valores de β > 0.3 y α maximizados, permiten obtener los mejores rendimientos en cuanto a la inactivación de los microrganismos. Específicamente para la remoción de algas, se utilizan valores amplios de β (0.36), de manera que se promuevan áreas grandes de flujo y se generen más eventos de cavitación en la corriente de líquido altamente viscosa [37].
3) Disrupción celular: un factor clave en la fabricación de productos biotecnológicos a escala industrial es la disrupción celular. A través de este proceso, se lleva a cabo la liberación de metabolitos alojados a nivel intracelular, que pueden ser de naturaleza enzimática, proteica o lipídica. Gracias a los efectos mecánicos de la cavitación hidrodinámica, se logra el rompimiento de la pared externa del microorganismo, lo que facilita la evacuación y posterior extracción del compuesto deseado [1].
Como ventaja para este tipo de tratamiento, los mayores impactos de la cavitación hidrodinámica ocurren de manera local y por periodos cortos de tiempo, razón por la cual no es común que los productos extraídos de la pared celular de los microorganismos se deterioren considerablemente. Sin embargo, Balasundaram y Harrison [56] sugieren que es importante controlar la intensidad de la cavitación en el proceso, puesto que excesos en el tiempo de tratamiento, la presión de entrada y/o la magnitud del pulso de presión pueden afectar la actividad enzimática y las características propias del producto biotecnológico de interés.
Desde el punto de vista de la operación de disrupción celular, Save, et al. [78] encontraron que la cavitación hidrodinámica presentó un menor consumo energético en comparación con la técnica ultrasónica y el método tradicional de batido - mezclado - homogenización.
4) Procesamiento y transformación de alimentos: en la actualidad, la ingeniería de los alimentos se encuentra encaminada hacia la proposición de tecnologías de procesamiento alternativas que incrementen la estabilidad y la vida útil de los productos, potencien sus características de calidad (sensorial, microbiológica y nutricional), utilicen una mínima cantidad de preservativos químicos (cultura orgánica) y mantengan bajos costos operativos. Para subsanar el efecto adverso de las técnicas térmicas tradicionales, que involucran pérdida de nutrientes y atributos organolépticos, se han sugerido diferentes opciones que no suponen la aplicación directa de calor sobre las materias primas. Entre ellas, se puede incluir la cavitación hidrodinámica [2].
En la cavitación hidrodinámica, el proceso ocurre generalmente a condiciones ambientales y sin un requerimiento de energía externa en forma de calor. Como resultado del estrés físico originado por la caída de presión, las ondas de choque y las altas temperaturas locales en los puntos calientes ocasionan la completa inactivación de levaduras, bacterias y esporas presentes en los alimentos [15, 63].
Cardona, et al. [79] y Carpenter, et al. [3] manifiestan que la cavitación hidrodinámica exhibe un gran potencial de escalamiento a nivel industrial, para ser utilizada en la conservación de productos alimenticios líquidos como pulpas, jugos de fruta y leches. Además, los primeros autores sugieren que la tecnología puede emplearse en otras aplicaciones de importancia, como extracción de componentes bioactivos (antioxidantes), separación de grasas y proteínas de la leche, encapsulación de compuestos termolábiles, modificación física de almidones, entre otros.
Como se puede notar claramente, la cavitación hidrodinámica constituye un proceso altamente eficiente y avanzado, que demuestra un alto potencial para el mejoramiento o la sustitución de operaciones de agregación de valor tradicionales y poco eficaces. El conjunto de efectos físicos y mecánicos generados como producto del pulso de presión, sumados a la facilidad para su escalamiento a nivel industrial, hacen que la cavitación hidrodinámica se presente como un foco de estudio para diversas ramas del cluster de ciencia, tecnología e innovación. La Tabla 4 muestra los resultados de varias pesquisas, aplicadas a diferentes campos de interés agroindustrial. Se relacionan las condiciones óptimas de operación encontradas por los autores, así como los principales impactos benéficos resultantes de la implementación de esta moderna técnica.

* Donde N: número de orificios en el plato, D: diámetro de cada perforación o de la constricción, α: cociente entre el perímetro de la garganta y el área de flujo, β: relación entre el área de la constricción y el área transversal del dispositivo de flujo a la entrada, ϕ: ángulo de divergencia del venturi.
** Los símbolos corresponden a P1: presión de entrada del reactor, Cv: número adimensional de cavitación, t: tiempo de cavitación, CO: catalizador o agente coadyuvante en la reacción, T: temperatura, V: velocidad de giro en reactores rotatorios.
AutorEn la cavitación ultrasónica, también llamada acústica, la variación de la presión en el líquido se logra mediante el uso de ondas de sonido. Para ello, se emplea el rango de ultrasonido, entre 16 kHz y 100 MHz [12]. La enorme densidad energética en el colapso transitorio y adiabático de las burbujas se utiliza para la mejora o iniciación de reacciones químicas, promovidas por los radicales formados alrededor de las cavidades o por la descomposición térmica de las moléculas en el sistema [3].
El umbral de cavitación se refiere al punto a partir del cual tiene lugar la formación de cavidades, gracias a la ruptura del líquido mediante una tensión o presión negativa. Para un líquido puro, el umbral de cavitación o de nucleación homogénea es función de la fuerza de los enlaces entre sus moléculas. Para agua pura a 300 K, se han encontrado valores de presión de -133 MPa. En el caso de mezclas y soluciones, el umbral de cavitación se denomina límite de nucleación heterogénea. Las heterogeneidades pueden corresponder a partículas ionizantes, a impurezas y sólidos suspendidos, a burbujas de gas diminutas existentes en el seno del fluido, o a la influencia de las paredes del recipiente de contención cuando la adhesión a su superficie es menor que la cohesión propia del fluido [83].
El pulso de presión en la cavitación acústica se encuentra definido por la presión de operación y por la frecuencia, intensidad y amplitud de la onda. El proceso hidrodinámico es cuantitativa y cualitativamente diferente, pues en lugar de la propagación de una onda, los pulsos de presión son causados por un líquido que se mueve a una velocidad variable. En el fenómeno ultrasónico, la presión mínima depende de la intensidad de la onda, mientras que en el caso hidrodinámico esta variable es función de la máxima velocidad del líquido que pasa a través de una constricción [24].
Para la cavitación acústica, al trabajar con altas intensidades, se promueve la formación de un gran número de burbujas. Lo anterior, incrementa la cantidad de eventos cavitacionales y permite acelerar la ocurrencia de transformaciones químicas. Sin embargo, el uso de intensidades excesivas conlleva a una baja sonoluminiscencia o actividad química; ya que bajo estas condiciones la densidad de la nube de burbujas se hace demasiado grande, dando lugar a un efecto de súper cavitación que disminuye la eficiencia global del proceso. De manera análoga, en la cavitación hidrodinámica los periodos excesivos de rarefacción tienden a causar un efecto barrera o escudo [11].
Según Arrojo y Benito [11], los efectos hidrodinámicos son equivalentes a los observados en los reactores ultrasónicos de frecuencia baja (20 kHz). En el último caso, acontecen colapsos de mayor intensidad. Sin embargo, el fenómeno hidrodinámico genera una mayor cantidad de cavidades que, a pesar de exhibir una menor intensidad en su implosión, permiten obtener mejores resultados de cavitación [3].
Una desventaja del método acústico, respecto a la técnica hidrodinámica, se refiere a que los efectos cavitacionales se observan únicamente cerca de la superficie de vibración (2 – 5 cm de separación). Comúnmente, este tipo de reactores se recomiendan a escala de laboratorio, o en procesos de gran escala donde tiempos cortos de residencia sean suficientes para lograr los cambios físico-químicos deseados [1]. Según Gogate y Pandit [51], la cavitación ultrasónica es una técnica que involucra un mayor costo operacional y una menor eficiencia energética.
Los efectos de la cavitación ultrasónica se han aprovechado principalmente en aplicaciones de bioprocesos e industria alimentaria, destacándose además la creación de nano partículas, la síntesis química de diferentes compuestos, el fortalecimiento de reacciones de oxidación, la extracción y lixiviación de sustancias de interés y el tratamiento de aguas residuales [1, 3]. De manera específica, se ha reportado que el agua cavitada mejora su capacidad de disolución debido a la destrucción de la red de enlaces de hidrógeno. Esto genera moléculas libres de agua con gran afinidad a las proteínas de algunos alimentos (carne y leche). De esta forma, se previene la pérdida de ciertas características de importancia en los productos, tales como el sabor y el aroma [84].
La cavitación hidrodinámica se presenta actualmente como una alternativa para el mejoramiento o la sustitución de diferentes procesos tradicionalmente utilizados en el campo agroindustrial. Gracias a la amplia gama de efectos físicos y químicos provocados por el desarrollo del pulso de presión, que incluyen la formación de chorros de alta velocidad, ondas de choque, puntos calientes (temperaturas intensas), turbulencias drásticas y radicales libres altamente reactivos (OH, H2O2 y O3), esta novedosa tecnología ofrece excelentes rendimientos y eficiencias en aplicaciones como la hidrólisis y depolimerización de macromoléculas, la síntesis de biodiesel, el tratamiento físico-químico de aguas residuales, la deslignificación de biomasa, la producción y fabricación de nano-materiales y nano-emulsiones, la desinfección microbiana, la disrupción celular y el procesamiento no térmico de alimentos y matrices biológicas.
La cavitación hidrodinámica corresponde a un proceso dinámico, en el cual las variables de velocidad, caída de presión, tiempo de ciclo y naturaleza química de la matriz (hidrofobicidad) cobran una gran importancia. El número adimensional de cavitación, que agrupa la contribución de la velocidad y la presión al fenómeno de cavitación ocurrido durante la operación, se puede considerar como el principal factor a tener en cuenta para el control del proceso. En la mayoría de las aplicaciones, el número de cavitación debe encontrarse en el rango entre 0.1 – 0.3. No obstante, los parámetros geométricos del equipo de cavitación afectan directamente el rendimiento y los efectos generados por la cavitación. Los reactores de plato orificio suelen ser más eficientes para aplicaciones de índole químico, pues ofrecen colapsos más drásticos y puntos calientes de mayor temperatura. Por otro lado, los dispositivos tipo venturi son recomendados para transformaciones de tipo físico, debido a que favorecen el crecimiento de un mayor número de burbujas, donde su implosión menos abrupta da lugar a chorros de presión y ondas de choque más uniformes al interior del líquido. Debe tenerse en cuenta que, a pesar de la existencia de algunas recomendaciones generales, el diseño y la utilización de equipos para cavitación hidrodinámica debe estudiarse para cada caso específico.
El empleo de la cavitación hidrodinámica ha probado ser mucho más eficiente, desde el punto de vista energético y operacional, que la utilización de técnicas tradicionales para el procesamiento y transformación de materias primas, productos y residuos del sector agrícola. Incluso, el fenómeno hidrodinámico supera los resultados de eficiencia de la cavitación ultrasónica. Además, exhibe un alto potencial de escalamiento a nivel piloto e industrial, gracias a que la formación del pulso de presión se debe a factores geométricos fácilmente manipulables, que dan lugar a la nucleación y crecimiento uniforme de las cavidades en el seno del fluido.
A pesar de ser una tecnología reciente, con eficacia y rendimiento satisfactorios, aún quedan diversos aspectos por evaluar alrededor de la cavitación hidrodinámica. La proposición de nuevos esquemas tecnológicos, diferentes a los platos perforados, los venturi y los de tipo rotatorio, debe marcar una tendencia al interior de este campo de estudio. Puede ser útil la fusión de diferentes configuraciones, que permitan combinar y potenciar las características benéficas de cada clase de reactor. Variables como la naturaleza química del líquido, los parámetros geométricos del equipo y del dispositivo de constricción, el tamaño y la cinética de crecimiento de las burbujas, la ubicación del núcleo de implosión, la velocidad de transferencia de masa y calor en el sistema, entre otras, deben involucrarse en el proceso de análisis, valoración y aplicación de la cavitación hidrodinámica.
Al tratarse de una tecnología versátil, son muchos los procesos en los cuales se ha estimado y comprobado la bondad de la cavitación hidrodinámica. Sin embargo, futuras y potenciales aplicaciones deben enmarcar las tendencias de la metodología hidrodinámica: asociación a tratamientos químicos o biológicos para aguas residuales, síntesis y mejoramiento de combustibles, extracción de componentes bioactivos, modificación química de almidón y otras macromoléculas, perfeccionamiento de características sensoriales de alimentos, y encapsulación y protección de sustancias de interés. Lo anterior, con el fin de aumentar los indicadores de eficiencia y productividad que promueven el fortalecimiento del sector agroindustrial.
Al proyecto “Implementación de una estrategia integral a través de innovación biotecnológica para el aprovechamiento de residuos en el departamento de Caldas”, financiado con recursos del Sistema General de Regalías (SGR) del Departamento Nacional de Planeación de Colombia (DNP). Al Departamento Administrativo de Ciencia, Tecnología e Innovación – COLCIENCIAS –.

P1: presión inicial o de entrada, P2: presión de descarga o recuperación, Pv: presión de vapor del líquido a la temperatura del sistema, ΔP: caída de presión, V0: velocidad media del fluido en la garganta.
Carpenter, et al. [3].


1: tanque principal, 2: chaqueta para control de temperatura, 3: línea principal, 4: dispositivo de constricción (plato perforado o venturi), 5: línea bypass, 6: punto para muestreo, P: manómetros, V: válvulas de control.
Carpenter, et al. [3].

Los numerales corresponden a: 1. Ingreso del fluido. 2. Zona de convergencia. 3. Garganta o constricción. 4. Etapa de expansión y recuperación de presión. 5. Descarga. Cv. Número de cavitación.
Navarrete, et al. [48].
* Donde N: número de orificios en el plato, D: diámetro de cada perforación, P1: presión de entrada del reactor, Cv: número adimensional de cavitación, G: geometría del dispositivo venturi,
** Los parámetros de diseño son α: cociente entre el perímetro de la garganta y el área de flujo, β: relación entre el área de la constricción y el área transversal del dispositivo de flujo a la entrada, γ: proporción entre la altura o diámetro de la garganta y su longitud, y ϕ: ángulo de divergencia del venturi.
Autor

* Donde N: número de orificios en el plato, D: diámetro de cada perforación o de la constricción, α: cociente entre el perímetro de la garganta y el área de flujo, β: relación entre el área de la constricción y el área transversal del dispositivo de flujo a la entrada, ϕ: ángulo de divergencia del venturi.
** Los símbolos corresponden a P1: presión de entrada del reactor, Cv: número adimensional de cavitación, t: tiempo de cavitación, CO: catalizador o agente coadyuvante en la reacción, T: temperatura, V: velocidad de giro en reactores rotatorios.
Autor