Artículos
Balanceo de cargas en los circuitos de distribución de un sistemaeléctrico aislado que garantiza operación segura ante ocurrencias de averías
Balance of loads in the distribution circuits of an isolated electrical system guaranteeing safe operation in the occurrences of faults
Balanceo de cargas en los circuitos de distribución de un sistemaeléctrico aislado que garantiza operación segura ante ocurrencias de averías
Ingeniería y Desarrollo, vol. 37, núm. 1, pp. 1-19, 2019
Fundación Universidad del Norte
Recepción: 19 Marzo 2018
Aprobación: 13 Octubre 2018
Resumen:
El polo turístico Cayo Santamaría, en la provincia de Villa Clara, Cuba, presenta un desarrollo constructivo acelerado. En la actualidad no tiene interconexión con el Sistema Eléctrico Nacional que garantice la estabilidad del sistema eléctrico, y existe una gran diferencia en la potencia que manejan los circuitos de distribución que alimentan las cargas. Por lo anterior, se hizo necesario un análisis que permitiera repartir estas cargas de manera uniforme, a fin de plantear su conexión con los circuitos de distribución. En el presente trabajo se realiza un estudio sobre las posibles variantes de conexión de los grupos de carga de los centros hoteleros a los circuitos de distribución, y se concluye con la mejor posible en las condiciones actuales. Se analizó la respuesta del sistema ante averías en los circuitos de distribución, de manera que se propusieron soluciones para ampliar la estabilidad posavería de este. Los resultados obtenidos son un punto de partida para la operación óptima del sistema eléctrico aislado del Cayo Santa María.
Palabras claves: balanceo de cargas, estabilidad de sistemas eléctricos, sistemas eléctricos aislados, sistemas eléctricos, sistemas de potencia insulares.
Abstract:
The tourist destination Cayo Santamaría in the province of Villa Clara, Cuba, has aconstructive accelerated development. Currently does not have interconnection with the national electrical system that ensures the autonomy of the electrical system, and there is a great difference in the electric power circulating through of the distribution circuits that feed the loads. An analysis that would deliver these loads evenly for connection to the distribution channels became necessary. Therefore, it is necessary an analysis that allows to distributing these loads in a uniform way for their connection to the distribution circuits. This paper realize a study on the possible connection variants of the load groups of hotel centres to the distribution circuits, concluding which optimal variant to perform. It was analyzed system response from faults in the circuits, proposing solutions to extend the post-failure stability. The results obtained are a starting point for an optimal operation and more reliable of Cayo Santa María isolated system.
Keywords: electrical systems, insular power system, isolated electrical systems, load balancing, stability of electrical systems.
Introducción
Los sistemas eléctricos se componen de la interacción de muchas partes que garantizan un servicio estable de energía eléctrica a los consumidores que a ellos se encuentran instalados, así como la calidad de la energía que a estos se oferta.
En las islas, islotes y cayos, donde existe una elevada presencia de instalaciones recreativas, en su mayoría turísticas, la necesidad de contar con un sistema eléctrico fuerte es la garantía de que el servicio que se brinde sea de calidad, como lo exigen las circunstancias en que este se encuentra.
En estos casos existe la desventaja de que para estos sistemas, dadas sus condiciones geográficas, resulta muy difícil o económicamente injustificable la interconexión con un sistema de mayor potencia, el cual tiene la posibilidad de resistir fallas mayores; por tanto, trabajan en un régimen aislado.
La estabilidad de los sistemas aislados es un problema fundamental. Las variaciones de frecuencia que se originan en caso de perturbaciones las cuales no tienen que ser muy grandes son muy superiores a las que se producen en un sistema fuertemente interconectado y, por tanto, se producen las salidas de cargas por descarga automática de frecuencia (daf), debido a que están compuestos, esencialmente, por grupos de generación de baja inercia (accionados, por ejemplo, por motores fuel oil o diésel) [1]. Resulta complicado restablecer este sistema eléctrico, en particular por el volumen de carga que manejan sus alimentadores.
Además, las redes eléctricas son poco malladas a niveles de tensión inferiores a las de los sistemas interconectados. En el caso de una falla severa, el colapso de estos sistemas es inevitable y lleva a un blackout total, así como a la interrupción del suministro de todos los consumidores. Es válido destacar también que “la respuesta de los sistemas insulares en caso de desconexión de grupos generadores está muy afectada por la magnitud de la reserva rodante. Por ello, el despacho de generación deberá reflejar la magnitud de la reserva rodante habitualmente seleccionada [2].”
Por esto, se hace necesario estudiar estos sistemas a fin de garantizar una respuesta adecuada ante las situaciones que se puedan presentar, y garantizar también la continuidad de prestación del servicio, con el fin de cumplir el objetivo de llevar la energía a donde la necesiten.
Un sistema eléctrico aislado de vital importancia económica para Cub, lo constituye el Sistema Eléctrico Aislado Cayo Santa María (SEACSM), ubicado en el norte de la provincia de Villa Clara. Es el principal polo turístico de la provincia y uno de los mayores del país [3].
El servicio eléctrico de la cayería se genera inusitu. Desde la planta de generación en Cayo Santa María se alimentan también los polos de Cayo Las Brujas y Ensenachos. Toda la red eléctrica es soterrada a 13,8 kV en los paseos norte y oeste de los viales principales y secundarios [2]. En la actualidad, la generación se realiza a través de máquinas de fuel oíl y diésel, con tecnología MAN, Hyundai y MTU, respectivamente, y cuentan con una capacidad total de generación instalada de 68,78 MVA [3].
Los nueve circuitos que existes no se explotan de forma adecuada, situación que provoca la sobrecarga en algunos de ellos, así como la inestabilidad del sistema ante la ocurrencia de una falla que lo sacará de servicio, y provocará grandes interrupciones del servicio eléctrico durante tiempos prolongados.
Por tal motivo, se impone la necesidad de garantizar un balanceo en las demandas de cada uno de los circuitos de distribución, es decir, lograr demandas similares en cada uno de ellos, con el objetivo de ampliar la capacidad de respuesta ante la ocurrencia de fallas que saquen de servicio dichos circuitos, así como analizar el efecto que estos tienen sobre este sistema aislado de forma general.
Al lograr un balance en la demanda de los circuitos de este sistem con la optimización de sl uso y al lograo la transferencia de potencia mínima para un estado de carga dado, se asegura la operación de dicho sistema tras la ocurrencia de alguna avería que provocara la salida repentina de servicio de alguno de estos circuitos.
Metodología
La carga en el microsistema SACSM se caracteriza por la temporada turística (alta o baja), en dependencia de los meses del año, y presenta la característica de variar de acuerdo con la temporada turística (alta o baja). En el 2017, la demanda máxima para temporada alta fue de 18,06 MW, ocurrida ea 6 de abril sobre las 3:00 p. m., aproximadamente. La Figura 1 muestra el comportamiento de la curva para todos los días del mes de abril del 2017.

Entre los principales factores que caracterizan estas curvas se encuentra un factor de carga (FC) que se localiza aproximadamente por los 0,8, y unas horas equivalentes (HE) que se redondea en unas 17 h/día.
El sistema aislado Cayo Santa María cuenta con la siguiente generación instalada para cubrir las necesidades de cargas presentadas:
Dos máquinas MAN de tecnología alemana de fuel oil de 3,85 MW encargadas de regular la frecuencia del sistema. Estas son las máquinas más potentes del sistema.
Cuatro máquinas Hyundai tecnología coreana de fuel oil de 1,7 MW, las cuales se encargan de llevar la carga base del sistema.
Un total de 20 máquinas MTU diésel, de las cuales, ocho son tecnología alemana de 1,89 MW, y 12 de tecnología china de 2,1 M ; estas últimas se encuentran divididas en dos baterías de seis máquinas cada un), las cuales operan cuando el sistema lo necesite,aes decir, cumplen la función de llevar la carga pico.
La subestación de tecnología muy moderna que se compró a Italia y se inauguró en enero del 2010, cumple con las expectativas necesarias para brindar un suministro de calidad y fiable, tal como se quiere, y además está equipada con interruptores ABB de SF6 de 24 kV (extraíbles), y con las cinco baterías de generadores que despachan la energía a los alimentadores mediante un sistema de doble barra a 13,8 kV y un mínimo de interconexio- nes. Las salidas están compuestas por nueve circuitos radiales. La máquina está equipada con protecciones numéricas de bajos tiempos de operación, lo cual resulta crucial para este sistema. De la misma manera, dispone de equipos de medición y control modernos.
Las redes soterradas de enlace, generación ycarga utilizan conductores, sobre todo, del tipo Voltalene: cable aislado con polietileno, no reticulado (XLPE) y con cubierta exterior de una mezcla de policloruro de vinilo (PVC); y el Eprotemax H: cable monoconductor con aislamiento a base de polímeros, etileno-propileno -designado con las siglas (EPR)-, del cual se encuentran diversos calibres, desde los 35 mm2 hasta los 240 mm2.
Los parámetros de dichos conductores para posteriores cálculos se obtuvieron de los manuales y catálogos que brindan los fabricantes [4], [5], [6].
Estas redes se componen de nueve circuitos, agrupados en dos circuitos que alimentan las zonas Norte, Este, Oeste y Base Apoyo. Toda la carga queda alimentada por un esquema doble radial, en el que en cada nodo hay un sistema de centros de conmutación o transformación (CC) para redes soterradas, y allí se hace el intercambio manual o automático en caso de falta de servicio por el alimentador principal. Este esquema es, sin duda, mucho más fiable para servir cargas de primera categoría como lo son los hoteles [3].
Resultados y discusiones
Resultados de los estudios de los flujos de carga y estabilidad
Para los estudios se utilizó el software PSX en su versión 3.2, confeccionado en el Centro de Estudios Electroenergéticos de la Facultad de Ingeniería Eléctrica de la Universidad Central de Las Villas.
El flujo de carga para este sistema se organizó de forma tal que se pudiera lograr una máxima transferencia por las líneas, menor o igual al 10% de la potencia total generada para el estado de carga dado, de forma que se ga- rantizara la posible operación estable del sistema, después de la ocurrencia de una avería que sacará de servicio cualquiera de estas líneas. Esto solo fue posible en los circuitos que, en razón a la capacidad de carga instalada, lo permitieran. En los que no fue así, se balanceó el circuito para lograr un uso óptimo de los circuitos existentes en el sistema.
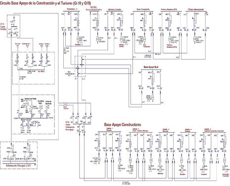
Con la configuración de la red eléctrica planteada se puede brindar continuidad de servicio a las cargas que estén conectadas a las líneas falladas, de modo que actúen sobre los interruptores en los centros de conmutación, pues en todos los casos estos brindan la posibilidad de continuar la prestación de servicio al consumidor al limpiar la sección dañada de línea y conectar por el circuito adyacente. A modo de ejemplo de un circuito en el que se cumplen los requerimientos planteados se tomará el de Base de Apoyo, en el cual se encuentra la subestación eléctrica. El diagrama monolineal se muestra en la Figura 2, este es el más pequeño con el que cuenta el sistema, ya que su distancia máxima es de 1 km. Al igual que los demás, tiene una configuración doble radial, se alimenta por los interruptores V1040 y V1050 (celdas 4 y 19), identificados también como Q18 y Q19, y cuenta con centros de conmutación. Se emplean en las cargas transformadores trifásicos inmersos en aceite y, en algunos casos, bancos trifásicos.

Se buscó una configuración en los centros de conmutación que, para el estado de carga máximo (18,06 MW), garantice una transferencia de potencia por los interruptores Q18 y Q19 de 0,4 y 0,48 MW, respectivamente, lo cual representa un valor inferior al 10% de la generación total (1,8 MW).
La Tabla 1 muestra la configuración de los interruptores en los centros de transformación y de conmutación en este circuito para lograr el balance.

Sin embargo, en el caso del circuito Dunas Punta Madruguilla, los circuitos son alimentados por los interruptores V1080 y V1090, o también denominados Q14 y Q15. Siempre en busca de un balanceo de la carga por circuito se garantizó un despacho de potencia de 1,9 MW por el interruptor Q14, y de 1,8 MW por el Q15, ambos valores semejantes al límite máximo (1,8 MW).
En el circuito Sur Oeste se logró que la transferencia fuera menor que el límite máximo; no así en los circuitos Este, en los que la carga es grande y la circulación de potencia por los interruptores está en el orden de los 3,3 MW. Esto a pesar de que son tres circuitos, pero cada uno de ellos solo puede ser alimentado por dos interruptores.
Para el análisis de la estabilidad en este sistema se planteó un cortocircuito que provocara el disparo de los interruptores en la subestación. Se analizó el comportamiento de las máquinas ante esta situación, qué ocurrió con la velocidad de estas y las perspectivas del sistema para retornar a un estado posavería, de tal manera que garantice la operación del sistema y evite su colapso.
Para todas las fallas el tiempo de inicio fue de 0,1 s; lo que se varió fue el tiempo de duración de la falla, con el objetivo de estar en capacidad de analizar el comportamiento del sistema. Se supuso un tiempo de duración de la falla acorde con los tiempos de operación de relés digitales (0 a 0,05 s), y los tiempos de operación de los interruptores de tres y seis ciclos (0,05 s y 0,1 s). Se llegó a dar tiempos de limpieza de la falla totales de 0,25 s. Se tuvo en cuenta el ajuste de las protecciones de frecuencia de las máquinas, aspecto importante a la hora de analizar la estabilidad de las máquinas, así como necesario para realizar los estudios de estabilidad de estas.
La falla se planteó al final de la línea del interruptor Q19. Se consideró que hubo disparo en el interruptor a los 0,25 s. La Figura 3 muestra los resultados del comportamiento de la velocidad de las máquinas para esta avería, obtenidos con la ayuda del software PSX. El tiempo de simulación fue de 30s. Para esta falla y en este circuito, en el cual fue posible un balanceo de las cargas inferior al 10%, se puede apreciar cómo, cuando la falla se limpia por la apertura del interruptor Q19, ocurre una variación abrupta en la frecuencia y la velocidad de la máquina.

Los valores a los que están ajustadas las protecciones automáticas de frecuencia (DAF), brindan la posibilidad de que el sistema continúe trabajando en el lapso de tiempo que duran las oscilaciones. Por tanto, existe la posibilidad de que el operador actúe sobre las máquinas para que el sistema pueda regresar a un estado estable.
Para el circuito Dunas Punta Madruguilla la falla también se planteó al final de la línea que corresponde abrir al interruptor Q14 a los 0,25 s. (Figura 4).

Para una falla en este circuito, se puede observar cómo el sistema es incapaz de mantener la estabilidad en estas condiciones; después de los 12 s las máquinas continúan acelerándose y se pierde la estabilidad del sistema. Esto sucede a pesar de que este es un circuito en el que el balance de la carga se logró para un valor semejante al 10% de la generación total, debido a que la carga que se desconecta es significativa y afecta de manera brusca la relación necesaria entre la generación y la demanda.
Para una avería en el circuito de la Base de Apoyo, las máquinas continúan en servicio; aunque los picos en las variaciones de frecuencia son pronunciados, el tiempo que duran estos picos no provoca la salida de las máquinas por disparos de frecuencia. Lo anterior se debe a que el ajuste con que cuentan las protecciones asimilan estas variaciones bruscas en un lapso de tiempo pequeño. El sistema se recupera y llega a un estado que lo hace regularmente operable después de la avería.
Sin embargo, cuando la falla ocurre en elcircuito Dunas-Punta Madruguilla, esta avería afecta de forma radical la estabilidad del sistema, de tal manera que después de transcurridos 10 s las máquinas pierden su estabilidad y ocurre el disparo por frecuencia, y colapsa así el sistema.
Al analizar los resultados arrojados por las corridas se observa que la estabilidad de este sistema es crítica tras la ocurrencia de una avería. Solo en el caso de una falla en el circuito de la Base de Apoyo es posible retornar a un estado estable que garantice la operación del sistema de forma segura. En el caso del circuito Sur-Oeste se tienen aproximadamente unos 25 s para actuar sobre las máquinas y disminuir su generación. De esta forma se puede lograr de nuevo un estado de equilibrio entre la generación y la demanda que garantice la disminución de la velocidad de las máquinas y el restablecimiento del sistema.
Después de analizar estos resultados de forma detenida, se realizaron una serie de cambios, en busca de soluciones que pudieran dar una respuesta al problema de la estabilidad posavería. A continuación, se analizarán estas posibles soluciones.
Propuestas para aumentar la estabilidad
Con la disminución del tiempo de respuesta de la protección se pueden aumentar las posibilidades de respuesta del sistema.
Para una falla en el circuito Este, igual a la anterior pero con un tiempo de respuesta menor (0,1 s), se puede observar en la Figura 5 que el sistema igualmente colapsa.

Se aprecia cómo en el sistema, a los 9,72 s, después de limpiarse la avería, la frecuencia toma el valor de 61,76 Hz, y las máquinas Hyundai entran con su primer paso de disparo, para 61,8 Hz en acción, el cual se mantiene durante 10 s. A los 63 Hz entra el segundo paso, el cual se mantiene por 5 s, hasta que se pierde por completo la estabilidad en el sistema.
Lo mismo ocurre para el circuito Dunas Punta Madruguilla. Con relación a los circuitos de la Base de Apoyo y el circuito Sur-Oeste, cuando la falla se limpia en 0,1 s, el tiempo que brinda el sistema para tomar medidas que posibiliten su retorno a un estado estable no es mucho mayor que el caso que se analizó.
Por tanto, bajar el tiempo de eliminación de la avería no es una solución que tenga expectativas, pues las variaciones que provoca son pequeñas.
El disparo trasferido de generación consiste en sacar del sistema uno o más generadores al ocurrir el disparo de los interruptores, con el propósito de restablecer la relación entre la generación y la demanda en el sistema. Esta solución solo es posible llevarla a cabo en los circuitos que, al abrirlos, la potencia que circulaba por ellos sea semejante a la que entrega la máquina que se desconecta del sistema.
En los que no se cumple con lo anterior (desconectarse una máquina del sistema), como, por ejemplo, es en el Sur-Oeste y el Base de Apoyo, se comprobó con las simulaciones que el sistema colapsa de inmediato. Por tanto, en este caso, como en el caso del circuito de la Base de Apoyo, esta variante no es necesario implementarla, pues el sistema es capaz de responder de forma regular ante estas averías.
Sin embargo, se presentan dificultades si se realiza un disparo transferido en el caso del circuito Este, ya que la capacidad de la carga que se desconecta al ocurrir una falla en este circuito es superior a los 3 MW. La solución más factible podría ser la desconexión de dos generadores Hyundai en el momento en que se limpia la avería. Cuando esto se realiza, como lo muestra la Figura 6, en el sistema se restablece la relación entre la generación que se entrega al sistema y la potencia que este consume. El sistema se restablece y brinda la oportunidad de operarlo hasta lograr un estado estable que garantice su operación.

Esta variante solo es posible aplicarla cuando se cuenta con las máquinas que poseen reguladores de velocidad, lo cual no sucede en este sistema con las máquinas MTU. Esto en razón a que, si las máquinas que se emplearan para generar en el sistema como complemento de las MAN no tuvieran reguladores de velocidad, sería imposible lograr una respuesta oportuna del sistema ante la ocurrencia de averías, como se pudo comprobar en las simulaciones.
La capacidad del sistema de retornar a un estado estable aumenta a medida que disminuye la carga que se desconecta. Por ejemplo, si esta carga es similar a la generación de las máquinas, en este caso las Hyundai (1,6 MW), para el estado de carga en que ocurre la avería no hay problemas de estabilidad. Mientras más cerca esté la capacidad de la carga desconectada de la capacidad de un generador, mayor será la capacidad de respuesta que puede tener el sistema, lo cual se demostró con las corridas realizadas.
Al tener en cuenta estas situaciones se realizó una propuesta de las líneas a construir, relacionadas con las condiciones actuales y las futuras que a corto plazo tendrá este sistema. Por ejemplo, una de ellas podría ser desde la Subestación hasta el CC del Hotel Estrella, pero es necesario disponer de los interruptores.
La conexión del SEACSM al Sistema Electroenergético Nacional garantizará la estabilidad de este sistema ante la ocurrencia de cualquier tipo de avería, pues la unión con este proporcionaría una constante de inercia fuerte, lo cual garantiza estabilidad de este sistema y amplía la respuesta ante contingencias.
Para esto se consideró el Sistema Electroenergético Nacional como una máquina equivalente ubicada en la ciudad de Caibarién. La simulación se realizó para una avería en la línea entre el CC ETECSA y CC Casa de Negocio del circuito Este, al abrir el interruptor Q20 a los 0,25 s, con un generador MAN que entregaba potencia al sistema. Esta avería es la más crítica que se puede presentar en este sistema, pues representa una desconexión de un grupo de carga equivalente a 3,5 MW (25% de la demanda); sin embargo, en la Figura 7 se puede observar cómo después de limpiarse la avería no tendrá efectos perjudiciales sobre el sistema, pues él mismo mantiene la estabilidad. Esta solución es la que garantizará una respuesta adecuada del sistema, e incrementa así su fiabilidad.

La pérdida de generación del sistema aislado es otro de los factores que afecta la estabilidad del sistema [2]. La pérdida de, por lo menos, un generador, rompe de manera brusca la relación entre la generación y la demanda, lo cual provoca la desaceleración de las máquinas.
La reserva rodante debe limitar las desviaciones permanentes de frecuencia tras la desconexión de un grupo generador. Sin embargo, se pueden alcanzar valores transitorios inadmisibles de la frecuencia o, incluso, el sistema puede colapsar, sobre todo, por la variación que experimenta la frecuencia en un tiempo tan pequeño [7]. Esto provoca la operación de las protecciones por frecuencia de los demás generadores no dañados, desconectándolos y empeorando la situación, hasta que se desconecta el sistema por completo y se pierde la generación.
La cantidad de potencia que se deja sin suministrar puede suponer un porcentaje importante de la potencia total generada en el momento de la pérdida, de manera que puede llegar al caso en que la potencia que pueden aportar el resto de generadores no sea suficiente para compensar la energía perdida. Todo esto puede generar una disminución de frecuencia tal que la única solución para evitar el colapso total del sistema sea el deslastre de cargas [8].
La Figura 8 muestra los resultados de la simulación de una falla que ocurre a los 0,1 s y se limpia a los 0,3 s, al salir un generador MTU de servicio, dado que la falla ocurra en él. Como se puede apreciar en esta figura, una avería en un generador provoca el colapso del sistema de forma inmediata.

Disparo automático por frecuencia DAF en el sistema, ante la pérdida de los generadores, posibilita actuar sobre el sistema a fin de restablecer un estado estable posavería que garantice su operación.
Conclusiones
Se tiene que la distribución adecuada en la conexión de las cargas, es decir, efectuar un balance de la demanda en los circuitos de distribución en este sistema eléctrico aislado, garantiza una mejor operación, pues el desbalance en los circuitos de distribución condiciona su estabilidad.
Además, la estabilidad del sistema tras la ocurrencia de una avería es crítica, aunque la capacidad de la carga que se desconecte sea inferior al 10% de la generación total.
El tiempo que brinda el sistema para operarlo y regresar a un estado estable, en condiciones posavería, es limitado; solo en los circuitos que por su carga lo permiten este alcanza valores superiores a los 20 s.
La solución más factible actualmente para alcanzar un estado estable que garantice la operación del sistema es el disparo transferido de generación, en dependencia del circuito afectado por la avería. Esta condición no es difícil de lograr, pues la automática que lleva no es compleja.
Mientras menores sean los tiempos de respuesta de las protecciones, mayores serán las posibilidades del sistema para estabilizarse, ya que es el regulador de velocidad un factor importante en la estabilidad del sistema. Por otra parte, la pérdida de generación en este sistema es otro de los factores que afectan su estabilidad.
El disparo automático por frecuencia en el sistema, ante la pérdida de los generadores, posibilita actuar sobre el sistema con el fin de restablecer un estado estable posavería que garantice su operación.
La conexión del sistema aislado del Cayo Santa María con el SEN garantizará la respuesta necesaria a la ocurrencia de las averías en el sistema.
REFERENCIAS
1. Candela, A, “Modelado y análisis de sistemas aislados interconectados con elevada penetración eólica”. ICAI-Universidad Pontificia Comillas; 2012. En línea. Disponible en http://studylib.es/doc/6735565/modelado-y-an%C3%A1lisis-de-sistemas-aislados-interconectados-con
2. Centeno, P, Fernández, P, Rouco, L, González, M, Rojo, JM y Diago, JR, “Estabilidad de los sistemas eléctricos insulares“, Anales de mecánica y electricidad, pp. 33-40, 2004.
3. Ruíz, S, “Interconexión del sistema eléctrico aislado Cayo Santa María con el Sistema Electroenergético Nacional”, trabajo final de carrera, Facultad de Ingeniería Eléctrica UCLV, 2012.
4. Prysmian, “Cables & Systems. Cables y Acessorios para Media Tensión”, Prysmian.es, 2013. En línea. Disponible en: http://www.prysmian.es. Accedido: Nov. 24, 2016
5. ABB, “XLPE Underground Cable Systems, User´s guide”, Abb.com, 2010. En línea. Disponible en: Disponible en: http://www.abb.com/cables. Accedido: Nov. 24, 2016.
6. Prysmian, “Cables tipo Voltalene (aislamiento de XLPE)”, Primsian.es, pp. 63-83, 2010. En línea. Disponible en: Disponible en: http://www.primsian.es. Accedido: Nov. 24, 2016.
7. Elices, A. y Rouco, L., “Análisis fundamental del impacto de la reserva primaria en sistemas eléctricos aislados“, en Actas de las Séptimas Jornadas Hispano-Lusas de Ingeniería Eléctrica, 2001, vol. 2, ed. Leganés, pp. 335-340.
Saboya Bautista, I., “Análisis de Planes de Deslastre de Carga en Sistemas Eléctricos Aislados”, proyecto fin de carrera, ICAI-Universidad Pontificia Comillas, Madrid, 2010.
Notas de autor
*Correspondencia: Marta Bravo, Unión 104 e/ Martí y Julio Jover, Cuba.