Resumen: Este artículo presenta el desarrollo de un prototipo para carga de patrones de bordado para máquinas textiles Tajima y Barudan usando bus serial USB. Se realizó con el fin de resolver la problemática de comunicación de bordadoras industriales con computadoras actuales. El Transmisor consta de una tarjeta de circuito impreso con un microcontrolador Pic18F2550 programado utilizando un compilador de lenguaje C, que puede comunicarse con un protocolo paralelo hacia la bordadora, y por otro lado comunicarse vía serial hacia cualquier computadora actual con puerto serial universal o USB, del inglés Universal Serial Bus. Este proyecto incluye el software de usuario, realizado en Delphi para grabar los diseños en las máquinas bordadoras. Una vez terminado el prototipo se realizaron las pruebas de funcionamiento en una máquina bordadora textil Tajima, obteniéndose los resultados deseados; se realizaron cuatro diseños y fueron descargados en la máquina al 100% sin interrupciones de comunicación, en veinte ocasiones cada uno.
Palabras clave:USBUSB, textil textil, patrón patrón, diseño diseño, microcontrolador microcontrolador, bordadora bordadora.
Abstract: This article presents the development of a prototype for loading embroidery patterns for Tajima and Barudan textile machines using USB serial bus. It was carried out in order to solve the communication problems of industrial embroiderers with current computers. The Transmitter consists of a printed circuit board with a Pic18F2550 microcontroller programmed using a C language compiler, which can communicate with a parallel protocol to the embroiderer, and on the other hand communicate via serial to any current computer with universal serial port or USB, of the English Universal Serial Bus. This project includes the user software, made in Delphi to engrave the designs in the embroidery machines. Once the prototype was finished, the operation tests were carried out in a Tajima textile embroidery machine, obtaining the desired results; four designs were made and downloaded to the machine at 100% without communication interruptions, twenty times each.
Keywords: USB, textile, pattern, design, microcontroller, embroidery machine.
Dispositivo de carga de Patrones de Bordado para Máquinas Textiles usando Bus Serial Universal USB
Embroidery Pattern Loading Device for Textile Machines using Universal Serial Bus USB
Recepción: 19 Diciembre 2017
Aprobación: 09 Mayo 2018
En la actualidad y en la industria textil del país, es sin lugar a duda de gran importancia la automatización en las diferentes máquinas de bordado así como su actualización. Según estadísticas del Instituto Nacional de Estadística y Geografía (INEGI), la industria textil y del vestido nacional forma parte de un grupo importante que contribuyen con alrededor del 40% en la generación del Producto Interno Bruto Nacional. En este grupo se encuentran la industria automotriz, la industria química, la industria siderúrgica, la industria textil y del vestido, la minería, el sector alimentario, el sector energético y el ingreso y el gasto público [1].
Una máquina bordadora plasma un diseño en un pedazo de tela u otro material por medio de hebras textiles; la mayoría de las máquinas utilizadas son asistidas por computadoras que leen los archivos convertidos a digital de los bordados creados por algún software. Las máquinas desarrolladas en las décadas previas se construyeron usando puertos de comunicación paralela pero las nuevas utilizan en su mayoría protocolos de comunicación universales y más recientes.
El inventario de máquinas de las décadas de los 80’s y 90’s que no cuentan con interfaces modernas de comunicación con la computadora o host que contiene los patrones de máquinas para bordados. Un repaso por los hechos relevantes de la historia del proveedor Wilcom, líder internacional en innovación y calidad de soluciones en bordado, nos permite ver que en el año 1980 introdujo el primer diseño de bordado gráfico computarizado llevado a cabo en un mini ordenador. Mejorando esta tecnología en 1982, con la introducción del primer sistema multiusos, permitiendo que más de una persona pudiera trabajar en una parte diferente en el proceso del bordado. Durante las décadas de los 80 y de los 90, continuó innovando permanentemente de acuerdo a la tecnología con que se contaba. Estas máquinas quedarán obsoletas si sus medios para cargar los patrones de diseños de bordados no se actualizan con los equipos de cómputo y software especializados en el área, por lo tanto es importante realizar el estudio y desarrollar aplicaciones, primeramente en las máquinas Tajima y Barudan a las que puedan cargarse los diseños con los ordenadores actuales.
El proyecto consiste en llevar a cabo la elaboración de una tarjeta con un microcontrolador PIC18F2550 que permita realizar la carga de diseños a las máquinas de bordado textil Tajima y Barudan, tarjeta que debe ser capaz de conectarse a cualquier computadora actual por medio del puerto USB y por otra parte, conectarse a través de un puerto paralelo a la máquina bordadora, agregando también un software visual para el usuario realizado en Delphi con sus componentes asociados al protocolo HID (Human Interface Device) USB para sistemas operativos recientes.
En la sección de fundamentos teóricos se describen las características del microcontrolador, los puertos de comunicación a utilizar y el software para realizar la interfaz de usuario; en la sección de materiales y métodos se muestra el diagrama de flujo del programa del microcontrolador, el esquemático del circuito cargador de diseños de bordados y de la tarjeta de circuito impreso (PCB), así como también la pantalla final de la interfaz para el usuario; en la sección de resultados se valida el proyecto, mostrando las pruebas realizadas con la tarjeta, interfaz de usuario y la máquina bordadora industrial Tajima.
La máquina de bordar. La máquina de bordado es un término que se puede utilizar para describir dos acciones. El primero se utiliza para una máquina de costura que crea “manualmente” el bordado (a pulso o con built-in puntadas), un diseño en un pedazo de tela o en otro artículo similar. El segundo es utilizar un diseño especialmente bordado a máquina de coser-bordado para crear automáticamente un diseño pre-hecho del patrón que se introducirá en la máquina [2].
La mayoría de las máquinas del bordado usadas por los profesionales y aficionados son asistidas hoy por computadoras que leen los archivos convertidos a digital de los bordados creados por software especial. Con la llegada del bordado automatizado, la técnica para crear este tipo de bordados se basa principalmente en el arte de la fibra a utilizar y el digitalizado de imágenes para la creación de un bordado en particular. Mientras que algunos todavía realizan bordados a mano para embellecer prendas, con la llegada del bordado computarizado se ha logrado reducir el tiempo y costo de producción favoreciendo la demanda de este servicio [2].
Interfaz paralela y su protocolo, El puerto paralelo se apega al estándar IEEE 1284, que definen 4 modos de operación soportados: Puerto Paralelo Estándar (SPP), Puerto Paralelo PS/2 (Bidireccional), Puerto Paralelo Mejorado (EPP) y Puerto Paralelo con capacidades extendidas (ECP).
El puerto SPP considerado el modo de una dirección tiene tres direcciones consecutivas asociadas con un puerto paralelo; estas direcciones pertenecen al registro de datos (Data Register), el registro de estado (Status Register) y el registro de control (Control Register). Se le denomina dirección base a la que indica la propia del registro de datos, por lo general 0x378; así se tendría para el registro de estado la dirección inmediata siguiente 0x379 y para el registro de estado la dirección de control la dirección 0x37A. El puerto de datos sólo es de salida y es de 8 bits. El puerto de estado es de sólo entrada con 5 bits y el propio de control tiene 4 bits sólo de salida [3].
Interfaz USB y su protocolo; el USB es un bus punto a punto, dado que el lugar de partida es el host (PC), el destino es un periférico u otra PC. No hay más que un único host en una arquitectura USB; las PC estándar tienen dos tomas USB, lo que implica que, para permitir más de dos periférico simultáneamente, es necesario un hub. Algunos periféricos incluyen un hub integrado, por ejemplo, el teclado USB, al que se le puede conectar un Mouse USB. Los periféricos comparten la banda de paso del USB. El protocolo se basa en el llamado paso de testigo (token). El ordenador proporciona el testigo al periférico seleccionado y seguidamente, éste le devuelve el testigo en su respuesta. Este bus permite la conexión y la des-conexión en cualquier momento sin necesidad de apagar el equipo. El cable USB transfiere la señal y alimentación a 4 hilos; la tensión nominal es de 5V. Una resistencia de terminación instalada en la línea de datos permite detectar el puerto y conocer su configuración (1.5 o 12 Mbits/s). La velocidad puede ser tanto de 12 Mbits/s como de 1.5 Mbits/s. La sensibilidad del receptor puede ser de al menos 200mV y debe poder admitir un buen factor de rechazo de tensión en modo común.
El reloj se transmite en el flujo de datos, la codificación es de tipo NRZI, existiendo un dispositivo que genera un bit de relleno (bit stuffing) que garantiza que la frecuencia de reloj permanezca constante. Cada paquete va precedido por un campo de sincronismo. Las ventajas de utilizar USB son: velocidad de transferencia de datos, gran flexibilidad, baja probabilidad de tener errores en su transmisión, con automática corrección de errores, bajo costo y una poderosa herramienta. Para la comunicación con periféricos USB, se requieren dos cosas: un dispositivo que conozca el cómo comunicarse con la computadora y un dispositivo que conozca la comunicación entre el dispositivo y la máquina [4].
El microcontrolador Pic18F2550 es un dispositivo programable de Arquitectura Harvard de la compañía Microchip de 28 terminales, con capacidad de Memoria de programa flash de 32 kB, memoria RAM de 1536 Bytes, de EEPROM de datos de 256 Bytes, Velocidad de la CPU hasta 10 MIPS. Cuenta con Oscilador externo hasta 40 MHz, Multiplicador de 8bits x 8bits por hardware, de un solo ciclo, Convertidor Análogo Digital (ADC) de 10 bits y 5 canales, Voltaje de operación 4.2V a 5.5V. Además cuenta con el soporte para comunicaciones USART, SPI, I²C, para poder realizar la comunicación por USB de manera transparente por el usuario [5].
Software de alto nivel Delphi, es un lenguaje moderno orientado a objetos de aplicaciones para Windows, macOS, iOS, Android y Linux, fue originalmente creado por Anders Hejlsberg antes de pasar a Microsoft para dar origen a C++.
Con los datos en tiempo de diseño los desarrolladores pueden agilizar el diseño de interfaces de usuario para todos los tamaños de pantalla y crear prototipos más rápidamente al ver cómo quedan los datos en el diseño de la interfaz de usuario (UI), con compatibilidad con datos en vivo de diferentes fuentes, como bases de datos. Enriquecido con modelos de lenguaje moderno, reflexión y atributos, Delphi ofrece a los desarrolladores un lenguaje orientado a objetos, fácil de leer, aprender y usar [6].
Delphi facilita el uso, simplemente estableciendo las propiedades del componente en el inspector de objetos; las propiedades de componente ayudan a aplicar una usabilidad genérica entre las plataformas, sin escribir siquiera una línea de código. Usabilidad integrada, desde mostrar el teclado adecuado para escribir hasta posicionar correctamente las tabulaciones según la plataforma [6].
Este proyecto se realizó en el laboratorio de Ingeniería Electrónica del Instituto Tecnológico de Aguascalientes y las pruebas de campo se hicieron en una empresa local con una máquina Tajima Modelo TMFX-C902 de 2 cabezales.
El proyecto se dividió principalmente en tres partes; en la primera se investigó el tipo de archivo de diseño DST ternaria de las máquinas bordadoras industriales Tajima y Barudan y el protocolo de comunicación paralela aplicando ingeniería inversa con el Analizador Lógico HP 1651A, así como la comunicación serie USB por medio del microcontrolador PIC18F2550. La segunda parte consistió en el desarrollo de la tarjeta que permitiera la comunicación entre el software de usuario y las máquinas. Y la tercera parte fue realizar el programa de usuario en el software de alto nivel Delphi que pueda leer diseños de bordados y trasladarlos a las máquinas bordadoras.
Una vez investigados los protocolos de comunicación, el formato de archivo DST ternaria y el protocolo de comunicación paralelo, se utilizaron comunicación serial USB y paralelo para poder hacer la comunicación entre computadora y bordadora, se realizó el programa de acuerdo al diagrama de flujo de la figura 1 donde se puede observar que primeramente se realiza la configuración. Fusibles, entre ellos se encuentra la frecuencia de oscilación de 48 MHZ y la regulación interna de voltaje de 3 volts para el puerto USB; dar de alta el protocolo HID, encargada de habilitar, asignar y comunicar el microcontrolador por USB; y la configuración del puerto B como salida para ser utilizada como comunicación paralela hacia la máquina bordadora.
El programa principal consta primeramente de la asignación de un número al puerto de comunicación USB para poder continuar con el siguiente paso, que es la espera a que la máquina bordadora a través de un bit de estado del puerto paralelo le indique que ya puede ser cargado el diseño; enseguida obtiene del host los datos del diseño de bordado por el puerto USB y se va realizando la carga por el puerto B del microcontrolador. Los datos son enviados a 8 bits y con una señal de reloj por un bit de control del puerto paralelo para que la máquina los reciba. La información del diseño se envía en dos partes, una es el encabezado textual que consta de 512 bytes y que lleva la etiqueta, número de puntadas, color, extensión del dibujo en los ejes “x” y en “y”, así como el final de la puntada; la otra parte es la información de las puntadas binarias, enviadas en formato de 3 bytes, de allí su nombre ternario, dónde pueden ser desplazamiento en “x” y en “y” con sus atributos que indican si es puntada normal, puntada de salto, parada de cambio de color o fin de envío.

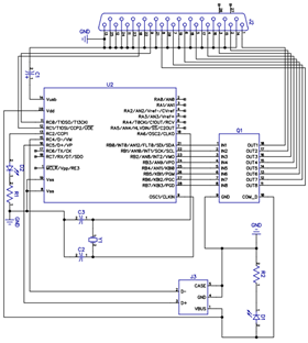
Se realizó el esquemático del circuito, colocando principalmente el microcontrolador PIC18F2550, los conectores DB25 y USB estándar tipo B para la comunicación paralela y serie respectivamente, se incluyó un circuito ULN2008 para el aumento de la corriente en la comunicación paralela, dos LED´s como indicadores y algunos dispositivos electrónicos para el buen funcionamiento de la tarjeta. En la figura 2 se muestra el circuito esquemático de carga de patrones de diseños de bordados.

Una vez obtenido el esquemático, se realizó la tarjeta de circuito impreso en doble cara con el software DIPTRACE, éste se diseñó de tal manera que fuera compacto y que los conectores DB25 y USB estuvieran en la misma tarjeta. En la figura 3 se puede observar la cara superior y la inferior respectivamente.

a) cara superior; b) cara inferior.
En la siguiente tabla se muestran los componentes que se requirieron para la tarjeta de circuito impreso:

En esta etapa se realizó el software que el usuario tendrá para cargar los diseños digitales guardados en una PC hacia las máquinas bordadoras Tajima y Barudan. Fue realizado con el software de alto nivel Delphi utilizando componentes estándar e incluyendo ventanas y herramientas de ayuda, como es el estatus de conexión de tarjeta y una ventana que muestra cómo se va cargando el diseño. En la figura 4 se muestra la pantalla principal.

Con la tarjeta mostrada en la figura 5 y el software de usuario, se realizó la carga en veinte ocasiones de cada uno de los 4 diseños de bordados hacia la máquina Tajima TMFX-C902.

En la siguiente imagen se muestra la carga del primer diseño de bordado “Camel” con 5040 puntadas y posteriormente su bordado en una pieza de tela.

Carga de diseño de bordado 2: “delfín” con 5808 puntadas

Carga de diseño de bordado 3: “WA” con 7318 puntadas

Carga de diseño de bordado 4: “futbol” con 716 puntadas

Con base en las pruebas realizadas, con cuatro diferentes diseños cargados a la máquina bordadora, veinte veces cada una, con un 100% de efectividad, se puede afirmar que los resultados fueron satisfactorios. La comunicación que hay entre la computadora hacia la máquina con diferentes puertos de comunicación se logró mediante el microcontrolador PIC18F2550 y el software de usuario a través de Delphi.
Se diseñó una tarjeta y su interfaz visual capaz de realizar la carga de diseños de bordado a las máquinas industriales Tajima y Barudan con tecnología que requería equipos de cómputo con puerto paralelo. Se logró cargar los diseños a través de computadoras con puerto USB y con una efectividad de comunicación como lo muestran los resultados del 100%. Con este proyecto se logra beneficiar a empresas pequeñas y familiares de la región para que se siga utilizando maquinaria de bordado en buen estado de los años 80’s y 90’s; quedando en esta institución a petición del interesado la transferencia tecnológica.
Los autores desean agradecer al TecNM/Instituto Tecnológico de Aguascalientes por las facilidades otorgadas para la realización del presente proyecto bajo el programa de Fomento a la Investigación 2017. Asimismo, agradecen el apoyo de los estudiantes Jonny García y Erik Isaid Moreno Jasso del programa de Ingeniería Electrónica del ITA.



a) cara superior; b) cara inferior.






