Ciencias Técnicas

Recepción: 07 Marzo 2016
Aprobación: 15 Febrero 2017
Publicación: 31 Julio 2017
Resumen: En el presente trabajo dado un sistema electromecánico de una entrada una salida en el que se considera la fricción, se diseñan diferentes controladores para lograr que la salida, posición, siga a la señal de referencia en forma sinusoidal. Primero se diseñan los controladores de tiempo continuo, proporcional integral de velocidad y proporcional de posición, se demuestra que el sistema de control diseñado es un sistema pasabajo. Luego son discretizados los controladores previamente diseñados y se adiciona un controlador anticipativo de tiempo discreto, denominado controlador de seguimiento de fase cero, para mejorar el comportamiento del sistema, su utilidad es demostrada mediante gráficas y empleando el índice de comportamiento integral del valor absoluto del error (IAE). Es incluido un compensador no lineal de la fricción y su utilidad es evaluada gráficamente y mediante el índice IAE. Todas las evaluaciones son realizadas por simulación.
Palabras clave: CONTROL DE TIEMPO DISCRETO, CONTROLADOR DE ERROR DE SEGUIMIENTO DE FASE CERO, COMPENSADOR NO LINEAL, ELECTROMECANISMOS.
INTRODUCCIÓN
Los requerimientos impuestos por las industrias a los sistemas electromecánicos son cada vez más exigentes por lo que han obligado a considerar la complejidad de éstos, como podría mencionarse la interacción existente entre la máquina eléctrica y su carga y considerar el fenómeno no lineal de la fricción, para de esta forma diseñar sistemas de control de seguimiento que sean precisos y rápidos. (Szabat, 2008; Smilgevičius, 2006; Feng, 2012; Li-Bing, 2012; Charlie, 2012; Espitia, 2013; Robet, 2014)
Un método de diseño propuesto por (Syh-Shiuh, 2009) para mejorar el seguimiento de la variable posición de un electromecanismo a una referencia, es diseñar diferentes controladores lineales para reducir los efectos causados por fuentes de errores lineales y un compensador no lineal para reducir el efecto no lineal de la fricción.
En el presente artículo se enfoca el interés en un sistema electromecánico de una entrada una salida, SISO por sus siglas en inglés, de corriente directa, CD, porque la máquina empleada es de CD, en el que se considera el fenómeno no lineal de la fricción y se desea lograr un seguimiento preciso de la posición angular a una referencia.
Se empleará como indicador de la calidad del desempeño del sistema de control diseñado el índice de comportamiento o cifra de mérito integral del valor absoluto del error, IAE por sus siglas en inglés, porque mide el error de seguimiento acumulado.
El objetivo de este trabajo es diseñar y evaluar mediante simulación usando la cifra de mérito IAE controladores lineales de tiempo discreto y un compensador no lineal de la fricción para mejorar la exactitud de seguimiento del electromecanismo ante señales de referencias sinusoidales.
MATERIALES Y MÉTODOS
A. Descripción y modelo del Sistema Electromecánico
El sistema electromecánico SISO al cual se le diseñarán los diferentes controladores es el mostrado en la Fig. 1.

El accionamiento que se muestra en la Fig. 1 está compuesto por un motor de CD de excitación separada, m1. El motor m1 tiene acoplado mediante una barra rígida un cilindro macizo de momento de inercia J1. La fricción total en el eje de m1 se considera fricción de Coulomb y viscosa. El arco discontinuo con flecha indica el sentido positivo de referencia para la posición angular, velocidad angular y el par.
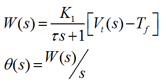
La descripción matemática en función de transferencia del accionamiento, según (Bory, 2015; Bory, 2016), cuya variable a controlar es la posición angular del eje de m1 es:
(1)
W(s) velocidad angular, rad/s.
posición angular, rad.
Vt (s) voltaje de alimentación del motor, V.
K1 ganancia de valor 5 rad/V.s.
constante de tiempo de valor 10 s.
Tf par equivalente en unidades de voltaje debido a la fricción de Coulomb de 1 Nmrad/As y viscosa de 0.5 Nm/A.
Las ganancias de los elementos de medición de velocidad y de posición son respectivamente: Kw= 10 Vs/rad y Kposc= 5 V/rad.
Diseño de los controladores de velocidad y posición
Para diseñar el controlador de velocidad se selecciona, según recomendación de (Costa, 1989), la siguiente función de transferencia a lazo abierto GLAW(s) para determinar el controlador, se escoge Tu= 0.1 s con el objetivo de aumentar la rapidez de respuesta del sistema.
GLAW función de transferencia a lazo abierto deseada.
Kw ganancia del sensor de velocidad, Vs/rad.
Tu constante de tiempo deseada, s.
El controlador de velocidad, GCW(s), se obtiene igualando la función de transferencia a lazo abierto deseada con la real.
Sustituyendo la ec. (2) en la ec. (3) se obtiene:
(4)
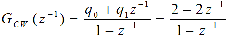
Como se observa, el controlador de velocidad es proporcional integral, con ganancia proporcional Pw= 2 y ganancia integral Iw= 0.2 1/s.
Para el diseño del controlador de posición el lazo interno, lazo de velocidad, se puede sustituir por la función de transferencia de lazo cerrado, GLCW(s), siguiente:
(5)
Se observa de la ec. (5) que el lazo interno se comporta como un sistema de primer orden donde la constante de tiempo es 100 veces menor que la del sistema original, de ahí que la respuesta transitoria de este lazo sea más corta.
Aplicando para buscar el controlador proporcional, P, de posición la misma técnica que para el lazo de velocidad, se supone que la función de transferencia a lazo abierto para la posición, GLAP(s), sea
GLAP(s)= (6)
El controlador de posición, GCposc(s), se obtiene igualando la función de transferencia a lazo abierto de la posición deseada con la real.
GCposc(s)= (7)
Sustituyendo la ec. (6) en la ec. (7) se obtiene
GCposc= (8)
Como se observa, el controlador de posición es proporcional.
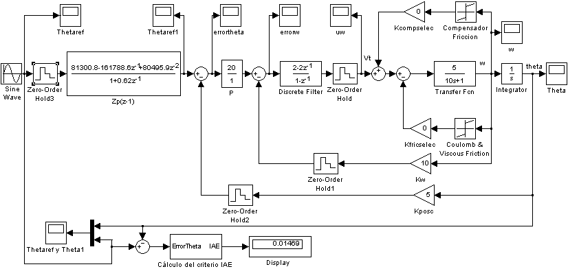
Con los controladores de velocidad y de posición determinados se puede construir el siguiente diagrama de bloque en MatLab, para realizar las simulaciones.

En este diagrama, Fig. 2, los bloques nombrados Kcompselec y CompensadorFriction, conforman el compensador de la fricción, se selecciona la ganancia del bloque Kcompselec igual a cero para deshabilitar al compensador. El bloque Kfricselec es para permitir en las simulaciones eliminar la fricción del sistema para comprobar el comportamiento de los lazos de control con los controladores lineales, luego a este bloque se le asignarán los valores 0 o 1. Se debe enfatizar que esto es sólo posible matemáticamente.
En la Fig. 2 se observa que se emplea un multiplexor para tener en el mismo visualizador (scope), denominado Thetaref y Theta, la señal de referencia y la salida del sistema.
Debe notarse que en la Fig. 2 existe un subsistema nombrado Cálculo del criterio IAE, integral del valor absoluto del error, el cual contiene los bloques de MatLab para calcular el valor de este índice de error y de esta forma evaluar cuantitativamente el desempeño del sistema de control. Con el bloque Display se puede visualizar el valor del índice IAE al final de la simulación.
La función de transferencia a lazo cerrado del sistema de control de la Fig. 2, es:
(9)
Para obtener el diagrama de Bode se realizaron los siguientes pasos en MatLab, (MatLab, 2014).
>> sist=tf(100,[1 10 100]);
>> bode(sist)
En la Fig. 3 se muestra el diagrama de Bode del sistema de control, en este se observa que para señal de referencia sinusoidal de frecuencia 0.1 rad/s, la magnitud es aproximadamente 0 dB y la fase es aproximadamente nula. Al aumentar la frecuencia a 1 rad/s la magnitud del sistema sigue siendo aproximadamente 0 dB pero existe un pequeño defasaje entre la entrada de referencia y la señal de salida. Para la frecuencia de 10 rad/s el defasaje entre la referencia y la salida del sistema es de 900, estando la segunda en atraso. Para la frecuencia de la señal de referencia de 20 rad/s, la ganancia del sistema es de -11.1 dB con un defasaje de -1460, por lo que el sistema atenúa la entrada y retrasa la salida. Esta discusión está en correspondencia con lo mostrado en la Fig. 5. y con los resultados de la Tabla I.

B. Diseño del Controlador de Error de Seguimiento de Fase Cero (ZEPTC) y discretización de los controladores de posición y velocidad
Para resolver el problema discutido en la sección anterior, que no es debido a la fricción del servomecanismo, se emplea el controlador ZPETC. (Syh-Shiuh, 2009)
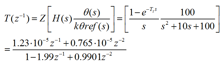
El diseño del controlador ZPETC se hará discreto, por lo cual hay que discretizar la función de transferencia a lazo cerrado, ec. (9).
Obteniendo la función de transferencia discreta T(z-1), aplicando la transformada z considerando un retenedor de orden cero H(s), (Ogata, 2010), y seleccionando un tiempo de muestro Ts= 0.001 s.
(10)Notar que se ha dividido la función de transferencia por k, ver Fig. 2, lo que permite eliminar este bloque de la entrada y cuyo valor es absorbido por el ZPETC.
Transformando T(z-1) para identificar los elementos que conforman el ZPETC según la ecuación dada en (Syh-Shiuh, 2009), por lo cual se divide el numerador y denominador de Importar imagen por el coeficiente del numerador que multiplica a z-1
(11)La función de transferencia anterior no tiene ceros inestables, luego no hay polinomio inaceptable, lo que implica que en la ecuación del ZPETC en (Syh-Shiuh, 2009) el filtro sea igual a 1 y los términos
(12)Sustituyendo los valores anteriores en la ecuación del ZPETC en (Syh-Shiuh, 2009), se obtiene la función de transferencia del ZPETC que se denominará Zp(z-1)
(13)A continuación, se discretizan los controladores de posición y de velocidad.
El controlador de posición discreto se mantiene análogo a la forma continua ya que éste es simplemente una ganancia.
GCposcd(z-1)=20 (14)
El controlador de velocidad discreto se obtiene relacionando sus parámetros Pw, Iw y el tiempo de muestro Ts= 0.001 s a través de las expresiones siguientes:
q0=Pw(1+IwT1)=2+0.2*0.0012 (15)
q1=Pw=-2 (16)
Con lo cual el controlador discreto de velocidad es:
(17)En la Fig. 4, se muestra el diagrama de bloques para el control de posición con el controlador ZPETC y los controladores de posición y de velocidad de tiempo discreto.

RESULTADOS
En la Fig. 5 a), b), c) y d) se observan en el visualizador Thetaref y Theta, los resultados de las simulaciones para cuatro señales sinusoidales de referencia de amplitud 1, fase inicial nula y frecuencias angulares de 0.1 rad/s, 1 rad/s, 10 rad/s y 20 rad/s respectivamente. Para estas simulaciones, como se desea ver la respuesta del sistema para los controladores calculados, se ajustó Kfricselec a 0.

En estas simulaciones se observa que a medida que aumenta la frecuencia de la señal sinusoidal de referencia manteniendo constante la amplitud y fase inicial de esta, la respuesta del sistema se desfasa y disminuye su amplitud, ver Fig. 5 desde a) a d), lo que demuestra que el sistema de control es un filtro pasabajo.
En la Tabla 1 se muestran los valores numéricos del criterio IAE, en ésta se observa que a medida que se incrementa la frecuencia de la señal de referencia se incrementa el valor numérico de este criterio indicando como se deteriora el seguimiento a la referencia.

La aparente mejora del criterio IAE, disminución de su valor para la frecuencia de 20 rad/s, se debe a la reducción de la amplitud de la salida del sistema.
En la Fig. 6 a), b), c) y d) se observan en el visualizador Thetaref y Theta, los resultados de las simulaciones para cuatro señales sinusoidales de referencia de amplitud 1, fase inicial nula y frecuencias angulares de 0.1 rad/s, 1 rad/s, 10 rad/s y 20 rad/s respectivamente. Para estas simulaciones, como se desea ver la respuesta del sistema con el ZPETC, se ajustó Kfricselec a 0.

En estas simulaciones se observa que la salida del sistema sigue a la señal sinusoidal de referencia independientemente de la frecuencia de ésta, aproximadamente el sistema con ZPETC posee ganancia unitaria y fase nula. Si además se comparan las Fig. 5 c) y d) con Fig. 6 c) y d) se aprecia que el ZPETC ha contribuido a disminuir el transitorio inicial de la respuesta del sistema.
En la Tabla 2 se muestran los valores numéricos del criterio IAE cuando se emplea el controlador ZPETC, en ésta se observa que a medida que se incrementa la frecuencia de la señal de referencia se incrementa el valor numérico de este criterio indicando como se deteriora ligeramente el seguimiento a la referencia, se menciona la palabra ligeramente pues el índice se mantiene menor que la unidad.

Si se comparan los valores numéricos del índice IAE de la Tabla 2 con el dado por la Tabla 1 para las correspondientes frecuencias de la señal de referencia, se observa que el empleo del ZPETC reduce grandemente el error de seguimiento. Lo anterior discutido, resultados gráficos y del criterio IAE, demuestran vía simulación la utilidad y validez del controlador ZPETC.
Concluido el diseño de los controladores de posición, de velocidad y ZPETC y verificado mediante simulación que con éstos se logra el comportamiento deseado del sistema, se procede a comprobar la respuesta del sistema al incluirle la fricción, cuya exclusión sólo es posible matemáticamente. Para añadir la fricción se cambia la ganancia del bloque Kfricselec de cero a uno, ver Fig. 4.
En la Fig. 7 a) y b) se observan en el visualizador Thetaref y Theta, unas ampliaciones de los resultados de las simulaciones del accionamiento con fricción para dos señales sinusoidales de referencia de amplitud 1, fase inicial nula y frecuencias angulares de 0.1 rad/s y 1 rad/s respectivamente, se emplearon estas frecuencias en las referencias por ser para estas el efecto de la fricción más grave.

De la Fig. 7 se observa que la mayor degradación que ocurre en el sistema de control introducido por la fricción es cuando la señal de referencia alcanza su valor mínimo, Fig. 7 a), o su valor máximo, Fig. 7 b), pues es para estos valores que la velocidad es nula.
En la Tabla 3 se muestran los valores numéricos del criterio IAE cuando en el sistema de control diseñado se considera la fricción, sólo es posible no considerar ésta matemáticamente. Es importante decir que en estas simulaciones el tiempo final de simulación será siempre 2 veces el período de la señal de referencia.

De la Tabla 3 se nota que a medida que se incrementa la frecuencia el efecto de la fricción sobre el sistema es menor, resultado esperado ya que al aumentar la frecuencia de la referencia el sistema electromecánico debe cambiar con mayor rapidez.
Para reducir el efecto negativo de la fricción sobre el servomecanismo se impone el uso del compensador no lineal de la fricción, NC por sus siglas en inglés. En este trabajo se emplea un modelo de la fricción similar al del sistema, esto se debe a que se han obtenido experimentalmente los parámetros fricción de Coulomb y viscosa aproximadamente igual a los reales.
Aplicando las consideraciones realizadas en (Syh-Shiuh, 2009; Bory, 2015) se ha ajustado la ganancia Kcompselec a 0.8 para hacer las simulaciones.
En la Fig. 8 a) y b) se observan en el visualizador Thetaref y Theta, unas ampliaciones de los resultados de las simulaciones del accionamiento con fricción para dos señales sinusoidales de referencia de amplitud 1, fase inicial nula y frecuencias angulares de 0.1 rad/s y 1 rad/s respectivamente, en las que se empleó el NC para compensar el efecto negativo introducido por la fricción.

Al comparar la Fig. 7 y la Fig. 8, notar que las ampliaciones realizadas muestran aproximadamente las mismas coordenadas, se observa la corrección introducida por el NC y por tanto en el mejoramiento en la exactitud del seguimiento a la sinusoide de referencia.
En la Tabla 4 se muestran los valores numéricos del criterio IAE cuando en el sistema de control diseñado se le adiciona el NC. Es importante recordar que en estas simulaciones el tiempo final de simulación será siempre 2 veces el período de la señal de referencia.

De la comparación de los valores numéricos del índice IAE dado por la Tabla 4 y la Tabla 3 para las respectivas frecuencias de la señal de referencia, se nota que el NC mejora el desempeño del sistema de control, reduce el error de seguimiento, sobre todo a menores valores de la frecuencia de la referencia, que es donde el efecto de la fricción es mayor, a la frecuencia de wr= 0.1 rad/s con el NC se reduce el criterio IAE aproximadamente en 4.46 veces y para wr= 10 rad/s con el NC se reduce el criterio IAE aproximadamente en 2.14 veces. Para una frecuencia de la referencia de wr= 20 rad/s el NC no posee utilidad según demuestran los resultados de las simulaciones.
CONCLUSIONES
El sistema de control diseñado empleando controlador proporcional integral de velocidad y proporcional de posición es un filtro pasabajo, y el seguimiento a la señal de referencia sinusoidal se deteriora con el incremento de la frecuencia de ésta.
Con el controlador de seguimiento de fase cero se logra mejorar la exactitud del seguimiento de la salida del sistema a la referencia, cuando se incrementa la frecuencia de la señal de referencia.
Con el compensador no lineal de la fricción se reduce el error de seguimiento en los instantes correspondientes a la inversión del giro, error de inversión, siendo de mayor utilidad a frecuencias menores de la señal de referencia.
El empleo del controlador de error de seguimiento de fase cero y del compensador no lineal de la fricción incrementa la exactitud del seguimiento de la salida del sistema a la referencia.
REFERENCIAS BIBLIOGRAFICAS
Ayuda del MatLab R2014a. 2014.
Bory Prevez, H., Chang Mumañ, F. (2015). Una actualización sobre la fricción, su compensación y métodos de control en sistemas electromecánicos.
Bory Prevez, H., Chang Mumañ, F. (2016). Diseño y evaluación de un Controlador de Error de Seguimiento de Fase Cero para un Sistema Electromecánico. II Convención Internacional de Ciencias Técnicas. Universidad de Oriente.
Charlie, A., Rida, T. (2012) High-speed cornering by CNC machines under prescribed bounds on axis accelerations and tool path contour error. Int J Adv Manuf Technol, 58, 327–338.
Costa, A., Bonne, F. (1989). Principios Fundamentales de Accionamiento Eléctrico. La Habana: Editorial Pueblo y Educación.
Espitia, H., Sierra, F. (2013). Diseño e implementación de controladores análogos para un seguidor solar. Visión Electrónica, No. 1.
Feng, H., Aun-Neow, P. (2012). Improving contouring accuracy by using generalized crosscoupled control. International Journal of Machine Tools & Manufacture, 63, 49–57.
González-Segura, F. (2015). Uso de matlab (rtw) para controles de motores de corriente directa [versión electrónica], Ciencias Holguín, 21(1). Disponible en: http://www.ciencias.holguin.cu/index.php/cienciasholguin/article/view/715/587. [consultado 15 /4/2015]
Li-Bing, Z., You-Peng, Y., Xue-Feng, Y. (2012). A control strategy with motion smoothness and machining precision for multi-axis coordinated motion CNC machine tools. Int J Adv Manuf Technol. DOI 10.1007/s00170-012-4019-1.
Ogata, K. (2010). Ingeniería de Control Moderna. España: Pearson Educación, S.A.
Robet, P., Gautier, M. (2014). Cascaded loops control of DC motor driven joint including an acceleration loop. 19th World Congress The International Federation of Automatic Control Cape Town, South Africa.
Smilgevičius, A., Rinkevičienė, R., Savickienė, Z. (2006). Operation of Electric Motor with Elastic Load, 6(70), 15-18.
Syh-Shiuh, Y., Zheng-Hong, T., Pau-Lo, H. (2009). Applications of integrated motion controllers for precise CNC machines. Int J Adv Manuf Technol, i 44, 906-920. DOI 10.1007/s00170-008-1919-1.
Szabat, K., Orłowska-Kowalska, T. (2008). Performance Improvement of Industrial Drives With Mechanical Elasticity Using Nonlinear Adaptive Kalman Filter. IEEE TRANSACTIONS ON INDUSTRIAL ELECTRONICS, 55, 1075-1084.
Notas de autor