Resumen: Se presenta una revisión de algunas técnicas desarrolladas para controlar procesos estables que incluyen retardos de tiempo. Estas técnicas son comparadas bajo las perspectivas de complejidad, comportamiento y estabilidad. La complejidad define la practicidad del método en estudio para una posible implementación industrial, el comportamiento define las capacidades de respuesta a cambios de consigna y perturbaciones, y la estabilidad está asociada con la robustez de dicho sistema cuando algunas incertidumbres o errores de modelado están presentes. Se presentan ejemplos de simulaciones para ilustrar las propiedades de sistemas estudiados.
Palabras clave:Retardos de tiempoRetardos de tiempo,compensadorcompensador,predictor de Smithpredictor de Smith.
Abstract: The present work shows control techniques for systems with time-delay. The controllers are compared considering complexity, behavior and stability. Complexity allows to determine how easily can be done on industrial implementation. The behavior focusses on the capacity of response against setpoint and disturbances changes. The stability is related with the system robustness when model uncertainty or errors are present. Finally, simulation examples are shown to illustrate the properties of the studied cases.
Keywords: Time delays, compensator, Smith predictor.
Comparación de diferentes estrategias de control para sistemas con retardo
A comparison of different control strategies for systems with delay

Recepción: 05 Febrero 2019
Aprobación: 20 Julio 2019
Retardos de tiempo o tiempos muertos (Dead Time, DT) entre las entradas y las salidas son fenómenos comunes en procesos industriales y en sistemas de ingeniería, económicos y biológicos. En control de procesos, retardo se refiere al tiempo que transcurre desde que se realiza un cambio en la señal de entrada hasta que su efecto es percibido en la variable de salida. Posibles fuentes de retardo en los sistemas de control pueden ser: i) El proceso envuelve el transporte de materiales o fluidos a través de distancias considerables; ii) El aparato de medida puede estar sujeto a largos retardos para suministrar la medición; iii) El elemento final de control puede necesitar de algún tiempo para desarrollar su acción. Los retardos frecuentemente se usan también para compensar reducciones del orden del modelo; en donde, sistemas de orden elevado se representan por sistemas de orden bajo más retardo.
Los retardos de tiempo hacen que exista una detección tardía del efecto de las perturbaciones sobre la variable de salida; por lo tanto, la acción de control puede ser inadecuada. La presencia de retardos en el lazo de control trae como consecuencias: i) La disminución de los márgenes de fase y ganancia del sistema, ii) Cuando se usan métodos clásicos de control es necesario realizar ajustes muy conservadores que producen respuestas muy lentas para garantizar la estabilidad del sistema en lazo cerrado. Por lo tanto, la obtención de un control satisfactorio es difícil de conseguir. (Normey-Rico 1999)
Cuando el retardo de tiempo es pequeño y el modelo de la planta sin retardo es de bajo orden, un ajuste adecuado del controlador clásico PID que se basa generalmente en la disminución de la ganancia proporcional arroja resultados aceptables (Normey-Rico 1999). Esta resintonización del controlador emerge como la solución más fácil, pero cuando el retardo del proceso es grande o dominante es necesaria la utilización de compensadores de tiempo muerto para obtener buenos resultados.
En 1957, O. J. Smith (Smith 1957) presentó un esquema de control para sistemas de una sola entrada y una sola salida (SISO); el cual, tiene el potencial de mejorar el lazo de control con tiempo muerto. Este esquema de control es conocido como el Predictor de Smith (Smith Predictor SP) o compensador de tiempo muerto (Dead-Time Compensator, DTC). Desde entonces diversos autores han escrito acerca de las propiedades y limitaciones del SP y han aparecido diversos DTCs que consisten en modificaciones de la estructura original del SP, con la finalidad de mejorar tanto las características de comportamiento ante perturbaciones y cambios de referencia, así como la robustez de los sistemas. En este sentido, se han propuesto DTCs con comportamiento robusto, DTCs con pocos parámetros de ajuste, DTCs para plantas inestables y plantas integradoras además de modificaciones para el caso multivariable y también en el dominio discreto (Normey-Rico 1999, Astrom y col., 1994, Hägglund 1996, Huang y col., 1990, Matausek y col., 1996, Micic 1996, Palmor 1996, Palmor y col., 1985, Watanabe y col., 1981, Zhang y col., 1996). Como se observa, este campo es muy extenso y en este trabajo se cubrirán solamente algunos casos, específicamente DTCs para plantas SISO estables.
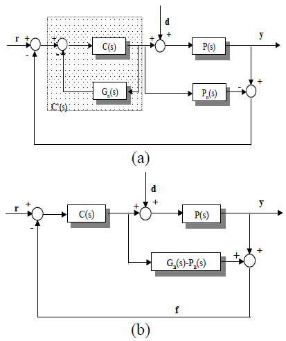
Ya se ha mencionado que el SP fue el primer esquema de control propuesto en la literatura que incluye un compensador de retardo y además es probablemente el sistema más conocido y utilizado en la práctica para resolver el control de los sistemas con retardo. En la figura 1a se puede apreciar la estructura del SP, los bloques C(s) y P(s) corresponden respectivamente al controlador primario y a la planta real con P(s) = G(s)e-Ls donde L es el retardo de tiempo. En esta estructura se realimenta la predicción de la salida del proceso calculada usando un modelo de la planta sin retardo Gn(s). Además, para compensar el efecto de las perturbaciones y corregir los efectos que produce el error de modelado, se realimenta también la diferencia entre la salida del proceso y la salida del modelo incluyendo el retardo estimado (Pn(s) = Gn(s)e-Lns).

Las relaciones en lazo cerrado del sistema entre la referencia r(s), perturbación d(s) y la salida y(s) cuando existe un modelado de la planta perfecto (Pn(s) = P(s)) son:
(1)
(2)Se puede apreciar que el retardo no aparece en la ecuación característica del sistema en el caso de modelado perfecto en cambio en el numerador de ambas relaciones el retardo aparece. Una revisión de las propiedades y limitaciones del SP puede encontrarse en (Normey-Rico 1999, Palmor 1996).
Una de sus limitaciones está relacionada con el rechazo de perturbaciones. Para mejorar dicha característica varios autores han propuesto modificaciones a la estructura original del SP. Para el caso de perturbaciones medibles, Palmor y Powers (Palmor y col., 1985) proponen una modificación simple que incluye un lazo de prealimentación. Esta modificación denominada feedforward SP (FF-SP) se puede apreciar en la figura 2 en su forma más simple.

La ventaja de este sistema puede ser mejor apreciada si se comparan las relaciones en lazo cerrado entre la señal de control u(s) y la perturbación d(s). En el caso del DTC convencional de la figura 1, esta relación viene dada por:
(3)La correspondiente relación para el esquema de control de la figura 2 es:
(4)Es evidente que el retardo de tiempo en la acción de control en el feedforward SP básico desaparece. Es importante resaltar que la figura 2 muestra la forma más simple del FF-SP. En (Palmor y col., 1985) pueden encontrarse otras configuraciones de este esquema de control.
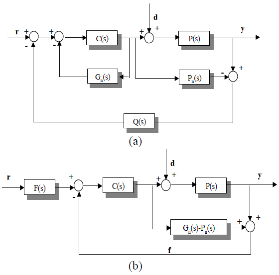
Huang et al (Huang y col., 1990) proponen una modificación con el mismo objetivo que el FF-SP, pero que puede ser usada también para perturbaciones no medibles. En la figura 3a se muestra esta configuración. La idea principal es calcular Q(s) como una aproximación de la inversa del retardo en bajas frecuencias, donde Q(s) está expresado como: (bo, b1, Lq, son parámetros de ajuste)

(5)El método de ajuste se puede encontrar en (Palmor, 1996), (Huang et al., 1990).
Para este esquema de control, la relación Hd(s) viene dada por:
(6)lo que indica que si Q(s) es adecuadamente ajustado, el retardo puede ser eliminado de la relación Hd(s).
Para desacoplar la respuesta a cambios de referencia de la respuesta a perturbaciones Normey-Rico y Camacho (Normey-Rico 1999) propusieron un DTC con un filtro de referencia que genera un SP con dos grados de libertad. En este esquema, mostrado en la figura 3b, el filtro F(s) es diseñado para mejorar la respuesta a cambios de referencia, mientras que C(s) se diseña para regular el rechazo a perturbaciones. En (Normey-Rico 1999), F(s) se propone como:
(7)Se utiliza un controlador primario PI en donde el tiempo de integración se iguala a la constante de tiempo del sistema de primer orden P(s) = Kp e-Ls / (τs + 1), es decir τi=τ , y la constante de tiempo de lazo cerrado To viene dada por:
(8)Generalmente Kc y T1 se utilizan como parámetros de ajuste manual.
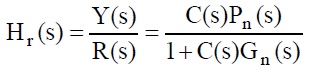
Zhang et al (Normey-Rico 1999) propusieron una estructura que tiene por objetivo desacoplar la respuesta del sistema al rechazo a perturbaciones y a cambios de referencia para plantas estables. En la figura 4 se puede apreciar este sistema.
Los bloques C(s) y M(s) se escogen como se indica en las ecuaciones 9 y 10, respectivamente (Normey-Rico, 1999).
(9)
(10)T1 se utiliza para ajustar la respuesta a cambios de referencia y To para el rechazo de perturbaciones y robustez. En (Normey-Rico 1999) se proponen ajustes de los sistemas de control expuestos en las figuras 3(b) y 4.
Dependiendo del ajuste de estas estrategias los resultados obtenidos pueden ser exactamente los mismos, diferenciándose en la elección de los parámetros de ajuste y en la estructura y complejidad de los bloques implementados. El problema en estos esquemas es que los autores llegan a necesitar hasta cinco parámetros de ajuste, lo que indica una desventaja a la hora de su implementación en la industria.
Pensando en este problema, Hägglund (Hägglund 1996) propone un ajuste simplificado del SP original, utilizando un PI como controlador primario. En este caso la ganancia del controlador se toma como la inversa de la ganancia del proceso (Kc = 1/Kp) y el tiempo integral igual a la constante de tiempo del modelo (τi = τ). Este controlador denominado PPI (Predictive PI) tiene solamente tres parámetros de ajuste, similar a un PID clásico y puede ser utilizado para controlar plantas con grandes retardos. El problema de esta estrategia de control es que no toma en cuenta los problemas de robustez en lazo cerrado, por lo tanto, puede hacerse inestable si existen errores de modelado.
Normey-Rico (Normey-Rico 1999) utiliza la estructura filtrada del SP de la figura 3(a) para mejorar la robustez del PPI. Esta estructura utiliza un filtro pasa bajos
y utiliza el mismo controlador primario que el PPI por lo que es denominada FPPI (Filtered PPI).
La constante del filtro τf se ajusta al valor L/2, y se mantienen tres parámetros de ajuste. El diagrama de bloques puede simplificarse al de la figura 5.

A continuación, se presentan ejemplos que ilustran las propiedades de las distintas estrategias de control en estudio. Se realizan comparaciones del comportamiento de los sistemas ante cambios de referencia, perturbaciones y errores de modelado. El análisis se realiza mediante métodos cuantitativos, utilizando el criterio del error cuadrático integral (Integral of Squared Error, ISE), y cualitativamente mediante la observación del comportamiento según los gráficos de las simulaciones.
Se estudian dos estrategias de control, el FF-SP y el DTC de Huang et al. La planta se representa por una función de transferencia de primer orden con retardo (ecuación 11) y el controlador primario PI para ambas estrategias es el mismo.
(11)Se tienen dos casos para los cuales el retardo L toma los valores L=1 y L=2 respectivamente asumiendo modelado perfecto. Los parámetros de ajuste para el controlador PI de ambas estrategias y los parámetros del filtro Q(s) se obtienen según (Palmor 1996, Huang y col., 1990) y se muestran en las Tablas 1 y 2.


Las respuestas obtenidas para ambos casos usando las estrategias indicadas se muestran en las figuras 6 y 7.


En ambos casos se aprecian las mejoras introducidas por los DTCs propuestos. Claramente se observa que el FF-SP presenta el mejor comportamiento, (ver Tabla 3 para verificar el índice ISE para los tres sistemas); sin embargo, hay que recordar que este esquema solamente puede ser implementado cuando la perturbación es medible.

En el DTC de Huang (Huang y col.,1990), las mejoras introducidas disminuyen a medida que el retardo aumenta, lo cual indica que su implementación no se justifica en caso de retardos dominantes. La principal ventaja sobre la estrategia de Palmor y Powers es que puede trabajar con perturbaciones no medibles.
Para verificar la robustez de los sistemas se varía el retardo del modelo en un 30 % para el caso L=1 (Ln=1,3) y se perturba con un escalón unitario. Los resultados de la simulación se muestran en la figura 8 y el índice ISE en la tabla 3.

Se aprecia en la figura 8, que el sistema regulado por el DTC de Huang et al se vuelve inestable ante este error de modelado; en cambio, los otros dos sistemas a pesar de presentar oscilaciones regresan al valor establecido y nuevamente el FF-SP presenta el mejor comportamiento.
Para verificar las mejoras introducidas por el DTC con filtro de referencia de la figura 3b, se implementa el mismo sistema del caso anterior, pero con un retardo L=3. El filtro F(s) corresponde a la ecuación 7 con To=1, los valores de los parámetros del controlador son: Kc=1, τi=1, ecuaciones 7 y 8. En la figura 9(a) se aprecian las respuestas del sistema variando el valor de la constante del filtro T1. La figura 9(b) corresponde a la respuesta ante un error de modelado en el retardo, en donde Ln=3,5.

Según la figura 9(a) son evidentes las mejoras del comportamiento ante cambios de referencia del DTC propuesto por Normey-Rico con un filtro de referencia. Se comprueba que a medida que disminuye el valor de la constante del filtro T1, el sistema es más rápido; pero, la estabilidad de robustez se ve afectada, figura 9(b). Esto indica que existe un compromiso entre el desempeño y la robustez de los sistemas.
Se estudian los DTCs propuestos por Hagglund (PPI) y Normey-Rico (FPPI). El sistema en estudio viene dado por:
(12)Los parámetros del controlador para ambas estrategias son: Kc=1, τi=1,5. En la figura 10 se comparan las respuestas del SP original con el PPI ante cambios de referencia y perturbaciones

En ambos casos el ajuste propuesto por Hagglund, proporciona mejoras en las respuestas con respecto al SP original (ver Tabla 4). Sin embargo, su estabilidad robusta es pobre, como se verifica en la figura 13. Allí se compara con el sistema regulado por el FPPI cuando se presenta un error de modelado de 30 % en el retardo (Ln=13). La estabilidad robusta es la principal ventaja del FPPI sobre el PPI, ya que como se observa en las figuras 11 y 12, y en la Tabla 4, su comportamiento de rechazo a perturbaciones es inferior, y para el caso de cambios de referencia presenta las mismas prestaciones.




Las modificaciones introducidas al SP original permiten mejorar el comportamiento del sistema ante posibles cambios de referencia y perturbaciones, además de su robustez. En el caso de rechazo de perturbaciones, la modificación propuesta por Palmor y Powers representa una excelente opción siempre y cuando dicha perturbación sea medible; por su parte, la modificación propuesta por Huang y coautores presenta un ajuste complicado y pierde efectividad cuando el retardo se hace mayor. El DTC con filtro de referencia propuesto por Normey-Rico y Camacho mejora el comportamiento ante cambios de referencia, aunque su ajuste se considera complicado por el manejo de muchos parámetros. El PPI de Hagglund representa una solución para la simplificación del ajuste y mejora el comportamiento del sistema ante cambios de referencia y perturbaciones. Su gran desventaja es que presenta una estabilidad robusta pobre. El FPPI de Normey-Rico mantiene la simplicidad del PPI y mejora la estabilidad robusta. Es importante destacar que en todos los casos existe un compromiso entre la robustez y el comportamiento del sistema.















