Abstract : Pneumatic systems have many advantages, such as simplicity, reliability, low-cost, long life, etc. making them attractive for rapid development and widespread application, but the complexity of the airflow through the valve port and the friction between the cylinder and piston make it difficult to establish an exact mathematical model and to control the pneumatic system withhighprecision. Experiments were conducted with a 25 mm bore rod-less pneumatic cylinder and a 5/3 way proportional control valve. In this contribution, I propose a nonlinear robust tracking control strategy to solve the tracking problem of the servo pneumatic positioning system. The approach is novel in the sense that it takes into account the nonlinearities inherent to pneumatic servo positioning systems and considers position, velocity and pressure differences in the chambers of the pneumatic cylinder as feedback states. The suggested control strategy is implemented in simulation and on the real system. Experimental results from an implementation on a test ring show a high position tracking control performance.
Keywords: 5/3-way proportional directional control valves5/3-way proportional directional control valves,LuGre friction modelLuGre friction model,nonlinear systemsnonlinear systems,pneumatic servo positioning systempneumatic servo positioning system,tracking control designtracking control design,tracking errortracking error.
Resumen: Los sistemas neumáticos tienen varias ventajas que permitieron su rápido desarrollo y uso generalizado, tales como: simplicidad, confiabilidad, bajo costo, larga vida etc. Sin embargo, la complejidad del flujo de aire a través de los orificios de la válvula y la naturaleza de la fuerza de fricción entre las paredes del cilindro y el pistón, dificultan la obtención de modelos matemáticos exactos y el control de los sistemas neumáticos con alta precisión. Experimentos fueron llevados a cabo con un cilindro sin vástago de 25 mm de diámetro y una válvula de control proporcional de 5 puertos -3 vías. En este artículo, proponemos una estrategia de control de posicionamiento robusta para solucionar el problema de un sistema de servo posicionamiento neumático. El enfoque es novedoso en el sentido de que tiene en cuenta las no linealidades inherentes a los sistemas de servo posicionamiento neumático y considera posición, velocidad y diferencia de presiones en las cámaras del cilindro neumático como estados de retroalimentación. La estrategia de control propuesta es implementada en simulación y sobre el sistema real. Los resultados experimentales de la implementación de la estrategia en el sistema de servo-posicionamiento neumático muestran un alto desempeño en el control de seguimiento de posición.
Palabras claves: diseño de control de seguimiento, error de seguimiento, modelo de fricción de LuGre, sistemas neumáticos, válvulas proporcionales 5/3 de control direccional.
Artículos originales
Design of a tracking controller of a siso system of pneumatic servopositioning
Diseño de un controlador de seguimiento para un sistema siso de servoposicionamiento neumático
Received: 19 March 2016
Accepted: 10 September 2017
Pneumatic systems have several characteristics, including being non-polluting, fireproof, explosion-proof, of low electromagnetic interference, low cost, high power to weight ratio and simple maintenance. Consequently, they are widely used in many fields, such as automation, robotics and manufacturing [1]. Due to their special attributes, pneumatic actuators have become alternate actuators in automated material handling tasks. Pneumatic technology exhibits many advantages like high speed, high force generation, better efficiency, less maintenance and low operating costs. However, their relatively poor accuracy keeps them from competing with electro-mechanical, hydraulic and magnetic systems when higher accuracy is needed [2].
Furthermore, pneumatic actuators offer the capability in providing large maximum forces for longer periods, compared to electrical actuators. Electrical actuators contribute to overheating caused by thermal expansion for longer periods of time, leading to increasing performance error and evidencing that hydraulic actuators need an external water supply source to run a hydraulic system, while no external source is required for a pneumatic actuator to run a pneumatic system. This leads to the cost- effectiveness of pneumatic actuators, compared to hydraulic actuators [3], but the compressibility of air makes the pneumatic systems lack stiffness, the complexity of airflow through the valve port makes pneumatic systems difficult to be modeled, and the friction force keeps pneumatic systems from obtaining high tracking precision. These factors limit the field of application of pneumatic systems, despite their many merits. Recently, with the development of technology, the pneumatic components have been improved. Moreover, with the development of microelectronic technology, high-speed micro-controllers allow to use the sophisticated control theory in pneumatic systems to achieve better performance [4].
Other nonlinearities in pneumatic servo systems are the valve dead zone, saturation, limited bandwidth, air flow-pressure relationship through the valve orifice and friction effects between contact surfaces in actuator seals; especially those near zero speed [5], [6] are unfavorable in the design of strategies to control pneumatic servo positioning systems in high precision applications [7].Until a few decades ago, electric servo drivesystems dominated continuous position monitoring. Recently, this trend changed due to computational progress and the non-linear control theory, which has been used in the description of non-linear dynamics based on techniques of feedback linearization of pneumatic systems [8]. Some other difficulties in the control of pneumatic servo systems include the presence of unknown disturbances from leaks in the valves, load variables over time, temperature variations and wear during their useful life. In addition, uncertainties in determining the system´s parameters make the design of controllers a more difficult problem. To address some of these problems, several advanced control algorithms have been proposed [9].
Pneumatic position control research has grown significantly since 2000. Many approaches have been investigated and developed in an attempt to overcome difficulties in pneumatic actuators [10]. Some classical control approaches were investigated, such as Proportional-Integral-Derivative (PID) controllers by [11], [12]. Besides, reports exist on advanced control, such as Sliding Mode Controller (SMC) [13], [14], adaptive controller [15] and a combination of controllers [16], [17].
Several researchers have investigated the use of SMC. As an example, a Multiple Surface Sliding Controller (MSSC) was proposed in 2008 [14]. The proposed control algorithm performed by closed-loop was based on Lyapunov’s stability method. The benefits of this controller include that, regardless of the uncertainties and time-varying payload, the system is good in tracking performance. However, the controller using SMC caused a chattering effect. An improvement to reduce the chattering phenomenon on the switching control signal was conducted with a high- order SMC with robust differentiator, presented in 2008 [18]. The controller used third-order SMC based on optimal linear quadratic control by using acceleration feedback. Acceleration was using a differentiator via second-order SMC. Moreover, to reduce the chattering effect, a Chattering-free Robust Variable structure Controller (CRVC) was reported for position control [19]. The CRVC was designed by combining the conventional SMC with the contriving feedback gain function. Experimental and simulation results show that the advantages of conventional SMC are retained while the contriving feedback gain function reduced the chattering effect.
In 2009, the friction force at the seals based on the LuGre model was taken into account for adaptive friction compensation [2]. The proposed controller consists of two back-stepping control loops in cascade: (i) underlying control loop and (ii) outer control loop. The underlying control loop controlled the internal pressure of the cylinder´s left and right chambers. For the outer loop, the carriage position and the mean pressure of the two chambers were treated as a control variable. Static friction was compensated in feed-forward manner. The remaining uncertainties were compensated by the LuGre observer, whose parameters were estimated by adaptive back-stepping control. Back-stepping was designed based on Lyapunov´s stability theory. Results demonstrate that the maximum steady-state position error is below 1 mm and the maximum pressure error is below 0,2 bar.
A feedback linearization and SMC control strategies for a pneumatic servo positioning systemwere proposed in [20]. The performance of the proposed controllers was compared with a PID controller. From the results, it was possible to verify that the dynamic performance of the nonlinear controllers is better than the performance of the PID controller with dead zone compensation. However, experimental results do not agree with simulation results, perhaps due to instability of the observer for the variable z in the controller implementation.
As noted, although many papers cover control of pneumatic servo positioning systems, the most common controllers found in literature use position, velocity and acceleration (PVA) as feedback states. Moreover, to the best of the author’s knowledge, the pressure difference in the chambers of the pneumatic cylinder, unlike the acceleration as feedback state, has not yet been investigated in the context of pneumatic actuators.
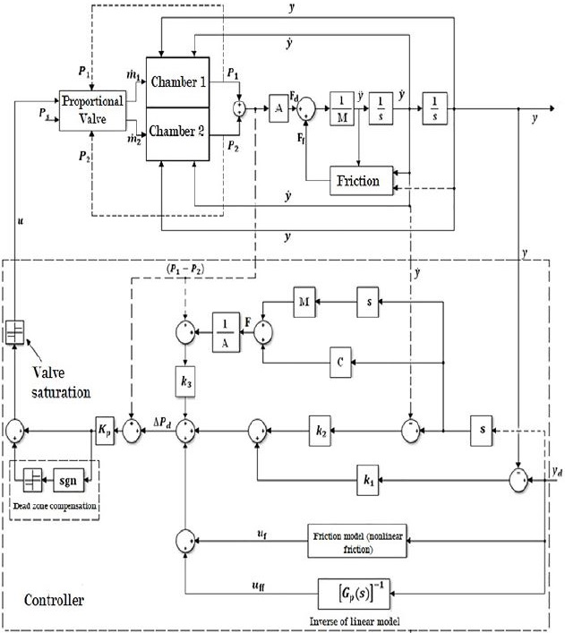
This paper describes a nonlinear robust tracking control strategy and its on-line implementation for servo-controlled pneumatic systems. The control strategy consists of two parts: (i) Proportional controller (inner loop) for the measured pressure difference in the chambers of the pneumatic cylinder, i.e. embedded measured pressure difference feedback loop, with a dc proportional valve´s dead zone compensation. This embedded loop will cope with the nonlinearities of the proportional valve. (ii) Independent feedback and feedforward: feedback of the difference between the desired and actual state vector (position, velocity, pressure difference) which compensates for modelling errors and disturbances, and feedforward as a prefilter of the reference trajectory as well as feedforward of the modelled nonlinear friction, which aims at tracking a desired state vector or a desired trajectory.
The paper is organized as follows; the experimental set-up description and the methodology used is this contribution is given in section 2. The mathematical model used for the pneumatic system, a detailed design procedure of the proposed tracking control strategy, a comparison between measured and simulated results of the proposed control strategy with some comments and statements are given in section 3. Finally, the last section summarizes the article.
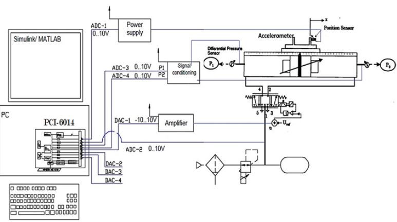
A schematic representation of the test set up is shown in Figure 1. It consists of a 5-port proportional valve (FESTO, MPYE- 5-1/8 HF-010B) and a rod-less pneumatic cylinder (FESTO, DGCI-25-1250-KF-YSR). Upstream airflow from the air tank (supply) to the cylinder´s chambers is governed in magnitude and direction by the position of the valve’s spool, which is actuated by an electromagnetic actuator (a solenoid). The electromechanical part of the servo valve is controlled by a feedback system with a bandwidth close to 70 Hz so that, in this frequency range, the position of the spool is approximately proportional to the input signal.

The rod-less cylinder is used for space-saving pneumatic positioning. The integrated positioning measuring system is the magnetostrictive digital output position sensor (FESTO, CANBUS) with 50μm resolution.
The internal slide (piston) moves backwards and forwards in the cylinder by means of dry air applied to each side using the 5/3-way proportional directional control valve. The transfer of movement to the outer slide is accomplished via a fixed coupling. To measure the pressure inside or at the inlet of the cylinder’s chambers, two compressed air connections have been adapted and differential pressure sensors were installed to measure the pressure difference between the cylinder´s chambers, which is proportional to the driving force. The velocity can be obtained from the integrative of acceleration.
The acquisition and control system used is a NI DAQ PCI 6014 from National Instruments. It is an electronic board specially designed for digital control development and data acquisition. It is composed of 16 analog inputs (ADCs) and two analog outputs (DACs). A computer is used to provide the driving input voltage to the valve by means of a D/A converter and read the transducers by means of A/D converters.
The proposed control strategy for solving the tracking (servo) problem of the considered pneumatic servo positioning systemwill be implemented on the actual pneumatic servo positioning system and on its global simulation model. The control input for both systems consists of the feedforward as a prefilter of the reference position trajectory Uff and the feedforward of the modelled nonlinear friction behavior Uf. Feedforward aims at tracking the desired state vector or the desired trajectory yd and feedback of the difference between the desired and actual state vector, which compensates for modelling errors and disturbances. In section 3, I will discuss the influence offeedforward signal Uff nonlinear friction, feedforward Uf andother control parameters on the tracking error.
The influence of feedforward signal Uff on the tracking error for the global simulation model of the pneumatic servo positioning system is analyzed for a parabolic acceleration profile. The simulation results show that the influence of the feedforward signal Uff on the tracking error is small. This means that feedforward of the nonlinear friction Uf has more influence on the tracking error than the feedforward signal Uff because the inertia force (sliding mass equal 2,86 kg) is small in comparison with the friction force. In fact, at low velocity and low acceleration, the feedforward signal Uff does not have asignificant influence on the tracking error of the global simulation model and the actual pneumatic servo positioning system.
Having studied the influence of the feedforward signal Uff on the tracking error for both the global simulation model and the actual pneumatic servo positioning system, the feedforward signal Uff will be switched off and the influence of the feedforward signal Ufwill be implemented in the proposed tracking control strategy in this contribution.
The pneumatic actuator can be modeled from theoretical mathematical analysis orsystem identification. Most researchers used theoretical mathematical analyses to model the pneumatic actuator, which requires a combination of thermodynamics, fluid dynamics and motion dynamics. To construct a mathematical model, three major considerations must be involved: i) the mass flow rates through the orifices of the valve, ii) the pressure, volume and temperature of the air in the cylinder, iii) the load dynamics. Accurate modelling of the pneumatic actuator is an important condition for control design and operation optimization [21].
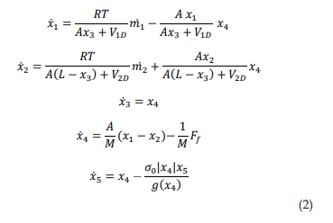
A detailed mathematical model of dual-action pneumatic actuators controlled with proportional spool valves was developed by [5], [22]. Effects of nonlinear flow through the valve, air compressibility in cylinder chambers and inactive volume due to pneumatic lines were considered. Therefore, the detailed modelling procedure is not included in this paper. This mathematical model will be used to develop high-performance nonlinear force controllers. In this section, I present a global simulation model of the pneumatic servo positioning system considered, developed and validated in [23]. The overall model of the pneumatic servo positioning system consists of three main blocks: (i) the drive (servo valve); (ii) the actuator (rod-less pneumatic cylinder) and (iii) the pneumatic actuator slider. To describe the dynamics of the servo system in the form of state-space model, the model should be reformulated by a set of nonlinear differential equations that describe unique relationships among the input, output, and states of the system. The most appropriate representation is the state equation for an autonomous dynamic system defined by Eq. (1).

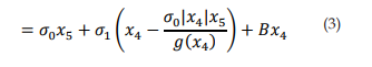
Where x є ℝn is the states vector in time, t, u є ℝn is the input vector and f: ℝn → ℝn is the field vector. Given that the field vector does not depend explicitly on time, the initial time is always taken as t0 = 0. Therefore, with x1= P1, x2 = P2, x3 = y, x4 = v, xs = Z, the system´s mathematical model is defined by Eqs. (2), (3), (4).



Where
R: is the universal gas constant
T: is the temperatura
M: is the total sliding mass
F: is the total applied force
A: is the piston effective area
P1: is the pressure dynamic in chamber 1
P2: is the pressure dynamic in chamber 2
V1D: is the constant dead volume
V2D: is the constant dead volume
Aeff is the cross-sectional area of the feeding tuve
ψ is the flow factor (pressure ratio)
ṁ1: is the mass flow entering and leaving chamber 1
ṁ2: is the mass flow entering and leaving chamber 2
σo: is the stiffness coefficient of the microscopic deformation of z
σ1: is the damping coefficient associated with dz/dt
σ2: is the viscous friction coefficient (=B)
y: is the piston position
z: is the average deflection of the asperities between surfaces
The values of all constants are found in [23].
In [24], I presented a new control strategy to regulate the pneumatic servo positioning system considered. Now, I turn our attention to the solution of the tracking or servo problem of the pneumatic servo system considered. A new control strategy is proposed to cope with the nonlinear air-flow through the orifices of the considered 5/3-way proportional directional control valve and the nonlinear friction. The control strategy consists of two parts:
(i) Proportional controller (inner loop) for the measured pressure difference in the pneumatic cylinder chambers, i.e. embedded measured pressure difference feedback loop, with a dc proportional valve dead zone compensation. This embedded loop will cope with the nonlinearities of the proportional valve.
(ii) Independent feedback and feedforward: feedback of the difference between the desired and actual state vector (position, velocity, pressure difference) which compensates for modelling errors and disturbances, and feedforward as a pre-filter of the reference trajectory as well as feedforward of the modelled nonlinear friction that aims to track a desired state vector or a desired trajectory.
The feedforward will be implemented as a prefilter of the reference position trajectory. The pre-filter design depends on the feedback design if it is based on the closed loop systemmodel because the feedback gains influence the closed-loop system model. The design of independent feedback and feedforward controllers is possible if the pre-filter design is based on the loop inverse system model.
In [24], a linear time-invariant state space, model has been derived for the pneumatic servo positioning system considered. It can be represented by Eqs. (5), (6).


Where x is (3x1) the state vector, u is the control input, y is the system out- put A, B and C are constant nonzero matrices with appropriate dimensions.
The trajectory tracking problem consists of calculating a feedforward signal which results in an exact correspondence between the output, y and the desired trajectory. Perfect tracking yields that the system output, y, is equal to the desired trajectory, yd. The feed-forward input through input uff that accomplishes this relates yd through the system model and the corresponding state vector xd by Eqs. (7), (8).


Let:

Where xe is the error state vector, e is the tracking error and ue is the input for the error system. Subtracting Eq. (5) from Eq. (7) and Eq. (6) from Eq.(8) yields Eqs. (9), (10).


The error system, Eq. (9) and Eq. (10), is characterized by the same state space matrices, A,B and C, and relates the error state vector, the tracking error and the input of the error system. The feedback control law, used to yield its appropriate dynamic behavior, is given by Eq. (11).

With K being the feedback gain matrix obtained by using the pole placement method.
So, xe (t)→ ∞ as corresponds to x→ xd as x→ ∞ and, hence, y→ yd as t→ ∞. This controller is often referred to as a regulation controller. The control law, Eq. (11), stabilizes the error system, Eq. (9) and Eq. (10), because the control law u = -Kx stabilizes the original system, Eq. (5) and Eq. (6). The control input for the original system, is given by Eqs. (12), (13):


The feedforward signal, uff is calculated as follows:
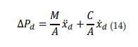
a. Generate a desired position trajectory, yd (k) for all the time steps, k. Find its first derivate,
, and second derivative, ӱd. Insert them into the following equation to yields Eq. (14).

b. Generate a desired position trajectory, yd (k +1) for all the time steps, k+1. This can be done simply by removing the first sample from yd (k) and adding an extra sample at its end. Find its first derivative,
, and second derivative, ӱd (k +1). Insert them into Eq. (14) which yields ∆Pd(k+1).
c. Convert the continuous time state-space system (A, B, C) to discrete time state-space system (Ad, Bd, Cd).
d. Insert ∆Pd (k +1) and Pd (k) in the discrete time state-space system and solve for uff yields Eq. (15).

Where: α33 is the third element of the third row of matrix Ad and b3 is the third element of matrix Bd.
The influence of the feedforward signal, uff , on the tracking error is analyzed through simulation. The simulation model considered is the linear model, Eq. (5) and Eq. (6), of the pneumatic servo positioning system. The desired position corresponds to a parabolic acceleration profile given by Eq. (16).

Simulation resultsshowthatthe influence of the feed forward signal, uff , onthe tracking error is small. This means that the feedforward signal of the nonlinear friction, uf , has more influence on the tracking error than the feedforward signal uff because the inertia force is small in comparison to the friction force; for this reason, I decided to only implement the uf signal on both: the global simulation model and the real servo positioning system.
The proposed control strategy to solve the tracking (servo) problem of the pneumatic servo positioning system considered will be implemented on the actual pneumatic servo positioning system and on its global simulation model. The control input u for both systems (actual pneumatic servo positioning system and its global simulation model) consists of the feedforward signal of the modelled nonlinear friction behavior uf. Feedforward aims at tracking the desired state vector xd or the desired trajectory yd and feedback of the difference between the desired and actual state vector which compensates for modelling errors and disturbances.
Figure 2 shows a detailed block diagram of the global simulation model of the pneumatic servo positioning system and the proposed tracking controller. Figures 3 and 4 show the simulated and measured results respectively, for the control strategy proposed.



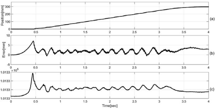
The measured velocity is about zero for the first 480 milliseconds. During this period, the pressure difference measured in the chambers of the pneumaticcylinder is proportional to the pre-sliding friction. When gross sliding occurs, the pressure differencemeasured is proportional to the gross sliding friction. For this reason, the pressure difference measured is about equal and proportional to the friction force. The resulting maximum tracking error for the carriage position during the acceleration and deceleration intervals is about 2 mm, and the maximum steady-state error is smaller than 1 millimeter. These results agree with previous findings ([25], [26]) where the same trajectory was used with other control strategy and higher tracking error. In [26], they developed a nonlinear robust tracking control strategy using input-output linearization. The control strategy is then implemented in a PC based control hardware platform with 1ms sample interval. Their experimental findingsshoweda resulting maximum tracking error ofabout 5 mm, so the best performances are obtained using the tracking control strategy implemented in this contribution in terms of position tracking.
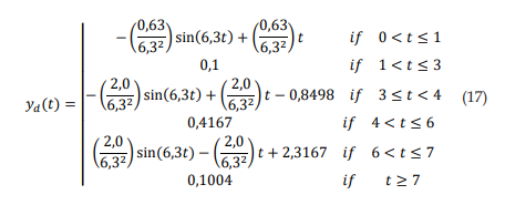
With the aim of prove the effectiveness of the proposed tracking control strategy, another desired position corresponds to a cycloidal trajectory given by Eq. (17) was tested.

Figures 5 and 6 show the results of the control strategy proposed, for the global simulation model and the real servo positioning system, respectively. As before, the velocity measured is about zero for the first 300 milliseconds. During this period, the pressure difference measured in the chambers of the pneumatic cylinder is proportional to the pre-sliding friction. When gross slidingoccurs, the pressure differencemeasured is proportional to the gross sliding friction. For this reason, the pressure difference is proportional to the friction force. Similar results were obtained in [20] for the same trajectory and higher tracking error, but with a feedback linearization and sliding model control (SMC) strategies. However, his experimental results do not agree with simulation results perhaps due to instability of the observer for the variable z, in the controller implementation.


In conclusion, at low velocity and low acceleration, the feedforward signal uff has no significant influence on the tracking error of the global simulation model and on the actual pneumatic servo positioning system. It is proportional to the inertia force (sliding mass equal to 2,86 kg) plus the friction force. Under these conditions, the feedforward of the nonlinear friction uf has much higher influence on the tracking error than that of the feedforward signal uff .
Figures 7 and 8 show the simulated and measured results for the slider position for the parabolic acceleration profile and cycloidal trajectory respectively. As noted, predictions by the model using the parameters established in previous studies, [24] agreed well with the data measured, i.e., the simulation study indicates that the tracking controller can drive the pneumatic actuators to follow a desired profile within the accuracy required. In other words, the results show that performance of the developed control strategy is very close to actual system behavior and the error in piston position is very low. The resulting mean square tracking error for the carriage position during the acceleration and deceleration intervals for parabolic and cycloidal profiles was about 2 mm and 6 mm respectively. The tracking error is due to either the hysteretic behavior of the friction, i.e., the friction force value is higher at increasing velocities than at decreasing velocities, or to an underestimation of the actual friction model. The results show that performance of the developed control strategy is very close to actual system behavior, and the error in piston position is very low. Finally, to the best of the author’s knowledge, the pressure difference in the chambers of the pneumatic cylinder as feedback state has not yet been investigated in the context of tracking control of pneumatic actuators.


In this contribution, a nonlinear robust tracking control strategy to solve the tracking problem of the servo pneumatic positioning system was developed to control the pneumatic cylinder to track the time-variant reference input. The control strategy consists of two parts:
The controlled experiments are performed to show that tracking precision of the method proposed is higher than the popular PVA controller and another control strategies recently reported in the literature. The main advantage of the method proposed in the paper is that it has a clear theoretical guidance at the initial stage of controller design and leads to a simpler tracking control strategy.
I would like to express my gratitude to the Universidad del Quindío and its president of the research office for the support given to the research project CI 695.







