Resumen: Las asignaturas de Circuitos Eléctricos constituyen la base fundamental para la formación de los ingenieros electricistas, dentro de las habilidades a desarrollar en esas asignaturas se encuentra el análisis de los diagramas fasoriales de los circuitos eléctricos, aspecto importante para el ingeniero en formación ya que, en la práctica es necesario conocer la relación que existe entre la tensión y la corriente en el plano complejo de un determinado circuito. Por otra parte, GeoGebra es un software libre interactivo de matemáticas que permite la representación gráfica y el tratamiento algebraico de funciones. Es por ello que el objetivo del artículo es proponer una metodología analítica y mediante la simulación con el software GeoGebra para el análisis de los diagramas fasoriales que ayude a mejorar el proceso de enseñanza - aprendizaje de las asignaturas de Circuitos Eléctricos para los estudiantes de 2do año.
Palabras clave: Circuitos eléctricos, diagrama fasorial, GeoGebra, proceso de enseñanza-aprendizaje, TIC, TAC, TEP.
Abstract: The Electrical Circuits subjects constitute the fundamental basis for the training of electrical engineers, within the skills to be developed in these subjects is the analysis of the phasor diagrams of electrical circuits, an important aspect for the trainee engineer since, in practice, it is necessary to know the relationship between voltage and current in the complex plane of a given circuit. On the other hand, GeoGebra is a free interactive mathematics software that allows the graphical representation and algebraic treatment of functions. That is why the objective of the article is to propose an analytical methodology and through simulation with the GeoGebra software for the analysis of phasor diagrams that helps to improve the teaching-learning process of Electrical Circuits subjects for 2nd year students.
Keywords: Electrical circuits, phasor diagram, GeoGebra, teaching-learning process, ICT, LKT, TEP.
Artículo de innovación tecnológica
Empleo del GeoGebra en el análisis fasorial de los Circuitos Eléctricos
Use of GeoGebra in the phasor analysis of Electric Circuits
Recepción: 13 Agosto 2023
Aprobación: 20 Noviembre 2023
En la actualidad, es indiscutible el rol mediador que han ocupado las Tecnologías de las Información y las Comunicaciones (TIC) en las relaciones profesor - contenido - estudiante y por ende al mejoramiento del proceso de enseñanza - aprendizaje. En correspondencia, en la referencia [1], se plantea que en la actualidad existe una rápida obsolescencia del conocimiento caracterizada por el avance vertiginoso de la tecnología entre otros factores, por lo que la importancia de que el estudiante aprenda a aprender y se motive para adquirir nuevos conocimientos constituye una necesidad para su formación permanente, lo que conlleva a desarrollar estrategias y/o metodologías didácticas que ayuden a “Potenciarelprotagonismo del estudiante en su proceso de formación”, en ese sentido las TIC deberán tener una utilización importante en el desarrollo del trabajo docente para “Lograr transformaciones cualitativas en el proceso de formación”.
La aplicación de las TIC en educación posibilita enriquecer el proceso docente, a través de la creación de entornos virtuales de enseñanza - aprendizaje que mejoran tanto los aspectoscomunicativos, como las necesidades independientes del proceso de enseñanza - aprendizaje de los estudiantes, modificando el lugar que ocupan como medios de enseñanza. En ese sentido,la incorporación de las TIC en el ámbito de la educación ha ido adquiriendo importancia y evolucionando a lo largo de los últimos años, pues su empleo en el proceso docente ha pasado de ser una posibilidad para establecerse como una herramienta didáctica necesaria en el mejoramiento de la calidad del proceso de enseñanza - aprendizaje tanto para profesores como para los estudiantes [2].
En consecuencia con lo anteriormente planteado los autores de las obras [3, 4, 5, 6] afirman que frente al uso de las tecnologías en este entorno educativo aparece el concepto de las Tecnologías del Aprendizaje y del Conocimiento (TAC) y las Tecnologías para el Empoderamiento y la Participación (TEP) con el objetivo de orientarlas hacia el uso de manera formativa, colaborativa y profesionalizada, tanto para el estudiante como para el profesor. Es decir, las TIC solas no aportan por sí mismas al desarrollo formativo, colaborativo y profesionalizado de los estudiantes, es precisamente función del profesor reorientarlas hacia un enfoque de las TAC y las TEP, y así lograr en el estudiante un aprendizaje autónomo, significativo, formativo, colaborativo y profesionalizado.
Por su parte los autores de la referencia [7], enfatizan que: “Es necesario tener presente que, en esta relación, lo relevante es siempre lo educativo, no lo tecnológico. Las TIC no transforman por sí solas el aprendizaje ni generan automáticamente innovación educativa. Es el método o estrategia didáctica utilizada para su integración, junto a las actividades planificadas, las que promueven un tipo u otro de aprendizaje en el estudiante”. Es por eso como plantea el autor de la obra [8], que integración de las TIC es:“...un proceso planificado, contextualizado, sistémico, continuo y reflexivo, orientado a latransformación de la práctica pedagógica tomando en cuenta las posibilidades de las TIC conla finalidad de incorporarlas armónicamente al proceso de enseñanza - aprendizaje para satisfacer los objetivos educativos.”
Es imprescindible entonces, para realizar de forma armónica la integración de las TIC - TAC - TEP en el proceso de enseñanza - aprendizaje de cualquier asignatura, tener en cuenta los conceptos más importantes de acuerdo al grado de jerarquía de los mismos, el grado de complejidad de los contenidos tratados, los aspectos donde los estudiantes confrontan mayor grado de dificultad y los nexos interdisciplinarios entre las diferentes asignaturas del currículo, las cuales deben ser determinadas a partir del análisis de los contenidos comunes. En consonancia con lo anteriormente planteado es importante señalar que el estudio de la ingeniería se caracteriza por ser principalmente interdisciplinar, ya que las investigaciones tecnológicas no son intrínsecas de una disciplina en particular, sino que requiere de la cooperación de las diversas disciplinas que integran la rama de la ingeniería en estudio y que permiten con sus respectivos enfoques teóricos - metodológicos un análisis más completo y sólido de los problemas a solucionar.
Por lo que es indispensable también, precisar los contenidos comunes y/o de interés entre las disciplinas, los medios que serán utilizados y cómo será organizado a partir de los objetivos que se desean alcanzar, seleccionar el caso de estudio más adecuado e incorporar las intervenciones de los distintos profesionales o campos del saber sobre este. Siendo entonces necesario que el profesor implemente estrategias y metodologías didácticas en el proceso de enseñanza - aprendizaje apoyadas con las TIC - TAC - TEP a partir de la concepción de diferentes enfoques, por ejemplo, un enfoque interdisciplinar y el aprendizaje basado en problemas , por tanto, se debe convertir en un facilitador, un guía u orientador en la transmisión del conocimiento, permitiendo que los estudiantes desarrollen por sí mismos habilidades técnico-prácticas propias de la profesión y las habilidades investigativas desde la actividad profesional, en la búsqueda de explicaciones a los fenómenos que se observan en la misma, cumpliendo con las actuales transformaciones curriculares [9].
Ahora bien, de acuerdo con la referencia [10], dentro de los objetivos de las asignaturas de Circuitos Eléctricos se encuentran analizar circuitos eléctricos lineales, pasivos y activos en estado estable, en los regímenes de corriente directa, alterna, periódico no sinusoidal y aperiódico y analizar circuitos eléctricos lineales, pasivos y activos, en estado transitorio, particularizando para circuitos de primer y segundo orden, para distintos tipos de estímulos, lo que demuestra la importancia que tiene para los estudiantes de ingeniería tener como precedente los conceptos matemáticos antes de enfrentarse a la resolución de los circuitos eléctricos. En ese sentido, el estudio de los fasores es una herramienta matemática fundamental en el estudio de la ingeniería eléctrica, ya que permiten simplificar los cálculos y trabajar de una manera más eficiente con señales eléctricas sinusoidales complejas.
Por otro lado, GeoGebra es un software libre de matemática que permite la exploración de conceptos y relaciones geométricas, algebraicas y numéricas; es útil para el análisis de funciones y representaciones gráficas incluyendo el análisis de fasores. Es por ello que este trabajo tiene como objetivoes proponer una metodología analítica y mediante la simulación con el software GeoGebra para el análisis de los diagramas fasoriales que ayude a mejorar el proceso de enseñanza - aprendizaje de las asignaturas de Circuitos Eléctricos para los estudiantes de 2do año a partir de las actuales transformaciones curriculares.
Para poder desarrollar el objetivo de la presente investigación, fue necesario la constatación de los estudios teóricos existentes y la búsqueda de los conocimientos científicos acumulados en torno a la búsqueda de aplicaciones metodológicassobre la integración de las TIC - TAC - TEP en el proceso de enseñanza - aprendizaje, así como la utilización de software libres profesionales en la enseñanza universitaria. El estudio se basó en una metodología cualitativa descriptiva, en la que se utilizaron en la que se utilizaron los métodosdel nivel teórico analítico - sintético e inductivo - deductivo para examinar las posiciones teóricas existentes en cuanto a la necesidad e importancia de integración de las TIC - TAC - TEP en el proceso de enseñanza-aprendizaje y sus posibles aplicaciones en las asignaturas de Circuitos Eléctricos; también se utilizaron los métodos de análisis documental y la sistematización de fuentes documentales que sirven como referentes a este trabajo, expresados en las investigaciones de las referencias [11, 12, 13, 14].
El software utilizado para la propuesta mediante la simulación es el software libre GeoGebra, que permite el trazado dinámico de construcciones geométricas de todo tipo, así como la representación gráfica, el tratamiento algebraico y el cálculo de funciones, de gran utilidad para el desarrollo de las aplicaciones en ingeniería eléctrica específicamente los diagramas fasoriales. Del trabajo metodológico realizado se obtuvo como resultado el desarrollo de una metodología analítica y su comprobación mediante la simulación con el software GeoGebra para la representación de los diagramas fasoriales en circuitos eléctricos sencillos. Como método del nivel empírico fue aplicada la entrevista estructurada para conocer las opiniones de los estudiantes acerca de la utilidad del empleo del GeoGebra para mejorar el proceso de enseñanza-aprendizaje de las asignaturas de Circuitos Eléctricos, específicamente el estudio de los diagramas fasoriales.
La población estuvo compuesta por 80 estudiantes de 2do año de la carrera de Ingeniería Eléctrica de la Universidad Tecnológica de La Habana “José Antonio Echeverría”, CUJAE, en el período 2023, los cuales representan el 100% de la matrícula. Como método estadístico se utilizó el cálcu lo de las frecuencias absolutas y relativas para el procesamiento y análisis de la informa ción obtenida en las entrevistas realizadas.
Un fasor es una representación gráfica de una señal sinusoidal compleja, que se compone de una amplitud y una fase, los cuales son más convenientes a la hora de realizar el análisis de los circuitos eléctricos que las funciones seno y coseno. En conclusión, un fasor puede considerarse como un equivalente matemático de una senoide, en el cual se elimina la dependencia respecto al tiempo, es decir, es una representación compleja de la magnitud y de la fase de una sinusoide, dicha representación representada en un plano complejo se denomina diagrama fasorial. Los fasores proporcionan entonces, un método matemático simple para analizar los circuitos lineales excitados por fuentes sinusoidales, es por ello que los fasores son una herramienta matemática fundamental en el estudio de la ingeniería eléctrica.
En este campo, las aplicaciones de los fasores más comunes son:
Análisis de los circuitos eléctricos excitados con corriente alterna.
Diseño de sistemas de control de motores y generadores lo que permite optimizar su funcionamiento y mejorar su eficiencia.
Análisis de redes eléctricas.
Diseño de sistemas de transmisión de energía.
Ahora bien, es importante destacar que, en las asignaturas de Circuitos Eléctricos, es donde el estudiante de ingeniería eléctrica debe aplicar los conocimientos adquiridos,en la asignatura de Matemática Superior, sobre el estudio de los números complejos y fasores, partiendo del concepto que en circuitos eléctricos los diagramas fasoriales son usados para representar en el plano complejo las relaciones existentes entre las tensiones y las corrientes fasoriales de un circuito eléctrico. Por otro lado, de acuerdo con las investigaciones desarrolladas por los autores de las referencias [15, 16], GeoGebra es un software libre que permite visualizar, construir, modelar, experimentar y realizar simulaciones, para así inferir, refutar, demostrar y comprobar resultados.
El Portal GeoGebra (https://geogebra.org/), es una comunidad formada por millones de usuarios alrededor del mundo, donde se comparten varias construcciones realizadas en el software en diferentes áreas como Álgebra, Geometría, Cálculo Diferencial, Probabilidad, Trigonometría y matemáticas en general, siendo soporte para el proceso de enseñanza - aprendizaje en Ciencias, Tecnología, Ingeniería y Matemáticas. Estas construcciones pueden ser utilizadas por sus usuarios, tanto en GeoGebra online como en software informático, facilitando el trabajo del profesor y los estudiantes, lo que hace posible pueden apoyar las estrategias metodológicas del desarrolladas.
La herramienta GeoGebra tiene como ventajas realizar construcciones gráficas de diferentes entes geométricos: puntos, vectores, segmentos, rectas, secciones cónicas, entre otros, lo que facilita el trabajo con los diagramas fasoriales asociados a los circuitos eléctricos. De esta forma como plantean los autores de la referencia [17], es posible aprender cómo funcionan los circuitos eléctricos, cuáles son los parámetros a tener en cuenta para el diseño de un determinado circuito de control y cómo afectan los cambios en los diferentes elementos. Todo esto ayuda a mejorar el proceso de enseñanza-aprendizaje contrastando los conocimientos teóricos estudiados con los prácticos mediante el método de la simulación.
Es importante destacar, afirman los propios autores, que a través de la simulación el estudiante forma y desarrolla habilidades para la solución de problemas profesionales mediante el ensayo-error, aprende de manera sistemática, aplica sus conocimientos en actividades prácticas, además de que puede retroalimentarse para mejorar su aprendizaje y así disminuir de manera significativa los errores. En consecuencia, con la anteriormente planteado, para realizar las orientaciones metodológicas de las diferentes actividades que se proponen desarrollar se realizaron diferentes reuniones metodológicas entre los colectivos de ambas disciplinas, en la cuales se identificaron los aspectos más importantes y comunes que deben desarrollarse mediante la interdisciplinaridad. Se tomaron acuerdos dirigidos a la determinación y aprobación de las prácticas y ejercicios teórico - prácticos a desarrollar, así como las orientaciones metodológicas para su ejecución.
De los análisis realizados, se pudo confirmar que los contenidos que pueden ser desarrollados desde la asignatura de Matemática Superior y que serán profundizados y aplicados en las asignaturas de Circuitos Eléctricos, son:
Aplicación el método fasorial para el análisis de circuitos estimulados por corriente alterna.
Aplicar el método fasorial en el análisis de los diagramas fasoriales de los circuitos eléctricos, de forma analítica y mediante la simulación con el software libre GeoGebra
Ahora bien, para integrar estos contenidos en las asignaturas de Circuitos Eléctricos y lograr que los estudiantes alcancen los objetivos se utilizarán las siguientes formas organizativas del proceso de enseñanza - aprendizaje:
Conferencias
Clases Prácticas
Prácticas laboratorios virtuales
En la actividad de Conferencia será aplicando un enfoque interdisciplinar, pues en esta clase el estudiante debe analizar las propiedades de todos los elementos pasivos de los circuitos ante estímulos de corriente alterna, definiéndose de esta forma el concepto de fasor y su importancia en el análisis circuital, para su posterior ejemplificación en el software GeoGebra. Esto le permite al estudiante apropiarse de una manera interactiva de los conocimientos y habilidades necesarias para aplicarlas a la resolución de casos reales, como por ejemplo el análisis fasorial de una línea de transmisión a partir de los diferentes modelos que se utilizan para su simulación.
En la actividad de Clase Práctica el estudiante a partir de los conocimientos adquiridos de las asignaturas de Matemática Superior y Circuitos Eléctricos sobre el trabajo con números complejos y fasores, deberá construir de forma analítica el diagrama fasorial de circuitos RL y RC para de esta forma desarrollar habilidades teórico-prácticas, para su posterior verificación en la herramienta propuesta, lo cual posibilita desarrollar valores profesionales. Por último, una vez que el estudiante se ha familiarizado con el empleo de la herramienta propuesta y se ha apropiado de los conocimientos y habilidades relacionadas con la construcción de los diagramas fasoriales de los circuitos eléctricos debe construir con la herramienta diagramas fasoriales de circuitos más complejos como por ejemplo circuitos RLC en serie y en paralelo, además de realizar el análisis fasorial de un sistema eléctrico de potencia sencillo a partir de su modelo circuital, en eso consiste la actividad de Laboratorio Virtual.
Un aspecto importante a considerar después que el estudiante ha transitado por estos tres tipos de clases, es que el software libre GeoGebra, le permita al estudiante diseñar sus propios modeloscircuitales para realizar el análisis fasorial. Con el objetivo de exponer la metodología aquí propuesta se desarrolla a modo de ejemplo, un ejercicio de clase práctica que fue resuelto en conjunto con los estudiantes.
Ejercicio propuesto
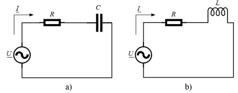
Dados los circuitos en serie RC y RL mostrados en la figura 1, trace analíticamente y mediante la simulación con el software GeoGebra el diagrama fasorial.

Solución analítica
Los diagramas fasoriales, en el análisis de circuitos eléctricos, son la representación gráfica de la magnitud y la relación direccional entre la tensión y la corriente que estimulan al circuito de corriente alterna. Los diagramas fasoriales se van construyendo teniendo en cuenta los distintos elementos que componen el circuito. Es importante conocer que la tensión en una resistencia está en fase con su corriente, que la corriente en un inductor está atrasada 90o respecto a su tensión, y que la corriente en un condensador está adelantada 90o respecto a su tensión.
En ese sentido se expone la metodología analítica seguida para el trazado de los diagramas fasoriales:
En resumen, los diagramas fasoriales son una proyección de un vector giratorio sobre un eje horizontal que representa el valor instantáneo. Puesto que se puede dibujar un diagrama fasorial para mostrar cualquier punto en el tiempo y, por lo tanto, cualquier ángulo, el vector de referencia de una cantidad alterna, tensión o corriente en el caso de circuitos eléctricos, siempre se dibuja a lo largo de la dirección positiva del eje x.
Se recomienda siempre tomar como referencia la señal, tensión o corriente, común en todos los elementos, por ejemplo, en caso de los elementos conectados en serie se recomienda tomar como referencia la señal de corriente, mientras los que están conectados en paralelo se recomienda tomar la señal de tensión.
Los diagramas fasoriales solo se aplican a cantidades de corriente alterna sinusoidal.
Se puede utilizar un diagrama fasorial para representar dos o más cantidades sinusoidales estacionarias en cualquier momento.
La señal de referencia se dibuja a lo largo del eje horizontal, y a partir de esta se trazan las otras señales, teniendo en cuenta las relaciones circuitales que caracterizan el circuito como las leyes de Kirchhoff de corriente y tensión las cuales deben cumplirse siempre, en ese sentido es importante conocer la suma y resta de vectores.
Se pueden dibujar diagramas fasoriales para mostrar más de dos ondas sinusoidales, pero la frecuencia de todas debe ser la misma.
Para la representación de la fase del fasor se tomará como positivoel sentido antihorario.
En general, la longitud del fasor representa el valor RMS de la cantidad sinusoidal en lugar de su valor máximo.
Las curvas sinusales con diferentes frecuencias no se pueden mostrar en el mismo diagrama vectorial debido a la diferente velocidad de los vectores. En cualquier momento, el ángulo de fase entre ellos es diferente.
Se pueden sumar o restar dos o más vectores y convertirse en un solo vector llamado vector resultante.
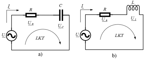
Entonces a partir de esta metodología el estudiante trazará cualitativamente los diagramas fasoriales, para lo que es necesario realizar una Ley de Kirchhoff para las tensiones (LKT) como se muestra en la figura 2.

De la figura 2, se pueden obtener las ecuaciones 1 y 2, que representarán la LKT para el circuito RC y RL respectivamente:
(1)
(2)En correspondencia los diagramas fasoriales serán los mostrados en la figura 3, se debe aclarar que como los circuitos están conectados en serie se tomará en la referencia la señal de corriente, el ángulo φ corresponde con el ángulo de impedancia del circuito y es el desfasaje entre la tensión y la corriente de entrada.

Solución mediante la simulación con el software GeoGebra
Para la obtención de los diagramas fasoriales con el software GeoGebra se construyeron los modelos mostrados en las figuras 4 y 5.


Es importante señalar que con la integración del GeoGebra al proceso de enseñanza -aprendizaje de los circuitos eléctricos específicamente del estudio de los diagramas fasoriales el estudiante puede comprobar como a medida que varían los valores de R, C y L varían los valores de las tensiones y en consecuencia el ángulo entre la corriente y la tensión que corresponde con ser el ángulo de impedancia del circuito, lo que le ayuda a sacar conclusiones como, por ejemplo, a conocer el factor de potencia del circuito bajo estudio que resultar ser el coseno del ángulo de impedancia, el cual es un factor de calidad de la energía eléctrica pues representa el aprovechamiento de la potencia activa del circuito, por lo que con los modelos desarrollados que se muestran de ejemplo el estudiante puede variar los parámetros para obtener el factor de potencia deseado.
Por otro lado, emplea mediante la simulación y la programación como método, los conocimientos adquiridos en la asignatura de Matemática Superior sobre el trabajo con los numéricos complejos y fasores aplicado a las asignaturas de Circuitos Eléctricos. Entre las utilidades didácticas que brinda el software GeoGebra desde la concepción de las TIC - TAC - TEP se encuentran:
Realizar prácticas interactivas para realizar el análisis fasorial de los circuitos eléctricos a partir de los conocimientos adquiridos de la asignatura de Matemática Superior.
Posibilidad de obtener los diagramas fasoriales para diferentes valores de R, C y L, así como el ángulo del factor de potencia del circuito
Realizar los estudios analíticos y compararlos con la herramienta propuesta lo que proporciona el desarrollo de habilidades profesionales.
Con el implemento de las TAC se potencia las nuevas posibilidades que ofrece la educación a distancia, además de la verificación de los resultados teóricos con los prácticos potenciando la autoevaluación en el estudiante.
Se sientan las bases para que el estudiante desarrolle sus propios diseños utilizando la programación y la simulación como método.
Por otra parte, el alcance de la aplicación desde la concepción de las TEP posibilita desarrollar estrategias tales como:
Comunicación en tiempo real entre los estudiantes y profesores respecto al análisis de los diagramas fasoriales aplicados a los circuitos eléctricos pudiéndose utilizar las prestaciones de Telegram.
Coordinar, almacenar, comunicar, planificar y trabajar colaborativamente en la construcción de diagramas fasoriales de modelos más complejos utilizando la plataforma de teleformación Moodle.
Crear videos y socializarlos por las diferentes redes sociales, como WhatsApp, Telegram, Research Gate y la propia plataforma de GeoGebra.
En ese sentido los modelos fasoriales desarrollados en el software GeoGebra para las activades propuestas pueden ser visualizados en:
Circuito Pi Nominal, http://dx.doi.org/10.13140/RG.2.2.13297.45924
Circuito RC serie, http://dx.doi.org/10.13140/RG.2.2.36785.56169
Circuito RC paralelo, http://dx.doi.org/10.13140/RG.2.2.26876.51849
Circuito RL serie, http://dx.doi.org/10.13140/RG.2.2.18487.91044
Circuito RL paralelo, http://dx.doi.org/10.13140/RG.2.2.21843.35361
Circuito RLC serie, http://dx.doi.org/10.13140/RG.2.2.35265.12642
Circuito RLC paralelo, http://dx.doi.org/10.13140/RG.2.2.17649.04960
Es importante destacar que con el objetivo de conocer la utilidad práctica de los modelos propuestos y del software GeoGebra en el análisis fasorial de los circuitos eléctricos, se entrevistaron un total de 80 estudiantes de 2do año del curso 2023, que representan el 100% de la matrícula, el formulario que sirvió de guía para la realización de la entrevista fue estructurado de la forma siguiente:
Pregunta No. 1. A su criterio, ¿considera que al utilizar los modelos creados por en el software GeoGebra para el análisis de los diagramas fasoriales le ayudó a reforzar los contenidos teóricos-prácticos, así como el desarrollo de habilidades?
Las respuestas de esta pregunta se muestran en la tabla 1.

Análisis e interpretación: Se observa que el 99% de los estudiantes entrevistados consideran que el software GeoGebra los ayudó a comprender los contenidos teóricos impartido en las conferencias y a desarrollar habilidades prácticas. De estos resultados puede inferirse que la integración del software GeoGebra ayudó en gran medida al mejoramiento del proceso de enseñanza - aprendizaje de los estudiantes en las asignaturas de Circuitos Eléctricos en el análisis de los diagramas fasoriales.
Pregunta No. 2. A su criterio, ¿la utilización del software GeoGebra y los conocimientos adquiridos en las asignaturas de Circuitos Eléctricos y Matemática Superior le ayudó a mejorar la motivación por la carrera?
Las respuestas de esta pregunta se muestran en la tabla 2.

Análisis e interpretación: El 100% de los estudiantes plantean quela utilización del software GeoGebra unido a los conocimientos adquiridos en las asignaturas de Circuitos Eléctricos y Matemática Superior sobre el trabajo con números complejos y fasores los ayudó a elevar el interés y motivación por la carrera, pues además de la profundización de conocimientos teórico - prácticos, al aplicar la simulación y programación como método los ayuda a la verificación de los ejercicios propuestos y a la interpretación de los resultados.
Pregunta No. 3. A su criterio, ¿la realización de las actividades a partir de la utilización del software GeoGebra lo ayudó a intercambiar conocimientos y habilidades con sus compañeros?
Las respuestas de esta pregunta se muestran en la tabla 3.

Análisis e interpretación: El 100% de los estudiantes afirman que la formación de equipos para realizar las actividades con el software GeoGebra, los ayudó a intercambiar información en cuanto a la utilización y a la implementación de los modelos, así como a la interpretación de los resultados. Este resultado evidencia que la formación de equipos y la integración de las TIC desde la concepción TAC y TEP en el proceso de enseñanza - aprendizaje mediante la simulación y la programación, mejoran el aprendizaje colaborativo, significativo y el autoaprendizaje de los estudiantes, sobre todo cuando se aplican en situaciones problémicas relacionadas con la profesión con un enfoque interdisciplinar.
Del análisis de los resultados de las entrevistas realizadas, después de poner en práctica el empleo del software GeoGebra en el análisis fasorial aplicado a los circuitos eléctricos, se confirma que se logró un vínculo teoría - práctica a partir de la integración de las TIC - TAC - TEP mediante la simulación y la programación como método de enseñanza - aprendizaje con un enfoque interdisciplinar, lo que potenció el mejoramiento del proceso de enseñanza-aprendizaje de las asignaturas de Circuitos Eléctricos y Matemática Superior, lo que elevó el nivel de motivación de los estudiantes por la carrera.
A partir de la integración del software GeoGebra se mejoró el proceso de enseñanza - aprendizaje de las asignaturas de Circuitos Eléctricos a partir de un enfoque interdisciplinar, específicamente en el análisis de diagramas fasoriales, mostrándose las potencialidades del software GeoGebra para la enseñanza de las asignaturas de Circuitos Eléctricos y Matemática Superior.
El empleo de la simulación y la programación como método del procesos de enseñanza - aprendizaje a partir del software GeoGebra mejora los resultados del aprendizaje de los estudiantes en las asignaturas de Circuitos Eléctricos, ya que posibilita mayor vínculo entre la teoría y la práctica, además de desarrollar en los estudiantes el pensamiento lógico y el aprendizaje autónomo, colaborativo, significativo y profesionalizado, ya que los estudiantes a partir de los conocimientos adquiridos en la asignatura de Matemática Superior sobre el trabajo con los fasores y números complejos deben aplicarlos a la resolución de un problema dado por medio analítico y de un algoritmo, lo que le permite adquirir habilidades profesionales.
Por otro lado, los modelos desarrollados con el software GeoGebra se caracterizan por ser un recurso educativo que logra mejorar los resultados del proceso de enseñanza - aprendizaje y resulta ser útil para los estudiantes de la carrera de Ingeniería Eléctrica, tanto en actividades presenciales, así como en actividades a distancia. Además, propicia un aprendizaje personalizado en el que se tiene en cuenta los tiempos de aprendizaje y la colaboración entre los estudiantes del grupo y con el profesor.
* Autor de la correspondencia: maykop@electrica.cujae.edu.cu







